BOSCH Drehknopf SCHWARZ | Ersatzteile für 1589 EVS | 2602026063

Artikelnummer: EB-0601589769-2602026063

Position: 53

Marke: BOSCH


Bitte Kompatibilität prüfen!

Bitte prüfen Sie unbedingt die 10-stellige Typennummer Ihrer Maschine / Ihres Gerätes. Das Ersatzteil ist nur kompatibel, wenn Sie die Typennummer Ihrer Maschine in der unten stehenden Produktbeschreibung finden.

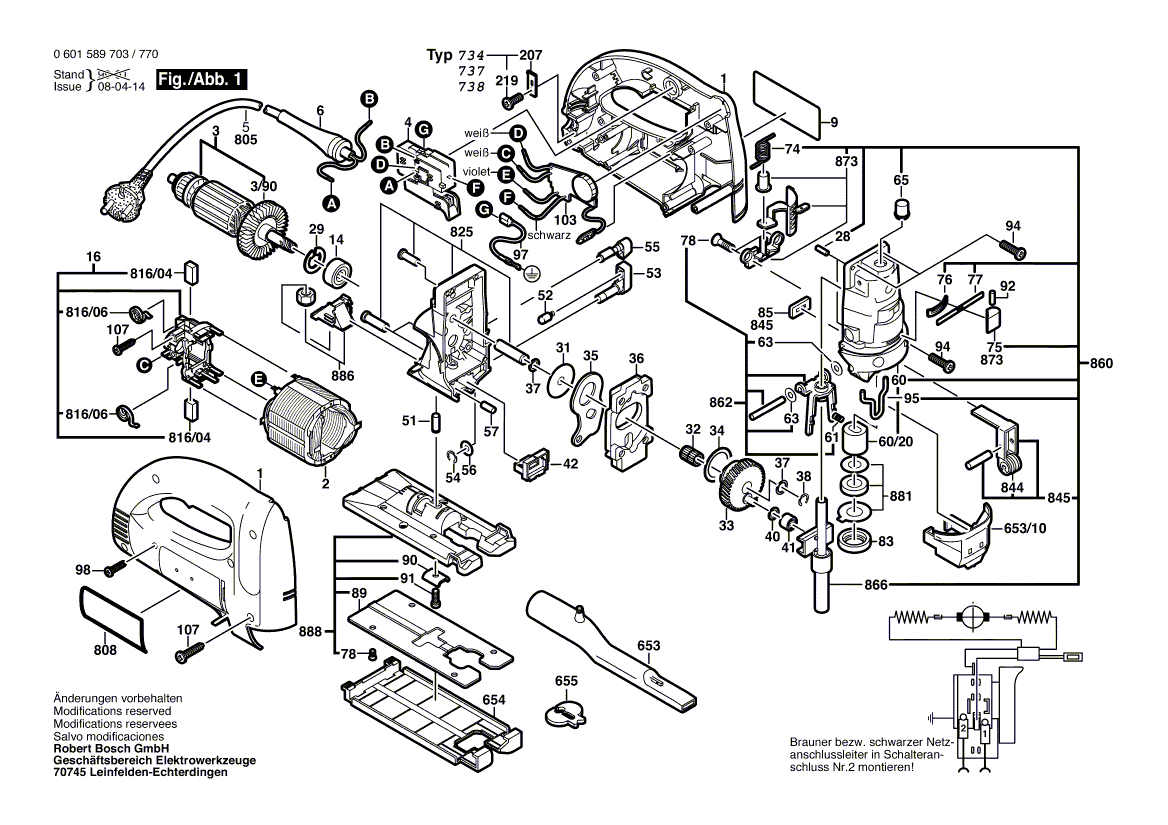
Bitte prüfen Sie ebenfalls detailliert die Explosionszeichnung mit Ihrem Artikelwunsch und der jeweiligen Pos-Nummer.

Alle Elemente, welche vom schwarzen Strich der Pos-Nummer ausgehend berührt / erfasst werden, gehören zu dieser Pos-Nummer und somit zu diesem Artikel. Jede Pos-Nummer ist ein eigenständiger Artikel, welchen Sie in der Auflistung finden.

Sie erhalten stets die aktuellste, neueste Produktversion zu der gewählten Pos-Nummer seitens des Herstellers. Es kann daher je nach Gerätealter vorkommen, dass Sie ggf. weitere, zugehörige Elemente, welche an diese Pos-Nummer grenzen, ebenfalls mittauschen müssen.

Nähere Informationen finden Sie unter dem Link
Hinweise zu Ihrer BOSCH Ersatzteilsuche

Preisübersicht

Einzelpreis: 4,56 €* (Brutto: 5,43 €)
Gesamtpreis: 4,56 €* 
Position:

Lieferzeit: 5 Werktage


Beschreibung

  • Drehknopf SCHWARZ
  • Original Bosch Zubehör / BOSCH Ersatzteil (2602026063)
  • im Gerät verbaut: 1
Dieses BOSCH Ersatzteil ist mit folgendem Gerät und Modell kompatibel:
  • BOSCH Gerätename: 1589 EVS
  • BOSCH Explosionszeichnung: Position 53
  • BOSCH Typennummer: 0601589769
  • BOSCH Typennummer alternative Schreibweisen: 0 601 589 769, 0601 589 769, 0.601.589.769, 0-601-589-769
    Bitte prüfen Sie diese Typennummer auf Ihrem Gerät um die Kompatibilität des BOSCH Ersatzteils zu gewährleisten.
Weitere BOSCH Ersatzteile des Gerätes 1589 EVS (Stichsäge) mit der Typennummer 0601589769 finden Sie in der nachfolgenden Darstellung und im Dropdown zu Ihrer Auswahl:

Pos.
1
BOSCH Gehäuseschale BLAU | Ersatzteile für 1589 EVS | 2605104582
Hersteller: BOSCH
Artikelnummer: EB-0601589769-2605104582
nur Informationsartikel
Nie mehr lieferbar
keine Alternativen
Pos.
3/90
BOSCH Lüfter | Ersatzteile für 1589 EVS | 2606610089
Hersteller: BOSCH
Artikelnummer: EB-0601589769-2606610089
Netto: 6,27 € zzgl. MwSt.
zzgl. 6,90 € Versand (brutto)
einmalig pro Bestellung

Lieferzeit: 5 Werktage

Pos.
60/20
BOSCH Lagerbuchse | Ersatzteile für 1589 EVS | 2600301037
Hersteller: BOSCH
Artikelnummer: EB-0601589769-2600301037
Netto: 3,94 € zzgl. MwSt.
zzgl. 6,90 € Versand (brutto)
einmalig pro Bestellung

Lieferzeit: 5 Werktage

Pos.
653/10
BOSCH Abdeckhaube | Ersatzteile für 1589 EVS | 2605510159
Hersteller: BOSCH
Artikelnummer: EB-0601589769-2605510159
nur Informationsartikel
Nie mehr lieferbar
keine Alternativen
Pos.
816/04
BOSCH Kohlebürstensatz | Ersatzteile für 1589 EVS | 2604320913
Hersteller: BOSCH
Artikelnummer: EB-0601589769-2604320913
Netto: 8,23 € zzgl. MwSt.
zzgl. 6,90 € Versand (brutto)
einmalig pro Bestellung

Lieferzeit: 5 Werktage

Pos.
816/06
BOSCH Spiralfeder | Ersatzteile für 1589 EVS | 1604652013
Hersteller: BOSCH
Artikelnummer: EB-0601589769-1604652013
Netto: 3,94 € zzgl. MwSt.
zzgl. 6,90 € Versand (brutto)
einmalig pro Bestellung

Lieferzeit: 5 Werktage

Pos.
2
BOSCH Polschuh 100-120V | Ersatzteile für 1589 EVS | 2604220591
Hersteller: BOSCH
Artikelnummer: EB-0601589769-2604220591
Netto: 13,81 € zzgl. MwSt.
zzgl. 6,90 € Versand (brutto)
einmalig pro Bestellung

Lieferzeit: 5 Werktage

Pos.
3
BOSCH Anker 100-120V | Ersatzteile für 1589 EVS | 2604011149
Hersteller: BOSCH
Artikelnummer: EB-0601589769-2604011149
nur Informationsartikel
Nie mehr lieferbar
keine Alternativen
Pos.
4
BOSCH Schalter | Ersatzteile für 1589 EVS | 2607200500
Hersteller: BOSCH
Artikelnummer: EB-0601589769-2607200500
nur Informationsartikel
Nie mehr lieferbar
keine Alternativen
Pos.
5
BOSCH Netzanschlussleitung USA/CDN 4,15m 2 x 082mm SJ 18/2 | Ersatzteile für 1589 EVS | 2604460214
Hersteller: BOSCH
Artikelnummer: EB-0601589769-2604460214
nur Informationsartikel
Nie mehr lieferbar
keine Alternativen
Pos.
6
BOSCH Tülle | Ersatzteile für 1589 EVS | 2600703067
Hersteller: BOSCH
Artikelnummer: EB-0601589769-2600703067
Netto: 4,83 € zzgl. MwSt.
zzgl. 6,90 € Versand (brutto)
einmalig pro Bestellung

Lieferzeit: 5 Werktage

Pos.
9
BOSCH Firmenschild | Ersatzteile für 1589 EVS | 2601119940
Hersteller: BOSCH
Artikelnummer: EB-0601589769-2601119940
nur Informationsartikel
Nie mehr lieferbar
keine Alternativen
Pos.
14
BOSCH Kugellager 9x24x7 | Ersatzteile für 1589 EVS | 2600905095
Hersteller: BOSCH
Artikelnummer: EB-0601589769-2600905095
Netto: 10,62 € zzgl. MwSt.
zzgl. 6,90 € Versand (brutto)
einmalig pro Bestellung

Lieferzeit: 5 Werktage

Pos.
16
BOSCH Bürstenplatte | Ersatzteile für 1589 EVS | 2605807083
Hersteller: BOSCH
Artikelnummer: EB-0601589769-2605807083
nur Informationsartikel
Nie mehr lieferbar
keine Alternativen
Pos.
28
BOSCH Nadelrolle DIN 5402-A3x11,8-G2 | Ersatzteile für 1589 EVS | 1903201042
Hersteller: BOSCH
Artikelnummer: EB-0601589769-1903201042
Netto: 4,36 € zzgl. MwSt.
zzgl. 6,90 € Versand (brutto)
einmalig pro Bestellung

Lieferzeit: 5 Werktage

Pos.
29
BOSCH Sicherungsring DIN 472-24x1,2 MM | Ersatzteile für 1589 EVS | 2916660008
Hersteller: BOSCH
Artikelnummer: EB-0601589769-2916660008
Netto: 4,36 € zzgl. MwSt.
zzgl. 6,90 € Versand (brutto)
einmalig pro Bestellung

Lieferzeit: 5 Werktage

Pos.
31
BOSCH Ausgleichscheibe 0,5 MM | Ersatzteile für 1589 EVS | 2600101048
Hersteller: BOSCH
Artikelnummer: EB-0601589769-2600101048
Netto: 3,94 € zzgl. MwSt.
zzgl. 6,90 € Versand (brutto)
einmalig pro Bestellung

Lieferzeit: 5 Werktage

Pos.
32
BOSCH Nadelkranz | Ersatzteile für 1589 EVS | 2600913040
Hersteller: BOSCH
Artikelnummer: EB-0601589769-2600913040
Netto: 6,75 € zzgl. MwSt.
zzgl. 6,90 € Versand (brutto)
einmalig pro Bestellung

Lieferzeit: 5 Werktage

Pos.
33
BOSCH Exzenterzahnrad | Ersatzteile für 1589 EVS | 2606320101
Hersteller: BOSCH
Artikelnummer: EB-0601589769-2606320101
Netto: 23,72 € zzgl. MwSt.
zzgl. 6,90 € Versand (brutto)
einmalig pro Bestellung

Lieferzeit: 5 Werktage

Pos.
34
BOSCH Ausgleichscheibe 0,5 MM | Ersatzteile für 1589 EVS | 2600102614
Hersteller: BOSCH
Artikelnummer: EB-0601589769-2600102614
nur Informationsartikel
Nie mehr lieferbar
keine Alternativen
Pos.
35
BOSCH Gabelhebel | Ersatzteile für 1589 EVS | 2601923010
Hersteller: BOSCH
Artikelnummer: EB-0601589769-2601923010
nur Informationsartikel
Nie mehr lieferbar
keine Alternativen
Pos.
36
BOSCH Ausgleichgewicht | Ersatzteile für 1589 EVS | 2601098032
Hersteller: BOSCH
Artikelnummer: EB-0601589769-2601098032
Netto: 12,50 € zzgl. MwSt.
zzgl. 6,90 € Versand (brutto)
einmalig pro Bestellung

Lieferzeit: 5 Werktage

Pos.
37
BOSCH Ausgleichscheibe 0,3 MM | Ersatzteile für 1589 EVS | 2600101047
Hersteller: BOSCH
Artikelnummer: EB-0601589769-2600101047
Netto: 3,94 € zzgl. MwSt.
zzgl. 6,90 € Versand (brutto)
einmalig pro Bestellung

Lieferzeit: 5 Werktage

Pos.
38
BOSCH Sicherungsscheibe DIN 6799-6-FST | Ersatzteile für 1589 EVS | 2916080909
Hersteller: BOSCH
Artikelnummer: EB-0601589769-2916080909
Netto: 3,60 € zzgl. MwSt.
zzgl. 6,90 € Versand (brutto)
einmalig pro Bestellung

Lieferzeit: 5 Werktage

Pos.
40
BOSCH Zwischenring | Ersatzteile für 1589 EVS | 2600200038
Hersteller: BOSCH
Artikelnummer: EB-0601589769-2600200038
nur Informationsartikel
Nie mehr lieferbar
keine Alternativen
Pos.
41
BOSCH Nadelhülse | Ersatzteile für 1589 EVS | 2600917900
Hersteller: BOSCH
Artikelnummer: EB-0601589769-2600917900
nur Informationsartikel
Nie mehr lieferbar
keine Alternativen
Pos.
42
BOSCH Luftabscheider | Ersatzteile für 1589 EVS | 2602305048
Hersteller: BOSCH
Artikelnummer: EB-0601589769-2602305048
nur Informationsartikel
Nie mehr lieferbar
keine Alternativen
Pos.
51
BOSCH Lagerbolzen | Ersatzteile für 1589 EVS | 2603105053
Hersteller: BOSCH
Artikelnummer: EB-0601589769-2603105053
Netto: 3,60 € zzgl. MwSt.
zzgl. 6,90 € Versand (brutto)
einmalig pro Bestellung

Lieferzeit: 5 Werktage

Pos.
52
BOSCH Rastkappe | Ersatzteile für 1589 EVS | 2600590006
Hersteller: BOSCH
Artikelnummer: EB-0601589769-2600590006
Netto: 3,94 € zzgl. MwSt.
zzgl. 6,90 € Versand (brutto)
einmalig pro Bestellung

Lieferzeit: 5 Werktage

Pos.
53
BOSCH Drehknopf SCHWARZ | Ersatzteile für 1589 EVS | 2602026063
Hersteller: BOSCH
Artikelnummer: EB-0601589769-2602026063
Netto: 4,56 € zzgl. MwSt.
zzgl. 6,90 € Versand (brutto)
einmalig pro Bestellung

Lieferzeit: 5 Werktage

Pos.
54
BOSCH Sicherungsscheibe 5 DIN 6799 | Ersatzteile für 1589 EVS | 2916080908
Hersteller: BOSCH
Artikelnummer: EB-0601589769-2916080908
Netto: 3,60 € zzgl. MwSt.
zzgl. 6,90 € Versand (brutto)
einmalig pro Bestellung

Lieferzeit: 5 Werktage

Pos.
55
BOSCH Drehknopf SCHWARZ | Ersatzteile für 1589 EVS | 2602026065
Hersteller: BOSCH
Artikelnummer: EB-0601589769-2602026065
Netto: 4,36 € zzgl. MwSt.
zzgl. 6,90 € Versand (brutto)
einmalig pro Bestellung

Lieferzeit: 5 Werktage

Pos.
56
BOSCH Ausgleichscheibe 0,3 MM | Ersatzteile für 1589 EVS | 2600100607
Hersteller: BOSCH
Artikelnummer: EB-0601589769-2600100607
Netto: 3,94 € zzgl. MwSt.
zzgl. 6,90 € Versand (brutto)
einmalig pro Bestellung

Lieferzeit: 5 Werktage

Pos.
57
BOSCH Zylinderstift 17,35+0,1 MM | Ersatzteile für 1589 EVS | 2603100069
Hersteller: BOSCH
Artikelnummer: EB-0601589769-2603100069
Netto: 3,94 € zzgl. MwSt.
zzgl. 6,90 € Versand (brutto)
einmalig pro Bestellung

Lieferzeit: 5 Werktage

Pos.
60
BOSCH Getriebedeckel | Ersatzteile für 1589 EVS | 2605808081
Hersteller: BOSCH
Artikelnummer: EB-0601589769-2605808081
nur Informationsartikel
Nie mehr lieferbar
keine Alternativen
Pos.
61
BOSCH Druckfeder | Ersatzteile für 1589 EVS | 2604610042
Hersteller: BOSCH
Artikelnummer: EB-0601589769-2604610042
Netto: 3,94 € zzgl. MwSt.
zzgl. 6,90 € Versand (brutto)
einmalig pro Bestellung

Lieferzeit: 5 Werktage

Pos.
63
BOSCH Ausgleichscheibe | Ersatzteile für 1589 EVS | 2600101095
Hersteller: BOSCH
Artikelnummer: EB-0601589769-2600101095
Netto: 3,94 € zzgl. MwSt.
zzgl. 6,90 € Versand (brutto)
einmalig pro Bestellung

Lieferzeit: 5 Werktage

Pos.
65
BOSCH Dichtung | Ersatzteile für 1589 EVS | 2601015064
Hersteller: BOSCH
Artikelnummer: EB-0601589769-2601015064
Netto: 3,94 € zzgl. MwSt.
zzgl. 6,90 € Versand (brutto)
einmalig pro Bestellung

Lieferzeit: 5 Werktage

Pos.
74
BOSCH Drehfeder | Ersatzteile für 1589 EVS | 2604651011
Hersteller: BOSCH
Artikelnummer: EB-0601589769-2604651011
Netto: 4,80 € zzgl. MwSt.
zzgl. 6,90 € Versand (brutto)
einmalig pro Bestellung

Lieferzeit: 5 Werktage

Pos.
75
BOSCH Griffkappe SCHWARZ | Ersatzteile für 1589 EVS | 2600591010
Hersteller: BOSCH
Artikelnummer: EB-0601589769-2600591010
Netto: 4,56 € zzgl. MwSt.
zzgl. 6,90 € Versand (brutto)
einmalig pro Bestellung

Lieferzeit: 5 Werktage

Pos.
76
BOSCH Dichtung | Ersatzteile für 1589 EVS | 2601015065
Hersteller: BOSCH
Artikelnummer: EB-0601589769-2601015065
Netto: 3,94 € zzgl. MwSt.
zzgl. 6,90 € Versand (brutto)
einmalig pro Bestellung

Lieferzeit: 5 Werktage

Pos.
77
BOSCH Abdeckplatte | Ersatzteile für 1589 EVS | 2601016079
Hersteller: BOSCH
Artikelnummer: EB-0601589769-2601016079
Netto: 6,27 € zzgl. MwSt.
zzgl. 6,90 € Versand (brutto)
einmalig pro Bestellung

Lieferzeit: 5 Werktage

Pos.
78
BOSCH Gewindefurchschraube | Ersatzteile für 1589 EVS | 2603421014
Hersteller: BOSCH
Artikelnummer: EB-0601589769-2603421014
nur Informationsartikel
Nie mehr lieferbar
keine Alternativen
Pos.
83
BOSCH Haltering | Ersatzteile für 1589 EVS | 2600202037
Hersteller: BOSCH
Artikelnummer: EB-0601589769-2600202037
Netto: 4,36 € zzgl. MwSt.
zzgl. 6,90 € Versand (brutto)
einmalig pro Bestellung

Lieferzeit: 5 Werktage

Pos.
85
BOSCH Abdichtplatte | Ersatzteile für 1589 EVS | 2601015057
Hersteller: BOSCH
Artikelnummer: EB-0601589769-2601015057
nur Informationsartikel
Nie mehr lieferbar
keine Alternativen
Pos.
89
BOSCH Arbeitsplatte | Ersatzteile für 1589 EVS | 2601098082
Hersteller: BOSCH
Artikelnummer: EB-0601589769-2601098082
nur Informationsartikel
Nie mehr lieferbar
keine Alternativen
Pos.
90
BOSCH Profilleiste | Ersatzteile für 1589 EVS | 2601030022
Hersteller: BOSCH
Artikelnummer: EB-0601589769-2601030022
Netto: 4,56 € zzgl. MwSt.
zzgl. 6,90 € Versand (brutto)
einmalig pro Bestellung

Lieferzeit: 5 Werktage

Pos.
91
BOSCH Innensechskantschraube DIN 912-M6x16-8.8 | Ersatzteile für 1589 EVS | 2910141197
Hersteller: BOSCH
Artikelnummer: EB-0601589769-2910141197
Netto: 3,60 € zzgl. MwSt.
zzgl. 6,90 € Versand (brutto)
einmalig pro Bestellung

Lieferzeit: 5 Werktage

Pos.
92
BOSCH Spannstift 2x6 DIN 1481 | Ersatzteile für 1589 EVS | 2917760034
Hersteller: BOSCH
Artikelnummer: EB-0601589769-2917760034
Netto: 3,60 € zzgl. MwSt.
zzgl. 6,90 € Versand (brutto)
einmalig pro Bestellung

Lieferzeit: 5 Werktage

Pos.
94
BOSCH Gewindefurchschraube M4x12 MM | Ersatzteile für 1589 EVS | 2603410049
Hersteller: BOSCH
Artikelnummer: EB-0601589769-2603410049
Netto: 3,94 € zzgl. MwSt.
zzgl. 6,90 € Versand (brutto)
einmalig pro Bestellung

Lieferzeit: 5 Werktage

Pos.
95
BOSCH Schutzbügel SCHWARZ | Ersatzteile für 1589 EVS | 2603101046
Hersteller: BOSCH
Artikelnummer: EB-0601589769-2603101046
nur Informationsartikel
Nie mehr lieferbar
keine Alternativen
Pos.
98
BOSCH Torx-Linsenschraube 3x18 | Ersatzteile für 1589 EVS | 2603490018
Hersteller: BOSCH
Artikelnummer: EB-0601589769-2603490018
nur Informationsartikel
Nie mehr lieferbar
keine Alternativen
Pos.
103
BOSCH Drehzahlregler 120V | Ersatzteile für 1589 EVS | 2607230045
Hersteller: BOSCH
Artikelnummer: EB-0601589769-2607230045
nur Informationsartikel
Nie mehr lieferbar
keine Alternativen
Pos.
106
BOSCH Torx-Linsenschraube 4x30 | Ersatzteile für 1589 EVS | 2603490025
Hersteller: BOSCH
Artikelnummer: EB-0601589769-2603490025
Netto: 3,60 € zzgl. MwSt.
zzgl. 6,90 € Versand (brutto)
einmalig pro Bestellung

Lieferzeit: 5 Werktage

Pos.
107
BOSCH Torx-Linsenschraube 4x25 | Ersatzteile für 1589 EVS | 2603490024
Hersteller: BOSCH
Artikelnummer: EB-0601589769-2603490024
Netto: 3,94 € zzgl. MwSt.
zzgl. 6,90 € Versand (brutto)
einmalig pro Bestellung

Lieferzeit: 5 Werktage

Pos.
207
BOSCH Befestigungsschelle | Ersatzteile für 1589 EVS | 2601302011
Hersteller: BOSCH
Artikelnummer: EB-0601589769-2601302011
nur Informationsartikel
Nie mehr lieferbar
keine Alternativen
Pos.
210
BOSCH Hinweisschild | Ersatzteile für 1589 EVS | 2601119744
Hersteller: BOSCH
Artikelnummer: EB-0601589769-2601119744
Netto: 5,21 € zzgl. MwSt.
zzgl. 6,90 € Versand (brutto)
einmalig pro Bestellung

Lieferzeit: 5 Werktage

Pos.
219
BOSCH Torx-Linsenschraube 4x12 | Ersatzteile für 1589 EVS | 2603490021
Hersteller: BOSCH
Artikelnummer: EB-0601589769-2603490021
Netto: 3,60 € zzgl. MwSt.
zzgl. 6,90 € Versand (brutto)
einmalig pro Bestellung

Lieferzeit: 5 Werktage

Pos.
220
BOSCH Niederhalter | Ersatzteile für 1589 EVS | 2602099015
Hersteller: BOSCH
Artikelnummer: EB-0601589769-2602099015
Netto: 7,36 € zzgl. MwSt.
zzgl. 6,90 € Versand (brutto)
einmalig pro Bestellung

Lieferzeit: 5 Werktage

Pos.
653
BOSCH Saugdüse | Ersatzteile für 1589 EVS | 2605730038
Hersteller: BOSCH
Artikelnummer: EB-0601589769-2605730038
nur Informationsartikel
Nie mehr lieferbar
keine Alternativen
Pos.
654
BOSCH Gleitschuh | Ersatzteile für 1589 EVS | 2608000184
Hersteller: BOSCH
Artikelnummer: EB-0601589769-2608000184
nur Informationsartikel
Nie mehr lieferbar
keine Alternativen
Pos.
655
BOSCH Spanreissschutz | Ersatzteile für 1589 EVS | 2601016065
Hersteller: BOSCH
Artikelnummer: EB-0601589769-2601016065
nur Informationsartikel
Nie mehr lieferbar
keine Alternativen
Pos.
808
BOSCH Typschild | Ersatzteile für 1589 EVS | 2601119673
Hersteller: BOSCH
Artikelnummer: EB-0601589769-2601119673
nur Informationsartikel
Nie mehr lieferbar
keine Alternativen
Pos.
825
BOSCH Getriebegehäuse | Ersatzteile für 1589 EVS | 2605806896
Hersteller: BOSCH
Artikelnummer: EB-0601589769-2605806896
Netto: 38,40 € zzgl. MwSt.
zzgl. 6,90 € Versand (brutto)
einmalig pro Bestellung

Lieferzeit: 5 Werktage

Pos.
844
BOSCH Rollensatz | Ersatzteile für 1589 EVS | 2600326904
Hersteller: BOSCH
Artikelnummer: EB-0601589769-2600326904
nur Informationsartikel
Nie mehr lieferbar
keine Alternativen
Pos.
845
BOSCH Rollenhebel | Ersatzteile für 1589 EVS | 2601321904
Hersteller: BOSCH
Artikelnummer: EB-0601589769-2601321904
nur Informationsartikel
Nie mehr lieferbar
keine Alternativen
Pos.
860
BOSCH Getriebedeckel | Ersatzteile für 1589 EVS | 2605808927
Hersteller: BOSCH
Artikelnummer: EB-0601589769-2605808927
nur Informationsartikel
Nie mehr lieferbar
keine Alternativen
Pos.
862
BOSCH Führungsbügel | Ersatzteile für 1589 EVS | 2601322900
Hersteller: BOSCH
Artikelnummer: EB-0601589769-2601322900
Netto: 11,78 € zzgl. MwSt.
zzgl. 6,90 € Versand (brutto)
einmalig pro Bestellung

Lieferzeit: 5 Werktage

Pos.
866
BOSCH Hubstange | Ersatzteile für 1589 EVS | 2600780911
Hersteller: BOSCH
Artikelnummer: EB-0601589769-2600780911
nur Informationsartikel
Nie mehr lieferbar
keine Alternativen
Pos.
873
BOSCH Halteblech | Ersatzteile für 1589 EVS | 2601990906
Hersteller: BOSCH
Artikelnummer: EB-0601589769-2601990906
nur Informationsartikel
Nie mehr lieferbar
keine Alternativen
Pos.
881
BOSCH Dichtungssatz | Ersatzteile für 1589 EVS | 2600290902
Hersteller: BOSCH
Artikelnummer: EB-0601589769-2600290902
nur Informationsartikel
Nie mehr lieferbar
keine Alternativen
Pos.
886
BOSCH Lüfterdeckel BLAU | Ersatzteile für 1589 EVS | 2605500908
Hersteller: BOSCH
Artikelnummer: EB-0601589769-2605500908
nur Informationsartikel
Nie mehr lieferbar
keine Alternativen
Pos.
888
BOSCH Grundplatte | Ersatzteile für 1589 EVS | 2608000917
Hersteller: BOSCH
Artikelnummer: EB-0601589769-2608000920
nur Informationsartikel
Nie mehr lieferbar
keine Alternativen

Angaben zur Produktsicherheit

Hersteller:
Robert Bosch Power Tools GmbH
Postfach 30 02 20
70442 Stuttgart

E-Mail:
kontakt@bosch.de