BOSCH Polschuh 220V | Ersatzteile für 1606 | 1619PA3325

Artikelnummer: EB-F015160624-1619PA3325

Position: 2

Marke: BOSCH


Bitte Kompatibilität prüfen!

Bitte prüfen Sie unbedingt die 10-stellige Typennummer Ihrer Maschine / Ihres Gerätes. Das Ersatzteil ist nur kompatibel, wenn Sie die Typennummer Ihrer Maschine in der unten stehenden Produktbeschreibung finden.

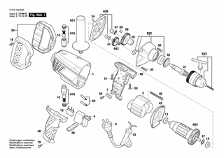
Bitte prüfen Sie ebenfalls detailliert die Explosionszeichnung mit Ihrem Artikelwunsch und der jeweiligen Pos-Nummer.

Alle Elemente, welche vom schwarzen Strich der Pos-Nummer ausgehend berührt / erfasst werden, gehören zu dieser Pos-Nummer und somit zu diesem Artikel. Jede Pos-Nummer ist ein eigenständiger Artikel, welchen Sie in der Auflistung finden.

Sie erhalten stets die aktuellste, neueste Produktversion zu der gewählten Pos-Nummer seitens des Herstellers. Es kann daher je nach Gerätealter vorkommen, dass Sie ggf. weitere, zugehörige Elemente, welche an diese Pos-Nummer grenzen, ebenfalls mittauschen müssen.

Nähere Informationen finden Sie unter dem Link
Hinweise zu Ihrer BOSCH Ersatzteilsuche

Preisübersicht

Einzelpreis: 14,36 €* (Brutto: 17,09 €)
Gesamtpreis: 14,36 €* 
Position:

Lieferzeit: 5 Werktage


Beschreibung

  • Polschuh 220V
  • Original Bosch Zubehör / BOSCH Ersatzteil (1619PA3325)
  • im Gerät verbaut: 1
Dieses BOSCH Ersatzteil ist mit folgendem Gerät und Modell kompatibel:
  • BOSCH Gerätename: 1606
  • BOSCH Explosionszeichnung: Position 2
  • BOSCH Typennummer: F015160624
  • BOSCH Typennummer alternative Schreibweisen: F 015 160 624, F015 160 624, F.015.160.624, F-015-160-624
    Bitte prüfen Sie diese Typennummer auf Ihrem Gerät um die Kompatibilität des BOSCH Ersatzteils zu gewährleisten.
Weitere BOSCH Ersatzteile des Gerätes 1606 (Bohrmaschine) mit der Typennummer F015160624 finden Sie in der nachfolgenden Darstellung und im Dropdown zu Ihrer Auswahl:

Pos.
1
BOSCH Motorgehäuse | Ersatzteile für 1606 | 1619PA3326
Hersteller: BOSCH
Artikelnummer: EB-F015160624-1619PA3326
Netto: 9,18 € zzgl. MwSt.
zzgl. 6,90 € Versand (brutto)
einmalig pro Bestellung

Lieferzeit: 5 Werktage

Pos.
2
BOSCH Polschuh 220V | Ersatzteile für 1606 | 1619PA3325
Hersteller: BOSCH
Artikelnummer: EB-F015160624-1619PA3325
Netto: 14,36 € zzgl. MwSt.
zzgl. 6,90 € Versand (brutto)
einmalig pro Bestellung

Lieferzeit: 5 Werktage

Pos.
4
BOSCH Ein/Aus-Schalter | Ersatzteile für 1606 | 1619PA3335
Hersteller: BOSCH
Artikelnummer: EB-F015160624-1619PA3335
Netto: 9,18 € zzgl. MwSt.
zzgl. 6,90 € Versand (brutto)
einmalig pro Bestellung

Lieferzeit: 5 Werktage

Pos.
5
BOSCH Netzanschlussleitung | Ersatzteile für 1606 | 1619PA3356
Hersteller: BOSCH
Artikelnummer: EB-F015160624-1619PA3356
Netto: 8,33 € zzgl. MwSt.
zzgl. 6,90 € Versand (brutto)
einmalig pro Bestellung

Lieferzeit: 5 Werktage

Pos.
7
BOSCH Befestigungsschelle | Ersatzteile für 1606 | 1619PA3333
Hersteller: BOSCH
Artikelnummer: EB-F015160624-1619PA3333
Netto: 3,63 € zzgl. MwSt.
zzgl. 6,90 € Versand (brutto)
einmalig pro Bestellung

Lieferzeit: 5 Werktage

Pos.
10
BOSCH Kohlebürstensatz | Ersatzteile für 1606 | 1619PA3330
Hersteller: BOSCH
Artikelnummer: EB-F015160624-1619PA3330
Netto: 4,32 € zzgl. MwSt.
zzgl. 6,90 € Versand (brutto)
einmalig pro Bestellung

Lieferzeit: 5 Werktage

Pos.
12
BOSCH Entstörkondensator | Ersatzteile für 1606 | 1619PA3337
Hersteller: BOSCH
Artikelnummer: EB-F015160624-1619PA3337
Netto: 3,94 € zzgl. MwSt.
zzgl. 6,90 € Versand (brutto)
einmalig pro Bestellung

Lieferzeit: 5 Werktage

Pos.
13
BOSCH Kugellager | Ersatzteile für 1606 | 1619PA3307
Hersteller: BOSCH
Artikelnummer: EB-F015160624-1619PA3307
Netto: 3,94 € zzgl. MwSt.
zzgl. 6,90 € Versand (brutto)
einmalig pro Bestellung

Lieferzeit: 5 Werktage

Pos.
14
BOSCH Kugellager | Ersatzteile für 1606 | 1619PA3313
Hersteller: BOSCH
Artikelnummer: EB-F015160624-1619PA3313
Netto: 3,94 € zzgl. MwSt.
zzgl. 6,90 € Versand (brutto)
einmalig pro Bestellung

Lieferzeit: 5 Werktage

Pos.
19
BOSCH Blechschraube | Ersatzteile für 1606 | 1619PA3334
Hersteller: BOSCH
Artikelnummer: EB-F015160624-1619PA3334
nur Informationsartikel
Nie mehr lieferbar
keine Alternativen
Pos.
24
BOSCH Gummistreifen | Ersatzteile für 1606 | 1619PA3298
Hersteller: BOSCH
Artikelnummer: EB-F015160624-1619PA3298
Netto: 3,63 € zzgl. MwSt.
zzgl. 6,90 € Versand (brutto)
einmalig pro Bestellung

Lieferzeit: 5 Werktage

Pos.
26
BOSCH Stirnrad | Ersatzteile für 1606 | 1619PA3293
Hersteller: BOSCH
Artikelnummer: EB-F015160624-1619PA3293
Netto: 5,67 € zzgl. MwSt.
zzgl. 6,90 € Versand (brutto)
einmalig pro Bestellung

Lieferzeit: 5 Werktage

Pos.
27
BOSCH Sprengring | Ersatzteile für 1606 | 1619PA3291
Hersteller: BOSCH
Artikelnummer: EB-F015160624-1619PA3291
nur Informationsartikel
Nie mehr lieferbar
keine Alternativen
Pos.
28
BOSCH Flachkeil | Ersatzteile für 1606 | 1619PA3292
Hersteller: BOSCH
Artikelnummer: EB-F015160624-1619PA3292
Netto: 3,63 € zzgl. MwSt.
zzgl. 6,90 € Versand (brutto)
einmalig pro Bestellung

Lieferzeit: 5 Werktage

Pos.
29
BOSCH Abstandsbuchse | Ersatzteile für 1606 | 1619PA3294
Hersteller: BOSCH
Artikelnummer: EB-F015160624-1619PA3294
Netto: 3,94 € zzgl. MwSt.
zzgl. 6,90 € Versand (brutto)
einmalig pro Bestellung

Lieferzeit: 5 Werktage

Pos.
30
BOSCH Schraube | Ersatzteile für 1606 | 1619PA3300
Hersteller: BOSCH
Artikelnummer: EB-F015160624-1619PA3300
nur Informationsartikel
Nie mehr lieferbar
keine Alternativen
Pos.
31
BOSCH Bohrspindel | Ersatzteile für 1606 | 1619PA3301
Hersteller: BOSCH
Artikelnummer: EB-F015160624-1619PA3301
Netto: 6,15 € zzgl. MwSt.
zzgl. 6,90 € Versand (brutto)
einmalig pro Bestellung

Lieferzeit: 5 Werktage

Pos.
32
BOSCH Haltering | Ersatzteile für 1606 | 1619PA3302
Hersteller: BOSCH
Artikelnummer: EB-F015160624-1619PA3302
nur Informationsartikel
Nie mehr lieferbar
keine Alternativen
Pos.
37
BOSCH Dichtring | Ersatzteile für 1606 | 1619PA3312
Hersteller: BOSCH
Artikelnummer: EB-F015160624-1619PA3312
nur Informationsartikel
Nie mehr lieferbar
keine Alternativen
Pos.
41
BOSCH Ausgleichscheibe | Ersatzteile für 1606 | 1619PA3318
Hersteller: BOSCH
Artikelnummer: EB-F015160624-1619PA3318
Netto: 3,63 € zzgl. MwSt.
zzgl. 6,90 € Versand (brutto)
einmalig pro Bestellung

Lieferzeit: 5 Werktage

Pos.
45
BOSCH Luftleitring | Ersatzteile für 1606 | 1619PA3323
Hersteller: BOSCH
Artikelnummer: EB-F015160624-1619PA3323
nur Informationsartikel
Nie mehr lieferbar
keine Alternativen
Pos.
46
BOSCH Schraube | Ersatzteile für 1606 | 1619PA3324
Hersteller: BOSCH
Artikelnummer: EB-F015160624-1619PA3324
Netto: 3,63 € zzgl. MwSt.
zzgl. 6,90 € Versand (brutto)
einmalig pro Bestellung

Lieferzeit: 5 Werktage

Pos.
48
BOSCH Handgriff | Ersatzteile für 1606 | 1619PA3332
Hersteller: BOSCH
Artikelnummer: EB-F015160624-1619PA3332
Netto: 6,70 € zzgl. MwSt.
zzgl. 6,90 € Versand (brutto)
einmalig pro Bestellung

Lieferzeit: 5 Werktage

Pos.
49
BOSCH Hebel | Ersatzteile für 1606 | 1619PA3336
Hersteller: BOSCH
Artikelnummer: EB-F015160624-1619PA3336
Netto: 3,63 € zzgl. MwSt.
zzgl. 6,90 € Versand (brutto)
einmalig pro Bestellung

Lieferzeit: 5 Werktage

Pos.
50
BOSCH Blechschraube | Ersatzteile für 1606 | 1619PA3338
Hersteller: BOSCH
Artikelnummer: EB-F015160624-1619PA3338
Netto: 3,63 € zzgl. MwSt.
zzgl. 6,90 € Versand (brutto)
einmalig pro Bestellung

Lieferzeit: 5 Werktage

Pos.
51
BOSCH Blechschraube | Ersatzteile für 1606 | 1619PA3340
Hersteller: BOSCH
Artikelnummer: EB-F015160624-1619PA3340
Netto: 3,63 € zzgl. MwSt.
zzgl. 6,90 € Versand (brutto)
einmalig pro Bestellung

Lieferzeit: 5 Werktage

Pos.
52
BOSCH Entstörglied | Ersatzteile für 1606 | 1619PA3341
Hersteller: BOSCH
Artikelnummer: EB-F015160624-1619PA3341
Netto: 4,56 € zzgl. MwSt.
zzgl. 6,90 € Versand (brutto)
einmalig pro Bestellung

Lieferzeit: 5 Werktage

Pos.
53
BOSCH Tülle | Ersatzteile für 1606 | 1619PA3342
Hersteller: BOSCH
Artikelnummer: EB-F015160624-1619PA3342
Netto: 3,63 € zzgl. MwSt.
zzgl. 6,90 € Versand (brutto)
einmalig pro Bestellung

Lieferzeit: 5 Werktage

Pos.
54
BOSCH Handgriff | Ersatzteile für 1606 | 1619PA3344
Hersteller: BOSCH
Artikelnummer: EB-F015160624-1619PA3344
Netto: 6,70 € zzgl. MwSt.
zzgl. 6,90 € Versand (brutto)
einmalig pro Bestellung

Lieferzeit: 5 Werktage

Pos.
55
BOSCH Blechschraube | Ersatzteile für 1606 | 1619PA3772
Hersteller: BOSCH
Artikelnummer: EB-F015160624-1619PA3772
Netto: 3,63 € zzgl. MwSt.
zzgl. 6,90 € Versand (brutto)
einmalig pro Bestellung

Lieferzeit: 5 Werktage

Pos.
651
BOSCH Zusatzhandgriff | Ersatzteile für 1606 | 1619PA3345
Hersteller: BOSCH
Artikelnummer: EB-F015160624-1619PA3345
Netto: 5,19 € zzgl. MwSt.
zzgl. 6,90 € Versand (brutto)
einmalig pro Bestellung

Lieferzeit: 5 Werktage

Pos.
803
BOSCH Anker 220V | Ersatzteile für 1606 | 1619PA3308
Hersteller: BOSCH
Artikelnummer: EB-F015160624-1619PA3308
Netto: 29,45 € zzgl. MwSt.
zzgl. 6,90 € Versand (brutto)
einmalig pro Bestellung

Lieferzeit: 5 Werktage

Pos.
816
BOSCH Bürstenhalter | Ersatzteile für 1606 | 1619PA3327
Hersteller: BOSCH
Artikelnummer: EB-F015160624-1619PA3327
Netto: 4,82 € zzgl. MwSt.
zzgl. 6,90 € Versand (brutto)
einmalig pro Bestellung

Lieferzeit: 5 Werktage

Pos.
822
BOSCH Getriebegehäuse | Ersatzteile für 1606 | 1619PA3295
Hersteller: BOSCH
Artikelnummer: EB-F015160624-1619PA3295
Netto: 9,95 € zzgl. MwSt.
zzgl. 6,90 € Versand (brutto)
einmalig pro Bestellung

Lieferzeit: 5 Werktage

Pos.
833
BOSCH Zahnkranzbohrfutter | Ersatzteile für 1606 | 1619PA3303
Hersteller: BOSCH
Artikelnummer: EB-F015160624-1619PA3303
Netto: 14,92 € zzgl. MwSt.
zzgl. 6,90 € Versand (brutto)
einmalig pro Bestellung

Lieferzeit: 5 Werktage

Pos.
838
BOSCH Zwischenlager | Ersatzteile für 1606 | 1619PA3314
Hersteller: BOSCH
Artikelnummer: EB-F015160624-1619PA3314
Netto: 8,33 € zzgl. MwSt.
zzgl. 6,90 € Versand (brutto)
einmalig pro Bestellung

Lieferzeit: 5 Werktage

Pos.
842
BOSCH Ritzelwelle | Ersatzteile für 1606 | 1619PA3319
Hersteller: BOSCH
Artikelnummer: EB-F015160624-1619PA3319
Netto: 5,67 € zzgl. MwSt.
zzgl. 6,90 € Versand (brutto)
einmalig pro Bestellung

Lieferzeit: 5 Werktage

Angaben zur Produktsicherheit

Hersteller:
Robert Bosch Power Tools GmbH
Postfach 30 02 20
70442 Stuttgart

E-Mail:
kontakt@bosch.de