BOSCH Sicherungsring DIN 471-12x1-FSt | Ersatzteile für 1608 LX | 2916650003

Artikelnummer: EB-0601608445-2916650003

Position: 35

Marke: BOSCH


Bitte Kompatibilität prüfen!

Bitte prüfen Sie unbedingt die 10-stellige Typennummer Ihrer Maschine / Ihres Gerätes. Das Ersatzteil ist nur kompatibel, wenn Sie die Typennummer Ihrer Maschine in der unten stehenden Produktbeschreibung finden.

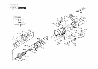
Bitte prüfen Sie ebenfalls detailliert die Explosionszeichnung mit Ihrem Artikelwunsch und der jeweiligen Pos-Nummer.

Alle Elemente, welche vom schwarzen Strich der Pos-Nummer ausgehend berührt / erfasst werden, gehören zu dieser Pos-Nummer und somit zu diesem Artikel. Jede Pos-Nummer ist ein eigenständiger Artikel, welchen Sie in der Auflistung finden.

Sie erhalten stets die aktuellste, neueste Produktversion zu der gewählten Pos-Nummer seitens des Herstellers. Es kann daher je nach Gerätealter vorkommen, dass Sie ggf. weitere, zugehörige Elemente, welche an diese Pos-Nummer grenzen, ebenfalls mittauschen müssen.

Nähere Informationen finden Sie unter dem Link
Hinweise zu Ihrer BOSCH Ersatzteilsuche

Preisübersicht

Einzelpreis: 3,94 €* (Brutto: 4,69 €)
Gesamtpreis: 3,94 €* 
Position:

Lieferzeit: 5 Werktage


Beschreibung

  • Sicherungsring DIN 471-12x1-FSt
  • Original Bosch Zubehör / BOSCH Ersatzteil (2916650003)
  • im Gerät verbaut: 1
Dieses BOSCH Ersatzteil ist mit folgendem Gerät und Modell kompatibel:
  • BOSCH Gerätename: 1608 LX
  • BOSCH Explosionszeichnung: Position 35
  • BOSCH Typennummer: 0601608445
  • BOSCH Typennummer alternative Schreibweisen: 0 601 608 445, 0601 608 445, 0.601.608.445, 0-601-608-445
    Bitte prüfen Sie diese Typennummer auf Ihrem Gerät um die Kompatibilität des BOSCH Ersatzteils zu gewährleisten.
Weitere BOSCH Ersatzteile des Gerätes 1608 LX (Gw-Oberfräse) mit der Typennummer 0601608445 finden Sie in der nachfolgenden Darstellung und im Dropdown zu Ihrer Auswahl:

Pos.
1
BOSCH Motorgehäuse BLAU | Ersatzteile für 1608 LX | 3605108573
Hersteller: BOSCH
Artikelnummer: EB-0601608445-3605108573
Netto: 14,36 € zzgl. MwSt.
zzgl. 6,90 € Versand (brutto)
einmalig pro Bestellung

Lieferzeit: 5 Werktage

Pos.
3/60
BOSCH Lüfter | Ersatzteile für 1608 LX | 3606610514
Hersteller: BOSCH
Artikelnummer: EB-0601608445-3606610514
nur Informationsartikel
Nie mehr lieferbar
keine Alternativen
Pos.
2
BOSCH Polschuh 110-115V | Ersatzteile für 1608 LX | 1604220196
Hersteller: BOSCH
Artikelnummer: EB-0601608445-1604220196
Netto: 19,23 € zzgl. MwSt.
zzgl. 6,90 € Versand (brutto)
einmalig pro Bestellung

Lieferzeit: 5 Werktage

Pos.
3
BOSCH Anker 115V | Ersatzteile für 1608 LX | 3604011579
Hersteller: BOSCH
Artikelnummer: EB-0601608445-3604011579
nur Informationsartikel
Nie mehr lieferbar
keine Alternativen
Pos.
5
BOSCH Rillenkugellager | Ersatzteile für 1608 LX | 2610908032
Hersteller: BOSCH
Artikelnummer: EB-0601608445-2610908032
nur Informationsartikel
Nie mehr lieferbar
keine Alternativen
Pos.
6
BOSCH Sechskantmutter | Ersatzteile für 1608 LX | 3603311521
Hersteller: BOSCH
Artikelnummer: EB-0601608445-3603311521
Netto: 4,82 € zzgl. MwSt.
zzgl. 6,90 € Versand (brutto)
einmalig pro Bestellung

Lieferzeit: 5 Werktage

Pos.
7
BOSCH Lagergehäuse | Ersatzteile für 1608 LX | 3605702573
Hersteller: BOSCH
Artikelnummer: EB-0601608445-3605702573
nur Informationsartikel
Nie mehr lieferbar
keine Alternativen
Pos.
8
BOSCH Kugellager 7x22x7 | Ersatzteile für 1608 LX | 1900905018
Hersteller: BOSCH
Artikelnummer: EB-0601608445-1900905018
Netto: 15,75 € zzgl. MwSt.
zzgl. 6,90 € Versand (brutto)
einmalig pro Bestellung

Lieferzeit: 5 Werktage

Pos.
9
BOSCH Federring | Ersatzteile für 1608 LX | 3600150501
Hersteller: BOSCH
Artikelnummer: EB-0601608445-3600150501
Netto: 3,94 € zzgl. MwSt.
zzgl. 6,90 € Versand (brutto)
einmalig pro Bestellung

Lieferzeit: 5 Werktage

Pos.
10
BOSCH Netzanschlussleitung USA/CDN 2,15m 2 x 0,82mm SJ 18/2 | Ersatzteile für 1608 LX | 3604460534
Hersteller: BOSCH
Artikelnummer: EB-0601608445-3604460534
Netto: 14,08 € zzgl. MwSt.
zzgl. 6,90 € Versand (brutto)
einmalig pro Bestellung

Lieferzeit: 5 Werktage

Pos.
11
BOSCH Tülle Ø7,6-Ø8,2x95 MM | Ersatzteile für 1608 LX | 2600703013
Hersteller: BOSCH
Artikelnummer: EB-0601608445-2600703013
Netto: 4,53 € zzgl. MwSt.
zzgl. 6,90 € Versand (brutto)
einmalig pro Bestellung

Lieferzeit: 5 Werktage

Pos.
12
BOSCH Leitungshalter | Ersatzteile für 1608 LX | 2601035001
Hersteller: BOSCH
Artikelnummer: EB-0601608445-2601035001
Netto: 3,94 € zzgl. MwSt.
zzgl. 6,90 € Versand (brutto)
einmalig pro Bestellung

Lieferzeit: 5 Werktage

Pos.
13
BOSCH Ein/Aus-Schalter | Ersatzteile für 1608 LX | 3607200511
Hersteller: BOSCH
Artikelnummer: EB-0601608445-3607200511
nur Informationsartikel
Nie mehr lieferbar
keine Alternativen
Pos.
13
BOSCH Schalter | Ersatzteile für 1608 LX | 1607200067
Hersteller: BOSCH
Artikelnummer: EB-0601608445-2607200199
nur Informationsartikel
Nie mehr lieferbar
keine Alternativen
Pos.
14
BOSCH Verbindungsleitung | Ersatzteile für 1608 LX | 3604441501
Hersteller: BOSCH
Artikelnummer: EB-0601608445-3604441501
Netto: 4,83 € zzgl. MwSt.
zzgl. 6,90 € Versand (brutto)
einmalig pro Bestellung

Lieferzeit: 5 Werktage

Pos.
15
BOSCH Verbindungsleitung | Ersatzteile für 1608 LX | 3604441509
Hersteller: BOSCH
Artikelnummer: EB-0601608445-3604441509
Netto: 5,70 € zzgl. MwSt.
zzgl. 6,90 € Versand (brutto)
einmalig pro Bestellung

Lieferzeit: 5 Werktage

Pos.
16
BOSCH Sicherungsring DIN 471-7x0,8-FST | Ersatzteile für 1608 LX | 2916640004
Hersteller: BOSCH
Artikelnummer: EB-0601608445-2916640004
Netto: 3,94 € zzgl. MwSt.
zzgl. 6,90 € Versand (brutto)
einmalig pro Bestellung

Lieferzeit: 5 Werktage

Pos.
18
BOSCH Bürstenhalter | Ersatzteile für 1608 LX | 1600A003G4
Hersteller: BOSCH
Artikelnummer: EB-0601608445-1600A003G4
Netto: 5,19 € zzgl. MwSt.
zzgl. 6,90 € Versand (brutto)
einmalig pro Bestellung

Lieferzeit: 5 Werktage

Pos.
19
BOSCH Isolator | Ersatzteile für 1608 LX | 3601033503
Hersteller: BOSCH
Artikelnummer: EB-0601608445-3601033503
Netto: 4,61 € zzgl. MwSt.
zzgl. 6,90 € Versand (brutto)
einmalig pro Bestellung

Lieferzeit: 5 Werktage

Pos.
20
BOSCH Spiralfeder | Ersatzteile für 1608 LX | 1604652013
Hersteller: BOSCH
Artikelnummer: EB-0601608445-1604652013
Netto: 3,94 € zzgl. MwSt.
zzgl. 6,90 € Versand (brutto)
einmalig pro Bestellung

Lieferzeit: 5 Werktage

Pos.
22
BOSCH Gehäusedeckel | Ersatzteile für 1608 LX | 3605500580
Hersteller: BOSCH
Artikelnummer: EB-0601608445-3605500580
Netto: 9,18 € zzgl. MwSt.
zzgl. 6,90 € Versand (brutto)
einmalig pro Bestellung

Lieferzeit: 5 Werktage

Pos.
23
BOSCH Blechschraube DIN 7971-ST3,5x33-C | Ersatzteile für 1608 LX | 2910211214
Hersteller: BOSCH
Artikelnummer: EB-0601608445-2910211214
nur Informationsartikel
Nie mehr lieferbar
keine Alternativen
Pos.
24
BOSCH Blechschraube BZ 2,9x6,5DIN7981-A2 | Ersatzteile für 1608 LX | 2910611404
Hersteller: BOSCH
Artikelnummer: EB-0601608445-2910611404
nur Informationsartikel
Nie mehr lieferbar
keine Alternativen
Pos.
26
BOSCH Blechschraube DIN 7971-ST3,9x16-F | Ersatzteile für 1608 LX | 2910211019
Hersteller: BOSCH
Artikelnummer: EB-0601608445-2910211019
Netto: 3,63 € zzgl. MwSt.
zzgl. 6,90 € Versand (brutto)
einmalig pro Bestellung

Lieferzeit: 5 Werktage

Pos.
27
BOSCH Blechschraube DIN 7982-ST3,5x16-F-H | Ersatzteile für 1608 LX | 2910601412
Hersteller: BOSCH
Artikelnummer: EB-0601608445-2910601412
Netto: 4,53 € zzgl. MwSt.
zzgl. 6,90 € Versand (brutto)
einmalig pro Bestellung

Lieferzeit: 5 Werktage

Pos.
29
BOSCH Torx-Linsenschraube 3x10 | Ersatzteile für 1608 LX | 2603490017
Hersteller: BOSCH
Artikelnummer: EB-0601608445-2603490017
Netto: 4,32 € zzgl. MwSt.
zzgl. 6,90 € Versand (brutto)
einmalig pro Bestellung

Lieferzeit: 5 Werktage

Pos.
31
BOSCH Typschild | Ersatzteile für 1608 LX | 2610906893
Hersteller: BOSCH
Artikelnummer: EB-0601608445-2610906893
Netto: 5,21 € zzgl. MwSt.
zzgl. 6,90 € Versand (brutto)
einmalig pro Bestellung

Lieferzeit: 5 Werktage

Pos.
32
BOSCH Hinweisschild | Ersatzteile für 1608 LX | 2610907030
Hersteller: BOSCH
Artikelnummer: EB-0601608445-2610907030
Netto: 5,21 € zzgl. MwSt.
zzgl. 6,90 € Versand (brutto)
einmalig pro Bestellung

Lieferzeit: 5 Werktage

Pos.
34
BOSCH Überwurfmutter SW 14 | Ersatzteile für 1608 LX | 2603312001
Hersteller: BOSCH
Artikelnummer: EB-0601608445-2603312001
nur Informationsartikel
Nie mehr lieferbar
keine Alternativen
Pos.
35
BOSCH Sicherungsring DIN 471-12x1-FSt | Ersatzteile für 1608 LX | 2916650003
Hersteller: BOSCH
Artikelnummer: EB-0601608445-2916650003
Netto: 3,94 € zzgl. MwSt.
zzgl. 6,90 € Versand (brutto)
einmalig pro Bestellung

Lieferzeit: 5 Werktage

Pos.
104
BOSCH Hinweisschild ACHTUNG | Ersatzteile für 1608 LX | 2610904501
Hersteller: BOSCH
Artikelnummer: EB-0601608445-2610904501
Netto: 4,61 € zzgl. MwSt.
zzgl. 6,90 € Versand (brutto)
einmalig pro Bestellung

Lieferzeit: 5 Werktage

Pos.
700
BOSCH Fräsvorrichtung | Ersatzteile für 1608 LX | 3605702619
Hersteller: BOSCH
Artikelnummer: EB-0601608445-3605702619
nur Informationsartikel
Nie mehr lieferbar
keine Alternativen
Pos.
703
BOSCH Abdeckplatte | Ersatzteile für 1608 LX | 3601039503
Hersteller: BOSCH
Artikelnummer: EB-0601608445-3601039503
Netto: 9,18 € zzgl. MwSt.
zzgl. 6,90 € Versand (brutto)
einmalig pro Bestellung

Lieferzeit: 5 Werktage

Pos.
704
BOSCH Schraube | Ersatzteile für 1608 LX | 3603481516
Hersteller: BOSCH
Artikelnummer: EB-0601608445-3603481516
Netto: 5,67 € zzgl. MwSt.
zzgl. 6,90 € Versand (brutto)
einmalig pro Bestellung

Lieferzeit: 5 Werktage

Pos.
705
BOSCH Sechskantschraube DIN 931-M5x30-5.6-A | Ersatzteile für 1608 LX | 2911001166
Hersteller: BOSCH
Artikelnummer: EB-0601608445-2911001166
nur Informationsartikel
Nie mehr lieferbar
keine Alternativen
Pos.
707
BOSCH Raendelknopf | Ersatzteile für 1608 LX | 3603345508
Hersteller: BOSCH
Artikelnummer: EB-0601608445-3603345508
nur Informationsartikel
Nie mehr lieferbar
keine Alternativen
Pos.
708
BOSCH Zylinderschraube DIN 84-AM4x12-8.8 | Ersatzteile für 1608 LX | 2910021122
Hersteller: BOSCH
Artikelnummer: EB-0601608445-2910021122
Netto: 4,32 € zzgl. MwSt.
zzgl. 6,90 € Versand (brutto)
einmalig pro Bestellung

Lieferzeit: 5 Werktage

Pos.
709
BOSCH Schraube | Ersatzteile für 1608 LX | 3603415562
Hersteller: BOSCH
Artikelnummer: EB-0601608445-3603415562
nur Informationsartikel
Nie mehr lieferbar
keine Alternativen
Pos.
710
BOSCH Fräsvorrichtung | Ersatzteile für 1608 LX | 3605702625
Hersteller: BOSCH
Artikelnummer: EB-0601608445-3605702625
nur Informationsartikel
Nie mehr lieferbar
keine Alternativen
Pos.
711
BOSCH Platte | Ersatzteile für 1608 LX | 3601032522
Hersteller: BOSCH
Artikelnummer: EB-0601608445-3601032522
nur Informationsartikel
Nie mehr lieferbar
keine Alternativen
Pos.
712
BOSCH Schraube | Ersatzteile für 1608 LX | 3600132505
Hersteller: BOSCH
Artikelnummer: EB-0601608445-3600132505
nur Informationsartikel
Nie mehr lieferbar
keine Alternativen
Pos.
713
BOSCH Firmenschild | Ersatzteile für 1608 LX | 3601119734
Hersteller: BOSCH
Artikelnummer: EB-0601608445-3601119734
nur Informationsartikel
Nie mehr lieferbar
keine Alternativen
Pos.
714
BOSCH Schraube | Ersatzteile für 1608 LX | 3603415565
Hersteller: BOSCH
Artikelnummer: EB-0601608445-3603415565
nur Informationsartikel
Nie mehr lieferbar
keine Alternativen
Pos.
715
BOSCH Teilesatz | Ersatzteile für 1608 LX | 3607000615
Hersteller: BOSCH
Artikelnummer: EB-0601608445-3607000615
Netto: 63,99 € zzgl. MwSt.
zzgl. 6,90 € Versand (brutto)
einmalig pro Bestellung

Lieferzeit: 5 Werktage

Pos.
717
BOSCH Winkelschraubendreher DIN 911, SW3 | Ersatzteile für 1608 LX | 1907950004
Hersteller: BOSCH
Artikelnummer: EB-0601608445-1907950004
Netto: 6,70 € zzgl. MwSt.
zzgl. 6,90 € Versand (brutto)
einmalig pro Bestellung

Lieferzeit: 5 Werktage

Pos.
720
BOSCH Parallelanschlag | Ersatzteile für 1608 LX | 3607000506
Hersteller: BOSCH
Artikelnummer: EB-0601608445-3607000506
nur Informationsartikel
Nie mehr lieferbar
keine Alternativen
Pos.
721
BOSCH Halter | Ersatzteile für 1608 LX | 3602380500
Hersteller: BOSCH
Artikelnummer: EB-0601608445-3602380500
nur Informationsartikel
Nie mehr lieferbar
keine Alternativen
Pos.
722
BOSCH Führungsstück | Ersatzteile für 1608 LX | 3602386502
Hersteller: BOSCH
Artikelnummer: EB-0601608445-3602386502
nur Informationsartikel
Nie mehr lieferbar
keine Alternativen
Pos.
723
BOSCH Raendelknopf | Ersatzteile für 1608 LX | 3603481512
Hersteller: BOSCH
Artikelnummer: EB-0601608445-3603481512
nur Informationsartikel
Nie mehr lieferbar
keine Alternativen
Pos.
724
BOSCH Vierkantmutter DIN 562-M4-04 | Ersatzteile für 1608 LX | 2915121004
Hersteller: BOSCH
Artikelnummer: EB-0601608445-2915121004
nur Informationsartikel
Nie mehr lieferbar
keine Alternativen
Pos.
725
BOSCH Flachkopfschraube DIN 85-M4x10-4.8 | Ersatzteile für 1608 LX | 2910091120
Hersteller: BOSCH
Artikelnummer: EB-0601608445-2910091120
Netto: 3,63 € zzgl. MwSt.
zzgl. 6,90 € Versand (brutto)
einmalig pro Bestellung

Lieferzeit: 5 Werktage

Pos.
726
BOSCH Zylinderschraube | Ersatzteile für 1608 LX | 2910001126
Hersteller: BOSCH
Artikelnummer: EB-0601608445-2910001126
Netto: 3,63 € zzgl. MwSt.
zzgl. 6,90 € Versand (brutto)
einmalig pro Bestellung

Lieferzeit: 5 Werktage

Pos.
730
BOSCH Parallelanschlag | Ersatzteile für 1608 LX | 3607000555
Hersteller: BOSCH
Artikelnummer: EB-0601608445-3607000555
nur Informationsartikel
Nie mehr lieferbar
keine Alternativen
Pos.
731
BOSCH Halter | Ersatzteile für 1608 LX | 3602380501
Hersteller: BOSCH
Artikelnummer: EB-0601608445-3602380501
nur Informationsartikel
Nie mehr lieferbar
keine Alternativen
Pos.
732
BOSCH Führungsstück | Ersatzteile für 1608 LX | 3602386504
Hersteller: BOSCH
Artikelnummer: EB-0601608445-3602386504
nur Informationsartikel
Nie mehr lieferbar
keine Alternativen
Pos.
733
BOSCH Rändelschraube | Ersatzteile für 1608 LX | 3603481514
Hersteller: BOSCH
Artikelnummer: EB-0601608445-3603481514
nur Informationsartikel
Nie mehr lieferbar
keine Alternativen
Pos.
734
BOSCH Sechskantmutter DIN 934-M 5-m-8 | Ersatzteile für 1608 LX | 2915011006
Hersteller: BOSCH
Artikelnummer: EB-0601608445-2915011006
nur Informationsartikel
Nie mehr lieferbar
keine Alternativen
Pos.
735
BOSCH Kugellager | Ersatzteile für 1608 LX | 2610906500
Hersteller: BOSCH
Artikelnummer: EB-0601608445-2610906500
Netto: 17,38 € zzgl. MwSt.
zzgl. 6,90 € Versand (brutto)
einmalig pro Bestellung

Lieferzeit: 5 Werktage

Pos.
736
BOSCH Gleitschuh | Ersatzteile für 1608 LX | 3602305502
Hersteller: BOSCH
Artikelnummer: EB-0601608445-3602305502
nur Informationsartikel
Nie mehr lieferbar
keine Alternativen
Pos.
737
BOSCH Flachkopfschraube DIN 85-AM3,5x15-4.8 | Ersatzteile für 1608 LX | 2910091046
Hersteller: BOSCH
Artikelnummer: EB-0601608445-2910091046
Netto: 3,63 € zzgl. MwSt.
zzgl. 6,90 € Versand (brutto)
einmalig pro Bestellung

Lieferzeit: 5 Werktage

Pos.
738
BOSCH Unterlegscheibe | Ersatzteile für 1608 LX | 2916014006
Hersteller: BOSCH
Artikelnummer: EB-0601608445-2916014006
nur Informationsartikel
Nie mehr lieferbar
keine Alternativen
Pos.
740
BOSCH Grundplatte | Ersatzteile für 1608 LX | 3605702613
Hersteller: BOSCH
Artikelnummer: EB-0601608445-3605702613
nur Informationsartikel
Nie mehr lieferbar
keine Alternativen
Pos.
741
BOSCH Klemmring | Ersatzteile für 1608 LX | 3605702547
Hersteller: BOSCH
Artikelnummer: EB-0601608445-3605702547
nur Informationsartikel
Nie mehr lieferbar
keine Alternativen
Pos.
742
BOSCH Grundplatte | Ersatzteile für 1608 LX | 3600190514
Hersteller: BOSCH
Artikelnummer: EB-0601608445-3600190514
nur Informationsartikel
Nie mehr lieferbar
keine Alternativen
Pos.
746
BOSCH Flügelmutter M6 | Ersatzteile für 1608 LX | 1603339006
Hersteller: BOSCH
Artikelnummer: EB-0601608445-1603339006
nur Informationsartikel
Nie mehr lieferbar
keine Alternativen
Pos.
747
BOSCH Scheibe | Ersatzteile für 1608 LX | 3600100523
Hersteller: BOSCH
Artikelnummer: EB-0601608445-3600100523
nur Informationsartikel
Nie mehr lieferbar
keine Alternativen
Pos.
748
BOSCH Federscheibe | Ersatzteile für 1608 LX | 3600100520
Hersteller: BOSCH
Artikelnummer: EB-0601608445-3600100520
Netto: 4,32 € zzgl. MwSt.
zzgl. 6,90 € Versand (brutto)
einmalig pro Bestellung

Lieferzeit: 5 Werktage

Pos.
749
BOSCH Flachkopfschraube DIN 85-AM5x10-4.8 | Ersatzteile für 1608 LX | 2910091152
Hersteller: BOSCH
Artikelnummer: EB-0601608445-2910091152
nur Informationsartikel
Nie mehr lieferbar
keine Alternativen
Pos.
750
BOSCH Bolzen | Ersatzteile für 1608 LX | 3603106510
Hersteller: BOSCH
Artikelnummer: EB-0601608445-3603106510
nur Informationsartikel
Nie mehr lieferbar
keine Alternativen
Pos.
752
BOSCH Zahnrad | Ersatzteile für 1608 LX | 3606100504
Hersteller: BOSCH
Artikelnummer: EB-0601608445-3606100504
nur Informationsartikel
Nie mehr lieferbar
keine Alternativen
Pos.
753
BOSCH Sechskantschraube DIN 933-M6x16-5.6-A | Ersatzteile für 1608 LX | 2911051197
Hersteller: BOSCH
Artikelnummer: EB-0601608445-2911051197
Netto: 3,94 € zzgl. MwSt.
zzgl. 6,90 € Versand (brutto)
einmalig pro Bestellung

Lieferzeit: 5 Werktage

Pos.
754
BOSCH Sockel | Ersatzteile für 1608 LX | 3607000514
Hersteller: BOSCH
Artikelnummer: EB-0601608445-3607000514
nur Informationsartikel
Nie mehr lieferbar
keine Alternativen
Pos.
758
BOSCH Firmenschild | Ersatzteile für 1608 LX | 3601119610
Hersteller: BOSCH
Artikelnummer: EB-0601608445-3601119610
nur Informationsartikel
Nie mehr lieferbar
keine Alternativen
Pos.
760
BOSCH Grundplatte | Ersatzteile für 1608 LX | 3605702612
Hersteller: BOSCH
Artikelnummer: EB-0601608445-3605702612
nur Informationsartikel
Nie mehr lieferbar
keine Alternativen
Pos.
761
BOSCH Bügelhalter | Ersatzteile für 1608 LX | 3605702544
Hersteller: BOSCH
Artikelnummer: EB-0601608445-3605702544
nur Informationsartikel
Nie mehr lieferbar
keine Alternativen
Pos.
762
BOSCH Rillenkugellager | Ersatzteile für 1608 LX | 3600905038
Hersteller: BOSCH
Artikelnummer: EB-0601608445-3600905038
Netto: 12,98 € zzgl. MwSt.
zzgl. 6,90 € Versand (brutto)
einmalig pro Bestellung

Lieferzeit: 5 Werktage

Pos.
763
BOSCH Flansch | Ersatzteile für 1608 LX | 3600144506
Hersteller: BOSCH
Artikelnummer: EB-0601608445-3600144506
nur Informationsartikel
Nie mehr lieferbar
keine Alternativen
Pos.
764
BOSCH Spindel | Ersatzteile für 1608 LX | 3606120529
Hersteller: BOSCH
Artikelnummer: EB-0601608445-3606120529
nur Informationsartikel
Nie mehr lieferbar
keine Alternativen
Pos.
766
BOSCH Haltering | Ersatzteile für 1608 LX | 3600119508
Hersteller: BOSCH
Artikelnummer: EB-0601608445-3600119508
nur Informationsartikel
Nie mehr lieferbar
keine Alternativen
Pos.
767
BOSCH Anschlagschraube | Ersatzteile für 1608 LX | 3603402500
Hersteller: BOSCH
Artikelnummer: EB-0601608445-3603402500
nur Informationsartikel
Nie mehr lieferbar
keine Alternativen
Pos.
768
BOSCH Staubschutzdeckel | Ersatzteile für 1608 LX | 3605510542
Hersteller: BOSCH
Artikelnummer: EB-0601608445-3605510542
nur Informationsartikel
Nie mehr lieferbar
keine Alternativen
Pos.
769
BOSCH Gewindestift DIN 916-M4x4-45H | Ersatzteile für 1608 LX | 2912065114
Hersteller: BOSCH
Artikelnummer: EB-0601608445-2912065114
nur Informationsartikel
Nie mehr lieferbar
keine Alternativen
Pos.
771
BOSCH Grundplatte | Ersatzteile für 1608 LX | 3601071500
Hersteller: BOSCH
Artikelnummer: EB-0601608445-3601071500
nur Informationsartikel
Nie mehr lieferbar
keine Alternativen
Pos.
772
BOSCH Zahnriemen | Ersatzteile für 1608 LX | 3604736506
Hersteller: BOSCH
Artikelnummer: EB-0601608445-3604736506
nur Informationsartikel
Nie mehr lieferbar
keine Alternativen
Pos.
774
BOSCH Zahnscheibe | Ersatzteile für 1608 LX | 3606625545
Hersteller: BOSCH
Artikelnummer: EB-0601608445-3606625545
nur Informationsartikel
Nie mehr lieferbar
keine Alternativen
Pos.
775
BOSCH Winkelschraubendreher DIN 911, SW2 | Ersatzteile für 1608 LX | 1907950002
Hersteller: BOSCH
Artikelnummer: EB-0601608445-1907950002
nur Informationsartikel
Nie mehr lieferbar
keine Alternativen
Pos.
776
BOSCH Winkelschraubendreher DIN 911-4 | Ersatzteile für 1608 LX | 2607950004
Hersteller: BOSCH
Artikelnummer: EB-0601608445-2607950004
Netto: 3,94 € zzgl. MwSt.
zzgl. 6,90 € Versand (brutto)
einmalig pro Bestellung

Lieferzeit: 5 Werktage

Pos.
778
BOSCH Firmenschild | Ersatzteile für 1608 LX | 3601119609
Hersteller: BOSCH
Artikelnummer: EB-0601608445-3601119609
nur Informationsartikel
Nie mehr lieferbar
keine Alternativen
Pos.
800
BOSCH Kohlebürstensatz | Ersatzteile für 1608 LX | 1607014116
Hersteller: BOSCH
Artikelnummer: EB-0601608445-1607014116
Netto: 9,95 € zzgl. MwSt.
zzgl. 6,90 € Versand (brutto)
einmalig pro Bestellung

Lieferzeit: 5 Werktage

Pos.
801
BOSCH Zylinderschraube M3x10 MM | Ersatzteile für 1608 LX | 2603410023
Hersteller: BOSCH
Artikelnummer: EB-0601608445-2603410023
nur Informationsartikel
Nie mehr lieferbar
keine Alternativen
Pos.
802
BOSCH Spannzange Ø 6,4 MM=1/4 Zoll/Ø 8 MM | Ersatzteile für 1608 LX | 2608570066
Hersteller: BOSCH
Artikelnummer: EB-0601608445-2608570066
Netto: 22,06 € zzgl. MwSt.
zzgl. 6,90 € Versand (brutto)
einmalig pro Bestellung

Lieferzeit: 5 Werktage

Pos.
805
BOSCH Einmaulschlüssel SW 4/14 | Ersatzteile für 1608 LX | 9601497907
Hersteller: BOSCH
Artikelnummer: EB-0601608445-9601497907
nur Informationsartikel
Nie mehr lieferbar
keine Alternativen
Pos.
810
BOSCH Typschild | Ersatzteile für 1608 LX | 3601119595
Hersteller: BOSCH
Artikelnummer: EB-0601608445-3601119595
Netto: 5,19 € zzgl. MwSt.
zzgl. 6,90 € Versand (brutto)
einmalig pro Bestellung

Lieferzeit: 5 Werktage

Angaben zur Produktsicherheit

Hersteller:
Robert Bosch Power Tools GmbH
Postfach 30 02 20
70442 Stuttgart

E-Mail:
kontakt@bosch.de