BOSCH Kugel DIN 5401-4 MM-III-ST | Ersatzteile für 1613 | 1903230007

Artikelnummer: EB-0601613034-1903230007

Position: 83

Marke: BOSCH


Bitte Kompatibilität prüfen!

Bitte prüfen Sie unbedingt die 10-stellige Typennummer Ihrer Maschine / Ihres Gerätes. Das Ersatzteil ist nur kompatibel, wenn Sie die Typennummer Ihrer Maschine in der unten stehenden Produktbeschreibung finden.

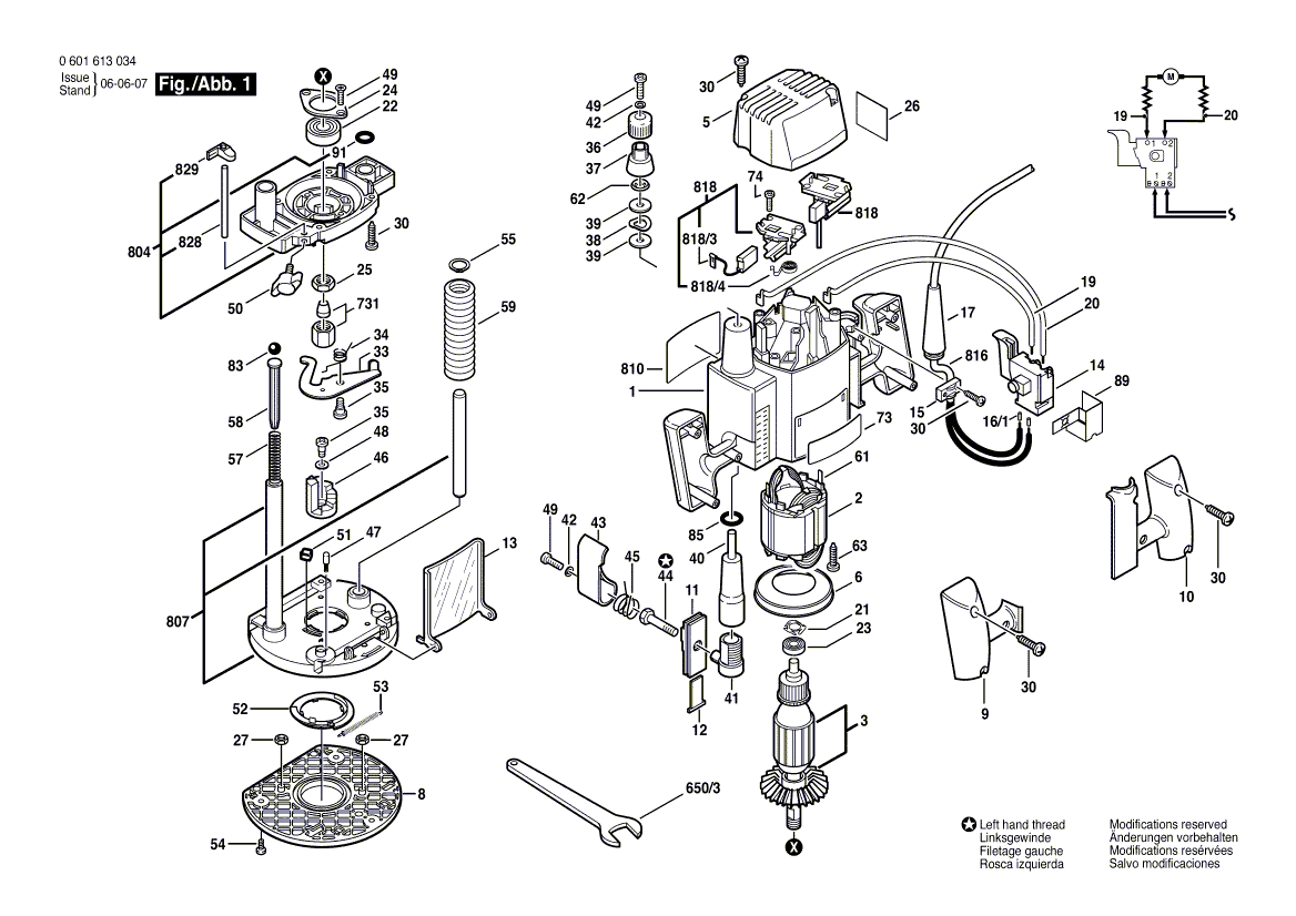
Bitte prüfen Sie ebenfalls detailliert die Explosionszeichnung mit Ihrem Artikelwunsch und der jeweiligen Pos-Nummer.

Alle Elemente, welche vom schwarzen Strich der Pos-Nummer ausgehend berührt / erfasst werden, gehören zu dieser Pos-Nummer und somit zu diesem Artikel. Jede Pos-Nummer ist ein eigenständiger Artikel, welchen Sie in der Auflistung finden.

Sie erhalten stets die aktuellste, neueste Produktversion zu der gewählten Pos-Nummer seitens des Herstellers. Es kann daher je nach Gerätealter vorkommen, dass Sie ggf. weitere, zugehörige Elemente, welche an diese Pos-Nummer grenzen, ebenfalls mittauschen müssen.

Nähere Informationen finden Sie unter dem Link
Hinweise zu Ihrer BOSCH Ersatzteilsuche

Preisübersicht

Einzelpreis: 3,94 €* (Brutto: 4,69 €)
Gesamtpreis: 3,94 €* 
Position:

Lieferzeit: 5 Werktage


Beschreibung

  • Kugel DIN 5401-4 MM-III-ST
  • Original Bosch Zubehör / BOSCH Ersatzteil (1903230007)
  • im Gerät verbaut: 1
Dieses BOSCH Ersatzteil ist mit folgendem Gerät und Modell kompatibel:
  • BOSCH Gerätename: 1613
  • BOSCH Explosionszeichnung: Position 83
  • BOSCH Typennummer: 0601613034
  • BOSCH Typennummer alternative Schreibweisen: 0 601 613 034, 0601 613 034, 0.601.613.034, 0-601-613-034
    Bitte prüfen Sie diese Typennummer auf Ihrem Gerät um die Kompatibilität des BOSCH Ersatzteils zu gewährleisten.
Weitere BOSCH Ersatzteile des Gerätes 1613 (Oberfräse) mit der Typennummer 0601613034 finden Sie in der nachfolgenden Darstellung und im Dropdown zu Ihrer Auswahl:

Pos.
1
BOSCH Motorgehäuse BLAU | Ersatzteile für 1613 | 3605108583
Hersteller: BOSCH
Artikelnummer: EB-0601613034-3605108583
Netto: 26,41 € zzgl. MwSt.
zzgl. 6,90 € Versand (brutto)
einmalig pro Bestellung

Lieferzeit: 5 Werktage

Pos.
16/1
BOSCH Aderendhülse | Ersatzteile für 1613 | 3604477009
Hersteller: BOSCH
Artikelnummer: EB-0601613034-3604477009
Netto: 4,56 € zzgl. MwSt.
zzgl. 6,90 € Versand (brutto)
einmalig pro Bestellung

Lieferzeit: 5 Werktage

Pos.
650/3
BOSCH Einmaulschlüssel | Ersatzteile für 1613 | 2610992417
Hersteller: BOSCH
Artikelnummer: EB-0601613034-2610992417
nur Informationsartikel
Nie mehr lieferbar
keine Alternativen
Pos.
818/3
BOSCH Kohlebürstensatz | Ersatzteile für 1613 | 2610007957
Hersteller: BOSCH
Artikelnummer: EB-0601613034-2610007957
Netto: 9,95 € zzgl. MwSt.
zzgl. 6,90 € Versand (brutto)
einmalig pro Bestellung

Lieferzeit: 5 Werktage

Pos.
818/4
BOSCH Feder | Ersatzteile für 1613 | 3604652501
Hersteller: BOSCH
Artikelnummer: EB-0601613034-3604652501
Netto: 5,17 € zzgl. MwSt.
zzgl. 6,90 € Versand (brutto)
einmalig pro Bestellung

Lieferzeit: 5 Werktage

Pos.
2
BOSCH Polschuh 120V | Ersatzteile für 1613 | 2610934199
Hersteller: BOSCH
Artikelnummer: EB-0601613034-2610934199
Netto: 82,83 € zzgl. MwSt.
zzgl. 6,90 € Versand (brutto)
einmalig pro Bestellung

Lieferzeit: 5 Werktage

Pos.
3
BOSCH Anker 120V | Ersatzteile für 1613 | 2610934197
Hersteller: BOSCH
Artikelnummer: EB-0601613034-2610934197
nur Informationsartikel
Nie mehr lieferbar
keine Alternativen
Pos.
5
BOSCH Gehäusedeckel | Ersatzteile für 1613 | 3605500597
Hersteller: BOSCH
Artikelnummer: EB-0601613034-3605500597
nur Informationsartikel
Nie mehr lieferbar
keine Alternativen
Pos.
6
BOSCH Luftleitring | Ersatzteile für 1613 | 3600590508
Hersteller: BOSCH
Artikelnummer: EB-0601613034-3600590508
Netto: 4,53 € zzgl. MwSt.
zzgl. 6,90 € Versand (brutto)
einmalig pro Bestellung

Lieferzeit: 5 Werktage

Pos.
8
BOSCH Zwischenplatte | Ersatzteile für 1613 | 3600190521
Hersteller: BOSCH
Artikelnummer: EB-0601613034-3600190521
nur Informationsartikel
Nie mehr lieferbar
keine Alternativen
Pos.
9
BOSCH Griffschale LT | Ersatzteile für 1613 | 3605133531
Hersteller: BOSCH
Artikelnummer: EB-0601613034-3605133531
Netto: 9,05 € zzgl. MwSt.
zzgl. 6,90 € Versand (brutto)
einmalig pro Bestellung

Lieferzeit: 5 Werktage

Pos.
10
BOSCH Griffschale RT | Ersatzteile für 1613 | 3605133530
Hersteller: BOSCH
Artikelnummer: EB-0601613034-3605133530
Netto: 9,18 € zzgl. MwSt.
zzgl. 6,90 € Versand (brutto)
einmalig pro Bestellung

Lieferzeit: 5 Werktage

Pos.
11
BOSCH Einlage | Ersatzteile für 1613 | 3601010519
Hersteller: BOSCH
Artikelnummer: EB-0601613034-3601010519
nur Informationsartikel
Nie mehr lieferbar
keine Alternativen
Pos.
12
BOSCH Einsatz | Ersatzteile für 1613 | 3601010521
Hersteller: BOSCH
Artikelnummer: EB-0601613034-3601010521
Netto: 4,56 € zzgl. MwSt.
zzgl. 6,90 € Versand (brutto)
einmalig pro Bestellung

Lieferzeit: 5 Werktage

Pos.
13
BOSCH Spanabweiser | Ersatzteile für 1613 | 2610912599
Hersteller: BOSCH
Artikelnummer: EB-0601613034-2610912599
nur Informationsartikel
Nie mehr lieferbar
keine Alternativen
Pos.
14
BOSCH Schalter | Ersatzteile für 1613 | 2607200251
Hersteller: BOSCH
Artikelnummer: EB-0601613034-2607200251
nur Informationsartikel
Nie mehr lieferbar
keine Alternativen
Pos.
15
BOSCH Leitungshalter | Ersatzteile für 1613 | 2601035001
Hersteller: BOSCH
Artikelnummer: EB-0601613034-2601035001
Netto: 3,94 € zzgl. MwSt.
zzgl. 6,90 € Versand (brutto)
einmalig pro Bestellung

Lieferzeit: 5 Werktage

Pos.
17
BOSCH Tülle Ø 8,4 MM | Ersatzteile für 1613 | 3600703512
Hersteller: BOSCH
Artikelnummer: EB-0601613034-3600703512
nur Informationsartikel
Nie mehr lieferbar
keine Alternativen
Pos.
19
BOSCH Verbindungsleitung | Ersatzteile für 1613 | 3604445518
Hersteller: BOSCH
Artikelnummer: EB-0601613034-3604445518
Netto: 5,17 € zzgl. MwSt.
zzgl. 6,90 € Versand (brutto)
einmalig pro Bestellung

Lieferzeit: 5 Werktage

Pos.
20
BOSCH Verbindungsleitung | Ersatzteile für 1613 | 3604445519
Hersteller: BOSCH
Artikelnummer: EB-0601613034-3604445519
Netto: 5,17 € zzgl. MwSt.
zzgl. 6,90 € Versand (brutto)
einmalig pro Bestellung

Lieferzeit: 5 Werktage

Pos.
21
BOSCH Federring | Ersatzteile für 1613 | 3600150501
Hersteller: BOSCH
Artikelnummer: EB-0601613034-3600150501
Netto: 3,94 € zzgl. MwSt.
zzgl. 6,90 € Versand (brutto)
einmalig pro Bestellung

Lieferzeit: 5 Werktage

Pos.
22
BOSCH Kugellager | Ersatzteile für 1613 | 1600900088
Hersteller: BOSCH
Artikelnummer: EB-0601613034-1600900088
nur Informationsartikel
Nie mehr lieferbar
keine Alternativen
Pos.
23
BOSCH Kugelführung | Ersatzteile für 1613 | 3600905513
Hersteller: BOSCH
Artikelnummer: EB-0601613034-3600905513
Netto: 10,92 € zzgl. MwSt.
zzgl. 6,90 € Versand (brutto)
einmalig pro Bestellung

Lieferzeit: 5 Werktage

Pos.
24
BOSCH Rückhalteblech | Ersatzteile für 1613 | 3600034506
Hersteller: BOSCH
Artikelnummer: EB-0601613034-3600034506
nur Informationsartikel
Nie mehr lieferbar
keine Alternativen
Pos.
25
BOSCH Sechskantmutter | Ersatzteile für 1613 | 3603300502
Hersteller: BOSCH
Artikelnummer: EB-0601613034-3603300502
nur Informationsartikel
Nie mehr lieferbar
keine Alternativen
Pos.
26
BOSCH Isolator | Ersatzteile für 1613 | 3601007504
Hersteller: BOSCH
Artikelnummer: EB-0601613034-3601007504
Netto: 4,83 € zzgl. MwSt.
zzgl. 6,90 € Versand (brutto)
einmalig pro Bestellung

Lieferzeit: 5 Werktage

Pos.
27
BOSCH Sechskantmutter DIN 934 -M4-m-8 | Ersatzteile für 1613 | 2915011005
Hersteller: BOSCH
Artikelnummer: EB-0601613034-2915011005
Netto: 3,60 € zzgl. MwSt.
zzgl. 6,90 € Versand (brutto)
einmalig pro Bestellung

Lieferzeit: 5 Werktage

Pos.
30
BOSCH Blechschraube | Ersatzteile für 1613 | 2610910566
Hersteller: BOSCH
Artikelnummer: EB-0601613034-2610910566
nur Informationsartikel
Nie mehr lieferbar
keine Alternativen
Pos.
33
BOSCH Schwingplatte | Ersatzteile für 1613 | 3601021510
Hersteller: BOSCH
Artikelnummer: EB-0601613034-3601021510
nur Informationsartikel
Nie mehr lieferbar
keine Alternativen
Pos.
34
BOSCH Drehfeder | Ersatzteile für 1613 | 3604651502
Hersteller: BOSCH
Artikelnummer: EB-0601613034-3604651502
Netto: 3,94 € zzgl. MwSt.
zzgl. 6,90 € Versand (brutto)
einmalig pro Bestellung

Lieferzeit: 5 Werktage

Pos.
35
BOSCH Ansatzschraube M4 | Ersatzteile für 1613 | 3603415556
Hersteller: BOSCH
Artikelnummer: EB-0601613034-3603415556
Netto: 4,32 € zzgl. MwSt.
zzgl. 6,90 € Versand (brutto)
einmalig pro Bestellung

Lieferzeit: 5 Werktage

Pos.
36
BOSCH Knopf | Ersatzteile für 1613 | 3603231539
Hersteller: BOSCH
Artikelnummer: EB-0601613034-3603231539
Netto: 3,94 € zzgl. MwSt.
zzgl. 6,90 € Versand (brutto)
einmalig pro Bestellung

Lieferzeit: 5 Werktage

Pos.
37
BOSCH Anzeigering | Ersatzteile für 1613 | 3600209500
Hersteller: BOSCH
Artikelnummer: EB-0601613034-3600209500
Netto: 5,19 € zzgl. MwSt.
zzgl. 6,90 € Versand (brutto)
einmalig pro Bestellung

Lieferzeit: 5 Werktage

Pos.
38
BOSCH Federscheibe | Ersatzteile für 1613 | 3600100528
Hersteller: BOSCH
Artikelnummer: EB-0601613034-3600100528
Netto: 3,63 € zzgl. MwSt.
zzgl. 6,90 € Versand (brutto)
einmalig pro Bestellung

Lieferzeit: 5 Werktage

Pos.
39
BOSCH Scheibe | Ersatzteile für 1613 | 3600100527
Hersteller: BOSCH
Artikelnummer: EB-0601613034-3600100527
Netto: 4,36 € zzgl. MwSt.
zzgl. 6,90 € Versand (brutto)
einmalig pro Bestellung

Lieferzeit: 5 Werktage

Pos.
40
BOSCH Einstellhülse | Ersatzteile für 1613 | 3600360507
Hersteller: BOSCH
Artikelnummer: EB-0601613034-3600360507
nur Informationsartikel
Nie mehr lieferbar
keine Alternativen
Pos.
41
BOSCH Verschlussstück | Ersatzteile für 1613 | 3600400507
Hersteller: BOSCH
Artikelnummer: EB-0601613034-3600400507
Netto: 4,82 € zzgl. MwSt.
zzgl. 6,90 € Versand (brutto)
einmalig pro Bestellung

Lieferzeit: 5 Werktage

Pos.
42
BOSCH Federring DIN 128-A4-FST | Ersatzteile für 1613 | 2916690003
Hersteller: BOSCH
Artikelnummer: EB-0601613034-2916690003
Netto: 3,60 € zzgl. MwSt.
zzgl. 6,90 € Versand (brutto)
einmalig pro Bestellung

Lieferzeit: 5 Werktage

Pos.
43
BOSCH Verschlusshebel | Ersatzteile für 1613 | 3602000510
Hersteller: BOSCH
Artikelnummer: EB-0601613034-3602000510
Netto: 4,53 € zzgl. MwSt.
zzgl. 6,90 € Versand (brutto)
einmalig pro Bestellung

Lieferzeit: 5 Werktage

Pos.
44
BOSCH Sperr-Riegel | Ersatzteile für 1613 | 3603450504
Hersteller: BOSCH
Artikelnummer: EB-0601613034-3603450504
Netto: 6,15 € zzgl. MwSt.
zzgl. 6,90 € Versand (brutto)
einmalig pro Bestellung

Lieferzeit: 5 Werktage

Pos.
45
BOSCH Verschlussfeder | Ersatzteile für 1613 | 3604651503
Hersteller: BOSCH
Artikelnummer: EB-0601613034-3604651503
Netto: 4,36 € zzgl. MwSt.
zzgl. 6,90 € Versand (brutto)
einmalig pro Bestellung

Lieferzeit: 5 Werktage

Pos.
46
BOSCH Tiefenanschlag | Ersatzteile für 1613 | 3600232503
Hersteller: BOSCH
Artikelnummer: EB-0601613034-3600232503
nur Informationsartikel
Nie mehr lieferbar
keine Alternativen
Pos.
47
BOSCH Rastkappe | Ersatzteile für 1613 | 2600590006
Hersteller: BOSCH
Artikelnummer: EB-0601613034-2600590006
Netto: 3,94 € zzgl. MwSt.
zzgl. 6,90 € Versand (brutto)
einmalig pro Bestellung

Lieferzeit: 5 Werktage

Pos.
48
BOSCH Federscheibe | Ersatzteile für 1613 | 3916060500
Hersteller: BOSCH
Artikelnummer: EB-0601613034-3916060500
Netto: 3,60 € zzgl. MwSt.
zzgl. 6,90 € Versand (brutto)
einmalig pro Bestellung

Lieferzeit: 5 Werktage

Pos.
49
BOSCH Linsenschraube DIN 7985-M4X12-4.8-H | Ersatzteile für 1613 | 2910641122
Hersteller: BOSCH
Artikelnummer: EB-0601613034-2910641122
Netto: 4,32 € zzgl. MwSt.
zzgl. 6,90 € Versand (brutto)
einmalig pro Bestellung

Lieferzeit: 5 Werktage

Pos.
50
BOSCH Flügelschraube M6x20 MM | Ersatzteile für 1613 | 1613480008
Hersteller: BOSCH
Artikelnummer: EB-0601613034-1613480008
Netto: 3,94 € zzgl. MwSt.
zzgl. 6,90 € Versand (brutto)
einmalig pro Bestellung

Lieferzeit: 5 Werktage

Pos.
51
BOSCH Knopf | Ersatzteile für 1613 | 3603211501
Hersteller: BOSCH
Artikelnummer: EB-0601613034-3603211501
Netto: 4,53 € zzgl. MwSt.
zzgl. 6,90 € Versand (brutto)
einmalig pro Bestellung

Lieferzeit: 5 Werktage

Pos.
52
BOSCH Verriegelungsbuchse | Ersatzteile für 1613 | 3600240500
Hersteller: BOSCH
Artikelnummer: EB-0601613034-3600240500
Netto: 6,70 € zzgl. MwSt.
zzgl. 6,90 € Versand (brutto)
einmalig pro Bestellung

Lieferzeit: 5 Werktage

Pos.
53
BOSCH Zugfeder | Ersatzteile für 1613 | 3604648504
Hersteller: BOSCH
Artikelnummer: EB-0601613034-3604648504
nur Informationsartikel
Nie mehr lieferbar
keine Alternativen
Pos.
54
BOSCH Schraube | Ersatzteile für 1613 | 2610915161
Hersteller: BOSCH
Artikelnummer: EB-0601613034-2610915161
nur Informationsartikel
Nie mehr lieferbar
keine Alternativen
Pos.
55
BOSCH Sicherungsring DIN 471-12x1-FSt | Ersatzteile für 1613 | 2916650003
Hersteller: BOSCH
Artikelnummer: EB-0601613034-2916650003
Netto: 3,94 € zzgl. MwSt.
zzgl. 6,90 € Versand (brutto)
einmalig pro Bestellung

Lieferzeit: 5 Werktage

Pos.
57
BOSCH Druckfeder | Ersatzteile für 1613 | 3604613508
Hersteller: BOSCH
Artikelnummer: EB-0601613034-3604613508
nur Informationsartikel
Nie mehr lieferbar
keine Alternativen
Pos.
58
BOSCH Führungsstück | Ersatzteile für 1613 | 3603120502
Hersteller: BOSCH
Artikelnummer: EB-0601613034-3603120502
nur Informationsartikel
Nie mehr lieferbar
keine Alternativen
Pos.
59
BOSCH Faltenbalg | Ersatzteile für 1613 | 3605510548
Hersteller: BOSCH
Artikelnummer: EB-0601613034-3605510548
Netto: 6,75 € zzgl. MwSt.
zzgl. 6,90 € Versand (brutto)
einmalig pro Bestellung

Lieferzeit: 5 Werktage

Pos.
61
BOSCH Flachstecker | Ersatzteile für 1613 | 1604477005
Hersteller: BOSCH
Artikelnummer: EB-0601613034-1604477005
Netto: 4,56 € zzgl. MwSt.
zzgl. 6,90 € Versand (brutto)
einmalig pro Bestellung

Lieferzeit: 5 Werktage

Pos.
62
BOSCH Haltering | Ersatzteile für 1613 | 3604680502
Hersteller: BOSCH
Artikelnummer: EB-0601613034-3604680502
Netto: 3,94 € zzgl. MwSt.
zzgl. 6,90 € Versand (brutto)
einmalig pro Bestellung

Lieferzeit: 5 Werktage

Pos.
63
BOSCH Blechschraube | Ersatzteile für 1613 | 2610991306
Hersteller: BOSCH
Artikelnummer: EB-0601613034-2610991306
Netto: 3,94 € zzgl. MwSt.
zzgl. 6,90 € Versand (brutto)
einmalig pro Bestellung

Lieferzeit: 5 Werktage

Pos.
73
BOSCH Typschild | Ersatzteile für 1613 | 2610906950
Hersteller: BOSCH
Artikelnummer: EB-0601613034-2610906950
nur Informationsartikel
Nie mehr lieferbar
keine Alternativen
Pos.
74
BOSCH Torx-Linsenschraube 3x10 | Ersatzteile für 1613 | 2603490017
Hersteller: BOSCH
Artikelnummer: EB-0601613034-2603490017
Netto: 4,36 € zzgl. MwSt.
zzgl. 6,90 € Versand (brutto)
einmalig pro Bestellung

Lieferzeit: 5 Werktage

Pos.
83
BOSCH Kugel DIN 5401-4 MM-III-ST | Ersatzteile für 1613 | 1903230007
Hersteller: BOSCH
Artikelnummer: EB-0601613034-1903230007
Netto: 3,94 € zzgl. MwSt.
zzgl. 6,90 € Versand (brutto)
einmalig pro Bestellung

Lieferzeit: 5 Werktage

Pos.
85
BOSCH O-Ring | Ersatzteile für 1613 | 3600210507
Hersteller: BOSCH
Artikelnummer: EB-0601613034-3600210507
Netto: 3,94 € zzgl. MwSt.
zzgl. 6,90 € Versand (brutto)
einmalig pro Bestellung

Lieferzeit: 5 Werktage

Pos.
89
BOSCH Stellring | Ersatzteile für 1613 | 2610996090
Hersteller: BOSCH
Artikelnummer: EB-0601613034-2610996090
nur Informationsartikel
Nie mehr lieferbar
keine Alternativen
Pos.
91
BOSCH O-Ring 12,0x2,0 MM | Ersatzteile für 1613 | 1610210233
Hersteller: BOSCH
Artikelnummer: EB-0601613034-1610210233
Netto: 4,80 € zzgl. MwSt.
zzgl. 6,90 € Versand (brutto)
einmalig pro Bestellung

Lieferzeit: 5 Werktage

Pos.
731
BOSCH Montage 1/2" | Ersatzteile für 1613 | 2610001496
Hersteller: BOSCH
Artikelnummer: EB-0601613034-2610001496
Netto: 18,86 € zzgl. MwSt.
zzgl. 6,90 € Versand (brutto)
einmalig pro Bestellung

Lieferzeit: 5 Werktage

Pos.
731
BOSCH Schnellwechselfutter 1/4" | Ersatzteile für 1613 | 2610956672
Hersteller: BOSCH
Artikelnummer: EB-0601613034-2610956672
nur Informationsartikel
Nie mehr lieferbar
keine Alternativen
Pos.
731
BOSCH Spannzange 3/8" | Ersatzteile für 1613 | 2610018974
Hersteller: BOSCH
Artikelnummer: EB-0601613034-2610018974
Netto: 38,40 € zzgl. MwSt.
zzgl. 6,90 € Versand (brutto)
einmalig pro Bestellung

Lieferzeit: 5 Werktage

Pos.
804
BOSCH Lüftergehäuse | Ersatzteile für 1613 | 2610907863
Hersteller: BOSCH
Artikelnummer: EB-0601613034-2610907863
nur Informationsartikel
Nie mehr lieferbar
keine Alternativen
Pos.
807
BOSCH Grundplatte | Ersatzteile für 1613 | 3605702598
Hersteller: BOSCH
Artikelnummer: EB-0601613034-3605702598
nur Informationsartikel
Nie mehr lieferbar
keine Alternativen
Pos.
810
BOSCH Typschild | Ersatzteile für 1613 | 3601119779
Hersteller: BOSCH
Artikelnummer: EB-0601613034-3601119779
nur Informationsartikel
Nie mehr lieferbar
keine Alternativen
Pos.
816
BOSCH Netzanschlussleitung USA/CDN 3,275m 2 x 1,32mm SJ 16/2 | Ersatzteile für 1613 | 3604460514
Hersteller: BOSCH
Artikelnummer: EB-0601613034-3604460514
Netto: 15,15 € zzgl. MwSt.
zzgl. 6,90 € Versand (brutto)
einmalig pro Bestellung

Lieferzeit: 5 Werktage

Pos.
818
BOSCH Bürstenhalter | Ersatzteile für 1613 | 3604336506
Hersteller: BOSCH
Artikelnummer: EB-0601613034-3604336506
nur Informationsartikel
Nie mehr lieferbar
keine Alternativen
Pos.
828
BOSCH Stange | Ersatzteile für 1613 | 2610907864
Hersteller: BOSCH
Artikelnummer: EB-0601613034-2610907864
Netto: 9,75 € zzgl. MwSt.
zzgl. 6,90 € Versand (brutto)
einmalig pro Bestellung

Lieferzeit: 5 Werktage

Pos.
829
BOSCH Zeiger | Ersatzteile für 1613 | 2610907865
Hersteller: BOSCH
Artikelnummer: EB-0601613034-2610907865
nur Informationsartikel
Nie mehr lieferbar
keine Alternativen

Angaben zur Produktsicherheit

Hersteller:
Robert Bosch Power Tools GmbH
Postfach 30 02 20
70442 Stuttgart

E-Mail:
kontakt@bosch.de