BOSCH Kohlebürstensatz | Ersatzteile für 1618 EVS | 2610007957

Artikelnummer: EB-06016186A0-2610007957

Position: 810

Marke: BOSCH


Bitte Kompatibilität prüfen!

Bitte prüfen Sie unbedingt die 10-stellige Typennummer Ihrer Maschine / Ihres Gerätes. Das Ersatzteil ist nur kompatibel, wenn Sie die Typennummer Ihrer Maschine in der unten stehenden Produktbeschreibung finden.

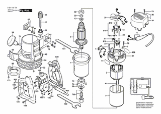
Bitte prüfen Sie ebenfalls detailliert die Explosionszeichnung mit Ihrem Artikelwunsch und der jeweiligen Pos-Nummer.

Alle Elemente, welche vom schwarzen Strich der Pos-Nummer ausgehend berührt / erfasst werden, gehören zu dieser Pos-Nummer und somit zu diesem Artikel. Jede Pos-Nummer ist ein eigenständiger Artikel, welchen Sie in der Auflistung finden.

Sie erhalten stets die aktuellste, neueste Produktversion zu der gewählten Pos-Nummer seitens des Herstellers. Es kann daher je nach Gerätealter vorkommen, dass Sie ggf. weitere, zugehörige Elemente, welche an diese Pos-Nummer grenzen, ebenfalls mittauschen müssen.

Nähere Informationen finden Sie unter dem Link
Hinweise zu Ihrer BOSCH Ersatzteilsuche

Preisübersicht

Einzelpreis: 9,95 €* (Brutto: 11,84 €)
Gesamtpreis: 9,95 €* 
Position:

Lieferzeit: 5 Werktage


Beschreibung

  • Kohlebürstensatz
  • Original Bosch Zubehör / BOSCH Ersatzteil (2610007957)
  • im Gerät verbaut: 1
Dieses BOSCH Ersatzteil ist mit folgendem Gerät und Modell kompatibel:
  • BOSCH Gerätename: 1618 EVS
  • BOSCH Explosionszeichnung: Position 810
  • BOSCH Typennummer: 06016186A0
  • BOSCH Typennummer alternative Schreibweisen: 0 601 618 6A0, 0601 618 6A0, 0.601.618.6A0, 0-601-618-6A0
    Bitte prüfen Sie diese Typennummer auf Ihrem Gerät um die Kompatibilität des BOSCH Ersatzteils zu gewährleisten.
Weitere BOSCH Ersatzteile des Gerätes 1618 EVS (Oberfräse) mit der Typennummer 06016186A0 finden Sie in der nachfolgenden Darstellung und im Dropdown zu Ihrer Auswahl:

Pos.
1
BOSCH Motorgehäuse | Ersatzteile für 1618 EVS | 2610922584
Hersteller: BOSCH
Artikelnummer: EB-06016186A0-2610922584
Netto: 28,44 € zzgl. MwSt.
zzgl. 6,90 € Versand (brutto)
einmalig pro Bestellung

Lieferzeit: 5 Werktage

Pos.
103/2
BOSCH Zylinderschraube | Ersatzteile für 1618 EVS | 3603433506
Hersteller: BOSCH
Artikelnummer: EB-06016186A0-3603433506
nur Informationsartikel
Nie mehr lieferbar
keine Alternativen
Pos.
5/2
BOSCH Anschlussklemme | Ersatzteile für 1618 EVS | 3601353500
Hersteller: BOSCH
Artikelnummer: EB-06016186A0-3601353500
nur Informationsartikel
Nie mehr lieferbar
keine Alternativen
Pos.
2
BOSCH Polschuh 120V | Ersatzteile für 1618 EVS | 1619P05316
Hersteller: BOSCH
Artikelnummer: EB-06016186A0-1619P05316
Netto: 42,86 € zzgl. MwSt.
zzgl. 6,90 € Versand (brutto)
einmalig pro Bestellung

Lieferzeit: 5 Werktage

Pos.
3
BOSCH Anker 120V | Ersatzteile für 1618 EVS | 1619P05216
Hersteller: BOSCH
Artikelnummer: EB-06016186A0-1619P05216
Netto: 77,60 € zzgl. MwSt.
zzgl. 6,90 € Versand (brutto)
einmalig pro Bestellung

Lieferzeit: 5 Werktage

Pos.
4
BOSCH Ein/Aus-Schalter | Ersatzteile für 1618 EVS | 2610016525
Hersteller: BOSCH
Artikelnummer: EB-06016186A0-2610016525
Netto: 8,33 € zzgl. MwSt.
zzgl. 6,90 € Versand (brutto)
einmalig pro Bestellung

Lieferzeit: 5 Werktage

Pos.
6
BOSCH Netzanschlussleitung | Ersatzteile für 1618 EVS | 2610994441
Hersteller: BOSCH
Artikelnummer: EB-06016186A0-2610994441
nur Informationsartikel
Nie mehr lieferbar
keine Alternativen
Pos.
7
BOSCH Leitungshalter | Ersatzteile für 1618 EVS | 2601035001
Hersteller: BOSCH
Artikelnummer: EB-06016186A0-2601035001
Netto: 3,94 € zzgl. MwSt.
zzgl. 6,90 € Versand (brutto)
einmalig pro Bestellung

Lieferzeit: 5 Werktage

Pos.
9
BOSCH Typschild | Ersatzteile für 1618 EVS | 2610915243
Hersteller: BOSCH
Artikelnummer: EB-06016186A0-2610915243
nur Informationsartikel
Nie mehr lieferbar
keine Alternativen
Pos.
13
BOSCH Kugelführung | Ersatzteile für 1618 EVS | 3600905513
Hersteller: BOSCH
Artikelnummer: EB-06016186A0-3600905513
Netto: 10,92 € zzgl. MwSt.
zzgl. 6,90 € Versand (brutto)
einmalig pro Bestellung

Lieferzeit: 5 Werktage

Pos.
14
BOSCH Kugellager | Ersatzteile für 1618 EVS | 1600900088
Hersteller: BOSCH
Artikelnummer: EB-06016186A0-1600900088
nur Informationsartikel
Nie mehr lieferbar
keine Alternativen
Pos.
21
BOSCH Isolierhülse | Ersatzteile für 1618 EVS | 2610009656
Hersteller: BOSCH
Artikelnummer: EB-06016186A0-2610009656
Netto: 9,18 € zzgl. MwSt.
zzgl. 6,90 € Versand (brutto)
einmalig pro Bestellung

Lieferzeit: 5 Werktage

Pos.
22
BOSCH Flachstecker | Ersatzteile für 1618 EVS | 1604477005
Hersteller: BOSCH
Artikelnummer: EB-06016186A0-1604477005
Netto: 3,94 € zzgl. MwSt.
zzgl. 6,90 € Versand (brutto)
einmalig pro Bestellung

Lieferzeit: 5 Werktage

Pos.
29
BOSCH Mutter | Ersatzteile für 1618 EVS | 2610993582
Hersteller: BOSCH
Artikelnummer: EB-06016186A0-2610993582
Netto: 5,67 € zzgl. MwSt.
zzgl. 6,90 € Versand (brutto)
einmalig pro Bestellung

Lieferzeit: 5 Werktage

Pos.
31
BOSCH Gehäuserückteil | Ersatzteile für 1618 EVS | 2610941007
Hersteller: BOSCH
Artikelnummer: EB-06016186A0-2610941007
Netto: 9,95 € zzgl. MwSt.
zzgl. 6,90 € Versand (brutto)
einmalig pro Bestellung

Lieferzeit: 5 Werktage

Pos.
32
BOSCH Lagerhalter | Ersatzteile für 1618 EVS | 2610991375
Hersteller: BOSCH
Artikelnummer: EB-06016186A0-2610991375
Netto: 6,70 € zzgl. MwSt.
zzgl. 6,90 € Versand (brutto)
einmalig pro Bestellung

Lieferzeit: 5 Werktage

Pos.
33
BOSCH O-Ring | Ersatzteile für 1618 EVS | 1900210115
Hersteller: BOSCH
Artikelnummer: EB-06016186A0-1900210115
Netto: 4,53 € zzgl. MwSt.
zzgl. 6,90 € Versand (brutto)
einmalig pro Bestellung

Lieferzeit: 5 Werktage

Pos.
34
BOSCH Handgriff-Set | Ersatzteile für 1618 EVS | 2610941008
Hersteller: BOSCH
Artikelnummer: EB-06016186A0-2610941008
Netto: 8,33 € zzgl. MwSt.
zzgl. 6,90 € Versand (brutto)
einmalig pro Bestellung

Lieferzeit: 5 Werktage

Pos.
35
BOSCH Drehzahlregler 120V | Ersatzteile für 1618 EVS | 1607233136
Hersteller: BOSCH
Artikelnummer: EB-06016186A0-1607233136
Netto: 32,74 € zzgl. MwSt.
zzgl. 6,90 € Versand (brutto)
einmalig pro Bestellung

Lieferzeit: 5 Werktage

Pos.
36
BOSCH Hinweisschild | Ersatzteile für 1618 EVS | 2610994107
Hersteller: BOSCH
Artikelnummer: EB-06016186A0-2610994107
Netto: 5,21 € zzgl. MwSt.
zzgl. 6,90 € Versand (brutto)
einmalig pro Bestellung

Lieferzeit: 5 Werktage

Pos.
39
BOSCH Handgriff SCHWARZ | Ersatzteile für 1618 EVS | 2602026001
Hersteller: BOSCH
Artikelnummer: EB-06016186A0-2602026001
Netto: 6,15 € zzgl. MwSt.
zzgl. 6,90 € Versand (brutto)
einmalig pro Bestellung

Lieferzeit: 5 Werktage

Pos.
40
BOSCH Sockel | Ersatzteile für 1618 EVS | 2610924105
Hersteller: BOSCH
Artikelnummer: EB-06016186A0-2610924105
nur Informationsartikel
Nie mehr lieferbar
keine Alternativen
Pos.
41
BOSCH Sechskantmutter M6 | Ersatzteile für 1618 EVS | 1613300006
Hersteller: BOSCH
Artikelnummer: EB-06016186A0-1613300006
nur Informationsartikel
Nie mehr lieferbar
keine Alternativen
Pos.
42
BOSCH Klemmhebel | Ersatzteile für 1618 EVS | 2610915060
Hersteller: BOSCH
Artikelnummer: EB-06016186A0-2610915060
nur Informationsartikel
Nie mehr lieferbar
keine Alternativen
Pos.
44
BOSCH Stellwelle | Ersatzteile für 1618 EVS | 2610991384
Hersteller: BOSCH
Artikelnummer: EB-06016186A0-2610991384
nur Informationsartikel
Nie mehr lieferbar
keine Alternativen
Pos.
45
BOSCH Hebel | Ersatzteile für 1618 EVS | 2610991385
Hersteller: BOSCH
Artikelnummer: EB-06016186A0-2610991385
nur Informationsartikel
Nie mehr lieferbar
keine Alternativen
Pos.
46
BOSCH Feder | Ersatzteile für 1618 EVS | 2610991371
Hersteller: BOSCH
Artikelnummer: EB-06016186A0-2610991371
Netto: 4,32 € zzgl. MwSt.
zzgl. 6,90 € Versand (brutto)
einmalig pro Bestellung

Lieferzeit: 5 Werktage

Pos.
48
BOSCH Justiergerät | Ersatzteile für 1618 EVS | 2610993576
Hersteller: BOSCH
Artikelnummer: EB-06016186A0-2610993576
nur Informationsartikel
Nie mehr lieferbar
keine Alternativen
Pos.
49
BOSCH Ring | Ersatzteile für 1618 EVS | 2610993577
Hersteller: BOSCH
Artikelnummer: EB-06016186A0-2610993577
nur Informationsartikel
Nie mehr lieferbar
keine Alternativen
Pos.
50
BOSCH Abdeckplatte | Ersatzteile für 1618 EVS | 2610928164
Hersteller: BOSCH
Artikelnummer: EB-06016186A0-2610928164
nur Informationsartikel
Nie mehr lieferbar
keine Alternativen
Pos.
55
BOSCH Spanabweiser | Ersatzteile für 1618 EVS | 2610991389
Hersteller: BOSCH
Artikelnummer: EB-06016186A0-2610991389
nur Informationsartikel
Nie mehr lieferbar
keine Alternativen
Pos.
56
BOSCH Abdeckkappe | Ersatzteile für 1618 EVS | 2610991372
Hersteller: BOSCH
Artikelnummer: EB-06016186A0-2610991372
nur Informationsartikel
Nie mehr lieferbar
keine Alternativen
Pos.
61
BOSCH Blechschraube DIN 7981-ST2,9x13-C-H | Ersatzteile für 1618 EVS | 2910611006
Hersteller: BOSCH
Artikelnummer: EB-06016186A0-2910611006
Netto: 3,94 € zzgl. MwSt.
zzgl. 6,90 € Versand (brutto)
einmalig pro Bestellung

Lieferzeit: 5 Werktage

Pos.
62
BOSCH Blechschraube | Ersatzteile für 1618 EVS | 2610991306
Hersteller: BOSCH
Artikelnummer: EB-06016186A0-2610991306
Netto: 3,94 € zzgl. MwSt.
zzgl. 6,90 € Versand (brutto)
einmalig pro Bestellung

Lieferzeit: 5 Werktage

Pos.
66
BOSCH Unterlegscheibe DIN 126-9-A2 | Ersatzteile für 1618 EVS | 2918660004
Hersteller: BOSCH
Artikelnummer: EB-06016186A0-2918660004
nur Informationsartikel
Nie mehr lieferbar
keine Alternativen
Pos.
70
BOSCH Haltering | Ersatzteile für 1618 EVS | 2610996054
Hersteller: BOSCH
Artikelnummer: EB-06016186A0-2610996054
nur Informationsartikel
Nie mehr lieferbar
keine Alternativen
Pos.
71
BOSCH Stift | Ersatzteile für 1618 EVS | 2610994492
Hersteller: BOSCH
Artikelnummer: EB-06016186A0-2610994492
nur Informationsartikel
Nie mehr lieferbar
keine Alternativen
Pos.
73
BOSCH Schraube | Ersatzteile für 1618 EVS | 2610915161
Hersteller: BOSCH
Artikelnummer: EB-06016186A0-2610915161
nur Informationsartikel
Nie mehr lieferbar
keine Alternativen
Pos.
74
BOSCH Linsenschraube | Ersatzteile für 1618 EVS | 2910641120
Hersteller: BOSCH
Artikelnummer: EB-06016186A0-2910641120
Netto: 3,63 € zzgl. MwSt.
zzgl. 6,90 € Versand (brutto)
einmalig pro Bestellung

Lieferzeit: 5 Werktage

Pos.
75
BOSCH Blechschraube | Ersatzteile für 1618 EVS | 2610910566
Hersteller: BOSCH
Artikelnummer: EB-06016186A0-2610910566
nur Informationsartikel
Nie mehr lieferbar
keine Alternativen
Pos.
77
BOSCH Innensechskantschraube DIN 912-M 5x30-8.8 | Ersatzteile für 1618 EVS | 2910141166
Hersteller: BOSCH
Artikelnummer: EB-06016186A0-2910141166
Netto: 3,94 € zzgl. MwSt.
zzgl. 6,90 € Versand (brutto)
einmalig pro Bestellung

Lieferzeit: 5 Werktage

Pos.
85
BOSCH Führungshülse | Ersatzteile für 1618 EVS | 2610991370
Hersteller: BOSCH
Artikelnummer: EB-06016186A0-2610991370
Netto: 26,88 € zzgl. MwSt.
zzgl. 6,90 € Versand (brutto)
einmalig pro Bestellung

Lieferzeit: 5 Werktage

Pos.
101
BOSCH Linsenschraube DIN 7985-M5x10-4.8 | Ersatzteile für 1618 EVS | 2910641152
Hersteller: BOSCH
Artikelnummer: EB-06016186A0-2910641152
nur Informationsartikel
Nie mehr lieferbar
keine Alternativen
Pos.
102
BOSCH Steckdose | Ersatzteile für 1618 EVS | 3604484501
Hersteller: BOSCH
Artikelnummer: EB-06016186A0-3604484501
nur Informationsartikel
Nie mehr lieferbar
keine Alternativen
Pos.
103
BOSCH Ein/Aus-Schalter | Ersatzteile für 1618 EVS | 2610994461
Hersteller: BOSCH
Artikelnummer: EB-06016186A0-2610994461
nur Informationsartikel
Nie mehr lieferbar
keine Alternativen
Pos.
104
BOSCH Befestigungsschelle | Ersatzteile für 1618 EVS | 3601032500
Hersteller: BOSCH
Artikelnummer: EB-06016186A0-3601032500
Netto: 7,76 € zzgl. MwSt.
zzgl. 6,90 € Versand (brutto)
einmalig pro Bestellung

Lieferzeit: 5 Werktage

Pos.
105
BOSCH Tülle | Ersatzteile für 1618 EVS | 3600703500
Hersteller: BOSCH
Artikelnummer: EB-06016186A0-3600703500
Netto: 5,67 € zzgl. MwSt.
zzgl. 6,90 € Versand (brutto)
einmalig pro Bestellung

Lieferzeit: 5 Werktage

Pos.
106
BOSCH Blechschraube | Ersatzteile für 1618 EVS | 2910211211
Hersteller: BOSCH
Artikelnummer: EB-06016186A0-2910211211
nur Informationsartikel
Nie mehr lieferbar
keine Alternativen
Pos.
107
BOSCH Blechschraube DIN 7981-ST4,2x9,5-F-H | Ersatzteile für 1618 EVS | 2910611424
Hersteller: BOSCH
Artikelnummer: EB-06016186A0-2910611424
nur Informationsartikel
Nie mehr lieferbar
keine Alternativen
Pos.
108
BOSCH Zylinderblechschraube | Ersatzteile für 1618 EVS | 2610912760
Hersteller: BOSCH
Artikelnummer: EB-06016186A0-2610912760
nur Informationsartikel
Nie mehr lieferbar
keine Alternativen
Pos.
150
BOSCH Einmaulschlüssel | Ersatzteile für 1618 EVS | 2610992417
Hersteller: BOSCH
Artikelnummer: EB-06016186A0-2610992417
nur Informationsartikel
Nie mehr lieferbar
keine Alternativen
Pos.
151
BOSCH Bohrfutterschlüssel | Ersatzteile für 1618 EVS | 2610991388
Hersteller: BOSCH
Artikelnummer: EB-06016186A0-2610991388
nur Informationsartikel
Nie mehr lieferbar
keine Alternativen
Pos.
173
BOSCH Senkschraube DIN 965-M4x12-8.8 | Ersatzteile für 1618 EVS | 2910871122
Hersteller: BOSCH
Artikelnummer: EB-06016186A0-2910871122
nur Informationsartikel
Nie mehr lieferbar
keine Alternativen
Pos.
750
BOSCH Montage 1/2" | Ersatzteile für 1618 EVS | 2610001496
Hersteller: BOSCH
Artikelnummer: EB-06016186A0-2610001496
Netto: 19,18 € zzgl. MwSt.
zzgl. 6,90 € Versand (brutto)
einmalig pro Bestellung

Lieferzeit: 5 Werktage

Pos.
750
BOSCH Schnellwechselfutter 1/4" | Ersatzteile für 1618 EVS | 2610956672
Hersteller: BOSCH
Artikelnummer: EB-06016186A0-2610956672
nur Informationsartikel
Nie mehr lieferbar
keine Alternativen
Pos.
750
BOSCH Spannzange 3/8" | Ersatzteile für 1618 EVS | 2610018974
Hersteller: BOSCH
Artikelnummer: EB-06016186A0-2610018974
Netto: 39,11 € zzgl. MwSt.
zzgl. 6,90 € Versand (brutto)
einmalig pro Bestellung

Lieferzeit: 5 Werktage

Pos.
750
BOSCH Spannzange 8 mm | Ersatzteile für 1618 EVS | 2610006911
Hersteller: BOSCH
Artikelnummer: EB-06016186A0-2610006911
Netto: 35,77 € zzgl. MwSt.
zzgl. 6,90 € Versand (brutto)
einmalig pro Bestellung

Lieferzeit: 5 Werktage

Pos.
805
BOSCH Netzanschlussleitung USA/CDN 3,275m 2 x 1,32mm SJ 16/2 | Ersatzteile für 1618 EVS | 3604460514
Hersteller: BOSCH
Artikelnummer: EB-06016186A0-3604460514
Netto: 15,75 € zzgl. MwSt.
zzgl. 6,90 € Versand (brutto)
einmalig pro Bestellung

Lieferzeit: 5 Werktage

Pos.
808
BOSCH Typschild | Ersatzteile für 1618 EVS | 2610009640
Hersteller: BOSCH
Artikelnummer: EB-06016186A0-2610009640
nur Informationsartikel
Nie mehr lieferbar
keine Alternativen
Pos.
810
BOSCH Kohlebürstensatz | Ersatzteile für 1618 EVS | 2610007957
Hersteller: BOSCH
Artikelnummer: EB-06016186A0-2610007957
Netto: 9,95 € zzgl. MwSt.
zzgl. 6,90 € Versand (brutto)
einmalig pro Bestellung

Lieferzeit: 5 Werktage

Pos.
816
BOSCH Bürstenhalter | Ersatzteile für 1618 EVS | 3604336506
Hersteller: BOSCH
Artikelnummer: EB-06016186A0-3604336506
nur Informationsartikel
Nie mehr lieferbar
keine Alternativen
Pos.
817
BOSCH Feder | Ersatzteile für 1618 EVS | 3604652501
Hersteller: BOSCH
Artikelnummer: EB-06016186A0-3604652501
Netto: 5,17 € zzgl. MwSt.
zzgl. 6,90 € Versand (brutto)
einmalig pro Bestellung

Lieferzeit: 5 Werktage

Pos.
830
BOSCH Handgriff | Ersatzteile für 1618 EVS | 2610997132
Hersteller: BOSCH
Artikelnummer: EB-06016186A0-2610997132
nur Informationsartikel
Nie mehr lieferbar
keine Alternativen

Angaben zur Produktsicherheit

Hersteller:
Robert Bosch Power Tools GmbH
Postfach 30 02 20
70442 Stuttgart

E-Mail:
kontakt@bosch.de