BOSCH Spiralfeder | Ersatzteile für 1632 VS | 1604652006

Artikelnummer: EB-0601632834-1604652006

Position: 16

Marke: BOSCH


Bitte Kompatibilität prüfen!

Bitte prüfen Sie unbedingt die 10-stellige Typennummer Ihrer Maschine / Ihres Gerätes. Das Ersatzteil ist nur kompatibel, wenn Sie die Typennummer Ihrer Maschine in der unten stehenden Produktbeschreibung finden.

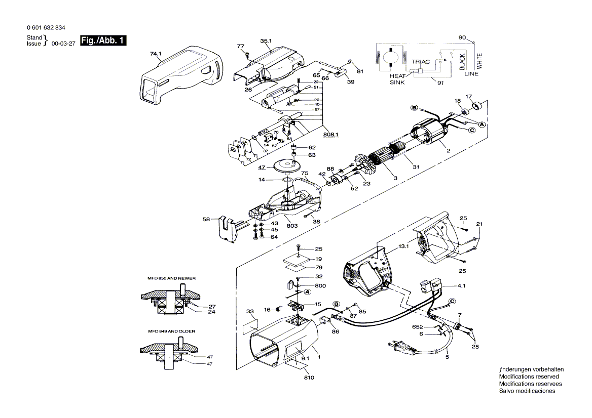
Bitte prüfen Sie ebenfalls detailliert die Explosionszeichnung mit Ihrem Artikelwunsch und der jeweiligen Pos-Nummer.

Alle Elemente, welche vom schwarzen Strich der Pos-Nummer ausgehend berührt / erfasst werden, gehören zu dieser Pos-Nummer und somit zu diesem Artikel. Jede Pos-Nummer ist ein eigenständiger Artikel, welchen Sie in der Auflistung finden.

Sie erhalten stets die aktuellste, neueste Produktversion zu der gewählten Pos-Nummer seitens des Herstellers. Es kann daher je nach Gerätealter vorkommen, dass Sie ggf. weitere, zugehörige Elemente, welche an diese Pos-Nummer grenzen, ebenfalls mittauschen müssen.

Nähere Informationen finden Sie unter dem Link
Hinweise zu Ihrer BOSCH Ersatzteilsuche

Preisübersicht

Einzelpreis: 3,94 €* (Brutto: 4,69 €)
Gesamtpreis: 3,94 €* 
Position:

Lieferzeit: 5 Werktage


Beschreibung

  • Spiralfeder
  • Original Bosch Zubehör / BOSCH Ersatzteil (1604652006)
  • im Gerät verbaut: 1
Dieses BOSCH Ersatzteil ist mit folgendem Gerät und Modell kompatibel:
  • BOSCH Gerätename: 1632 VS
  • BOSCH Explosionszeichnung: Position 16
  • BOSCH Typennummer: 0601632834
  • BOSCH Typennummer alternative Schreibweisen: 0 601 632 834, 0601 632 834, 0.601.632.834, 0-601-632-834
    Bitte prüfen Sie diese Typennummer auf Ihrem Gerät um die Kompatibilität des BOSCH Ersatzteils zu gewährleisten.
Weitere BOSCH Ersatzteile des Gerätes 1632 VS (Säbelsäge) mit der Typennummer 0601632834 finden Sie in der nachfolgenden Darstellung und im Dropdown zu Ihrer Auswahl:

Pos.
1
BOSCH Motorgehäuse BLAU | Ersatzteile für 1632 VS | 3605108545
Hersteller: BOSCH
Artikelnummer: EB-0601632834-3605108545
nur Informationsartikel
Nie mehr lieferbar
keine Alternativen
Pos.
2
BOSCH Polschuh 115V | Ersatzteile für 1632 VS | 3604220539
Hersteller: BOSCH
Artikelnummer: EB-0601632834-3604220539
Netto: 63,02 € zzgl. MwSt.
zzgl. 6,90 € Versand (brutto)
einmalig pro Bestellung

Lieferzeit: 5 Werktage

Pos.
3
BOSCH Anker 115V | Ersatzteile für 1632 VS | 3604011552
Hersteller: BOSCH
Artikelnummer: EB-0601632834-3604011552
Netto: 153,70 € zzgl. MwSt.
zzgl. 6,90 € Versand (brutto)
einmalig pro Bestellung

Lieferzeit: 5 Werktage

Pos.
4
BOSCH Ein/Aus-Schalter | Ersatzteile für 1632 VS | 3607200514
Hersteller: BOSCH
Artikelnummer: EB-0601632834-3607200514
nur Informationsartikel
Nie mehr lieferbar
keine Alternativen
Pos.
5
BOSCH Netzanschlussleitung USA/CDN 2,15m 2 x 1,32mm SJ 16/2 | Ersatzteile für 1632 VS | 3604460560
Hersteller: BOSCH
Artikelnummer: EB-0601632834-3604460560
nur Informationsartikel
Nie mehr lieferbar
keine Alternativen
Pos.
6
BOSCH Tülle | Ersatzteile für 1632 VS | 3600703510
Hersteller: BOSCH
Artikelnummer: EB-0601632834-3600703510
nur Informationsartikel
Nie mehr lieferbar
keine Alternativen
Pos.
7
BOSCH Leitungshalter | Ersatzteile für 1632 VS | 2601035001
Hersteller: BOSCH
Artikelnummer: EB-0601632834-2601035001
Netto: 3,94 € zzgl. MwSt.
zzgl. 6,90 € Versand (brutto)
einmalig pro Bestellung

Lieferzeit: 5 Werktage

Pos.
9
BOSCH Klebeschild | Ersatzteile für 1632 VS | 3601119643
Hersteller: BOSCH
Artikelnummer: EB-0601632834-3601119643
nur Informationsartikel
Nie mehr lieferbar
keine Alternativen
Pos.
13
BOSCH Handgriff SCHWARZ | Ersatzteile für 1632 VS | 3605133513
Hersteller: BOSCH
Artikelnummer: EB-0601632834-3605133513
nur Informationsartikel
Nie mehr lieferbar
keine Alternativen
Pos.
14
BOSCH Distanzscheibe | Ersatzteile für 1632 VS | 3600102502
Hersteller: BOSCH
Artikelnummer: EB-0601632834-3600102502
Netto: 4,56 € zzgl. MwSt.
zzgl. 6,90 € Versand (brutto)
einmalig pro Bestellung

Lieferzeit: 5 Werktage

Pos.
15
BOSCH Bürstenhalter | Ersatzteile für 1632 VS | 1604336017
Hersteller: BOSCH
Artikelnummer: EB-0601632834-1604336017
Netto: 7,66 € zzgl. MwSt.
zzgl. 6,90 € Versand (brutto)
einmalig pro Bestellung

Lieferzeit: 5 Werktage

Pos.
16
BOSCH Spiralfeder | Ersatzteile für 1632 VS | 1604652006
Hersteller: BOSCH
Artikelnummer: EB-0601632834-1604652006
Netto: 3,94 € zzgl. MwSt.
zzgl. 6,90 € Versand (brutto)
einmalig pro Bestellung

Lieferzeit: 5 Werktage

Pos.
17
BOSCH Gummibuchse | Ersatzteile für 1632 VS | 3600206501
Hersteller: BOSCH
Artikelnummer: EB-0601632834-3600206501
nur Informationsartikel
Nie mehr lieferbar
keine Alternativen
Pos.
18
BOSCH Rillenkugellager | Ersatzteile für 1632 VS | 3600900503
Hersteller: BOSCH
Artikelnummer: EB-0601632834-3600900503
nur Informationsartikel
Nie mehr lieferbar
keine Alternativen
Pos.
19
BOSCH Verschlussdeckel SCHWARZ | Ersatzteile für 1632 VS | 3605500560
Hersteller: BOSCH
Artikelnummer: EB-0601632834-3605500560
nur Informationsartikel
Nie mehr lieferbar
keine Alternativen
Pos.
20
BOSCH Distanzscheibe | Ersatzteile für 1632 VS | 3600100521
Hersteller: BOSCH
Artikelnummer: EB-0601632834-3600100521
nur Informationsartikel
Nie mehr lieferbar
keine Alternativen
Pos.
21
BOSCH Blechschraube DIN 7981 ST4,8x22-C-H | Ersatzteile für 1632 VS | 2910611035
Hersteller: BOSCH
Artikelnummer: EB-0601632834-2910611035
nur Informationsartikel
Nie mehr lieferbar
keine Alternativen
Pos.
22
BOSCH Druckfeder | Ersatzteile für 1632 VS | 3604625501
Hersteller: BOSCH
Artikelnummer: EB-0601632834-3604625501
nur Informationsartikel
Nie mehr lieferbar
keine Alternativen
Pos.
24
BOSCH Gewindefurchschraube | Ersatzteile für 1632 VS | 2914435049
Hersteller: BOSCH
Artikelnummer: EB-0601632834-2914435049
nur Informationsartikel
Nie mehr lieferbar
keine Alternativen
Pos.
25
BOSCH Blechschraube DIN 7981-ST3,9x16-C-H | Ersatzteile für 1632 VS | 2910611019
Hersteller: BOSCH
Artikelnummer: EB-0601632834-2910611019
nur Informationsartikel
Nie mehr lieferbar
keine Alternativen
Pos.
26
BOSCH Dichtplatte | Ersatzteile für 1632 VS | 3601016506
Hersteller: BOSCH
Artikelnummer: EB-0601632834-3601016506
nur Informationsartikel
Nie mehr lieferbar
keine Alternativen
Pos.
27
BOSCH Distanzstück | Ersatzteile für 1632 VS | 3600132504
Hersteller: BOSCH
Artikelnummer: EB-0601632834-3600132504
Netto: 15,42 € zzgl. MwSt.
zzgl. 6,90 € Versand (brutto)
einmalig pro Bestellung

Lieferzeit: 5 Werktage

Pos.
31
BOSCH Blechschraube ST-4,8x57,5-TORX,T20 | Ersatzteile für 1632 VS | 1613435009
Hersteller: BOSCH
Artikelnummer: EB-0601632834-1613435009
Netto: 3,94 € zzgl. MwSt.
zzgl. 6,90 € Versand (brutto)
einmalig pro Bestellung

Lieferzeit: 5 Werktage

Pos.
32
BOSCH Linsenschraube DIN 7985-M4x8-8.8-H | Ersatzteile für 1632 VS | 2910951118
Hersteller: BOSCH
Artikelnummer: EB-0601632834-2910951118
nur Informationsartikel
Nie mehr lieferbar
keine Alternativen
Pos.
33
BOSCH Hinweisschild | Ersatzteile für 1632 VS | 3610119645
Hersteller: BOSCH
Artikelnummer: EB-0601632834-3610119645
nur Informationsartikel
Nie mehr lieferbar
keine Alternativen
Pos.
35
BOSCH Getriebedeckel | Ersatzteile für 1632 VS | 3605500555
Hersteller: BOSCH
Artikelnummer: EB-0601632834-3605500555
nur Informationsartikel
Nie mehr lieferbar
keine Alternativen
Pos.
37
BOSCH O-Ring | Ersatzteile für 1632 VS | 3600210504
Hersteller: BOSCH
Artikelnummer: EB-0601632834-3600210504
nur Informationsartikel
Nie mehr lieferbar
keine Alternativen
Pos.
38
BOSCH Blechschraube DIN 7981-ST4,8x25-C-H | Ersatzteile für 1632 VS | 2910611036
Hersteller: BOSCH
Artikelnummer: EB-0601632834-2910611036
nur Informationsartikel
Nie mehr lieferbar
keine Alternativen
Pos.
39
BOSCH Schalthebel | Ersatzteile für 1632 VS | 3602026500
Hersteller: BOSCH
Artikelnummer: EB-0601632834-3602026500
nur Informationsartikel
Nie mehr lieferbar
keine Alternativen
Pos.
40
BOSCH Rolle | Ersatzteile für 1632 VS | 3606625546
Hersteller: BOSCH
Artikelnummer: EB-0601632834-3606625546
nur Informationsartikel
Nie mehr lieferbar
keine Alternativen
Pos.
42
BOSCH Sicherungsring | Ersatzteile für 1632 VS | 3600118501
Hersteller: BOSCH
Artikelnummer: EB-0601632834-3600118501
nur Informationsartikel
Nie mehr lieferbar
keine Alternativen
Pos.
43
BOSCH Unterlegscheibe DIN 433-6,4-ST 50 | Ersatzteile für 1632 VS | 2916011013
Hersteller: BOSCH
Artikelnummer: EB-0601632834-2916011013
Netto: 3,60 € zzgl. MwSt.
zzgl. 6,90 € Versand (brutto)
einmalig pro Bestellung

Lieferzeit: 5 Werktage

Pos.
45
BOSCH Federring M6 | Ersatzteile für 1632 VS | 2916690005
Hersteller: BOSCH
Artikelnummer: EB-0601632834-2916690005
nur Informationsartikel
Nie mehr lieferbar
keine Alternativen
Pos.
47
BOSCH Exzenterzahnrad | Ersatzteile für 1632 VS | 3606100518
Hersteller: BOSCH
Artikelnummer: EB-0601632834-3606100518
nur Informationsartikel
Nie mehr lieferbar
keine Alternativen
Pos.
51
BOSCH Lagerstift | Ersatzteile für 1632 VS | 3603024501
Hersteller: BOSCH
Artikelnummer: EB-0601632834-3603024501
Netto: 5,65 € zzgl. MwSt.
zzgl. 6,90 € Versand (brutto)
einmalig pro Bestellung

Lieferzeit: 5 Werktage

Pos.
52
BOSCH Unterlegscheibe DIN 7349-4,3-ST | Ersatzteile für 1632 VS | 2916201002
Hersteller: BOSCH
Artikelnummer: EB-0601632834-2916201002
nur Informationsartikel
Nie mehr lieferbar
keine Alternativen
Pos.
54
BOSCH Klemmplatte | Ersatzteile für 1632 VS | 3600690504
Hersteller: BOSCH
Artikelnummer: EB-0601632834-3600690504
nur Informationsartikel
Nie mehr lieferbar
keine Alternativen
Pos.
57
BOSCH Innensechskantschraube DIN 912-M5x12-12.9 | Ersatzteile für 1632 VS | 2910405154
Hersteller: BOSCH
Artikelnummer: EB-0601632834-2910405154
Netto: 3,60 € zzgl. MwSt.
zzgl. 6,90 € Versand (brutto)
einmalig pro Bestellung

Lieferzeit: 5 Werktage

Pos.
58
BOSCH Fussplatte | Ersatzteile für 1632 VS | 3608000501
Hersteller: BOSCH
Artikelnummer: EB-0601632834-3608000501
nur Informationsartikel
Nie mehr lieferbar
keine Alternativen
Pos.
62
BOSCH Lagerhülse | Ersatzteile für 1632 VS | 3606625547
Hersteller: BOSCH
Artikelnummer: EB-0601632834-3606625547
nur Informationsartikel
Nie mehr lieferbar
keine Alternativen
Pos.
63
BOSCH Nadelkranz | Ersatzteile für 1632 VS | 3600917500
Hersteller: BOSCH
Artikelnummer: EB-0601632834-3600917500
nur Informationsartikel
Nie mehr lieferbar
keine Alternativen
Pos.
64
BOSCH Innensechskantschraube DIN 7984-M6x16-8.8 | Ersatzteile für 1632 VS | 2910131197
Hersteller: BOSCH
Artikelnummer: EB-0601632834-2910131197
nur Informationsartikel
Nie mehr lieferbar
keine Alternativen
Pos.
65
BOSCH Kugel Ø 4 MM | Ersatzteile für 1632 VS | 3603230500
Hersteller: BOSCH
Artikelnummer: EB-0601632834-3603230500
nur Informationsartikel
Nie mehr lieferbar
keine Alternativen
Pos.
66
BOSCH Druckfeder | Ersatzteile für 1632 VS | 3604610503
Hersteller: BOSCH
Artikelnummer: EB-0601632834-3604610503
nur Informationsartikel
Nie mehr lieferbar
keine Alternativen
Pos.
67
BOSCH Zylinderstift | Ersatzteile für 1632 VS | 3603024502
Hersteller: BOSCH
Artikelnummer: EB-0601632834-3603024502
nur Informationsartikel
Nie mehr lieferbar
keine Alternativen
Pos.
69
BOSCH Klemmbügel | Ersatzteile für 1632 VS | 3608040507
Hersteller: BOSCH
Artikelnummer: EB-0601632834-3608040507
nur Informationsartikel
Nie mehr lieferbar
keine Alternativen
Pos.
70
BOSCH Federring DIN 127-B 5 | Ersatzteile für 1632 VS | 2916683006
Hersteller: BOSCH
Artikelnummer: EB-0601632834-2916683006
Netto: 3,94 € zzgl. MwSt.
zzgl. 6,90 € Versand (brutto)
einmalig pro Bestellung

Lieferzeit: 5 Werktage

Pos.
71
BOSCH Dichtblech | Ersatzteile für 1632 VS | 3605510539
Hersteller: BOSCH
Artikelnummer: EB-0601632834-3605510539
nur Informationsartikel
Nie mehr lieferbar
keine Alternativen
Pos.
72
BOSCH Filzplatte | Ersatzteile für 1632 VS | 3601005504
Hersteller: BOSCH
Artikelnummer: EB-0601632834-3601005504
nur Informationsartikel
Nie mehr lieferbar
keine Alternativen
Pos.
74
BOSCH Isoliergehäuse | Ersatzteile für 1632 VS | 3605510532
Hersteller: BOSCH
Artikelnummer: EB-0601632834-3605510532
nur Informationsartikel
Nie mehr lieferbar
keine Alternativen
Pos.
75
BOSCH Dichtplatte | Ersatzteile für 1632 VS | 3600703505
Hersteller: BOSCH
Artikelnummer: EB-0601632834-3600703505
nur Informationsartikel
Nie mehr lieferbar
keine Alternativen
Pos.
77
BOSCH Gewindefurchschraube | Ersatzteile für 1632 VS | 3603410505
Hersteller: BOSCH
Artikelnummer: EB-0601632834-3603410505
Netto: 3,94 € zzgl. MwSt.
zzgl. 6,90 € Versand (brutto)
einmalig pro Bestellung

Lieferzeit: 5 Werktage

Pos.
79
BOSCH Isolierrohr | Ersatzteile für 1632 VS | 3601007502
Hersteller: BOSCH
Artikelnummer: EB-0601632834-3601007502
nur Informationsartikel
Nie mehr lieferbar
keine Alternativen
Pos.
81
BOSCH Sicherungsscheibe | Ersatzteile für 1632 VS | 3600149500
Hersteller: BOSCH
Artikelnummer: EB-0601632834-3600149500
Netto: 4,56 € zzgl. MwSt.
zzgl. 6,90 € Versand (brutto)
einmalig pro Bestellung

Lieferzeit: 5 Werktage

Pos.
85
BOSCH Gewindefurchschraube Ø 3,5x20 MM | Ersatzteile für 1632 VS | 3603415561
Hersteller: BOSCH
Artikelnummer: EB-0601632834-3603415561
nur Informationsartikel
Nie mehr lieferbar
keine Alternativen
Pos.
86
BOSCH Kühlkörper | Ersatzteile für 1632 VS | 3605715500
Hersteller: BOSCH
Artikelnummer: EB-0601632834-3605715500
nur Informationsartikel
Nie mehr lieferbar
keine Alternativen
Pos.
87
BOSCH Sicherungsscheibe DIN 433-5,3-ST | Ersatzteile für 1632 VS | 3600151505
Hersteller: BOSCH
Artikelnummer: EB-0601632834-3600151505
Netto: 4,61 € zzgl. MwSt.
zzgl. 6,90 € Versand (brutto)
einmalig pro Bestellung

Lieferzeit: 5 Werktage

Pos.
88
BOSCH Rillenkugellager 12x32x10 | Ersatzteile für 1632 VS | 1600905007
Hersteller: BOSCH
Artikelnummer: EB-0601632834-1600905007
Netto: 9,63 € zzgl. MwSt.
zzgl. 6,90 € Versand (brutto)
einmalig pro Bestellung

Lieferzeit: 5 Werktage

Pos.
90
BOSCH Stiftkabelschuh | Ersatzteile für 1632 VS | 3608098501
Hersteller: BOSCH
Artikelnummer: EB-0601632834-3608098501
Netto: 4,61 € zzgl. MwSt.
zzgl. 6,90 € Versand (brutto)
einmalig pro Bestellung

Lieferzeit: 5 Werktage

Pos.
91
BOSCH Verbindungsleitung | Ersatzteile für 1632 VS | 3604440524
Hersteller: BOSCH
Artikelnummer: EB-0601632834-3604440524
nur Informationsartikel
Nie mehr lieferbar
keine Alternativen
Pos.
652
BOSCH Winkelschraubendreher DIN 911-4 | Ersatzteile für 1632 VS | 2607950004
Hersteller: BOSCH
Artikelnummer: EB-0601632834-2607950004
Netto: 3,94 € zzgl. MwSt.
zzgl. 6,90 € Versand (brutto)
einmalig pro Bestellung

Lieferzeit: 5 Werktage

Pos.
800
BOSCH Kohlebürstensatz | Ersatzteile für 1632 VS | 3604321518
Hersteller: BOSCH
Artikelnummer: EB-0601632834-3604321518
nur Informationsartikel
Nie mehr lieferbar
keine Alternativen
Pos.
803
BOSCH Getriebegehäuse | Ersatzteile für 1632 VS | 3605806530
Hersteller: BOSCH
Artikelnummer: EB-0601632834-3605806530
nur Informationsartikel
Nie mehr lieferbar
keine Alternativen
Pos.
808
BOSCH Teilesatz | Ersatzteile für 1632 VS | 3607000549
Hersteller: BOSCH
Artikelnummer: EB-0601632834-3607000549
nur Informationsartikel
Nie mehr lieferbar
keine Alternativen
Pos.
810
BOSCH Typschild | Ersatzteile für 1632 VS | 3601119595
Hersteller: BOSCH
Artikelnummer: EB-0601632834-3601119595
Netto: 5,17 € zzgl. MwSt.
zzgl. 6,90 € Versand (brutto)
einmalig pro Bestellung

Lieferzeit: 5 Werktage

Angaben zur Produktsicherheit

Hersteller:
Robert Bosch Power Tools GmbH
Postfach 30 02 20
70442 Stuttgart

E-Mail:
kontakt@bosch.de