BOSCH Handgriff SCHWARZ | Ersatzteile für 1634 VS | 3605133532

Artikelnummer: EB-0601634739-3605133532

Position: 30

Marke: BOSCH


Bitte Kompatibilität prüfen!

Bitte prüfen Sie unbedingt die 10-stellige Typennummer Ihrer Maschine / Ihres Gerätes. Das Ersatzteil ist nur kompatibel, wenn Sie die Typennummer Ihrer Maschine in der unten stehenden Produktbeschreibung finden.

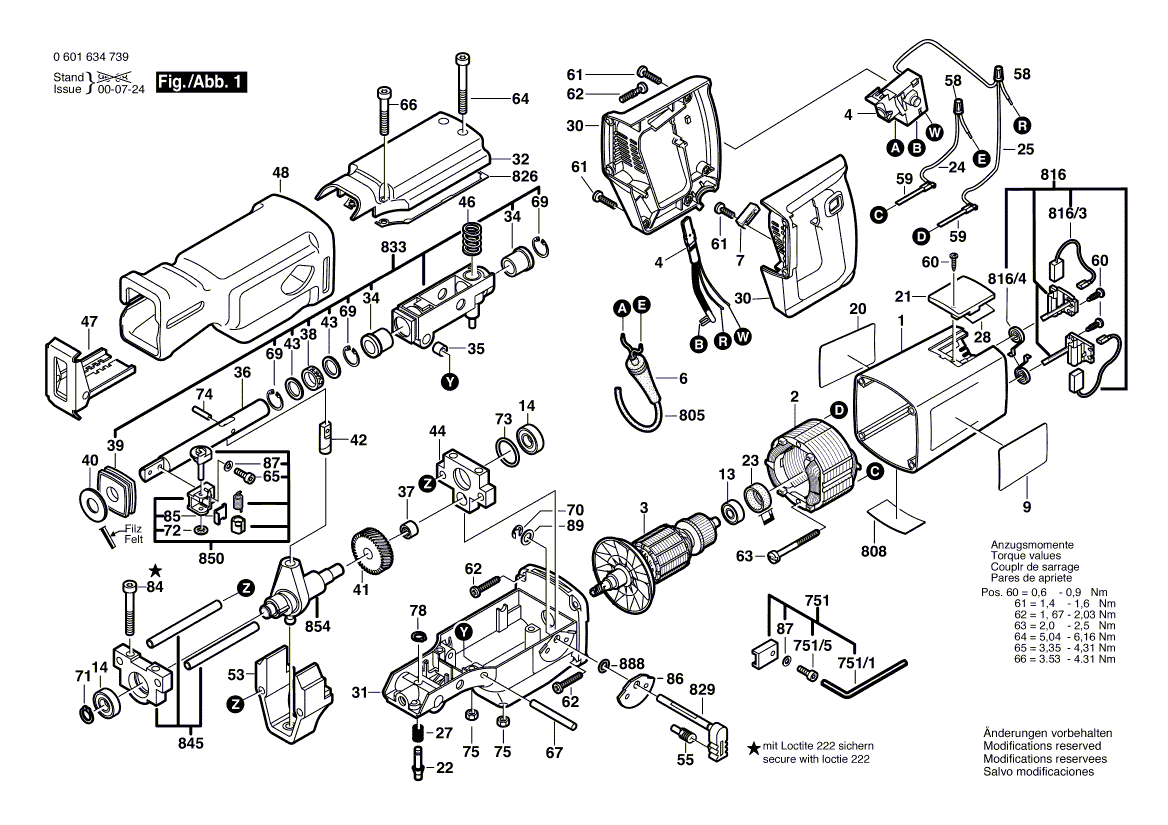
Bitte prüfen Sie ebenfalls detailliert die Explosionszeichnung mit Ihrem Artikelwunsch und der jeweiligen Pos-Nummer.

Alle Elemente, welche vom schwarzen Strich der Pos-Nummer ausgehend berührt / erfasst werden, gehören zu dieser Pos-Nummer und somit zu diesem Artikel. Jede Pos-Nummer ist ein eigenständiger Artikel, welchen Sie in der Auflistung finden.

Sie erhalten stets die aktuellste, neueste Produktversion zu der gewählten Pos-Nummer seitens des Herstellers. Es kann daher je nach Gerätealter vorkommen, dass Sie ggf. weitere, zugehörige Elemente, welche an diese Pos-Nummer grenzen, ebenfalls mittauschen müssen.

Nähere Informationen finden Sie unter dem Link
Hinweise zu Ihrer BOSCH Ersatzteilsuche

Preisübersicht

Einzelpreis: 7,66 €* (Brutto: 9,12 €)
Gesamtpreis: 7,66 €* 
Position:

Lieferzeit: 5 Werktage


Beschreibung

  • Handgriff SCHWARZ
  • Original Bosch Zubehör / BOSCH Ersatzteil (3605133532)
  • im Gerät verbaut: 1
Dieses BOSCH Ersatzteil ist mit folgendem Gerät und Modell kompatibel:
  • BOSCH Gerätename: 1634 VS
  • BOSCH Explosionszeichnung: Position 30
  • BOSCH Typennummer: 0601634739
  • BOSCH Typennummer alternative Schreibweisen: 0 601 634 739, 0601 634 739, 0.601.634.739, 0-601-634-739
    Bitte prüfen Sie diese Typennummer auf Ihrem Gerät um die Kompatibilität des BOSCH Ersatzteils zu gewährleisten.
Weitere BOSCH Ersatzteile des Gerätes 1634 VS (Säbelsäge) mit der Typennummer 0601634739 finden Sie in der nachfolgenden Darstellung und im Dropdown zu Ihrer Auswahl:

Pos.
1
BOSCH Motorgehäuse BLAU | Ersatzteile für 1634 VS | 3605108590
Hersteller: BOSCH
Artikelnummer: EB-0601634739-3605108590
nur Informationsartikel
Nie mehr lieferbar
keine Alternativen
Pos.
751/1
BOSCH Winkelschraubendreher DIN 911-4 | Ersatzteile für 1634 VS | 2607950004
Hersteller: BOSCH
Artikelnummer: EB-0601634739-2607950004
Netto: 3,94 € zzgl. MwSt.
zzgl. 6,90 € Versand (brutto)
einmalig pro Bestellung

Lieferzeit: 5 Werktage

Pos.
751/5
BOSCH Innensechskantschraube DIN 912-M5x12-12.9 | Ersatzteile für 1634 VS | 2910405154
Hersteller: BOSCH
Artikelnummer: EB-0601634739-2910405154
Netto: 3,63 € zzgl. MwSt.
zzgl. 6,90 € Versand (brutto)
einmalig pro Bestellung

Lieferzeit: 5 Werktage

Pos.
816/3
BOSCH Kohlebürstensatz | Ersatzteile für 1634 VS | 2610007957
Hersteller: BOSCH
Artikelnummer: EB-0601634739-2610007957
Netto: 9,95 € zzgl. MwSt.
zzgl. 6,90 € Versand (brutto)
einmalig pro Bestellung

Lieferzeit: 5 Werktage

Pos.
816/4
BOSCH Feder | Ersatzteile für 1634 VS | 3604652501
Hersteller: BOSCH
Artikelnummer: EB-0601634739-3604652501
Netto: 5,17 € zzgl. MwSt.
zzgl. 6,90 € Versand (brutto)
einmalig pro Bestellung

Lieferzeit: 5 Werktage

Pos.
2
BOSCH Polschuh 120V | Ersatzteile für 1634 VS | 2610908679
Hersteller: BOSCH
Artikelnummer: EB-0601634739-2610908679
Netto: 35,89 € zzgl. MwSt.
zzgl. 6,90 € Versand (brutto)
einmalig pro Bestellung

Lieferzeit: 5 Werktage

Pos.
3
BOSCH Anker 115V | Ersatzteile für 1634 VS | 2610908680
Hersteller: BOSCH
Artikelnummer: EB-0601634739-2610908680
Netto: 119,31 € zzgl. MwSt.
zzgl. 6,90 € Versand (brutto)
einmalig pro Bestellung

Lieferzeit: 5 Werktage

Pos.
4
BOSCH Ein/Aus-Schalter | Ersatzteile für 1634 VS | 2610918987
Hersteller: BOSCH
Artikelnummer: EB-0601634739-2610918987
nur Informationsartikel
Nie mehr lieferbar
keine Alternativen
Pos.
6
BOSCH Tülle Ø 8,4 MM | Ersatzteile für 1634 VS | 3600703512
Hersteller: BOSCH
Artikelnummer: EB-0601634739-3600703512
nur Informationsartikel
Nie mehr lieferbar
keine Alternativen
Pos.
7
BOSCH Leitungshalter | Ersatzteile für 1634 VS | 2601035001
Hersteller: BOSCH
Artikelnummer: EB-0601634739-2601035001
Netto: 3,94 € zzgl. MwSt.
zzgl. 6,90 € Versand (brutto)
einmalig pro Bestellung

Lieferzeit: 5 Werktage

Pos.
9
BOSCH Firmenschild | Ersatzteile für 1634 VS | 2610909926
Hersteller: BOSCH
Artikelnummer: EB-0601634739-2610909926
Netto: 5,21 € zzgl. MwSt.
zzgl. 6,90 € Versand (brutto)
einmalig pro Bestellung

Lieferzeit: 5 Werktage

Pos.
13
BOSCH Kugellager | Ersatzteile für 1634 VS | 1619P01511
Hersteller: BOSCH
Artikelnummer: EB-0601634739-1619P01511
Netto: 7,30 € zzgl. MwSt.
zzgl. 6,90 € Versand (brutto)
einmalig pro Bestellung

Lieferzeit: 5 Werktage

Pos.
14
BOSCH Rillenkugellager 12x28x8 | Ersatzteile für 1634 VS | 1900905161
Hersteller: BOSCH
Artikelnummer: EB-0601634739-1900905161
Netto: 19,18 € zzgl. MwSt.
zzgl. 6,90 € Versand (brutto)
einmalig pro Bestellung

Lieferzeit: 5 Werktage

Pos.
20
BOSCH Hinweisschild | Ersatzteile für 1634 VS | 2610968210
Hersteller: BOSCH
Artikelnummer: EB-0601634739-2610968210
nur Informationsartikel
Nie mehr lieferbar
keine Alternativen
Pos.
21
BOSCH Bürstendeckel | Ersatzteile für 1634 VS | 3605500601
Hersteller: BOSCH
Artikelnummer: EB-0601634739-3605500601
nur Informationsartikel
Nie mehr lieferbar
keine Alternativen
Pos.
22
BOSCH Sperrbolzen | Ersatzteile für 1634 VS | 2610908685
Hersteller: BOSCH
Artikelnummer: EB-0601634739-2610908685
nur Informationsartikel
Nie mehr lieferbar
keine Alternativen
Pos.
23
BOSCH Gummibuchse | Ersatzteile für 1634 VS | 3600206501
Hersteller: BOSCH
Artikelnummer: EB-0601634739-3600206501
nur Informationsartikel
Nie mehr lieferbar
keine Alternativen
Pos.
24
BOSCH Verbindungsleitung | Ersatzteile für 1634 VS | 2610908686
Hersteller: BOSCH
Artikelnummer: EB-0601634739-2610908686
Netto: 4,61 € zzgl. MwSt.
zzgl. 6,90 € Versand (brutto)
einmalig pro Bestellung

Lieferzeit: 5 Werktage

Pos.
25
BOSCH Verbindungsleitung | Ersatzteile für 1634 VS | 2610908687
Hersteller: BOSCH
Artikelnummer: EB-0601634739-2610908687
Netto: 4,61 € zzgl. MwSt.
zzgl. 6,90 € Versand (brutto)
einmalig pro Bestellung

Lieferzeit: 5 Werktage

Pos.
27
BOSCH Druckfeder | Ersatzteile für 1634 VS | 2610908689
Hersteller: BOSCH
Artikelnummer: EB-0601634739-2610908689
Netto: 4,61 € zzgl. MwSt.
zzgl. 6,90 € Versand (brutto)
einmalig pro Bestellung

Lieferzeit: 5 Werktage

Pos.
28
BOSCH Isolierplatte | Ersatzteile für 1634 VS | 2610908690
Hersteller: BOSCH
Artikelnummer: EB-0601634739-2610908690
Netto: 4,61 € zzgl. MwSt.
zzgl. 6,90 € Versand (brutto)
einmalig pro Bestellung

Lieferzeit: 5 Werktage

Pos.
30
BOSCH Handgriff SCHWARZ | Ersatzteile für 1634 VS | 3605133532
Hersteller: BOSCH
Artikelnummer: EB-0601634739-3605133532
Netto: 7,66 € zzgl. MwSt.
zzgl. 6,90 € Versand (brutto)
einmalig pro Bestellung

Lieferzeit: 5 Werktage

Pos.
31
BOSCH Gehäuseschale SCHWARZ | Ersatzteile für 1634 VS | 2610908692
Hersteller: BOSCH
Artikelnummer: EB-0601634739-2610908692
Netto: 35,89 € zzgl. MwSt.
zzgl. 6,90 € Versand (brutto)
einmalig pro Bestellung

Lieferzeit: 5 Werktage

Pos.
32
BOSCH Gehäusedeckel | Ersatzteile für 1634 VS | 2610994423
Hersteller: BOSCH
Artikelnummer: EB-0601634739-2610994423
nur Informationsartikel
Nie mehr lieferbar
keine Alternativen
Pos.
34
BOSCH Lagerbuchse | Ersatzteile für 1634 VS | 2610908695
Hersteller: BOSCH
Artikelnummer: EB-0601634739-2610908695
nur Informationsartikel
Nie mehr lieferbar
keine Alternativen
Pos.
35
BOSCH Lagerbuchse | Ersatzteile für 1634 VS | 2610908696
Hersteller: BOSCH
Artikelnummer: EB-0601634739-2610908696
Netto: 6,70 € zzgl. MwSt.
zzgl. 6,90 € Versand (brutto)
einmalig pro Bestellung

Lieferzeit: 5 Werktage

Pos.
36
BOSCH Schubstange | Ersatzteile für 1634 VS | 2610994483
Hersteller: BOSCH
Artikelnummer: EB-0601634739-2610994483
Netto: 32,74 € zzgl. MwSt.
zzgl. 6,90 € Versand (brutto)
einmalig pro Bestellung

Lieferzeit: 5 Werktage

Pos.
37
BOSCH Lagerschale | Ersatzteile für 1634 VS | 2610908698
Hersteller: BOSCH
Artikelnummer: EB-0601634739-2610908698
Netto: 7,76 € zzgl. MwSt.
zzgl. 6,90 € Versand (brutto)
einmalig pro Bestellung

Lieferzeit: 5 Werktage

Pos.
38
BOSCH Filzring | Ersatzteile für 1634 VS | 2610908699
Hersteller: BOSCH
Artikelnummer: EB-0601634739-2610908699
nur Informationsartikel
Nie mehr lieferbar
keine Alternativen
Pos.
39
BOSCH Dichtung | Ersatzteile für 1634 VS | 2610908800
Hersteller: BOSCH
Artikelnummer: EB-0601634739-2610908800
Netto: 6,69 € zzgl. MwSt.
zzgl. 6,90 € Versand (brutto)
einmalig pro Bestellung

Lieferzeit: 5 Werktage

Pos.
40
BOSCH Schutzscheibe | Ersatzteile für 1634 VS | 2610908801
Hersteller: BOSCH
Artikelnummer: EB-0601634739-2610908801
Netto: 4,82 € zzgl. MwSt.
zzgl. 6,90 € Versand (brutto)
einmalig pro Bestellung

Lieferzeit: 5 Werktage

Pos.
41
BOSCH Zahnrad | Ersatzteile für 1634 VS | 2610908802
Hersteller: BOSCH
Artikelnummer: EB-0601634739-2610908802
Netto: 11,41 € zzgl. MwSt.
zzgl. 6,90 € Versand (brutto)
einmalig pro Bestellung

Lieferzeit: 5 Werktage

Pos.
42
BOSCH Optikträger | Ersatzteile für 1634 VS | 2610908803
Hersteller: BOSCH
Artikelnummer: EB-0601634739-2610908803
nur Informationsartikel
Nie mehr lieferbar
keine Alternativen
Pos.
43
BOSCH Schutzscheibe | Ersatzteile für 1634 VS | 2610908804
Hersteller: BOSCH
Artikelnummer: EB-0601634739-2610908804
nur Informationsartikel
Nie mehr lieferbar
keine Alternativen
Pos.
44
BOSCH Lagerbrücke | Ersatzteile für 1634 VS | 2610908805
Hersteller: BOSCH
Artikelnummer: EB-0601634739-2610908805
Netto: 11,92 € zzgl. MwSt.
zzgl. 6,90 € Versand (brutto)
einmalig pro Bestellung

Lieferzeit: 5 Werktage

Pos.
46
BOSCH Druckfeder | Ersatzteile für 1634 VS | 2610908807
Hersteller: BOSCH
Artikelnummer: EB-0601634739-2610908807
Netto: 4,53 € zzgl. MwSt.
zzgl. 6,90 € Versand (brutto)
einmalig pro Bestellung

Lieferzeit: 5 Werktage

Pos.
47
BOSCH Fussplatte | Ersatzteile für 1634 VS | 2610908808
Hersteller: BOSCH
Artikelnummer: EB-0601634739-2610908808
nur Informationsartikel
Nie mehr lieferbar
keine Alternativen
Pos.
48
BOSCH Isoliergehäuse | Ersatzteile für 1634 VS | 2610908809
Hersteller: BOSCH
Artikelnummer: EB-0601634739-2610908809
Netto: 21,23 € zzgl. MwSt.
zzgl. 6,90 € Versand (brutto)
einmalig pro Bestellung

Lieferzeit: 5 Werktage

Pos.
53
BOSCH Ausgleichgewicht | Ersatzteile für 1634 VS | 2610908814
Hersteller: BOSCH
Artikelnummer: EB-0601634739-2610908814
nur Informationsartikel
Nie mehr lieferbar
keine Alternativen
Pos.
55
BOSCH Rastkappe | Ersatzteile für 1634 VS | 2600590006
Hersteller: BOSCH
Artikelnummer: EB-0601634739-2600590006
Netto: 3,94 € zzgl. MwSt.
zzgl. 6,90 € Versand (brutto)
einmalig pro Bestellung

Lieferzeit: 5 Werktage

Pos.
58
BOSCH Stiftkabelschuh | Ersatzteile für 1634 VS | 3608098501
Hersteller: BOSCH
Artikelnummer: EB-0601634739-3608098501
Netto: 4,61 € zzgl. MwSt.
zzgl. 6,90 € Versand (brutto)
einmalig pro Bestellung

Lieferzeit: 5 Werktage

Pos.
59
BOSCH Flachstecker | Ersatzteile für 1634 VS | 1604477005
Hersteller: BOSCH
Artikelnummer: EB-0601634739-1604477005
Netto: 3,94 € zzgl. MwSt.
zzgl. 6,90 € Versand (brutto)
einmalig pro Bestellung

Lieferzeit: 5 Werktage

Pos.
60
BOSCH Torx-Linsenschraube 3x10 | Ersatzteile für 1634 VS | 2603490017
Hersteller: BOSCH
Artikelnummer: EB-0601634739-2603490017
Netto: 4,32 € zzgl. MwSt.
zzgl. 6,90 € Versand (brutto)
einmalig pro Bestellung

Lieferzeit: 5 Werktage

Pos.
61
BOSCH Blechschraube DIN 7981 ST 3,9x19-F-H | Ersatzteile für 1634 VS | 2910611420
Hersteller: BOSCH
Artikelnummer: EB-0601634739-2910611420
nur Informationsartikel
Nie mehr lieferbar
keine Alternativen
Pos.
62
BOSCH Blechschraube DIN 7971-BZ4,2x25 | Ersatzteile für 1634 VS | 2910611029
Hersteller: BOSCH
Artikelnummer: EB-0601634739-2910611029
Netto: 4,56 € zzgl. MwSt.
zzgl. 6,90 € Versand (brutto)
einmalig pro Bestellung

Lieferzeit: 5 Werktage

Pos.
63
BOSCH Blechschraube ST-4,8x57,5-TORX,T20 | Ersatzteile für 1634 VS | 1613435009
Hersteller: BOSCH
Artikelnummer: EB-0601634739-1613435009
Netto: 3,94 € zzgl. MwSt.
zzgl. 6,90 € Versand (brutto)
einmalig pro Bestellung

Lieferzeit: 5 Werktage

Pos.
64
BOSCH Innensechskantschraube DIN 912-M5x55-12.9 | Ersatzteile für 1634 VS | 2910401176
Hersteller: BOSCH
Artikelnummer: EB-0601634739-2910401176
nur Informationsartikel
Nie mehr lieferbar
keine Alternativen
Pos.
65
BOSCH Innensechskantschraube DIN 912-M5X16-8.8 | Ersatzteile für 1634 VS | 2910141158
Hersteller: BOSCH
Artikelnummer: EB-0601634739-2910141158
Netto: 3,60 € zzgl. MwSt.
zzgl. 6,90 € Versand (brutto)
einmalig pro Bestellung

Lieferzeit: 5 Werktage

Pos.
66
BOSCH Innensechskantschraube DIN 912-M5x40-8.8 | Ersatzteile für 1634 VS | 2910141170
Hersteller: BOSCH
Artikelnummer: EB-0601634739-2910141170
Netto: 4,56 € zzgl. MwSt.
zzgl. 6,90 € Versand (brutto)
einmalig pro Bestellung

Lieferzeit: 5 Werktage

Pos.
67
BOSCH Zylinderstift DIN 6325-6m6x60 | Ersatzteile für 1634 VS | 2917530163
Hersteller: BOSCH
Artikelnummer: EB-0601634739-2917530163
nur Informationsartikel
Nie mehr lieferbar
keine Alternativen
Pos.
69
BOSCH Sicherungsring | Ersatzteile für 1634 VS | 2610908818
Hersteller: BOSCH
Artikelnummer: EB-0601634739-2610908818
nur Informationsartikel
Nie mehr lieferbar
keine Alternativen
Pos.
70
BOSCH Sicherungsscheibe | Ersatzteile für 1634 VS | 3600149500
Hersteller: BOSCH
Artikelnummer: EB-0601634739-3600149500
Netto: 4,53 € zzgl. MwSt.
zzgl. 6,90 € Versand (brutto)
einmalig pro Bestellung

Lieferzeit: 5 Werktage

Pos.
71
BOSCH Sicherungsring | Ersatzteile für 1634 VS | 2610908867
Hersteller: BOSCH
Artikelnummer: EB-0601634739-2610908867
Netto: 4,53 € zzgl. MwSt.
zzgl. 6,90 € Versand (brutto)
einmalig pro Bestellung

Lieferzeit: 5 Werktage

Pos.
72
BOSCH Sicherungsring | Ersatzteile für 1634 VS | 2610908819
Hersteller: BOSCH
Artikelnummer: EB-0601634739-2610908819
Netto: 4,53 € zzgl. MwSt.
zzgl. 6,90 € Versand (brutto)
einmalig pro Bestellung

Lieferzeit: 5 Werktage

Pos.
73
BOSCH O-Ring | Ersatzteile für 1634 VS | 2610908820
Hersteller: BOSCH
Artikelnummer: EB-0601634739-2610908820
Netto: 3,63 € zzgl. MwSt.
zzgl. 6,90 € Versand (brutto)
einmalig pro Bestellung

Lieferzeit: 5 Werktage

Pos.
74
BOSCH Zylinderstift DIN 6325-3M6x16 | Ersatzteile für 1634 VS | 2917530079
Hersteller: BOSCH
Artikelnummer: EB-0601634739-2917530079
Netto: 3,63 € zzgl. MwSt.
zzgl. 6,90 € Versand (brutto)
einmalig pro Bestellung

Lieferzeit: 5 Werktage

Pos.
75
BOSCH Sechskantmutter DIN 934-M5-10 | Ersatzteile für 1634 VS | 2915011062
Hersteller: BOSCH
Artikelnummer: EB-0601634739-2915011062
Netto: 3,63 € zzgl. MwSt.
zzgl. 6,90 € Versand (brutto)
einmalig pro Bestellung

Lieferzeit: 5 Werktage

Pos.
78
BOSCH Sicherungsring | Ersatzteile für 1634 VS | 3600119500
Hersteller: BOSCH
Artikelnummer: EB-0601634739-3600119500
Netto: 4,61 € zzgl. MwSt.
zzgl. 6,90 € Versand (brutto)
einmalig pro Bestellung

Lieferzeit: 5 Werktage

Pos.
84
BOSCH Innensechskantschraube | Ersatzteile für 1634 VS | 2610990042
Hersteller: BOSCH
Artikelnummer: EB-0601634739-2610990042
Netto: 4,53 € zzgl. MwSt.
zzgl. 6,90 € Versand (brutto)
einmalig pro Bestellung

Lieferzeit: 5 Werktage

Pos.
85
BOSCH Tellerscheibe | Ersatzteile für 1634 VS | 2610909343
Hersteller: BOSCH
Artikelnummer: EB-0601634739-2610909343
Netto: 7,30 € zzgl. MwSt.
zzgl. 6,90 € Versand (brutto)
einmalig pro Bestellung

Lieferzeit: 5 Werktage

Pos.
86
BOSCH Isolator | Ersatzteile für 1634 VS | 2610911031
Hersteller: BOSCH
Artikelnummer: EB-0601634739-2610911031
Netto: 4,56 € zzgl. MwSt.
zzgl. 6,90 € Versand (brutto)
einmalig pro Bestellung

Lieferzeit: 5 Werktage

Pos.
87
BOSCH Federring DIN 127-B 5 | Ersatzteile für 1634 VS | 2916683006
Hersteller: BOSCH
Artikelnummer: EB-0601634739-2916683006
Netto: 3,94 € zzgl. MwSt.
zzgl. 6,90 € Versand (brutto)
einmalig pro Bestellung

Lieferzeit: 5 Werktage

Pos.
89
BOSCH Vorlegscheibe | Ersatzteile für 1634 VS | 2610990026
Hersteller: BOSCH
Artikelnummer: EB-0601634739-2610990026
Netto: 4,53 € zzgl. MwSt.
zzgl. 6,90 € Versand (brutto)
einmalig pro Bestellung

Lieferzeit: 5 Werktage

Pos.
751
BOSCH Messerhalter | Ersatzteile für 1634 VS | 2610908852
Hersteller: BOSCH
Artikelnummer: EB-0601634739-2610908852
nur Informationsartikel
Nie mehr lieferbar
keine Alternativen
Pos.
805
BOSCH Netzanschlussleitung USA/CDN 3,275m 2 x 1,32mm SJ 16/2 | Ersatzteile für 1634 VS | 3604460514
Hersteller: BOSCH
Artikelnummer: EB-0601634739-3604460514
Netto: 15,75 € zzgl. MwSt.
zzgl. 6,90 € Versand (brutto)
einmalig pro Bestellung

Lieferzeit: 5 Werktage

Pos.
808
BOSCH Typschild | Ersatzteile für 1634 VS | 3601119595
Hersteller: BOSCH
Artikelnummer: EB-0601634739-3601119595
Netto: 5,19 € zzgl. MwSt.
zzgl. 6,90 € Versand (brutto)
einmalig pro Bestellung

Lieferzeit: 5 Werktage

Pos.
816
BOSCH Bürstenhalter | Ersatzteile für 1634 VS | 3604336506
Hersteller: BOSCH
Artikelnummer: EB-0601634739-3604336506
nur Informationsartikel
Nie mehr lieferbar
keine Alternativen
Pos.
826
BOSCH Dichtplatte | Ersatzteile für 1634 VS | 2610908688
Hersteller: BOSCH
Artikelnummer: EB-0601634739-2610908688
Netto: 17,38 € zzgl. MwSt.
zzgl. 6,90 € Versand (brutto)
einmalig pro Bestellung

Lieferzeit: 5 Werktage

Pos.
829
BOSCH Ersatzteilsatz | Ersatzteile für 1634 VS | 2610992459
Hersteller: BOSCH
Artikelnummer: EB-0601634739-2610992459
Netto: 11,92 € zzgl. MwSt.
zzgl. 6,90 € Versand (brutto)
einmalig pro Bestellung

Lieferzeit: 5 Werktage

Pos.
833
BOSCH Lagergehäuse | Ersatzteile für 1634 VS | 2610908862
Hersteller: BOSCH
Artikelnummer: EB-0601634739-2610908862
nur Informationsartikel
Nie mehr lieferbar
keine Alternativen
Pos.
845
BOSCH Lagerbrücke | Ersatzteile für 1634 VS | 2610908863
Hersteller: BOSCH
Artikelnummer: EB-0601634739-2610908863
Netto: 39,11 € zzgl. MwSt.
zzgl. 6,90 € Versand (brutto)
einmalig pro Bestellung

Lieferzeit: 5 Werktage

Pos.
850
BOSCH Messerhalter | Ersatzteile für 1634 VS | 2610908866
Hersteller: BOSCH
Artikelnummer: EB-0601634739-2610908866
Netto: 29,45 € zzgl. MwSt.
zzgl. 6,90 € Versand (brutto)
einmalig pro Bestellung

Lieferzeit: 5 Werktage

Pos.
854
BOSCH Taumelscheibe | Ersatzteile für 1634 VS | 2610991390
Hersteller: BOSCH
Artikelnummer: EB-0601634739-2610991390
nur Informationsartikel
Nie mehr lieferbar
keine Alternativen
Pos.
888
BOSCH Ersatzteilsatz | Ersatzteile für 1634 VS | 2610992462
Hersteller: BOSCH
Artikelnummer: EB-0601634739-2610992462
Netto: 4,53 € zzgl. MwSt.
zzgl. 6,90 € Versand (brutto)
einmalig pro Bestellung

Lieferzeit: 5 Werktage

Angaben zur Produktsicherheit

Hersteller:
Robert Bosch Power Tools GmbH
Postfach 30 02 20
70442 Stuttgart

E-Mail:
kontakt@bosch.de