BOSCH Schraube | Ersatzteile für 1638 | 1619P01446

Artikelnummer: EB-0601638039-1619P01446

Position: 62

Marke: BOSCH


Bitte Kompatibilität prüfen!

Bitte prüfen Sie unbedingt die 10-stellige Typennummer Ihrer Maschine / Ihres Gerätes. Das Ersatzteil ist nur kompatibel, wenn Sie die Typennummer Ihrer Maschine in der unten stehenden Produktbeschreibung finden.

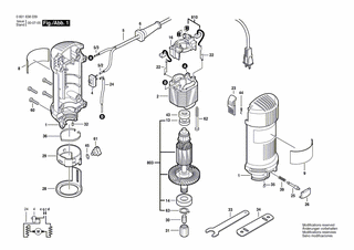
Bitte prüfen Sie ebenfalls detailliert die Explosionszeichnung mit Ihrem Artikelwunsch und der jeweiligen Pos-Nummer.

Alle Elemente, welche vom schwarzen Strich der Pos-Nummer ausgehend berührt / erfasst werden, gehören zu dieser Pos-Nummer und somit zu diesem Artikel. Jede Pos-Nummer ist ein eigenständiger Artikel, welchen Sie in der Auflistung finden.

Sie erhalten stets die aktuellste, neueste Produktversion zu der gewählten Pos-Nummer seitens des Herstellers. Es kann daher je nach Gerätealter vorkommen, dass Sie ggf. weitere, zugehörige Elemente, welche an diese Pos-Nummer grenzen, ebenfalls mittauschen müssen.

Nähere Informationen finden Sie unter dem Link
Hinweise zu Ihrer BOSCH Ersatzteilsuche

Preisübersicht

Einzelpreis: 3,63 €* (Brutto: 4,32 €)
Gesamtpreis: 3,63 €* 
Position:

Lieferzeit: 5 Werktage


Beschreibung

  • Schraube
  • Original Bosch Zubehör / BOSCH Ersatzteil (1619P01446)
  • im Gerät verbaut: 1
Dieses BOSCH Ersatzteil ist mit folgendem Gerät und Modell kompatibel:
  • BOSCH Gerätename: 1638
  • BOSCH Explosionszeichnung: Position 62
  • BOSCH Typennummer: 0601638039
  • BOSCH Typennummer alternative Schreibweisen: 0 601 638 039, 0601 638 039, 0.601.638.039, 0-601-638-039
    Bitte prüfen Sie diese Typennummer auf Ihrem Gerät um die Kompatibilität des BOSCH Ersatzteils zu gewährleisten.
Weitere BOSCH Ersatzteile des Gerätes 1638 (Oberfräse) mit der Typennummer 0601638039 finden Sie in der nachfolgenden Darstellung und im Dropdown zu Ihrer Auswahl:

Pos.
1
BOSCH Gerätegehäuse | Ersatzteile für 1638 | 2610909220
Hersteller: BOSCH
Artikelnummer: EB-0601638039-2610909220
nur Informationsartikel
Nie mehr lieferbar
keine Alternativen
Pos.
5/2
BOSCH Anschlussklemme | Ersatzteile für 1638 | 2615306005
Hersteller: BOSCH
Artikelnummer: EB-0601638039-2615306005
nur Informationsartikel
Nie mehr lieferbar
keine Alternativen
Pos.
5/3
BOSCH Anschlussklemme | Ersatzteile für 1638 | 2610315756
Hersteller: BOSCH
Artikelnummer: EB-0601638039-2610315756
nur Informationsartikel
Nie mehr lieferbar
keine Alternativen
Pos.
2
BOSCH Ständer 120V | Ersatzteile für 1638 | 2610910726
Hersteller: BOSCH
Artikelnummer: EB-0601638039-2610910726
nur Informationsartikel
Nie mehr lieferbar
keine Alternativen
Pos.
4
BOSCH Ein/Aus-Schalter | Ersatzteile für 1638 | 2610996245
Hersteller: BOSCH
Artikelnummer: EB-0601638039-2610996245
nur Informationsartikel
Nie mehr lieferbar
keine Alternativen
Pos.
5
BOSCH Netzanschlussleitung USA/CDN 2,15m 2 x 0,82mm SJ 18/2 | Ersatzteile für 1638 | 3604460555
Hersteller: BOSCH
Artikelnummer: EB-0601638039-3604460555
Netto: 10,62 € zzgl. MwSt.
zzgl. 6,90 € Versand (brutto)
einmalig pro Bestellung

Lieferzeit: 5 Werktage

Pos.
6
BOSCH Tülle | Ersatzteile für 1638 | 2610313327
Hersteller: BOSCH
Artikelnummer: EB-0601638039-2610313327
nur Informationsartikel
Nie mehr lieferbar
keine Alternativen
Pos.
8
BOSCH Typschild | Ersatzteile für 1638 | 2610911747
Hersteller: BOSCH
Artikelnummer: EB-0601638039-2610911747
nur Informationsartikel
Nie mehr lieferbar
keine Alternativen
Pos.
9
BOSCH Klebeschild | Ersatzteile für 1638 | 2610911746
Hersteller: BOSCH
Artikelnummer: EB-0601638039-2610911746
nur Informationsartikel
Nie mehr lieferbar
keine Alternativen
Pos.
13
BOSCH Kugellager | Ersatzteile für 1638 | 2610351861
Hersteller: BOSCH
Artikelnummer: EB-0601638039-2610351861
nur Informationsartikel
Nie mehr lieferbar
keine Alternativen
Pos.
14
BOSCH Kugellager | Ersatzteile für 1638 | 2610968044
Hersteller: BOSCH
Artikelnummer: EB-0601638039-2610968044
nur Informationsartikel
Nie mehr lieferbar
keine Alternativen
Pos.
16
BOSCH Bürstenhalter | Ersatzteile für 1638 | 2610909210
Hersteller: BOSCH
Artikelnummer: EB-0601638039-2610909210
nur Informationsartikel
Nie mehr lieferbar
keine Alternativen
Pos.
22
BOSCH Anschlussklemme | Ersatzteile für 1638 | 2610909211
Hersteller: BOSCH
Artikelnummer: EB-0601638039-2610909211
nur Informationsartikel
Nie mehr lieferbar
keine Alternativen
Pos.
23
BOSCH Schalterknopf | Ersatzteile für 1638 | 2610909204
Hersteller: BOSCH
Artikelnummer: EB-0601638039-2610909204
Netto: 5,65 € zzgl. MwSt.
zzgl. 6,90 € Versand (brutto)
einmalig pro Bestellung

Lieferzeit: 5 Werktage

Pos.
24
BOSCH Verbindungsleitung 65mm | Ersatzteile für 1638 | 2610038127
Hersteller: BOSCH
Artikelnummer: EB-0601638039-2610038127
nur Informationsartikel
Nie mehr lieferbar
keine Alternativen
Pos.
25
BOSCH Rastbolzen | Ersatzteile für 1638 | 2610909200
Hersteller: BOSCH
Artikelnummer: EB-0601638039-2610909200
nur Informationsartikel
Nie mehr lieferbar
keine Alternativen
Pos.
26
BOSCH Druckknopf | Ersatzteile für 1638 | 2610909249
Hersteller: BOSCH
Artikelnummer: EB-0601638039-2610909249
nur Informationsartikel
Nie mehr lieferbar
keine Alternativen
Pos.
28
BOSCH Platte | Ersatzteile für 1638 | 2610905506
Hersteller: BOSCH
Artikelnummer: EB-0601638039-2610905506
nur Informationsartikel
Nie mehr lieferbar
keine Alternativen
Pos.
29
BOSCH Bügelhalter | Ersatzteile für 1638 | 2610905507
Hersteller: BOSCH
Artikelnummer: EB-0601638039-2610905507
Netto: 7,26 € zzgl. MwSt.
zzgl. 6,90 € Versand (brutto)
einmalig pro Bestellung

Lieferzeit: 5 Werktage

Pos.
30
BOSCH Spannzange 1/8" | Ersatzteile für 1638 | 2615295093
Hersteller: BOSCH
Artikelnummer: EB-0601638039-2615295093
nur Informationsartikel
Nie mehr lieferbar
keine Alternativen
Pos.
31
BOSCH Mutter | Ersatzteile für 1638 | 2610909214
Hersteller: BOSCH
Artikelnummer: EB-0601638039-2610909214
nur Informationsartikel
Nie mehr lieferbar
keine Alternativen
Pos.
32
BOSCH Stift | Ersatzteile für 1638 | 2610350103
Hersteller: BOSCH
Artikelnummer: EB-0601638039-2610350103
Netto: 3,94 € zzgl. MwSt.
zzgl. 6,90 € Versand (brutto)
einmalig pro Bestellung

Lieferzeit: 5 Werktage

Pos.
33
BOSCH Einstellschlüssel | Ersatzteile für 1638 | 2610909215
Hersteller: BOSCH
Artikelnummer: EB-0601638039-2610909215
nur Informationsartikel
Nie mehr lieferbar
keine Alternativen
Pos.
34
BOSCH Halterung | Ersatzteile für 1638 | 2610909216
Hersteller: BOSCH
Artikelnummer: EB-0601638039-2610909216
Netto: 3,94 € zzgl. MwSt.
zzgl. 6,90 € Versand (brutto)
einmalig pro Bestellung

Lieferzeit: 5 Werktage

Pos.
35
BOSCH Aufnahmering | Ersatzteile für 1638 | 2610909201
Hersteller: BOSCH
Artikelnummer: EB-0601638039-2610909201
Netto: 3,94 € zzgl. MwSt.
zzgl. 6,90 € Versand (brutto)
einmalig pro Bestellung

Lieferzeit: 5 Werktage

Pos.
36
BOSCH Feder | Ersatzteile für 1638 | 2610909219
Hersteller: BOSCH
Artikelnummer: EB-0601638039-2610909219
nur Informationsartikel
Nie mehr lieferbar
keine Alternativen
Pos.
39
BOSCH Druckfeder | Ersatzteile für 1638 | 2610909202
Hersteller: BOSCH
Artikelnummer: EB-0601638039-2610909202
nur Informationsartikel
Nie mehr lieferbar
keine Alternativen
Pos.
43
BOSCH Gummiring | Ersatzteile für 1638 | 1619P01127
Hersteller: BOSCH
Artikelnummer: EB-0601638039-1619P01127
Netto: 3,60 € zzgl. MwSt.
zzgl. 6,90 € Versand (brutto)
einmalig pro Bestellung

Lieferzeit: 5 Werktage

Pos.
43
BOSCH Manschette | Ersatzteile für 1638 | 2610968477
Hersteller: BOSCH
Artikelnummer: EB-0601638039-2610968477
nur Informationsartikel
Nie mehr lieferbar
keine Alternativen
Pos.
44
BOSCH Bügelfeder | Ersatzteile für 1638 | 2610968475
Hersteller: BOSCH
Artikelnummer: EB-0601638039-2610968475
Netto: 3,95 € zzgl. MwSt.
zzgl. 6,90 € Versand (brutto)
einmalig pro Bestellung

Lieferzeit: 5 Werktage

Pos.
45
BOSCH Sicherungsscheibe | Ersatzteile für 1638 | 2615308007
Hersteller: BOSCH
Artikelnummer: EB-0601638039-2615308007
nur Informationsartikel
Nie mehr lieferbar
keine Alternativen
Pos.
60
BOSCH Schraube | Ersatzteile für 1638 | 1619X00504
Hersteller: BOSCH
Artikelnummer: EB-0601638039-1619X00504
Netto: 3,60 € zzgl. MwSt.
zzgl. 6,90 € Versand (brutto)
einmalig pro Bestellung

Lieferzeit: 5 Werktage

Pos.
61
BOSCH Knopf | Ersatzteile für 1638 | 2610909218
Hersteller: BOSCH
Artikelnummer: EB-0601638039-2610909218
nur Informationsartikel
Nie mehr lieferbar
keine Alternativen
Pos.
62
BOSCH Schraube | Ersatzteile für 1638 | 1619P01446
Hersteller: BOSCH
Artikelnummer: EB-0601638039-1619P01446
Netto: 3,60 € zzgl. MwSt.
zzgl. 6,90 € Versand (brutto)
einmalig pro Bestellung

Lieferzeit: 5 Werktage

Pos.
63
BOSCH Sicherungsbügel DIN 471-15x1-FSt | Ersatzteile für 1638 | 2916650006
Hersteller: BOSCH
Artikelnummer: EB-0601638039-2916650006
Netto: 3,94 € zzgl. MwSt.
zzgl. 6,90 € Versand (brutto)
einmalig pro Bestellung

Lieferzeit: 5 Werktage

Pos.
803
BOSCH Anker 120V | Ersatzteile für 1638 | 2610909243
Hersteller: BOSCH
Artikelnummer: EB-0601638039-2610909243
nur Informationsartikel
Nie mehr lieferbar
keine Alternativen
Pos.
810
BOSCH Kohlebürstensatz | Ersatzteile für 1638 | 2610353931
Hersteller: BOSCH
Artikelnummer: EB-0601638039-2610353931
Netto: 9,05 € zzgl. MwSt.
zzgl. 6,90 € Versand (brutto)
einmalig pro Bestellung

Lieferzeit: 5 Werktage

Angaben zur Produktsicherheit

Hersteller:
Robert Bosch Power Tools GmbH
Postfach 30 02 20
70442 Stuttgart

E-Mail:
kontakt@bosch.de