BOSCH Federring DIN 127-B 5 | Ersatzteile für 1644 | 2916683006

Artikelnummer: EB-0601644739-2916683006

Position: 65

Marke: BOSCH


Bitte Kompatibilität prüfen!

Bitte prüfen Sie unbedingt die 10-stellige Typennummer Ihrer Maschine / Ihres Gerätes. Das Ersatzteil ist nur kompatibel, wenn Sie die Typennummer Ihrer Maschine in der unten stehenden Produktbeschreibung finden.

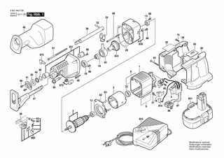
Bitte prüfen Sie ebenfalls detailliert die Explosionszeichnung mit Ihrem Artikelwunsch und der jeweiligen Pos-Nummer.

Alle Elemente, welche vom schwarzen Strich der Pos-Nummer ausgehend berührt / erfasst werden, gehören zu dieser Pos-Nummer und somit zu diesem Artikel. Jede Pos-Nummer ist ein eigenständiger Artikel, welchen Sie in der Auflistung finden.

Sie erhalten stets die aktuellste, neueste Produktversion zu der gewählten Pos-Nummer seitens des Herstellers. Es kann daher je nach Gerätealter vorkommen, dass Sie ggf. weitere, zugehörige Elemente, welche an diese Pos-Nummer grenzen, ebenfalls mittauschen müssen.

Nähere Informationen finden Sie unter dem Link
Hinweise zu Ihrer BOSCH Ersatzteilsuche

Preisübersicht

Einzelpreis: 3,94 €* (Brutto: 4,69 €)
Gesamtpreis: 3,94 €* 
Position:

Lieferzeit: 5 Werktage


Beschreibung

  • Federring DIN 127-B 5
  • Original Bosch Zubehör / BOSCH Ersatzteil (2916683006)
  • im Gerät verbaut: 1
Dieses BOSCH Ersatzteil ist mit folgendem Gerät und Modell kompatibel:
  • BOSCH Gerätename: 1644
  • BOSCH Explosionszeichnung: Position 65
  • BOSCH Typennummer: 0601644739
  • BOSCH Typennummer alternative Schreibweisen: 0 601 644 739, 0601 644 739, 0.601.644.739, 0-601-644-739
    Bitte prüfen Sie diese Typennummer auf Ihrem Gerät um die Kompatibilität des BOSCH Ersatzteils zu gewährleisten.
Weitere BOSCH Ersatzteile des Gerätes 1644 (Säbelsäge) mit der Typennummer 0601644739 finden Sie in der nachfolgenden Darstellung und im Dropdown zu Ihrer Auswahl:

Pos.
1
BOSCH Motorgehäuse | Ersatzteile für 1644 | 2610995800
Hersteller: BOSCH
Artikelnummer: EB-0601644739-2610995800
Netto: 14,92 € zzgl. MwSt.
zzgl. 6,90 € Versand (brutto)
einmalig pro Bestellung

Lieferzeit: 5 Werktage

Pos.
2
BOSCH Polgehäuse 14,4-24V | Ersatzteile für 1644 | 2610942109
Hersteller: BOSCH
Artikelnummer: EB-0601644739-2610942109
Netto: 19,18 € zzgl. MwSt.
zzgl. 6,90 € Versand (brutto)
einmalig pro Bestellung

Lieferzeit: 5 Werktage

Pos.
3
BOSCH Anker | Ersatzteile für 1644 | 2610909089
Hersteller: BOSCH
Artikelnummer: EB-0601644739-2610909089
nur Informationsartikel
Nie mehr lieferbar
keine Alternativen
Pos.
4
BOSCH Ein/Aus-Schalter | Ersatzteile für 1644 | 2610995801
Hersteller: BOSCH
Artikelnummer: EB-0601644739-2610995801
nur Informationsartikel
Nie mehr lieferbar
keine Alternativen
Pos.
8
BOSCH Typschild | Ersatzteile für 1644 | 2610997888
Hersteller: BOSCH
Artikelnummer: EB-0601644739-2610997888
nur Informationsartikel
Nie mehr lieferbar
keine Alternativen
Pos.
9
BOSCH Firmenschild | Ersatzteile für 1644 | 2610997890
Hersteller: BOSCH
Artikelnummer: EB-0601644739-2610997890
nur Informationsartikel
Nie mehr lieferbar
keine Alternativen
Pos.
13
BOSCH Kugellager | Ersatzteile für 1644 | 1619P01511
Hersteller: BOSCH
Artikelnummer: EB-0601644739-1619P01511
Netto: 7,30 € zzgl. MwSt.
zzgl. 6,90 € Versand (brutto)
einmalig pro Bestellung

Lieferzeit: 5 Werktage

Pos.
16
BOSCH Bürstenhalter | Ersatzteile für 1644 | 2610995803
Hersteller: BOSCH
Artikelnummer: EB-0601644739-2610995803
Netto: 5,13 € zzgl. MwSt.
zzgl. 6,90 € Versand (brutto)
einmalig pro Bestellung

Lieferzeit: 5 Werktage

Pos.
19
BOSCH Schraube ST3,9x19 | Ersatzteile für 1644 | 2610315386
Hersteller: BOSCH
Artikelnummer: EB-0601644739-2610315386
Netto: 3,94 € zzgl. MwSt.
zzgl. 6,90 € Versand (brutto)
einmalig pro Bestellung

Lieferzeit: 5 Werktage

Pos.
20
BOSCH Etikett | Ersatzteile für 1644 | 2610997886
Hersteller: BOSCH
Artikelnummer: EB-0601644739-2610997886
nur Informationsartikel
Nie mehr lieferbar
keine Alternativen
Pos.
21
BOSCH Spiralfeder | Ersatzteile für 1644 | 1619P14306
Hersteller: BOSCH
Artikelnummer: EB-0601644739-1619P14306
nur Informationsartikel
Nie mehr lieferbar
keine Alternativen
Pos.
22
BOSCH Unterlegscheibe | Ersatzteile für 1644 | 2610990845
Hersteller: BOSCH
Artikelnummer: EB-0601644739-2610990845
Netto: 3,94 € zzgl. MwSt.
zzgl. 6,90 € Versand (brutto)
einmalig pro Bestellung

Lieferzeit: 5 Werktage

Pos.
28
BOSCH Handgriff | Ersatzteile für 1644 | 2610917458
Hersteller: BOSCH
Artikelnummer: EB-0601644739-2610917458
Netto: 12,98 € zzgl. MwSt.
zzgl. 6,90 € Versand (brutto)
einmalig pro Bestellung

Lieferzeit: 5 Werktage

Pos.
29
BOSCH Dichtscheibe | Ersatzteile für 1644 | 2610995849
Hersteller: BOSCH
Artikelnummer: EB-0601644739-2610995849
Netto: 5,65 € zzgl. MwSt.
zzgl. 6,90 € Versand (brutto)
einmalig pro Bestellung

Lieferzeit: 5 Werktage

Pos.
32
BOSCH Zylinderstift DIN 6325-4M6x24 | Ersatzteile für 1644 | 2917530101
Hersteller: BOSCH
Artikelnummer: EB-0601644739-2917530101
nur Informationsartikel
Nie mehr lieferbar
keine Alternativen
Pos.
33
BOSCH Gabel | Ersatzteile für 1644 | 2610995810
Hersteller: BOSCH
Artikelnummer: EB-0601644739-2610995810
Netto: 52,14 € zzgl. MwSt.
zzgl. 6,90 € Versand (brutto)
einmalig pro Bestellung

Lieferzeit: 5 Werktage

Pos.
36
BOSCH Schubstange | Ersatzteile für 1644 | 2610912954
Hersteller: BOSCH
Artikelnummer: EB-0601644739-2610912954
Netto: 32,74 € zzgl. MwSt.
zzgl. 6,90 € Versand (brutto)
einmalig pro Bestellung

Lieferzeit: 5 Werktage

Pos.
38
BOSCH Haltering | Ersatzteile für 1644 | 2610027867
Hersteller: BOSCH
Artikelnummer: EB-0601644739-2610027867
Netto: 5,59 € zzgl. MwSt.
zzgl. 6,90 € Versand (brutto)
einmalig pro Bestellung

Lieferzeit: 5 Werktage

Pos.
39
BOSCH Filzring SP 14,0 | Ersatzteile für 1644 | 2610030004
Hersteller: BOSCH
Artikelnummer: EB-0601644739-2610030004
Netto: 4,32 € zzgl. MwSt.
zzgl. 6,90 € Versand (brutto)
einmalig pro Bestellung

Lieferzeit: 5 Werktage

Pos.
40
BOSCH Wellendichtung | Ersatzteile für 1644 | 2610995815
Hersteller: BOSCH
Artikelnummer: EB-0601644739-2610995815
Netto: 9,18 € zzgl. MwSt.
zzgl. 6,90 € Versand (brutto)
einmalig pro Bestellung

Lieferzeit: 5 Werktage

Pos.
41
BOSCH Lagerdeckel | Ersatzteile für 1644 | 2610995816
Hersteller: BOSCH
Artikelnummer: EB-0601644739-2610995816
Netto: 8,13 € zzgl. MwSt.
zzgl. 6,90 € Versand (brutto)
einmalig pro Bestellung

Lieferzeit: 5 Werktage

Pos.
47
BOSCH Fussplatte | Ersatzteile für 1644 | 2610995821
Hersteller: BOSCH
Artikelnummer: EB-0601644739-2610995821
nur Informationsartikel
Nie mehr lieferbar
keine Alternativen
Pos.
48
BOSCH Isolierkappe | Ersatzteile für 1644 | 2610995826
Hersteller: BOSCH
Artikelnummer: EB-0601644739-2610995826
Netto: 35,77 € zzgl. MwSt.
zzgl. 6,90 € Versand (brutto)
einmalig pro Bestellung

Lieferzeit: 5 Werktage

Pos.
50
BOSCH Taumelscheibe | Ersatzteile für 1644 | 2610995840
Hersteller: BOSCH
Artikelnummer: EB-0601644739-2610995840
Netto: 66,09 € zzgl. MwSt.
zzgl. 6,90 € Versand (brutto)
einmalig pro Bestellung

Lieferzeit: 5 Werktage

Pos.
54
BOSCH Manschette | Ersatzteile für 1644 | 2610995827
Hersteller: BOSCH
Artikelnummer: EB-0601644739-2610995827
Netto: 8,33 € zzgl. MwSt.
zzgl. 6,90 € Versand (brutto)
einmalig pro Bestellung

Lieferzeit: 5 Werktage

Pos.
55
BOSCH Rillenkugellager | Ersatzteile für 1644 | 2610015361
Hersteller: BOSCH
Artikelnummer: EB-0601644739-2610015361
Netto: 14,36 € zzgl. MwSt.
zzgl. 6,90 € Versand (brutto)
einmalig pro Bestellung

Lieferzeit: 5 Werktage

Pos.
56
BOSCH Bolzen | Ersatzteile für 1644 | 2610995829
Hersteller: BOSCH
Artikelnummer: EB-0601644739-2610995829
Netto: 9,18 € zzgl. MwSt.
zzgl. 6,90 € Versand (brutto)
einmalig pro Bestellung

Lieferzeit: 5 Werktage

Pos.
65
BOSCH Federring DIN 127-B 5 | Ersatzteile für 1644 | 2916683006
Hersteller: BOSCH
Artikelnummer: EB-0601644739-2916683006
Netto: 3,94 € zzgl. MwSt.
zzgl. 6,90 € Versand (brutto)
einmalig pro Bestellung

Lieferzeit: 5 Werktage

Pos.
66
BOSCH Innensechskantschraube M 5x10 | Ersatzteile für 1644 | 2910131152
Hersteller: BOSCH
Artikelnummer: EB-0601644739-2910131152
Netto: 4,32 € zzgl. MwSt.
zzgl. 6,90 € Versand (brutto)
einmalig pro Bestellung

Lieferzeit: 5 Werktage

Pos.
82
BOSCH Umlenkblech | Ersatzteile für 1644 | 2610995833
Hersteller: BOSCH
Artikelnummer: EB-0601644739-2610995833
Netto: 7,76 € zzgl. MwSt.
zzgl. 6,90 € Versand (brutto)
einmalig pro Bestellung

Lieferzeit: 5 Werktage

Pos.
83
BOSCH Gummipuffer | Ersatzteile für 1644 | 3602391503
Hersteller: BOSCH
Artikelnummer: EB-0601644739-3602391503
nur Informationsartikel
Nie mehr lieferbar
keine Alternativen
Pos.
85
BOSCH Wechselschalter | Ersatzteile für 1644 | 2610995835
Hersteller: BOSCH
Artikelnummer: EB-0601644739-2610995835
nur Informationsartikel
Nie mehr lieferbar
keine Alternativen
Pos.
86
BOSCH Kontakthalter | Ersatzteile für 1644 | 1609280362
Hersteller: BOSCH
Artikelnummer: EB-0601644739-1609280362
Netto: 29,45 € zzgl. MwSt.
zzgl. 6,90 € Versand (brutto)
einmalig pro Bestellung

Lieferzeit: 5 Werktage

Pos.
87
BOSCH Kabel | Ersatzteile für 1644 | 2610907407
Hersteller: BOSCH
Artikelnummer: EB-0601644739-2610907407
Netto: 5,59 € zzgl. MwSt.
zzgl. 6,90 € Versand (brutto)
einmalig pro Bestellung

Lieferzeit: 5 Werktage

Pos.
88
BOSCH Schraube | Ersatzteile für 1644 | 2610907504
Hersteller: BOSCH
Artikelnummer: EB-0601644739-2610907504
Netto: 4,32 € zzgl. MwSt.
zzgl. 6,90 € Versand (brutto)
einmalig pro Bestellung

Lieferzeit: 5 Werktage

Pos.
89
BOSCH Blechschraube | Ersatzteile für 1644 | 2610991306
Hersteller: BOSCH
Artikelnummer: EB-0601644739-2610991306
Netto: 3,94 € zzgl. MwSt.
zzgl. 6,90 € Versand (brutto)
einmalig pro Bestellung

Lieferzeit: 5 Werktage

Pos.
90
BOSCH Blechschraube | Ersatzteile für 1644 | 2610908547
Hersteller: BOSCH
Artikelnummer: EB-0601644739-2610908547
nur Informationsartikel
Nie mehr lieferbar
keine Alternativen
Pos.
91
BOSCH Blechschraube | Ersatzteile für 1644 | 2610995848
Hersteller: BOSCH
Artikelnummer: EB-0601644739-2610995848
nur Informationsartikel
Nie mehr lieferbar
keine Alternativen
Pos.
93
BOSCH Schraube | Ersatzteile für 1644 | 1619P01446
Hersteller: BOSCH
Artikelnummer: EB-0601644739-1619P01446
Netto: 3,63 € zzgl. MwSt.
zzgl. 6,90 € Versand (brutto)
einmalig pro Bestellung

Lieferzeit: 5 Werktage

Pos.
95
BOSCH Blechschraube | Ersatzteile für 1644 | 2610914920
Hersteller: BOSCH
Artikelnummer: EB-0601644739-2610914920
Netto: 3,63 € zzgl. MwSt.
zzgl. 6,90 € Versand (brutto)
einmalig pro Bestellung

Lieferzeit: 5 Werktage

Pos.
96
BOSCH Schraube | Ersatzteile für 1644 | 1619P01491
Hersteller: BOSCH
Artikelnummer: EB-0601644739-1619P01491
Netto: 3,63 € zzgl. MwSt.
zzgl. 6,90 € Versand (brutto)
einmalig pro Bestellung

Lieferzeit: 5 Werktage

Pos.
651
BOSCH Akku-Paket 18V,2,4Ah, HD | Ersatzteile für 1644 | 2607335717
Hersteller: BOSCH
Artikelnummer: EB-0601644739-2607335717
Netto: 185,46 € zzgl. MwSt.
zzgl. 6,90 € Versand (brutto)
einmalig pro Bestellung

Lieferzeit: 5 Werktage

Pos.
810
BOSCH Kohlebürstensatz | Ersatzteile für 1644 | 2610918932
Hersteller: BOSCH
Artikelnummer: EB-0601644739-2610918932
nur Informationsartikel
Nie mehr lieferbar
keine Alternativen
Pos.
830
BOSCH Lagerplatte | Ersatzteile für 1644 | 2610995813
Hersteller: BOSCH
Artikelnummer: EB-0601644739-2610995813
Netto: 70,50 € zzgl. MwSt.
zzgl. 6,90 € Versand (brutto)
einmalig pro Bestellung

Lieferzeit: 5 Werktage

Pos.
831
BOSCH Gehäusevorderteil | Ersatzteile für 1644 | 2610995814
Hersteller: BOSCH
Artikelnummer: EB-0601644739-2610995814
Netto: 70,50 € zzgl. MwSt.
zzgl. 6,90 € Versand (brutto)
einmalig pro Bestellung

Lieferzeit: 5 Werktage

Pos.
843
BOSCH Schrägzahnrad | Ersatzteile für 1644 | 2610995817
Hersteller: BOSCH
Artikelnummer: EB-0601644739-2610995817
Netto: 121,18 € zzgl. MwSt.
zzgl. 6,90 € Versand (brutto)
einmalig pro Bestellung

Lieferzeit: 5 Werktage

Pos.
860
BOSCH Messerhalter | Ersatzteile für 1644 | 2610995820
Hersteller: BOSCH
Artikelnummer: EB-0601644739-2610995820
Netto: 15,75 € zzgl. MwSt.
zzgl. 6,90 € Versand (brutto)
einmalig pro Bestellung

Lieferzeit: 5 Werktage

Pos.
875
BOSCH Verschlussplatte | Ersatzteile für 1644 | 2610995825
Hersteller: BOSCH
Artikelnummer: EB-0601644739-2610995825
nur Informationsartikel
Nie mehr lieferbar
keine Alternativen

Angaben zur Produktsicherheit

Hersteller:
Robert Bosch Power Tools GmbH
Postfach 30 02 20
70442 Stuttgart

E-Mail:
kontakt@bosch.de