BOSCH Federscheibe | Ersatzteile für 1677 MD | 2610931237

Artikelnummer: EB-0601677166-2610931237

Position: 76

Marke: BOSCH


Bitte Kompatibilität prüfen!

Bitte prüfen Sie unbedingt die 10-stellige Typennummer Ihrer Maschine / Ihres Gerätes. Das Ersatzteil ist nur kompatibel, wenn Sie die Typennummer Ihrer Maschine in der unten stehenden Produktbeschreibung finden.

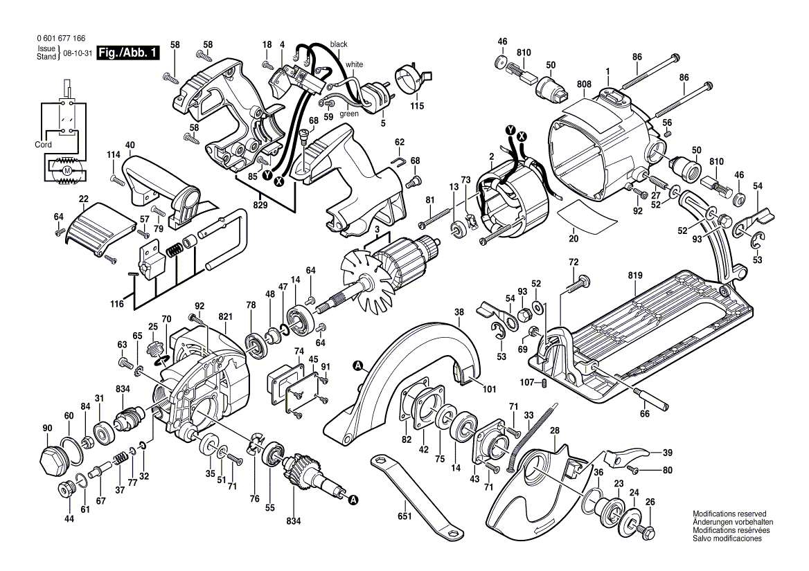
Bitte prüfen Sie ebenfalls detailliert die Explosionszeichnung mit Ihrem Artikelwunsch und der jeweiligen Pos-Nummer.

Alle Elemente, welche vom schwarzen Strich der Pos-Nummer ausgehend berührt / erfasst werden, gehören zu dieser Pos-Nummer und somit zu diesem Artikel. Jede Pos-Nummer ist ein eigenständiger Artikel, welchen Sie in der Auflistung finden.

Sie erhalten stets die aktuellste, neueste Produktversion zu der gewählten Pos-Nummer seitens des Herstellers. Es kann daher je nach Gerätealter vorkommen, dass Sie ggf. weitere, zugehörige Elemente, welche an diese Pos-Nummer grenzen, ebenfalls mittauschen müssen.

Nähere Informationen finden Sie unter dem Link
Hinweise zu Ihrer BOSCH Ersatzteilsuche

Preisübersicht

Einzelpreis: 3,63 €* (Brutto: 4,32 €)
Gesamtpreis: 3,63 €* 
Position:

Lieferzeit: 5 Werktage


Beschreibung

  • Federscheibe
  • Original Bosch Zubehör / BOSCH Ersatzteil (2610931237)
  • im Gerät verbaut: 1
Dieses BOSCH Ersatzteil ist mit folgendem Gerät und Modell kompatibel:
  • BOSCH Gerätename: 1677 MD
  • BOSCH Explosionszeichnung: Position 76
  • BOSCH Typennummer: 0601677166
  • BOSCH Typennummer alternative Schreibweisen: 0 601 677 166, 0601 677 166, 0.601.677.166, 0-601-677-166
    Bitte prüfen Sie diese Typennummer auf Ihrem Gerät um die Kompatibilität des BOSCH Ersatzteils zu gewährleisten.
Weitere BOSCH Ersatzteile des Gerätes 1677 MD (Handkreissäge) mit der Typennummer 0601677166 finden Sie in der nachfolgenden Darstellung und im Dropdown zu Ihrer Auswahl:

Pos.
1
BOSCH Motorgehäuse | Ersatzteile für 1677 MD | 1619X01155
Hersteller: BOSCH
Artikelnummer: EB-0601677166-1619X01155
nur Informationsartikel
Nie mehr lieferbar
keine Alternativen
Pos.
2
BOSCH Polschuh 120V | Ersatzteile für 1677 MD | 1619P02674
Hersteller: BOSCH
Artikelnummer: EB-0601677166-1619P02674
nur Informationsartikel
Nie mehr lieferbar
keine Alternativen
Pos.
3
BOSCH Anker 120V | Ersatzteile für 1677 MD | 2610931892
Hersteller: BOSCH
Artikelnummer: EB-0601677166-2610931892
Netto: 77,60 € zzgl. MwSt.
zzgl. 6,90 € Versand (brutto)
einmalig pro Bestellung

Lieferzeit: 5 Werktage

Pos.
4
BOSCH Ein/Aus-Schalter | Ersatzteile für 1677 MD | 1619X04521
Hersteller: BOSCH
Artikelnummer: EB-0601677166-1619X04521
nur Informationsartikel
Nie mehr lieferbar
keine Alternativen
Pos.
5
BOSCH Anschlussleitung | Ersatzteile für 1677 MD | 1619X01276
Hersteller: BOSCH
Artikelnummer: EB-0601677166-1619X01276
nur Informationsartikel
Nie mehr lieferbar
keine Alternativen
Pos.
13
BOSCH Rillenkugellager | Ersatzteile für 1677 MD | 2610017348
Hersteller: BOSCH
Artikelnummer: EB-0601677166-2610017348
nur Informationsartikel
Nie mehr lieferbar
keine Alternativen
Pos.
14
BOSCH Kugellager | Ersatzteile für 1677 MD | 2610024748
Hersteller: BOSCH
Artikelnummer: EB-0601677166-2610024748
Netto: 9,18 € zzgl. MwSt.
zzgl. 6,90 € Versand (brutto)
einmalig pro Bestellung

Lieferzeit: 5 Werktage

Pos.
18
BOSCH Schraube | Ersatzteile für 1677 MD | 2610901971
Hersteller: BOSCH
Artikelnummer: EB-0601677166-2610901971
nur Informationsartikel
Nie mehr lieferbar
keine Alternativen
Pos.
20
BOSCH Warnzettel | Ersatzteile für 1677 MD | 2610944086
Hersteller: BOSCH
Artikelnummer: EB-0601677166-2610944086
nur Informationsartikel
Nie mehr lieferbar
keine Alternativen
Pos.
22
BOSCH Motorhaube | Ersatzteile für 1677 MD | 1619X01207
Hersteller: BOSCH
Artikelnummer: EB-0601677166-1619X01207
nur Informationsartikel
Nie mehr lieferbar
keine Alternativen
Pos.
23
BOSCH Scheibe | Ersatzteile für 1677 MD | 1619X01249
Hersteller: BOSCH
Artikelnummer: EB-0601677166-1619X01249
nur Informationsartikel
Nie mehr lieferbar
keine Alternativen
Pos.
24
BOSCH Vorlegscheibe | Ersatzteile für 1677 MD | 1619X02969
Hersteller: BOSCH
Artikelnummer: EB-0601677166-1619X02969
Netto: 8,33 € zzgl. MwSt.
zzgl. 6,90 € Versand (brutto)
einmalig pro Bestellung

Lieferzeit: 5 Werktage

Pos.
25
BOSCH Oelablassschraube | Ersatzteile für 1677 MD | 1619X06474
Hersteller: BOSCH
Artikelnummer: EB-0601677166-1619X06474
nur Informationsartikel
Nie mehr lieferbar
keine Alternativen
Pos.
26
BOSCH Rollen-Bundbolzen | Ersatzteile für 1677 MD | 2610000050
Hersteller: BOSCH
Artikelnummer: EB-0601677166-2610000050
Netto: 4,82 € zzgl. MwSt.
zzgl. 6,90 € Versand (brutto)
einmalig pro Bestellung

Lieferzeit: 5 Werktage

Pos.
27
BOSCH Stiftschraube | Ersatzteile für 1677 MD | 1619X01262
Hersteller: BOSCH
Artikelnummer: EB-0601677166-1619X01262
nur Informationsartikel
Nie mehr lieferbar
keine Alternativen
Pos.
28
BOSCH Schutzunterteil | Ersatzteile für 1677 MD | 1619X01180
Hersteller: BOSCH
Artikelnummer: EB-0601677166-1619X01180
nur Informationsartikel
Nie mehr lieferbar
keine Alternativen
Pos.
31
BOSCH Kugellager | Ersatzteile für 1677 MD | 2610017875
Hersteller: BOSCH
Artikelnummer: EB-0601677166-2610017875
nur Informationsartikel
Nie mehr lieferbar
keine Alternativen
Pos.
32
BOSCH O-Ring | Ersatzteile für 1677 MD | 1619X03779
Hersteller: BOSCH
Artikelnummer: EB-0601677166-1619X03779
nur Informationsartikel
Nie mehr lieferbar
keine Alternativen
Pos.
33
BOSCH Zugfeder | Ersatzteile für 1677 MD | 1619X06927
Hersteller: BOSCH
Artikelnummer: EB-0601677166-1619X06927
nur Informationsartikel
Nie mehr lieferbar
keine Alternativen
Pos.
35
BOSCH Anschlag | Ersatzteile für 1677 MD | 2610319494
Hersteller: BOSCH
Artikelnummer: EB-0601677166-2610319494
Netto: 4,32 € zzgl. MwSt.
zzgl. 6,90 € Versand (brutto)
einmalig pro Bestellung

Lieferzeit: 5 Werktage

Pos.
36
BOSCH Sicherungsring | Ersatzteile für 1677 MD | 2610341359
Hersteller: BOSCH
Artikelnummer: EB-0601677166-2610341359
nur Informationsartikel
Nie mehr lieferbar
keine Alternativen
Pos.
37
BOSCH Feder | Ersatzteile für 1677 MD | 2610023394
Hersteller: BOSCH
Artikelnummer: EB-0601677166-2610023394
nur Informationsartikel
Nie mehr lieferbar
keine Alternativen
Pos.
38
BOSCH Schutzoberteil | Ersatzteile für 1677 MD | 1619X01169
Hersteller: BOSCH
Artikelnummer: EB-0601677166-1619X01169
nur Informationsartikel
Nie mehr lieferbar
keine Alternativen
Pos.
39
BOSCH Hubgestänge | Ersatzteile für 1677 MD | 1619X01236
Hersteller: BOSCH
Artikelnummer: EB-0601677166-1619X01236
nur Informationsartikel
Nie mehr lieferbar
keine Alternativen
Pos.
40
BOSCH Zusatzhandgriff | Ersatzteile für 1677 MD | 1619X01203
Hersteller: BOSCH
Artikelnummer: EB-0601677166-1619X01203
nur Informationsartikel
Nie mehr lieferbar
keine Alternativen
Pos.
42
BOSCH Tragplatte | Ersatzteile für 1677 MD | 1619X01253
Hersteller: BOSCH
Artikelnummer: EB-0601677166-1619X01253
nur Informationsartikel
Nie mehr lieferbar
keine Alternativen
Pos.
43
BOSCH Schutzblech | Ersatzteile für 1677 MD | 1619X01255
Hersteller: BOSCH
Artikelnummer: EB-0601677166-1619X01255
Netto: 7,77 € zzgl. MwSt.
zzgl. 6,90 € Versand (brutto)
einmalig pro Bestellung

Lieferzeit: 5 Werktage

Pos.
44
BOSCH Lagerbuchse | Ersatzteile für 1677 MD | 1619X01271
Hersteller: BOSCH
Artikelnummer: EB-0601677166-1619X01271
Netto: 4,61 € zzgl. MwSt.
zzgl. 6,90 € Versand (brutto)
einmalig pro Bestellung

Lieferzeit: 5 Werktage

Pos.
45
BOSCH Abdeckung | Ersatzteile für 1677 MD | 1619X01228
Hersteller: BOSCH
Artikelnummer: EB-0601677166-1619X01228
Netto: 3,95 € zzgl. MwSt.
zzgl. 6,90 € Versand (brutto)
einmalig pro Bestellung

Lieferzeit: 5 Werktage

Pos.
46
BOSCH Gerätekappe | Ersatzteile für 1677 MD | 1619X01268
Hersteller: BOSCH
Artikelnummer: EB-0601677166-1619X01268
nur Informationsartikel
Nie mehr lieferbar
keine Alternativen
Pos.
47
BOSCH O-Ring | Ersatzteile für 1677 MD | 2610044638
Hersteller: BOSCH
Artikelnummer: EB-0601677166-2610044638
nur Informationsartikel
Nie mehr lieferbar
keine Alternativen
Pos.
48
BOSCH Klauenring | Ersatzteile für 1677 MD | 1619X01272
Hersteller: BOSCH
Artikelnummer: EB-0601677166-1619X01272
Netto: 5,21 € zzgl. MwSt.
zzgl. 6,90 € Versand (brutto)
einmalig pro Bestellung

Lieferzeit: 5 Werktage

Pos.
50
BOSCH Bürstenhalter | Ersatzteile für 1677 MD | 1619X01267
Hersteller: BOSCH
Artikelnummer: EB-0601677166-1619X01267
nur Informationsartikel
Nie mehr lieferbar
keine Alternativen
Pos.
51
BOSCH Scheibe | Ersatzteile für 1677 MD | 2610004341
Hersteller: BOSCH
Artikelnummer: EB-0601677166-2610004341
nur Informationsartikel
Nie mehr lieferbar
keine Alternativen
Pos.
52
BOSCH Scheibe | Ersatzteile für 1677 MD | 2610912616
Hersteller: BOSCH
Artikelnummer: EB-0601677166-2610912616
Netto: 3,63 € zzgl. MwSt.
zzgl. 6,90 € Versand (brutto)
einmalig pro Bestellung

Lieferzeit: 5 Werktage

Pos.
53
BOSCH Sicherungsring | Ersatzteile für 1677 MD | 2610968747
Hersteller: BOSCH
Artikelnummer: EB-0601677166-2610968747
Netto: 3,63 € zzgl. MwSt.
zzgl. 6,90 € Versand (brutto)
einmalig pro Bestellung

Lieferzeit: 5 Werktage

Pos.
54
BOSCH Sperrhebel | Ersatzteile für 1677 MD | 1619X01235
Hersteller: BOSCH
Artikelnummer: EB-0601677166-1619X01235
Netto: 4,39 € zzgl. MwSt.
zzgl. 6,90 € Versand (brutto)
einmalig pro Bestellung

Lieferzeit: 5 Werktage

Pos.
55
BOSCH Kugellager | Ersatzteile für 1677 MD | 2610000166
Hersteller: BOSCH
Artikelnummer: EB-0601677166-2610000166
nur Informationsartikel
Nie mehr lieferbar
keine Alternativen
Pos.
56
BOSCH Gewindestift | Ersatzteile für 1677 MD | 2610027039
Hersteller: BOSCH
Artikelnummer: EB-0601677166-2610027039
nur Informationsartikel
Nie mehr lieferbar
keine Alternativen
Pos.
57
BOSCH Schraube | Ersatzteile für 1677 MD | 2610315299
Hersteller: BOSCH
Artikelnummer: EB-0601677166-2610315299
nur Informationsartikel
Nie mehr lieferbar
keine Alternativen
Pos.
58
BOSCH Schraube | Ersatzteile für 1677 MD | 2610315380
Hersteller: BOSCH
Artikelnummer: EB-0601677166-2610315380
Netto: 3,94 € zzgl. MwSt.
zzgl. 6,90 € Versand (brutto)
einmalig pro Bestellung

Lieferzeit: 5 Werktage

Pos.
59
BOSCH Schraube | Ersatzteile für 1677 MD | 1619X03644
Hersteller: BOSCH
Artikelnummer: EB-0601677166-1619X03644
nur Informationsartikel
Nie mehr lieferbar
keine Alternativen
Pos.
60
BOSCH Scheibe | Ersatzteile für 1677 MD | 2610023331
Hersteller: BOSCH
Artikelnummer: EB-0601677166-2610023331
Netto: 3,94 € zzgl. MwSt.
zzgl. 6,90 € Versand (brutto)
einmalig pro Bestellung

Lieferzeit: 5 Werktage

Pos.
61
BOSCH Scheibe | Ersatzteile für 1677 MD | 2610025067
Hersteller: BOSCH
Artikelnummer: EB-0601677166-2610025067
nur Informationsartikel
Nie mehr lieferbar
keine Alternativen
Pos.
62
BOSCH Stellring | Ersatzteile für 1677 MD | 2610943867
Hersteller: BOSCH
Artikelnummer: EB-0601677166-2610943867
nur Informationsartikel
Nie mehr lieferbar
keine Alternativen
Pos.
63
BOSCH Schraube | Ersatzteile für 1677 MD | 2610329955
Hersteller: BOSCH
Artikelnummer: EB-0601677166-2610329955
nur Informationsartikel
Nie mehr lieferbar
keine Alternativen
Pos.
64
BOSCH Kontaktschraube | Ersatzteile für 1677 MD | 1619X01786
Hersteller: BOSCH
Artikelnummer: EB-0601677166-1619X01786
nur Informationsartikel
Nie mehr lieferbar
keine Alternativen
Pos.
65
BOSCH Scheibe | Ersatzteile für 1677 MD | 2610306355
Hersteller: BOSCH
Artikelnummer: EB-0601677166-2610306355
nur Informationsartikel
Nie mehr lieferbar
keine Alternativen
Pos.
66
BOSCH Stiftschraube | Ersatzteile für 1677 MD | 1619X01263
Hersteller: BOSCH
Artikelnummer: EB-0601677166-1619X01263
Netto: 4,39 € zzgl. MwSt.
zzgl. 6,90 € Versand (brutto)
einmalig pro Bestellung

Lieferzeit: 5 Werktage

Pos.
67
BOSCH Lagerbolzen | Ersatzteile für 1677 MD | 1619X01298
Hersteller: BOSCH
Artikelnummer: EB-0601677166-1619X01298
nur Informationsartikel
Nie mehr lieferbar
keine Alternativen
Pos.
68
BOSCH Schraube | Ersatzteile für 1677 MD | 2610932332
Hersteller: BOSCH
Artikelnummer: EB-0601677166-2610932332
Netto: 3,62 € zzgl. MwSt.
zzgl. 6,90 € Versand (brutto)
einmalig pro Bestellung

Lieferzeit: 5 Werktage

Pos.
69
BOSCH Sicherungsmutter | Ersatzteile für 1677 MD | 2610932460
Hersteller: BOSCH
Artikelnummer: EB-0601677166-2610932460
nur Informationsartikel
Nie mehr lieferbar
keine Alternativen
Pos.
70
BOSCH O-Ring | Ersatzteile für 1677 MD | 1616B10364
Hersteller: BOSCH
Artikelnummer: EB-0601677166-1616B10364
nur Informationsartikel
Nie mehr lieferbar
keine Alternativen
Pos.
71
BOSCH Schraube | Ersatzteile für 1677 MD | 2610027002
Hersteller: BOSCH
Artikelnummer: EB-0601677166-2610027002
nur Informationsartikel
Nie mehr lieferbar
keine Alternativen
Pos.
72
BOSCH Bolzen | Ersatzteile für 1677 MD | 2610911837
Hersteller: BOSCH
Artikelnummer: EB-0601677166-2610911837
Netto: 3,62 € zzgl. MwSt.
zzgl. 6,90 € Versand (brutto)
einmalig pro Bestellung

Lieferzeit: 5 Werktage

Pos.
73
BOSCH Federscheibe | Ersatzteile für 1677 MD | 2610004459
Hersteller: BOSCH
Artikelnummer: EB-0601677166-2610004459
nur Informationsartikel
Nie mehr lieferbar
keine Alternativen
Pos.
74
BOSCH Gummidichtung | Ersatzteile für 1677 MD | 1619X01257
Hersteller: BOSCH
Artikelnummer: EB-0601677166-1619X01257
Netto: 3,95 € zzgl. MwSt.
zzgl. 6,90 € Versand (brutto)
einmalig pro Bestellung

Lieferzeit: 5 Werktage

Pos.
75
BOSCH Dichtung | Ersatzteile für 1677 MD | 2610025245
Hersteller: BOSCH
Artikelnummer: EB-0601677166-2610025245
nur Informationsartikel
Nie mehr lieferbar
keine Alternativen
Pos.
76
BOSCH Federscheibe | Ersatzteile für 1677 MD | 2610931237
Hersteller: BOSCH
Artikelnummer: EB-0601677166-2610931237
Netto: 3,63 € zzgl. MwSt.
zzgl. 6,90 € Versand (brutto)
einmalig pro Bestellung

Lieferzeit: 5 Werktage

Pos.
77
BOSCH Scheibe | Ersatzteile für 1677 MD | 2610017016
Hersteller: BOSCH
Artikelnummer: EB-0601677166-2610017016
Netto: 3,94 € zzgl. MwSt.
zzgl. 6,90 € Versand (brutto)
einmalig pro Bestellung

Lieferzeit: 5 Werktage

Pos.
78
BOSCH Verschlussplombe | Ersatzteile für 1677 MD | 2610329927
Hersteller: BOSCH
Artikelnummer: EB-0601677166-2610329927
Netto: 5,19 € zzgl. MwSt.
zzgl. 6,90 € Versand (brutto)
einmalig pro Bestellung

Lieferzeit: 5 Werktage

Pos.
79
BOSCH Schraube | Ersatzteile für 1677 MD | 2610993549
Hersteller: BOSCH
Artikelnummer: EB-0601677166-2610993549
nur Informationsartikel
Nie mehr lieferbar
keine Alternativen
Pos.
80
BOSCH Schraube | Ersatzteile für 1677 MD | 1619X06749
Hersteller: BOSCH
Artikelnummer: EB-0601677166-1619X06749
Netto: 3,63 € zzgl. MwSt.
zzgl. 6,90 € Versand (brutto)
einmalig pro Bestellung

Lieferzeit: 5 Werktage

Pos.
81
BOSCH Schraube | Ersatzteile für 1677 MD | 2610329950
Hersteller: BOSCH
Artikelnummer: EB-0601677166-2610329950
nur Informationsartikel
Nie mehr lieferbar
keine Alternativen
Pos.
82
BOSCH Mattendichtung | Ersatzteile für 1677 MD | 1619X01258
Hersteller: BOSCH
Artikelnummer: EB-0601677166-1619X01258
Netto: 3,62 € zzgl. MwSt.
zzgl. 6,90 € Versand (brutto)
einmalig pro Bestellung

Lieferzeit: 5 Werktage

Pos.
84
BOSCH Mutter | Ersatzteile für 1677 MD | 2610318324
Hersteller: BOSCH
Artikelnummer: EB-0601677166-2610318324
nur Informationsartikel
Nie mehr lieferbar
keine Alternativen
Pos.
85
BOSCH Schraube ST3,9x19 | Ersatzteile für 1677 MD | 2610315386
Hersteller: BOSCH
Artikelnummer: EB-0601677166-2610315386
Netto: 3,94 € zzgl. MwSt.
zzgl. 6,90 € Versand (brutto)
einmalig pro Bestellung

Lieferzeit: 5 Werktage

Pos.
86
BOSCH Schraube | Ersatzteile für 1677 MD | 2610329953
Hersteller: BOSCH
Artikelnummer: EB-0601677166-2610329953
nur Informationsartikel
Nie mehr lieferbar
keine Alternativen
Pos.
90
BOSCH Lagerabdeckung | Ersatzteile für 1677 MD | 1619X01260
Hersteller: BOSCH
Artikelnummer: EB-0601677166-1619X01260
nur Informationsartikel
Nie mehr lieferbar
keine Alternativen
Pos.
92
BOSCH Schraube | Ersatzteile für 1677 MD | 2610932218
Hersteller: BOSCH
Artikelnummer: EB-0601677166-2610932218
Netto: 3,95 € zzgl. MwSt.
zzgl. 6,90 € Versand (brutto)
einmalig pro Bestellung

Lieferzeit: 5 Werktage

Pos.
93
BOSCH Mutter | Ersatzteile für 1677 MD | 1619X01283
Hersteller: BOSCH
Artikelnummer: EB-0601677166-1619X01283
Netto: 4,82 € zzgl. MwSt.
zzgl. 6,90 € Versand (brutto)
einmalig pro Bestellung

Lieferzeit: 5 Werktage

Pos.
101
BOSCH Etikett | Ersatzteile für 1677 MD | 1619X02283
Hersteller: BOSCH
Artikelnummer: EB-0601677166-1619X02283
nur Informationsartikel
Nie mehr lieferbar
keine Alternativen
Pos.
107
BOSCH Gewindestift | Ersatzteile für 1677 MD | 2610911889
Hersteller: BOSCH
Artikelnummer: EB-0601677166-2610911889
nur Informationsartikel
Nie mehr lieferbar
keine Alternativen
Pos.
114
BOSCH Schraube | Ersatzteile für 1677 MD | 2610911890
Hersteller: BOSCH
Artikelnummer: EB-0601677166-2610911890
nur Informationsartikel
Nie mehr lieferbar
keine Alternativen
Pos.
115
BOSCH Sicherungsring | Ersatzteile für 1677 MD | 1619X01637
Hersteller: BOSCH
Artikelnummer: EB-0601677166-1619X01637
nur Informationsartikel
Nie mehr lieferbar
keine Alternativen
Pos.
116
BOSCH Montagehaken | Ersatzteile für 1677 MD | 1619X01264
Hersteller: BOSCH
Artikelnummer: EB-0601677166-1619X01264
nur Informationsartikel
Nie mehr lieferbar
keine Alternativen
Pos.
651
BOSCH Steckschlüsseleinsatz | Ersatzteile für 1677 MD | 1619X01144
Hersteller: BOSCH
Artikelnummer: EB-0601677166-1619X01144
nur Informationsartikel
Nie mehr lieferbar
keine Alternativen
Pos.
808
BOSCH Typschild | Ersatzteile für 1677 MD | 1619X01789
Hersteller: BOSCH
Artikelnummer: EB-0601677166-1619X01789
nur Informationsartikel
Nie mehr lieferbar
keine Alternativen
Pos.
810
BOSCH Kohlebürstensatz | Ersatzteile für 1677 MD | 1619X08020
Hersteller: BOSCH
Artikelnummer: EB-0601677166-1619X08020
nur Informationsartikel
Nie mehr lieferbar
keine Alternativen
Pos.
819
BOSCH Blech | Ersatzteile für 1677 MD | 1619X01657
Hersteller: BOSCH
Artikelnummer: EB-0601677166-1619X01657
nur Informationsartikel
Nie mehr lieferbar
keine Alternativen
Pos.
821
BOSCH Getriebegehäuse | Ersatzteile für 1677 MD | 2610906401
Hersteller: BOSCH
Artikelnummer: EB-0601677166-2610906401
nur Informationsartikel
Nie mehr lieferbar
keine Alternativen
Pos.
829
BOSCH Handgriff-Set | Ersatzteile für 1677 MD | 1619X01716
Hersteller: BOSCH
Artikelnummer: EB-0601677166-1619X01716
nur Informationsartikel
Nie mehr lieferbar
keine Alternativen
Pos.
834
BOSCH Zahnradsatz | Ersatzteile für 1677 MD | 1619X02374
Hersteller: BOSCH
Artikelnummer: EB-0601677166-1619X02374
Netto: 42,86 € zzgl. MwSt.
zzgl. 6,90 € Versand (brutto)
einmalig pro Bestellung

Lieferzeit: 5 Werktage

Angaben zur Produktsicherheit

Hersteller:
Robert Bosch Power Tools GmbH
Postfach 30 02 20
70442 Stuttgart

E-Mail:
kontakt@bosch.de