BOSCH Scheibe | Ersatzteile für 1677 MDT | 2610017016

Artikelnummer: EB-0601677239-2610017016

Position: 77

Marke: BOSCH


Bitte Kompatibilität prüfen!

Bitte prüfen Sie unbedingt die 10-stellige Typennummer Ihrer Maschine / Ihres Gerätes. Das Ersatzteil ist nur kompatibel, wenn Sie die Typennummer Ihrer Maschine in der unten stehenden Produktbeschreibung finden.

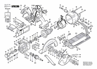
Bitte prüfen Sie ebenfalls detailliert die Explosionszeichnung mit Ihrem Artikelwunsch und der jeweiligen Pos-Nummer.

Alle Elemente, welche vom schwarzen Strich der Pos-Nummer ausgehend berührt / erfasst werden, gehören zu dieser Pos-Nummer und somit zu diesem Artikel. Jede Pos-Nummer ist ein eigenständiger Artikel, welchen Sie in der Auflistung finden.

Sie erhalten stets die aktuellste, neueste Produktversion zu der gewählten Pos-Nummer seitens des Herstellers. Es kann daher je nach Gerätealter vorkommen, dass Sie ggf. weitere, zugehörige Elemente, welche an diese Pos-Nummer grenzen, ebenfalls mittauschen müssen.

Nähere Informationen finden Sie unter dem Link
Hinweise zu Ihrer BOSCH Ersatzteilsuche

Preisübersicht

Einzelpreis: 3,94 €* (Brutto: 4,69 €)
Gesamtpreis: 3,94 €* 
Position:

Lieferzeit: 5 Werktage


Beschreibung

  • Scheibe
  • Original Bosch Zubehör / BOSCH Ersatzteil (2610017016)
  • im Gerät verbaut: 1
Dieses BOSCH Ersatzteil ist mit folgendem Gerät und Modell kompatibel:
  • BOSCH Gerätename: 1677 MDT
  • BOSCH Explosionszeichnung: Position 77
  • BOSCH Typennummer: 0601677239
  • BOSCH Typennummer alternative Schreibweisen: 0 601 677 239, 0601 677 239, 0.601.677.239, 0-601-677-239
    Bitte prüfen Sie diese Typennummer auf Ihrem Gerät um die Kompatibilität des BOSCH Ersatzteils zu gewährleisten.
Weitere BOSCH Ersatzteile des Gerätes 1677 MDT (Gw-Handkreissäge) mit der Typennummer 0601677239 finden Sie in der nachfolgenden Darstellung und im Dropdown zu Ihrer Auswahl:

Pos.
1
BOSCH Gehäuse | Ersatzteile für 1677 MDT | 2610906405
Hersteller: BOSCH
Artikelnummer: EB-0601677239-2610906405
nur Informationsartikel
Nie mehr lieferbar
keine Alternativen
Pos.
2
BOSCH Polschuh 120V | Ersatzteile für 1677 MDT | 2610907821
Hersteller: BOSCH
Artikelnummer: EB-0601677239-2610907821
nur Informationsartikel
Nie mehr lieferbar
keine Alternativen
Pos.
3
BOSCH Anker 120V | Ersatzteile für 1677 MDT | 2610931892
Hersteller: BOSCH
Artikelnummer: EB-0601677239-2610931892
Netto: 74,05 € zzgl. MwSt.
zzgl. 6,90 € Versand (brutto)
einmalig pro Bestellung

Lieferzeit: 5 Werktage

Pos.
5
BOSCH Anschlussleitung | Ersatzteile für 1677 MDT | 2610916916
Hersteller: BOSCH
Artikelnummer: EB-0601677239-2610916916
nur Informationsartikel
Nie mehr lieferbar
keine Alternativen
Pos.
8
BOSCH Typschild | Ersatzteile für 1677 MDT | 2610917131
Hersteller: BOSCH
Artikelnummer: EB-0601677239-2610917131
nur Informationsartikel
Nie mehr lieferbar
keine Alternativen
Pos.
13
BOSCH Rillenkugellager | Ersatzteile für 1677 MDT | 2610017348
Hersteller: BOSCH
Artikelnummer: EB-0601677239-2610017348
nur Informationsartikel
Nie mehr lieferbar
keine Alternativen
Pos.
14
BOSCH Kugellager | Ersatzteile für 1677 MDT | 2610024748
Hersteller: BOSCH
Artikelnummer: EB-0601677239-2610024748
Netto: 9,05 € zzgl. MwSt.
zzgl. 6,90 € Versand (brutto)
einmalig pro Bestellung

Lieferzeit: 5 Werktage

Pos.
18
BOSCH Schraube | Ersatzteile für 1677 MDT | 2610901971
Hersteller: BOSCH
Artikelnummer: EB-0601677239-2610901971
nur Informationsartikel
Nie mehr lieferbar
keine Alternativen
Pos.
21
BOSCH Getriebegehäuse | Ersatzteile für 1677 MDT | 2610906401
Hersteller: BOSCH
Artikelnummer: EB-0601677239-2610906401
nur Informationsartikel
Nie mehr lieferbar
keine Alternativen
Pos.
22
BOSCH Schutzdeckel | Ersatzteile für 1677 MDT | 2610911489
Hersteller: BOSCH
Artikelnummer: EB-0601677239-2610911489
nur Informationsartikel
Nie mehr lieferbar
keine Alternativen
Pos.
23
BOSCH Scheibe | Ersatzteile für 1677 MDT | 1619X01249
Hersteller: BOSCH
Artikelnummer: EB-0601677239-1619X01249
nur Informationsartikel
Nie mehr lieferbar
keine Alternativen
Pos.
24
BOSCH Vorlegscheibe | Ersatzteile für 1677 MDT | 1619X02969
Hersteller: BOSCH
Artikelnummer: EB-0601677239-1619X02969
Netto: 8,23 € zzgl. MwSt.
zzgl. 6,90 € Versand (brutto)
einmalig pro Bestellung

Lieferzeit: 5 Werktage

Pos.
25
BOSCH Verschluss | Ersatzteile für 1677 MDT | 2610023384
Hersteller: BOSCH
Artikelnummer: EB-0601677239-2610023384
nur Informationsartikel
Nie mehr lieferbar
keine Alternativen
Pos.
26
BOSCH Rollen-Bundbolzen | Ersatzteile für 1677 MDT | 2610000050
Hersteller: BOSCH
Artikelnummer: EB-0601677239-2610000050
Netto: 4,80 € zzgl. MwSt.
zzgl. 6,90 € Versand (brutto)
einmalig pro Bestellung

Lieferzeit: 5 Werktage

Pos.
27
BOSCH Bolzen | Ersatzteile für 1677 MDT | 2610315286
Hersteller: BOSCH
Artikelnummer: EB-0601677239-2610315286
nur Informationsartikel
Nie mehr lieferbar
keine Alternativen
Pos.
28
BOSCH Messerschutz | Ersatzteile für 1677 MDT | 2610911146
Hersteller: BOSCH
Artikelnummer: EB-0601677239-2610911146
nur Informationsartikel
Nie mehr lieferbar
keine Alternativen
Pos.
31
BOSCH Kugellager | Ersatzteile für 1677 MDT | 2610017875
Hersteller: BOSCH
Artikelnummer: EB-0601677239-2610017875
nur Informationsartikel
Nie mehr lieferbar
keine Alternativen
Pos.
32
BOSCH O-Ring | Ersatzteile für 1677 MDT | 1619X03779
Hersteller: BOSCH
Artikelnummer: EB-0601677239-1619X03779
nur Informationsartikel
Nie mehr lieferbar
keine Alternativen
Pos.
33
BOSCH Zugfeder | Ersatzteile für 1677 MDT | 1619X06927
Hersteller: BOSCH
Artikelnummer: EB-0601677239-1619X06927
nur Informationsartikel
Nie mehr lieferbar
keine Alternativen
Pos.
35
BOSCH Anschlag | Ersatzteile für 1677 MDT | 2610319494
Hersteller: BOSCH
Artikelnummer: EB-0601677239-2610319494
Netto: 4,36 € zzgl. MwSt.
zzgl. 6,90 € Versand (brutto)
einmalig pro Bestellung

Lieferzeit: 5 Werktage

Pos.
36
BOSCH Sicherungsring | Ersatzteile für 1677 MDT | 2610341359
Hersteller: BOSCH
Artikelnummer: EB-0601677239-2610341359
nur Informationsartikel
Nie mehr lieferbar
keine Alternativen
Pos.
37
BOSCH Feder | Ersatzteile für 1677 MDT | 2610023394
Hersteller: BOSCH
Artikelnummer: EB-0601677239-2610023394
nur Informationsartikel
Nie mehr lieferbar
keine Alternativen
Pos.
38
BOSCH Messerschutz | Ersatzteile für 1677 MDT | 2610911149
Hersteller: BOSCH
Artikelnummer: EB-0601677239-2610911149
nur Informationsartikel
Nie mehr lieferbar
keine Alternativen
Pos.
39
BOSCH Hubgestänge | Ersatzteile für 1677 MDT | 2610911213
Hersteller: BOSCH
Artikelnummer: EB-0601677239-2610911213
nur Informationsartikel
Nie mehr lieferbar
keine Alternativen
Pos.
40
BOSCH Handgriff | Ersatzteile für 1677 MDT | 2610911490
Hersteller: BOSCH
Artikelnummer: EB-0601677239-2610911490
nur Informationsartikel
Nie mehr lieferbar
keine Alternativen
Pos.
42
BOSCH Lagerplatte | Ersatzteile für 1677 MDT | 2610352115
Hersteller: BOSCH
Artikelnummer: EB-0601677239-2610352115
Netto: 6,75 € zzgl. MwSt.
zzgl. 6,90 € Versand (brutto)
einmalig pro Bestellung

Lieferzeit: 5 Werktage

Pos.
43
BOSCH Halteplatte | Ersatzteile für 1677 MDT | 2610352091
Hersteller: BOSCH
Artikelnummer: EB-0601677239-2610352091
nur Informationsartikel
Nie mehr lieferbar
keine Alternativen
Pos.
44
BOSCH Stift | Ersatzteile für 1677 MDT | 2610023324
Hersteller: BOSCH
Artikelnummer: EB-0601677239-2610023324
nur Informationsartikel
Nie mehr lieferbar
keine Alternativen
Pos.
45
BOSCH Deckel | Ersatzteile für 1677 MDT | 2610023336
Hersteller: BOSCH
Artikelnummer: EB-0601677239-2610023336
nur Informationsartikel
Nie mehr lieferbar
keine Alternativen
Pos.
46
BOSCH Gerätekappe | Ersatzteile für 1677 MDT | 1619X01268
Hersteller: BOSCH
Artikelnummer: EB-0601677239-1619X01268
nur Informationsartikel
Nie mehr lieferbar
keine Alternativen
Pos.
47
BOSCH O-Ring | Ersatzteile für 1677 MDT | 2610044638
Hersteller: BOSCH
Artikelnummer: EB-0601677239-2610044638
nur Informationsartikel
Nie mehr lieferbar
keine Alternativen
Pos.
48
BOSCH Dichtung | Ersatzteile für 1677 MDT | 2610023330
Hersteller: BOSCH
Artikelnummer: EB-0601677239-2610023330
nur Informationsartikel
Nie mehr lieferbar
keine Alternativen
Pos.
50
BOSCH Kohlebürstenhalter | Ersatzteile für 1677 MDT | 2610329940
Hersteller: BOSCH
Artikelnummer: EB-0601677239-2610329940
nur Informationsartikel
Nie mehr lieferbar
keine Alternativen
Pos.
51
BOSCH Scheibe | Ersatzteile für 1677 MDT | 2610004341
Hersteller: BOSCH
Artikelnummer: EB-0601677239-2610004341
nur Informationsartikel
Nie mehr lieferbar
keine Alternativen
Pos.
52
BOSCH Scheibe | Ersatzteile für 1677 MDT | 2610912616
Hersteller: BOSCH
Artikelnummer: EB-0601677239-2610912616
Netto: 3,60 € zzgl. MwSt.
zzgl. 6,90 € Versand (brutto)
einmalig pro Bestellung

Lieferzeit: 5 Werktage

Pos.
53
BOSCH Sicherungsring | Ersatzteile für 1677 MDT | 2610968747
Hersteller: BOSCH
Artikelnummer: EB-0601677239-2610968747
Netto: 3,60 € zzgl. MwSt.
zzgl. 6,90 € Versand (brutto)
einmalig pro Bestellung

Lieferzeit: 5 Werktage

Pos.
54
BOSCH Hebel | Ersatzteile für 1677 MDT | 2610968745
Hersteller: BOSCH
Artikelnummer: EB-0601677239-2610968745
Netto: 4,56 € zzgl. MwSt.
zzgl. 6,90 € Versand (brutto)
einmalig pro Bestellung

Lieferzeit: 5 Werktage

Pos.
55
BOSCH Kugellager | Ersatzteile für 1677 MDT | 2610000166
Hersteller: BOSCH
Artikelnummer: EB-0601677239-2610000166
nur Informationsartikel
Nie mehr lieferbar
keine Alternativen
Pos.
56
BOSCH Gewindestift | Ersatzteile für 1677 MDT | 2610027039
Hersteller: BOSCH
Artikelnummer: EB-0601677239-2610027039
nur Informationsartikel
Nie mehr lieferbar
keine Alternativen
Pos.
57
BOSCH Schraube | Ersatzteile für 1677 MDT | 2610315299
Hersteller: BOSCH
Artikelnummer: EB-0601677239-2610315299
nur Informationsartikel
Nie mehr lieferbar
keine Alternativen
Pos.
58
BOSCH Schraube | Ersatzteile für 1677 MDT | 2610315380
Hersteller: BOSCH
Artikelnummer: EB-0601677239-2610315380
Netto: 3,94 € zzgl. MwSt.
zzgl. 6,90 € Versand (brutto)
einmalig pro Bestellung

Lieferzeit: 5 Werktage

Pos.
59
BOSCH Schraube | Ersatzteile für 1677 MDT | 1619X03644
Hersteller: BOSCH
Artikelnummer: EB-0601677239-1619X03644
nur Informationsartikel
Nie mehr lieferbar
keine Alternativen
Pos.
60
BOSCH Scheibe | Ersatzteile für 1677 MDT | 2610023331
Hersteller: BOSCH
Artikelnummer: EB-0601677239-2610023331
Netto: 3,94 € zzgl. MwSt.
zzgl. 6,90 € Versand (brutto)
einmalig pro Bestellung

Lieferzeit: 5 Werktage

Pos.
61
BOSCH Scheibe | Ersatzteile für 1677 MDT | 2610025067
Hersteller: BOSCH
Artikelnummer: EB-0601677239-2610025067
nur Informationsartikel
Nie mehr lieferbar
keine Alternativen
Pos.
62
BOSCH Schraube | Ersatzteile für 1677 MDT | 2610329929
Hersteller: BOSCH
Artikelnummer: EB-0601677239-2610329929
Netto: 3,94 € zzgl. MwSt.
zzgl. 6,90 € Versand (brutto)
einmalig pro Bestellung

Lieferzeit: 5 Werktage

Pos.
63
BOSCH Schraube | Ersatzteile für 1677 MDT | 2610329955
Hersteller: BOSCH
Artikelnummer: EB-0601677239-2610329955
nur Informationsartikel
Nie mehr lieferbar
keine Alternativen
Pos.
64
BOSCH Kontaktschraube | Ersatzteile für 1677 MDT | 1619X01786
Hersteller: BOSCH
Artikelnummer: EB-0601677239-1619X01786
nur Informationsartikel
Nie mehr lieferbar
keine Alternativen
Pos.
65
BOSCH Scheibe | Ersatzteile für 1677 MDT | 2610306355
Hersteller: BOSCH
Artikelnummer: EB-0601677239-2610306355
nur Informationsartikel
Nie mehr lieferbar
keine Alternativen
Pos.
66
BOSCH Bolzen | Ersatzteile für 1677 MDT | 2610319932
Hersteller: BOSCH
Artikelnummer: EB-0601677239-2610319932
Netto: 4,36 € zzgl. MwSt.
zzgl. 6,90 € Versand (brutto)
einmalig pro Bestellung

Lieferzeit: 5 Werktage

Pos.
67
BOSCH Stift | Ersatzteile für 1677 MDT | 2610325655
Hersteller: BOSCH
Artikelnummer: EB-0601677239-2610325655
nur Informationsartikel
Nie mehr lieferbar
keine Alternativen
Pos.
68
BOSCH Schraube | Ersatzteile für 1677 MDT | 2610353799
Hersteller: BOSCH
Artikelnummer: EB-0601677239-2610353799
nur Informationsartikel
Nie mehr lieferbar
keine Alternativen
Pos.
69
BOSCH Mutter | Ersatzteile für 1677 MDT | 2610356026
Hersteller: BOSCH
Artikelnummer: EB-0601677239-2610356026
nur Informationsartikel
Nie mehr lieferbar
keine Alternativen
Pos.
70
BOSCH O-Ring | Ersatzteile für 1677 MDT | 1616B10364
Hersteller: BOSCH
Artikelnummer: EB-0601677239-1616B10364
nur Informationsartikel
Nie mehr lieferbar
keine Alternativen
Pos.
71
BOSCH Schraube | Ersatzteile für 1677 MDT | 2610027002
Hersteller: BOSCH
Artikelnummer: EB-0601677239-2610027002
nur Informationsartikel
Nie mehr lieferbar
keine Alternativen
Pos.
72
BOSCH Bolzen | Ersatzteile für 1677 MDT | 2610911837
Hersteller: BOSCH
Artikelnummer: EB-0601677239-2610911837
Netto: 3,62 € zzgl. MwSt.
zzgl. 6,90 € Versand (brutto)
einmalig pro Bestellung

Lieferzeit: 5 Werktage

Pos.
73
BOSCH Federscheibe | Ersatzteile für 1677 MDT | 2610004459
Hersteller: BOSCH
Artikelnummer: EB-0601677239-2610004459
nur Informationsartikel
Nie mehr lieferbar
keine Alternativen
Pos.
74
BOSCH Einlage | Ersatzteile für 1677 MDT | 2610023335
Hersteller: BOSCH
Artikelnummer: EB-0601677239-2610023335
nur Informationsartikel
Nie mehr lieferbar
keine Alternativen
Pos.
75
BOSCH Dichtung | Ersatzteile für 1677 MDT | 2610025245
Hersteller: BOSCH
Artikelnummer: EB-0601677239-2610025245
nur Informationsartikel
Nie mehr lieferbar
keine Alternativen
Pos.
76
BOSCH Federscheibe | Ersatzteile für 1677 MDT | 2610931237
Hersteller: BOSCH
Artikelnummer: EB-0601677239-2610931237
Netto: 3,60 € zzgl. MwSt.
zzgl. 6,90 € Versand (brutto)
einmalig pro Bestellung

Lieferzeit: 5 Werktage

Pos.
77
BOSCH Scheibe | Ersatzteile für 1677 MDT | 2610017016
Hersteller: BOSCH
Artikelnummer: EB-0601677239-2610017016
Netto: 3,94 € zzgl. MwSt.
zzgl. 6,90 € Versand (brutto)
einmalig pro Bestellung

Lieferzeit: 5 Werktage

Pos.
78
BOSCH Verschlussplombe | Ersatzteile für 1677 MDT | 2610329927
Hersteller: BOSCH
Artikelnummer: EB-0601677239-2610329927
Netto: 5,17 € zzgl. MwSt.
zzgl. 6,90 € Versand (brutto)
einmalig pro Bestellung

Lieferzeit: 5 Werktage

Pos.
79
BOSCH Schraube | Ersatzteile für 1677 MDT | 2610993549
Hersteller: BOSCH
Artikelnummer: EB-0601677239-2610993549
nur Informationsartikel
Nie mehr lieferbar
keine Alternativen
Pos.
80
BOSCH Schraube | Ersatzteile für 1677 MDT | 2610328924
Hersteller: BOSCH
Artikelnummer: EB-0601677239-2610328924
nur Informationsartikel
Nie mehr lieferbar
keine Alternativen
Pos.
81
BOSCH Schraube | Ersatzteile für 1677 MDT | 2610329950
Hersteller: BOSCH
Artikelnummer: EB-0601677239-2610329950
nur Informationsartikel
Nie mehr lieferbar
keine Alternativen
Pos.
82
BOSCH Dichtplatte | Ersatzteile für 1677 MDT | 2610023334
Hersteller: BOSCH
Artikelnummer: EB-0601677239-2610023334
nur Informationsartikel
Nie mehr lieferbar
keine Alternativen
Pos.
83
BOSCH Verschlussstopfen | Ersatzteile für 1677 MDT | 2610350005
Hersteller: BOSCH
Artikelnummer: EB-0601677239-2610350005
Netto: 3,94 € zzgl. MwSt.
zzgl. 6,90 € Versand (brutto)
einmalig pro Bestellung

Lieferzeit: 5 Werktage

Pos.
84
BOSCH Mutter | Ersatzteile für 1677 MDT | 2610318324
Hersteller: BOSCH
Artikelnummer: EB-0601677239-2610318324
nur Informationsartikel
Nie mehr lieferbar
keine Alternativen
Pos.
85
BOSCH Schraube ST3,9x19 | Ersatzteile für 1677 MDT | 2610315386
Hersteller: BOSCH
Artikelnummer: EB-0601677239-2610315386
Netto: 3,94 € zzgl. MwSt.
zzgl. 6,90 € Versand (brutto)
einmalig pro Bestellung

Lieferzeit: 5 Werktage

Pos.
86
BOSCH Schraube | Ersatzteile für 1677 MDT | 2610329953
Hersteller: BOSCH
Artikelnummer: EB-0601677239-2610329953
nur Informationsartikel
Nie mehr lieferbar
keine Alternativen
Pos.
90
BOSCH Lagerdeckel | Ersatzteile für 1677 MDT | 2610923336
Hersteller: BOSCH
Artikelnummer: EB-0601677239-2610923336
nur Informationsartikel
Nie mehr lieferbar
keine Alternativen
Pos.
91
BOSCH Blechschraube | Ersatzteile für 1677 MDT | 2610353289
Hersteller: BOSCH
Artikelnummer: EB-0601677239-2610353289
nur Informationsartikel
Nie mehr lieferbar
keine Alternativen
Pos.
92
BOSCH Schraube | Ersatzteile für 1677 MDT | 2610352140
Hersteller: BOSCH
Artikelnummer: EB-0601677239-2610352140
nur Informationsartikel
Nie mehr lieferbar
keine Alternativen
Pos.
93
BOSCH Mutter | Ersatzteile für 1677 MDT | 1619X01283
Hersteller: BOSCH
Artikelnummer: EB-0601677239-1619X01283
Netto: 4,80 € zzgl. MwSt.
zzgl. 6,90 € Versand (brutto)
einmalig pro Bestellung

Lieferzeit: 5 Werktage

Pos.
107
BOSCH Gewindestift | Ersatzteile für 1677 MDT | 2610911889
Hersteller: BOSCH
Artikelnummer: EB-0601677239-2610911889
nur Informationsartikel
Nie mehr lieferbar
keine Alternativen
Pos.
114
BOSCH Schraube | Ersatzteile für 1677 MDT | 2610911890
Hersteller: BOSCH
Artikelnummer: EB-0601677239-2610911890
nur Informationsartikel
Nie mehr lieferbar
keine Alternativen
Pos.
116
BOSCH Montagehaken | Ersatzteile für 1677 MDT | 1619X01264
Hersteller: BOSCH
Artikelnummer: EB-0601677239-1619X01264
nur Informationsartikel
Nie mehr lieferbar
keine Alternativen
Pos.
651
BOSCH Steckschlüsseleinsatz | Ersatzteile für 1677 MDT | 1619X01144
Hersteller: BOSCH
Artikelnummer: EB-0601677239-1619X01144
nur Informationsartikel
Nie mehr lieferbar
keine Alternativen
Pos.
804
BOSCH Ein/Aus-Schalter | Ersatzteile für 1677 MDT | 2610321608
Hersteller: BOSCH
Artikelnummer: EB-0601677239-2610321608
nur Informationsartikel
Nie mehr lieferbar
keine Alternativen
Pos.
810
BOSCH Kohlebürstensatz | Ersatzteile für 1677 MDT | 1619X08020
Hersteller: BOSCH
Artikelnummer: EB-0601677239-1619X08020
nur Informationsartikel
Nie mehr lieferbar
keine Alternativen
Pos.
819
BOSCH Fuss | Ersatzteile für 1677 MDT | 2610996624
Hersteller: BOSCH
Artikelnummer: EB-0601677239-2610996624
nur Informationsartikel
Nie mehr lieferbar
keine Alternativen
Pos.
829
BOSCH Handgriff-Set | Ersatzteile für 1677 MDT | 2610917012
Hersteller: BOSCH
Artikelnummer: EB-0601677239-2610917012
nur Informationsartikel
Nie mehr lieferbar
keine Alternativen
Pos.
834
BOSCH Zahnradsatz | Ersatzteile für 1677 MDT | 1619X02374
Hersteller: BOSCH
Artikelnummer: EB-0601677239-1619X02374
Netto: 42,08 € zzgl. MwSt.
zzgl. 6,90 € Versand (brutto)
einmalig pro Bestellung

Lieferzeit: 5 Werktage

Angaben zur Produktsicherheit

Hersteller:
Robert Bosch Power Tools GmbH
Postfach 30 02 20
70442 Stuttgart

E-Mail:
kontakt@bosch.de