BOSCH O-Ring 4,5x1,0 MM BLAU | Ersatzteile für 1706 A | 1600210044

Artikelnummer: EB-0601706739-1600210044

Position: 104

Marke: BOSCH


Bitte Kompatibilität prüfen!

Bitte prüfen Sie unbedingt die 10-stellige Typennummer Ihrer Maschine / Ihres Gerätes. Das Ersatzteil ist nur kompatibel, wenn Sie die Typennummer Ihrer Maschine in der unten stehenden Produktbeschreibung finden.

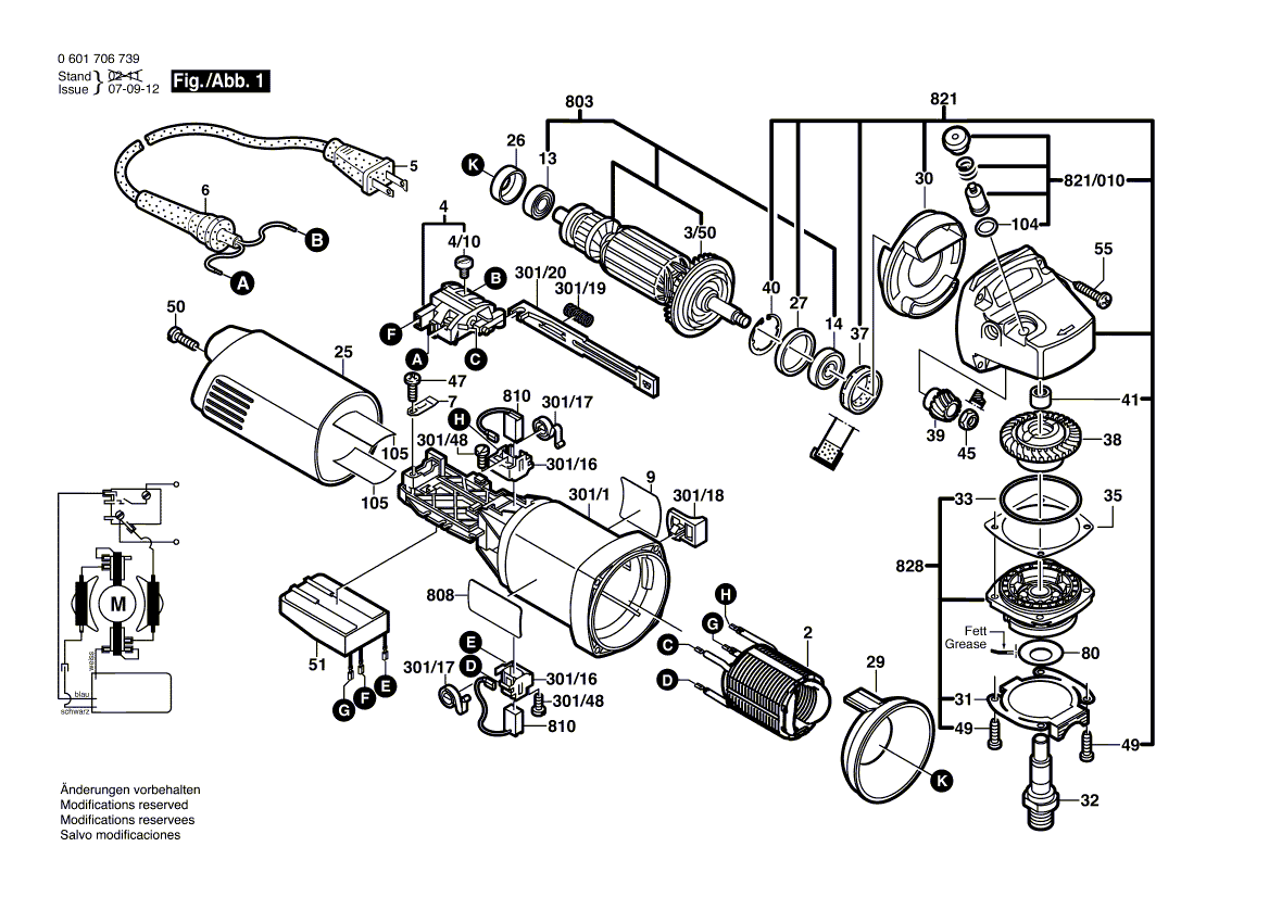
Bitte prüfen Sie ebenfalls detailliert die Explosionszeichnung mit Ihrem Artikelwunsch und der jeweiligen Pos-Nummer.

Alle Elemente, welche vom schwarzen Strich der Pos-Nummer ausgehend berührt / erfasst werden, gehören zu dieser Pos-Nummer und somit zu diesem Artikel. Jede Pos-Nummer ist ein eigenständiger Artikel, welchen Sie in der Auflistung finden.

Sie erhalten stets die aktuellste, neueste Produktversion zu der gewählten Pos-Nummer seitens des Herstellers. Es kann daher je nach Gerätealter vorkommen, dass Sie ggf. weitere, zugehörige Elemente, welche an diese Pos-Nummer grenzen, ebenfalls mittauschen müssen.

Nähere Informationen finden Sie unter dem Link
Hinweise zu Ihrer BOSCH Ersatzteilsuche

Preisübersicht

Einzelpreis: 3,63 €* (Brutto: 4,32 €)
Gesamtpreis: 3,63 €* 
Position:

Lieferzeit: 5 Werktage


Beschreibung

  • O-Ring 4,5x1,0 MM BLAU
  • Original Bosch Zubehör / BOSCH Ersatzteil (1600210044)
  • im Gerät verbaut: 1
Dieses BOSCH Ersatzteil ist mit folgendem Gerät und Modell kompatibel:
  • BOSCH Gerätename: 1706 A
  • BOSCH Explosionszeichnung: Position 104
  • BOSCH Typennummer: 0601706739
  • BOSCH Typennummer alternative Schreibweisen: 0 601 706 739, 0601 706 739, 0.601.706.739, 0-601-706-739
    Bitte prüfen Sie diese Typennummer auf Ihrem Gerät um die Kompatibilität des BOSCH Ersatzteils zu gewährleisten.
Weitere BOSCH Ersatzteile des Gerätes 1706 A (Winkelschleifer) mit der Typennummer 0601706739 finden Sie in der nachfolgenden Darstellung und im Dropdown zu Ihrer Auswahl:

Pos.
3/50
BOSCH Lüfter | Ersatzteile für 1706 A | 1606610132
Hersteller: BOSCH
Artikelnummer: EB-0601706739-1606610132
nur Informationsartikel
Nie mehr lieferbar
keine Alternativen
Pos.
301/1
BOSCH Motorgehäuse BLAU | Ersatzteile für 1706 A | 1605108208
Hersteller: BOSCH
Artikelnummer: EB-0601706739-1605108208
Netto: 9,95 € zzgl. MwSt.
zzgl. 6,90 € Versand (brutto)
einmalig pro Bestellung

Lieferzeit: 5 Werktage

Pos.
301/16
BOSCH Bürstenhalter | Ersatzteile für 1706 A | 1601323025
Hersteller: BOSCH
Artikelnummer: EB-0601706739-1601323025
Netto: 4,82 € zzgl. MwSt.
zzgl. 6,90 € Versand (brutto)
einmalig pro Bestellung

Lieferzeit: 5 Werktage

Pos.
301/17
BOSCH Spiralfeder | Ersatzteile für 1706 A | 1604652013
Hersteller: BOSCH
Artikelnummer: EB-0601706739-1604652013
Netto: 3,94 € zzgl. MwSt.
zzgl. 6,90 € Versand (brutto)
einmalig pro Bestellung

Lieferzeit: 5 Werktage

Pos.
301/18
BOSCH Schaltergriff SCHWARZ | Ersatzteile für 1706 A | 1602026057
Hersteller: BOSCH
Artikelnummer: EB-0601706739-1602026057
Netto: 3,94 € zzgl. MwSt.
zzgl. 6,90 € Versand (brutto)
einmalig pro Bestellung

Lieferzeit: 5 Werktage

Pos.
301/19
BOSCH Druckfeder | Ersatzteile für 1706 A | 1604611026
Hersteller: BOSCH
Artikelnummer: EB-0601706739-1604611026
Netto: 3,63 € zzgl. MwSt.
zzgl. 6,90 € Versand (brutto)
einmalig pro Bestellung

Lieferzeit: 20 Werktage

Pos.
301/20
BOSCH Verstellschieber | Ersatzteile für 1706 A | 1602319011
Hersteller: BOSCH
Artikelnummer: EB-0601706739-1602319011
Netto: 3,94 € zzgl. MwSt.
zzgl. 6,90 € Versand (brutto)
einmalig pro Bestellung

Lieferzeit: 5 Werktage

Pos.
301/48
BOSCH Blechschraube DIN7981-ST2,9x9,5C-Z | Ersatzteile für 1706 A | 2912401005
Hersteller: BOSCH
Artikelnummer: EB-0601706739-2912401005
Netto: 3,63 € zzgl. MwSt.
zzgl. 6,90 € Versand (brutto)
einmalig pro Bestellung

Lieferzeit: 5 Werktage

Pos.
4/10
BOSCH Flachkopfschraube DIN 85-AM3x6-CUZN | Ersatzteile für 1706 A | 2910110048
Hersteller: BOSCH
Artikelnummer: EB-0601706739-2910110048
Netto: 3,63 € zzgl. MwSt.
zzgl. 6,90 € Versand (brutto)
einmalig pro Bestellung

Lieferzeit: 5 Werktage

Pos.
650/10
BOSCH Zusatzhandgriff M10 | Ersatzteile für 1706 A | 1602025027
Hersteller: BOSCH
Artikelnummer: EB-0601706739-1602025027
Netto: 7,30 € zzgl. MwSt.
zzgl. 6,90 € Versand (brutto)
einmalig pro Bestellung

Lieferzeit: 5 Werktage

Pos.
650/20
BOSCH Aufnahmeflansch 5/8"-FL | Ersatzteile für 1706 A | 1605703127
Hersteller: BOSCH
Artikelnummer: EB-0601706739-1605703127
Netto: 35,77 € zzgl. MwSt.
zzgl. 6,90 € Versand (brutto)
einmalig pro Bestellung

Lieferzeit: 5 Werktage

Pos.
650/30
BOSCH Zweilochmutterndreher | Ersatzteile für 1706 A | 1607950052
Hersteller: BOSCH
Artikelnummer: EB-0601706739-1607950052
Netto: 5,19 € zzgl. MwSt.
zzgl. 6,90 € Versand (brutto)
einmalig pro Bestellung

Lieferzeit: 5 Werktage

Pos.
650/40
BOSCH Rundmutter 5/8" | Ersatzteile für 1706 A | 3603340503
Hersteller: BOSCH
Artikelnummer: EB-0601706739-3603340503
Netto: 15,75 € zzgl. MwSt.
zzgl. 6,90 € Versand (brutto)
einmalig pro Bestellung

Lieferzeit: 5 Werktage

Pos.
650/50
BOSCH Aufnahmeflansch 5/8"-FL+B | Ersatzteile für 1706 A | 3603340501
Hersteller: BOSCH
Artikelnummer: EB-0601706739-3603340501
Netto: 6,15 € zzgl. MwSt.
zzgl. 6,90 € Versand (brutto)
einmalig pro Bestellung

Lieferzeit: 5 Werktage

Pos.
821/010
BOSCH Druckknopf SCHWARZ | Ersatzteile für 1706 A | 1607000253
Hersteller: BOSCH
Artikelnummer: EB-0601706739-1607000253
Netto: 4,32 € zzgl. MwSt.
zzgl. 6,90 € Versand (brutto)
einmalig pro Bestellung

Lieferzeit: 5 Werktage

Pos.
2
BOSCH Polschuh 100-120V | Ersatzteile für 1706 A | 1604220307
Hersteller: BOSCH
Artikelnummer: EB-0601706739-1604220307
Netto: 28,45 € zzgl. MwSt.
zzgl. 6,90 € Versand (brutto)
einmalig pro Bestellung

Lieferzeit: 5 Werktage

Pos.
4
BOSCH Schalter | Ersatzteile für 1706 A | 1607200137
Hersteller: BOSCH
Artikelnummer: EB-0601706739-1607200137
Netto: 10,92 € zzgl. MwSt.
zzgl. 6,90 € Versand (brutto)
einmalig pro Bestellung

Lieferzeit: 5 Werktage

Pos.
5
BOSCH Netzanschlussleitung USA/CDN 2,68m 2 x 0,82mm SJ 18/2 | Ersatzteile für 1706 A | 2604460188
Hersteller: BOSCH
Artikelnummer: EB-0601706739-2604460188
nur Informationsartikel
Nie mehr lieferbar
keine Alternativen
Pos.
6
BOSCH Tülle Ø7,6-Ø8,2x95 MM | Ersatzteile für 1706 A | 2600703013
Hersteller: BOSCH
Artikelnummer: EB-0601706739-2600703013
Netto: 4,53 € zzgl. MwSt.
zzgl. 6,90 € Versand (brutto)
einmalig pro Bestellung

Lieferzeit: 5 Werktage

Pos.
7
BOSCH Befestigungsschelle | Ersatzteile für 1706 A | 1601302017
Hersteller: BOSCH
Artikelnummer: EB-0601706739-1601302017
Netto: 3,63 € zzgl. MwSt.
zzgl. 6,90 € Versand (brutto)
einmalig pro Bestellung

Lieferzeit: 5 Werktage

Pos.
9
BOSCH Firmenschild | Ersatzteile für 1706 A | 1601118C77
Hersteller: BOSCH
Artikelnummer: EB-0601706739-1601118C77
Netto: 5,13 € zzgl. MwSt.
zzgl. 6,90 € Versand (brutto)
einmalig pro Bestellung

Lieferzeit: 5 Werktage

Pos.
13
BOSCH Kugellager 7x19x6 | Ersatzteile für 1706 A | 2600905032
Hersteller: BOSCH
Artikelnummer: EB-0601706739-2600905032
Netto: 6,15 € zzgl. MwSt.
zzgl. 6,90 € Versand (brutto)
einmalig pro Bestellung

Lieferzeit: 20 Werktage

Pos.
14
BOSCH Rillenkugellager 8x22x7 | Ersatzteile für 1706 A | 1600905032
Hersteller: BOSCH
Artikelnummer: EB-0601706739-1600905032
Netto: 6,70 € zzgl. MwSt.
zzgl. 6,90 € Versand (brutto)
einmalig pro Bestellung

Lieferzeit: 10 Werktage

Pos.
25
BOSCH Gehäusedeckel BLAU | Ersatzteile für 1706 A | 1600508017
Hersteller: BOSCH
Artikelnummer: EB-0601706739-1600508017
Netto: 6,70 € zzgl. MwSt.
zzgl. 6,90 € Versand (brutto)
einmalig pro Bestellung

Lieferzeit: 5 Werktage

Pos.
26
BOSCH Gummiring | Ersatzteile für 1706 A | 1600206036
Hersteller: BOSCH
Artikelnummer: EB-0601706739-1600206036
Netto: 3,94 € zzgl. MwSt.
zzgl. 6,90 € Versand (brutto)
einmalig pro Bestellung

Lieferzeit: 5 Werktage

Pos.
27
BOSCH Gummiring | Ersatzteile für 1706 A | 1600206025
Hersteller: BOSCH
Artikelnummer: EB-0601706739-1600206025
Netto: 4,32 € zzgl. MwSt.
zzgl. 6,90 € Versand (brutto)
einmalig pro Bestellung

Lieferzeit: 5 Werktage

Pos.
29
BOSCH Luftleitring | Ersatzteile für 1706 A | 1600591025
Hersteller: BOSCH
Artikelnummer: EB-0601706739-1600591025
Netto: 4,53 € zzgl. MwSt.
zzgl. 6,90 € Versand (brutto)
einmalig pro Bestellung

Lieferzeit: 5 Werktage

Pos.
30
BOSCH Luftleitring | Ersatzteile für 1706 A | 1600591014
Hersteller: BOSCH
Artikelnummer: EB-0601706739-1600591014
Netto: 4,53 € zzgl. MwSt.
zzgl. 6,90 € Versand (brutto)
einmalig pro Bestellung

Lieferzeit: 5 Werktage

Pos.
31
BOSCH Spannfeder | Ersatzteile für 1706 A | 1601290007
Hersteller: BOSCH
Artikelnummer: EB-0601706739-1601290007
nur Informationsartikel
Nie mehr lieferbar
keine Alternativen
Pos.
32
BOSCH Schleifspindel | Ersatzteile für 1706AE | 1607000D6B
Hersteller: BOSCH
Artikelnummer: EB-0601706739-1607000D6B
Netto: 8,33 € zzgl. MwSt.
zzgl. 6,90 € Versand (brutto)
einmalig pro Bestellung

Lieferzeit: 5 Werktage

Pos.
32
BOSCH Schleifspindel 5/8" | Ersatzteile für 1706 A | 1603523122
Hersteller: BOSCH
Artikelnummer: EB-0601706739-1603523122
Netto: 26,95 € zzgl. MwSt.
zzgl. 6,90 € Versand (brutto)
einmalig pro Bestellung

Lieferzeit: 5 Werktage

Pos.
33
BOSCH O-Ring 46,0x1,1 MM ROT | Ersatzteile für 1706 A | 3600210124
Hersteller: BOSCH
Artikelnummer: EB-0601706739-3600210124
Netto: 4,82 € zzgl. MwSt.
zzgl. 6,90 € Versand (brutto)
einmalig pro Bestellung

Lieferzeit: 5 Werktage

Pos.
35
BOSCH Ausgleichscheibe 0,1 MM DICK | Ersatzteile für 1706 A | 1600136013
Hersteller: BOSCH
Artikelnummer: EB-0601706739-1600136013
Netto: 4,53 € zzgl. MwSt.
zzgl. 6,90 € Versand (brutto)
einmalig pro Bestellung

Lieferzeit: 5 Werktage

Pos.
35
BOSCH Ausgleichscheibe 0,2 MM DICK | Ersatzteile für 1706 A | 1600136014
Hersteller: BOSCH
Artikelnummer: EB-0601706739-1600136014
Netto: 4,53 € zzgl. MwSt.
zzgl. 6,90 € Versand (brutto)
einmalig pro Bestellung

Lieferzeit: 5 Werktage

Pos.
35
BOSCH Ausgleichscheibe 0,3 MM DICK | Ersatzteile für 1706 A | 1600136015
Hersteller: BOSCH
Artikelnummer: EB-0601706739-1600136015
nur Informationsartikel
Nie mehr lieferbar
keine Alternativen
Pos.
37
BOSCH Radial-Wellendichtring | Ersatzteile für 1706 A | 1600290016
Hersteller: BOSCH
Artikelnummer: EB-0601706739-1600290016
Netto: 4,53 € zzgl. MwSt.
zzgl. 6,90 € Versand (brutto)
einmalig pro Bestellung

Lieferzeit: 5 Werktage

Pos.
40
BOSCH Sicherungsbügel | Ersatzteile für 1706 A | 1600119011
Hersteller: BOSCH
Artikelnummer: EB-0601706739-1600119011
Netto: 4,32 € zzgl. MwSt.
zzgl. 6,90 € Versand (brutto)
einmalig pro Bestellung

Lieferzeit: 5 Werktage

Pos.
41
BOSCH Nadelhülse Ø8xØ12x8 MM | Ersatzteile für 1706 A | 1600910018
Hersteller: BOSCH
Artikelnummer: EB-0601706739-1600910018
Netto: 6,15 € zzgl. MwSt.
zzgl. 6,90 € Versand (brutto)
einmalig pro Bestellung

Lieferzeit: 5 Werktage

Pos.
45
BOSCH Sechskantmutter M7, SW10 | Ersatzteile für 1706 A | 1603300016
Hersteller: BOSCH
Artikelnummer: EB-0601706739-1603300016
Netto: 3,94 € zzgl. MwSt.
zzgl. 6,90 € Versand (brutto)
einmalig pro Bestellung

Lieferzeit: 5 Werktage

Pos.
47
BOSCH Blechschraube DIN7981-ST3,9x13-C-Z | Ersatzteile für 1706 A | 2912401018
Hersteller: BOSCH
Artikelnummer: EB-0601706739-2912401018
Netto: 3,63 € zzgl. MwSt.
zzgl. 6,90 € Versand (brutto)
einmalig pro Bestellung

Lieferzeit: 5 Werktage

Pos.
49
BOSCH Gewindefurchschraube | Ersatzteile für 1706 A | 1603435026
Hersteller: BOSCH
Artikelnummer: EB-0601706739-1603435026
Netto: 3,94 € zzgl. MwSt.
zzgl. 6,90 € Versand (brutto)
einmalig pro Bestellung

Lieferzeit: 5 Werktage

Pos.
50
BOSCH Blechschraube DIN7981-ST3,9x19-F-Z | Ersatzteile für 1706 A | 2912401420
Hersteller: BOSCH
Artikelnummer: EB-0601706739-2912401420
nur Informationsartikel
Nie mehr lieferbar
keine Alternativen
Pos.
51
BOSCH Drehzahlregler 110-120V | Ersatzteile für 1706 A | 1607233108
Hersteller: BOSCH
Artikelnummer: EB-0601706739-1607233108
nur Informationsartikel
Nie mehr lieferbar
keine Alternativen
Pos.
55
BOSCH Linsenschraube | Ersatzteile für 1706 A | 1603415005
Hersteller: BOSCH
Artikelnummer: EB-0601706739-1603415005
Netto: 3,59 € zzgl. MwSt.
zzgl. 6,90 € Versand (brutto)
einmalig pro Bestellung

Lieferzeit: 5 Werktage

Pos.
80
BOSCH Abdeckscheibe | Ersatzteile für 1706AE | 1619P09390
Hersteller: BOSCH
Artikelnummer: EB-0601706739-1619P09390
Netto: 4,32 € zzgl. MwSt.
zzgl. 6,90 € Versand (brutto)
einmalig pro Bestellung

Lieferzeit: 5 Werktage

Pos.
80
BOSCH Dichtscheibe | Ersatzteile für 1706 A | 3600150021
Hersteller: BOSCH
Artikelnummer: EB-0601706739-3600150021
Netto: 4,15 € zzgl. MwSt.
zzgl. 6,90 € Versand (brutto)
einmalig pro Bestellung

Lieferzeit: 5 Werktage

Pos.
104
BOSCH O-Ring 4,5x1,0 MM BLAU | Ersatzteile für 1706 A | 1600210044
Hersteller: BOSCH
Artikelnummer: EB-0601706739-1600210044
Netto: 3,63 € zzgl. MwSt.
zzgl. 6,90 € Versand (brutto)
einmalig pro Bestellung

Lieferzeit: 5 Werktage

Pos.
105
BOSCH Isolierplatte | Ersatzteile für 1706 A | 1601008005
Hersteller: BOSCH
Artikelnummer: EB-0601706739-1601008005
Netto: 6,15 € zzgl. MwSt.
zzgl. 6,90 € Versand (brutto)
einmalig pro Bestellung

Lieferzeit: 5 Werktage

Pos.
803
BOSCH Anker Mit Lüfter 100-120V | Ersatzteile für 1706 A | 1604010656
Hersteller: BOSCH
Artikelnummer: EB-0601706739-1604010656
nur Informationsartikel
Nie mehr lieferbar
keine Alternativen
Pos.
808
BOSCH Typschild | Ersatzteile für 1706 A | 1601118C76
Hersteller: BOSCH
Artikelnummer: EB-0601706739-1601118C76
nur Informationsartikel
Nie mehr lieferbar
keine Alternativen
Pos.
810
BOSCH Kohlebürstensatz | Ersatzteile für 1706 A | 1607014173
Hersteller: BOSCH
Artikelnummer: EB-0601706739-1607014173
Netto: 10,47 € zzgl. MwSt.
zzgl. 6,90 € Versand (brutto)
einmalig pro Bestellung

Lieferzeit: 5 Werktage

Pos.
821
BOSCH Getriebegehäuse | Ersatzteile für 1706 A | 1605806451
Hersteller: BOSCH
Artikelnummer: EB-0601706739-1605806451
Netto: 32,74 € zzgl. MwSt.
zzgl. 6,90 € Versand (brutto)
einmalig pro Bestellung

Lieferzeit: 5 Werktage

Pos.
828
BOSCH Lagerflansch GRAU | Ersatzteile für 1706 A | 1605805082
Hersteller: BOSCH
Artikelnummer: EB-0601706739-1605805082
nur Informationsartikel
Nie mehr lieferbar
keine Alternativen
Pos.
838
BOSCH Getriebeeinheit | Ersatzteile für 1706 A | 1607000D4Z
Hersteller: BOSCH
Artikelnummer: EB-0601706739-1607000D4Z
Netto: 17,38 € zzgl. MwSt.
zzgl. 6,90 € Versand (brutto)
einmalig pro Bestellung

Lieferzeit: 5 Werktage

Pos.
851
BOSCH Schutzhaube Ø 150 MM | Ersatzteile für 1706 A | 1605510358
Hersteller: BOSCH
Artikelnummer: EB-0601706739-1605510358
nur Informationsartikel
Nie mehr lieferbar
keine Alternativen

Angaben zur Produktsicherheit

Hersteller:
Robert Bosch Power Tools GmbH
Postfach 30 02 20
70442 Stuttgart

E-Mail:
kontakt@bosch.de