BOSCH Werkzeughalter | Ersatzteile für 1720 | F000615128

Artikelnummer: EB-F012172055-F000615128

Position: 844

Marke: BOSCH


Bitte Kompatibilität prüfen!

Bitte prüfen Sie unbedingt die 10-stellige Typennummer Ihrer Maschine / Ihres Gerätes. Das Ersatzteil ist nur kompatibel, wenn Sie die Typennummer Ihrer Maschine in der unten stehenden Produktbeschreibung finden.

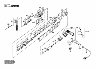
Bitte prüfen Sie ebenfalls detailliert die Explosionszeichnung mit Ihrem Artikelwunsch und der jeweiligen Pos-Nummer.

Alle Elemente, welche vom schwarzen Strich der Pos-Nummer ausgehend berührt / erfasst werden, gehören zu dieser Pos-Nummer und somit zu diesem Artikel. Jede Pos-Nummer ist ein eigenständiger Artikel, welchen Sie in der Auflistung finden.

Sie erhalten stets die aktuellste, neueste Produktversion zu der gewählten Pos-Nummer seitens des Herstellers. Es kann daher je nach Gerätealter vorkommen, dass Sie ggf. weitere, zugehörige Elemente, welche an diese Pos-Nummer grenzen, ebenfalls mittauschen müssen.

Nähere Informationen finden Sie unter dem Link
Hinweise zu Ihrer BOSCH Ersatzteilsuche

Preisübersicht

Einzelpreis: 26,88 €* (Brutto: 31,99 €)
Gesamtpreis: 26,88 €* 
Position:

Lieferzeit: 5 Werktage


Beschreibung

  • Werkzeughalter
  • Original Bosch Zubehör / BOSCH Ersatzteil (F000615128)
  • im Gerät verbaut: 1
Dieses BOSCH Ersatzteil ist mit folgendem Gerät und Modell kompatibel:
  • BOSCH Gerätename: 1720
  • BOSCH Explosionszeichnung: Position 844
  • BOSCH Typennummer: F012172055
  • BOSCH Typennummer alternative Schreibweisen: F 012 172 055, F012 172 055, F.012.172.055, F-012-172-055
    Bitte prüfen Sie diese Typennummer auf Ihrem Gerät um die Kompatibilität des BOSCH Ersatzteils zu gewährleisten.
Weitere BOSCH Ersatzteile des Gerätes 1720 (Bohrhammer) mit der Typennummer F012172055 finden Sie in der nachfolgenden Darstellung und im Dropdown zu Ihrer Auswahl:

Pos.
2
BOSCH Polschuhbaugruppe 220V | Ersatzteile für 1720 | F000607161
Hersteller: BOSCH
Artikelnummer: EB-F012172055-F000607161
Netto: 20,47 € zzgl. MwSt.
zzgl. 6,90 € Versand (brutto)
einmalig pro Bestellung

Lieferzeit: 5 Werktage

Pos.
3
BOSCH Anker 230V | Ersatzteile für 1720 | F000605220
Hersteller: BOSCH
Artikelnummer: EB-F012172055-F000605220
nur Informationsartikel
Nie mehr lieferbar
keine Alternativen
Pos.
4
BOSCH Ein/Aus-Schalter | Ersatzteile für 1720 | 1619PA7404
Hersteller: BOSCH
Artikelnummer: EB-F012172055-1619PA7404
nur Informationsartikel
Nie mehr lieferbar
keine Alternativen
Pos.
5
BOSCH Netzanschlussleitung | Ersatzteile für 1720 | 1619PA7407
Hersteller: BOSCH
Artikelnummer: EB-F012172055-1619PA7407
nur Informationsartikel
Nie mehr lieferbar
keine Alternativen
Pos.
6
BOSCH Tülle | Ersatzteile für 1720 | F000603162
Hersteller: BOSCH
Artikelnummer: EB-F012172055-F000603162
nur Informationsartikel
Nie mehr lieferbar
keine Alternativen
Pos.
13
BOSCH Wälzlager | Ersatzteile für 1720 | F000615126
Hersteller: BOSCH
Artikelnummer: EB-F012172055-F000615126
nur Informationsartikel
Nie mehr lieferbar
keine Alternativen
Pos.
14
BOSCH Wälzlager | Ersatzteile für 1720 | F000615125
Hersteller: BOSCH
Artikelnummer: EB-F012172055-F000615125
nur Informationsartikel
Nie mehr lieferbar
keine Alternativen
Pos.
22
BOSCH Schutzkappe | Ersatzteile für 1720 | F000603155
Hersteller: BOSCH
Artikelnummer: EB-F012172055-F000603155
nur Informationsartikel
Nie mehr lieferbar
keine Alternativen
Pos.
24
BOSCH Feststellring | Ersatzteile für 1720 | F000616437
Hersteller: BOSCH
Artikelnummer: EB-F012172055-F000616437
nur Informationsartikel
Nie mehr lieferbar
keine Alternativen
Pos.
25
BOSCH Stützscheibe | Ersatzteile für 1720 | F000615113
Hersteller: BOSCH
Artikelnummer: EB-F012172055-F000615113
nur Informationsartikel
Nie mehr lieferbar
keine Alternativen
Pos.
26
BOSCH Kugel | Ersatzteile für 1720 | F000615114
Hersteller: BOSCH
Artikelnummer: EB-F012172055-F000615114
nur Informationsartikel
Nie mehr lieferbar
keine Alternativen
Pos.
27
BOSCH Ringfeder | Ersatzteile für 1720 | F000620036
Hersteller: BOSCH
Artikelnummer: EB-F012172055-F000620036
nur Informationsartikel
Nie mehr lieferbar
keine Alternativen
Pos.
28
BOSCH Blechschraube | Ersatzteile für 1720 | F000616438
Hersteller: BOSCH
Artikelnummer: EB-F012172055-F000616438
nur Informationsartikel
Nie mehr lieferbar
keine Alternativen
Pos.
36
BOSCH Unterlegscheibe | Ersatzteile für 1720 | F000616441
Hersteller: BOSCH
Artikelnummer: EB-F012172055-F000616441
nur Informationsartikel
Nie mehr lieferbar
keine Alternativen
Pos.
37
BOSCH Feststellring | Ersatzteile für 1720 | F000616442
Hersteller: BOSCH
Artikelnummer: EB-F012172055-F000616442
nur Informationsartikel
Nie mehr lieferbar
keine Alternativen
Pos.
38
BOSCH Ring | Ersatzteile für 1720 | F000616443
Hersteller: BOSCH
Artikelnummer: EB-F012172055-F000616443
nur Informationsartikel
Nie mehr lieferbar
keine Alternativen
Pos.
39
BOSCH Ringfeder | Ersatzteile für 1720 | F000620038
Hersteller: BOSCH
Artikelnummer: EB-F012172055-F000620038
nur Informationsartikel
Nie mehr lieferbar
keine Alternativen
Pos.
40
BOSCH Tellerrad | Ersatzteile für 1720 | F000617065
Hersteller: BOSCH
Artikelnummer: EB-F012172055-F000617065
nur Informationsartikel
Nie mehr lieferbar
keine Alternativen
Pos.
41
BOSCH Führungsstift | Ersatzteile für 1720 | F000616444
Hersteller: BOSCH
Artikelnummer: EB-F012172055-F000616444
nur Informationsartikel
Nie mehr lieferbar
keine Alternativen
Pos.
42
BOSCH Rastscheibe | Ersatzteile für 1720 | F000615115
Hersteller: BOSCH
Artikelnummer: EB-F012172055-F000615115
nur Informationsartikel
Nie mehr lieferbar
keine Alternativen
Pos.
43
BOSCH Feststellring | Ersatzteile für 1720 | F000616445
Hersteller: BOSCH
Artikelnummer: EB-F012172055-F000616445
nur Informationsartikel
Nie mehr lieferbar
keine Alternativen
Pos.
45
BOSCH Radialdichtring | Ersatzteile für 1720 | F000616446
Hersteller: BOSCH
Artikelnummer: EB-F012172055-F000616446
nur Informationsartikel
Nie mehr lieferbar
keine Alternativen
Pos.
46
BOSCH Kontaktscheibe | Ersatzteile für 1720 | F000615116
Hersteller: BOSCH
Artikelnummer: EB-F012172055-F000615116
nur Informationsartikel
Nie mehr lieferbar
keine Alternativen
Pos.
47
BOSCH Schlagbolzen | Ersatzteile für 1720 | F000619080
Hersteller: BOSCH
Artikelnummer: EB-F012172055-F000619080
nur Informationsartikel
Nie mehr lieferbar
keine Alternativen
Pos.
48
BOSCH Flanschbuchse | Ersatzteile für 1720 | F000615117
Hersteller: BOSCH
Artikelnummer: EB-F012172055-F000615117
nur Informationsartikel
Nie mehr lieferbar
keine Alternativen
Pos.
49
BOSCH O-Ring | Ersatzteile für 1720 | F000616447
Hersteller: BOSCH
Artikelnummer: EB-F012172055-F000616447
nur Informationsartikel
Nie mehr lieferbar
keine Alternativen
Pos.
50
BOSCH O-Ring | Ersatzteile für 1720 | F000616448
Hersteller: BOSCH
Artikelnummer: EB-F012172055-F000616448
nur Informationsartikel
Nie mehr lieferbar
keine Alternativen
Pos.
51
BOSCH Führungsbuchse | Ersatzteile für 1720 | F000615118
Hersteller: BOSCH
Artikelnummer: EB-F012172055-F000615118
nur Informationsartikel
Nie mehr lieferbar
keine Alternativen
Pos.
52
BOSCH Feststellring | Ersatzteile für 1720 | F000616449
Hersteller: BOSCH
Artikelnummer: EB-F012172055-F000616449
nur Informationsartikel
Nie mehr lieferbar
keine Alternativen
Pos.
53
BOSCH Schläger | Ersatzteile für 1720 | F000615119
Hersteller: BOSCH
Artikelnummer: EB-F012172055-F000615119
nur Informationsartikel
Nie mehr lieferbar
keine Alternativen
Pos.
54
BOSCH O-Ring | Ersatzteile für 1720 | F000616450
Hersteller: BOSCH
Artikelnummer: EB-F012172055-F000616450
nur Informationsartikel
Nie mehr lieferbar
keine Alternativen
Pos.
55
BOSCH Hammerkolben | Ersatzteile für 1720 | F000615120
Hersteller: BOSCH
Artikelnummer: EB-F012172055-F000615120
nur Informationsartikel
Nie mehr lieferbar
keine Alternativen
Pos.
56
BOSCH Kolbenbolzen | Ersatzteile für 1720 | F000616451
Hersteller: BOSCH
Artikelnummer: EB-F012172055-F000616451
nur Informationsartikel
Nie mehr lieferbar
keine Alternativen
Pos.
57
BOSCH Unterlegscheibe | Ersatzteile für 1720 | F000616452
Hersteller: BOSCH
Artikelnummer: EB-F012172055-F000616452
nur Informationsartikel
Nie mehr lieferbar
keine Alternativen
Pos.
58
BOSCH Anlaufscheibe | Ersatzteile für 1720 | F000616453
Hersteller: BOSCH
Artikelnummer: EB-F012172055-F000616453
nur Informationsartikel
Nie mehr lieferbar
keine Alternativen
Pos.
59
BOSCH Gleitlager | Ersatzteile für 1720 | F000615121
Hersteller: BOSCH
Artikelnummer: EB-F012172055-F000615121
nur Informationsartikel
Nie mehr lieferbar
keine Alternativen
Pos.
60
BOSCH Radialdichtring | Ersatzteile für 1720 | F000616454
Hersteller: BOSCH
Artikelnummer: EB-F012172055-F000616454
nur Informationsartikel
Nie mehr lieferbar
keine Alternativen
Pos.
63
BOSCH Nadelhülse | Ersatzteile für 1720 | F000615124
Hersteller: BOSCH
Artikelnummer: EB-F012172055-F000615124
nur Informationsartikel
Nie mehr lieferbar
keine Alternativen
Pos.
78
BOSCH Radialdichtring | Ersatzteile für 1720 | F000616461
Hersteller: BOSCH
Artikelnummer: EB-F012172055-F000616461
nur Informationsartikel
Nie mehr lieferbar
keine Alternativen
Pos.
79
BOSCH Haube | Ersatzteile für 1720 | F000603158
Hersteller: BOSCH
Artikelnummer: EB-F012172055-F000603158
nur Informationsartikel
Nie mehr lieferbar
keine Alternativen
Pos.
88
BOSCH Zusatzhandgriff | Ersatzteile für 1720 | 1619PA7408
Hersteller: BOSCH
Artikelnummer: EB-F012172055-1619PA7408
nur Informationsartikel
Nie mehr lieferbar
keine Alternativen
Pos.
651
BOSCH Lineal | Ersatzteile für 1720 | F000634189
Hersteller: BOSCH
Artikelnummer: EB-F012172055-F000634189
nur Informationsartikel
Nie mehr lieferbar
keine Alternativen
Pos.
801
BOSCH Gehäusesatz | Ersatzteile für 1720 | 1619PA7401
Hersteller: BOSCH
Artikelnummer: EB-F012172055-1619PA7401
nur Informationsartikel
Nie mehr lieferbar
keine Alternativen
Pos.
807
BOSCH Geräteclip | Ersatzteile für 1720 | 1619PA7425
Hersteller: BOSCH
Artikelnummer: EB-F012172055-1619PA7425
nur Informationsartikel
Nie mehr lieferbar
keine Alternativen
Pos.
810
BOSCH Kohlebürstensatz | Ersatzteile für 1720 | 1619PA7424
Hersteller: BOSCH
Artikelnummer: EB-F012172055-1619PA7424
nur Informationsartikel
Nie mehr lieferbar
keine Alternativen
Pos.
816
BOSCH Kohlenstütze | Ersatzteile für 1720 | 1619PA7423
Hersteller: BOSCH
Artikelnummer: EB-F012172055-1619PA7423
nur Informationsartikel
Nie mehr lieferbar
keine Alternativen
Pos.
823
BOSCH Basisset | Ersatzteile für 1720 | F000603161
Hersteller: BOSCH
Artikelnummer: EB-F012172055-F000603161
Netto: 6,21 € zzgl. MwSt.
zzgl. 6,90 € Versand (brutto)
einmalig pro Bestellung

Lieferzeit: 5 Werktage

Pos.
829
BOSCH Getriebegehäuse | Ersatzteile für 1720 | 1619PA7402
Hersteller: BOSCH
Artikelnummer: EB-F012172055-1619PA7402
nur Informationsartikel
Nie mehr lieferbar
keine Alternativen
Pos.
833
BOSCH Gangknopf | Ersatzteile für 1720 | 1619PA7403
Hersteller: BOSCH
Artikelnummer: EB-F012172055-1619PA7403
nur Informationsartikel
Nie mehr lieferbar
keine Alternativen
Pos.
844
BOSCH Werkzeughalter | Ersatzteile für 1720 | F000615128
Hersteller: BOSCH
Artikelnummer: EB-F012172055-F000615128
Netto: 25,97 € zzgl. MwSt.
zzgl. 6,90 € Versand (brutto)
einmalig pro Bestellung

Lieferzeit: 5 Werktage

Pos.
853
BOSCH Kolben | Ersatzteile für 1720 | F000615129
Hersteller: BOSCH
Artikelnummer: EB-F012172055-F000615129
Netto: 10,47 € zzgl. MwSt.
zzgl. 6,90 € Versand (brutto)
einmalig pro Bestellung

Lieferzeit: 5 Werktage

Pos.
862
BOSCH Schlagwerk | Ersatzteile für 1720 | F000613092
Hersteller: BOSCH
Artikelnummer: EB-F012172055-F000613092
Netto: 13,61 € zzgl. MwSt.
zzgl. 6,90 € Versand (brutto)
einmalig pro Bestellung

Lieferzeit: 5 Werktage

Pos.
866
BOSCH Mitnehmerplatte | Ersatzteile für 1720 | F000619083
Hersteller: BOSCH
Artikelnummer: EB-F012172055-F000619083
Netto: 28,44 € zzgl. MwSt.
zzgl. 6,90 € Versand (brutto)
einmalig pro Bestellung

Lieferzeit: 5 Werktage

Angaben zur Produktsicherheit

Hersteller:
Robert Bosch Power Tools GmbH
Postfach 30 02 20
70442 Stuttgart

E-Mail:
kontakt@bosch.de