BOSCH Netzanschlussleitung GB 230V 4,15m 2 x 1,0mm H07 RN-F | Ersatzteile für 1762 | 1604460144

Artikelnummer: EB-F015176201-1604460144

Position: 5

Marke: BOSCH


Bitte Kompatibilität prüfen!

Bitte prüfen Sie unbedingt die 10-stellige Typennummer Ihrer Maschine / Ihres Gerätes. Das Ersatzteil ist nur kompatibel, wenn Sie die Typennummer Ihrer Maschine in der unten stehenden Produktbeschreibung finden.

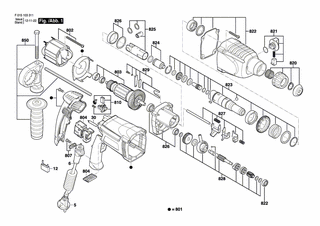
Bitte prüfen Sie ebenfalls detailliert die Explosionszeichnung mit Ihrem Artikelwunsch und der jeweiligen Pos-Nummer.

Alle Elemente, welche vom schwarzen Strich der Pos-Nummer ausgehend berührt / erfasst werden, gehören zu dieser Pos-Nummer und somit zu diesem Artikel. Jede Pos-Nummer ist ein eigenständiger Artikel, welchen Sie in der Auflistung finden.

Sie erhalten stets die aktuellste, neueste Produktversion zu der gewählten Pos-Nummer seitens des Herstellers. Es kann daher je nach Gerätealter vorkommen, dass Sie ggf. weitere, zugehörige Elemente, welche an diese Pos-Nummer grenzen, ebenfalls mittauschen müssen.

Nähere Informationen finden Sie unter dem Link
Hinweise zu Ihrer BOSCH Ersatzteilsuche

Preisübersicht

Einzelpreis: 32,74 €* (Brutto: 38,96 €)
Gesamtpreis: 32,74 €* 
Position:

Lieferzeit: 5 Werktage


Beschreibung

  • Netzanschlussleitung GB 230V 4,15m 2 x 1,0mm H07 RN-F / Achtung: bitte Landesversion beachten
  • Original Bosch Zubehör / BOSCH Ersatzteil (1604460144)
  • im Gerät verbaut: 1
Dieses BOSCH Ersatzteil ist mit folgendem Gerät und Modell kompatibel:
  • BOSCH Gerätename: 1762
  • BOSCH Explosionszeichnung: Position 5
  • BOSCH Typennummer: F015176201
  • BOSCH Typennummer alternative Schreibweisen: F 015 176 201, F015 176 201, F.015.176.201, F-015-176-201
    Bitte prüfen Sie diese Typennummer auf Ihrem Gerät um die Kompatibilität des BOSCH Ersatzteils zu gewährleisten.
Weitere BOSCH Ersatzteile des Gerätes 1762 (Bohrhammer) mit der Typennummer F015176201 finden Sie in der nachfolgenden Darstellung und im Dropdown zu Ihrer Auswahl:

Pos.
5
BOSCH Netzanschlussleitung CH 4,15m 2 x 1,0mm H07RN-F | Ersatzteile für 1762 | 1604460447
Hersteller: BOSCH
Artikelnummer: EB-F015176201-1604460447
nur Informationsartikel
Nie mehr lieferbar
keine Alternativen
Pos.
5
BOSCH Netzanschlussleitung EU 4,15m 2 x 1,0mm H07 RN-F | Ersatzteile für 1762 | 1607000227
Hersteller: BOSCH
Artikelnummer: EB-F015176201-1607000227
Netto: 20,80 € zzgl. MwSt.
zzgl. 6,90 € Versand (brutto)
einmalig pro Bestellung

Lieferzeit: 5 Werktage

Pos.
5
BOSCH Netzanschlussleitung GB 230V 4,15m 2 x 1,0mm H07 RN-F | Ersatzteile für 1762 | 1604460144
Hersteller: BOSCH
Artikelnummer: EB-F015176201-1604460144
Netto: 32,16 € zzgl. MwSt.
zzgl. 6,90 € Versand (brutto)
einmalig pro Bestellung

Lieferzeit: 5 Werktage

Pos.
6
BOSCH Lochöse | Ersatzteile für 1762 | 2610Z04484
Hersteller: BOSCH
Artikelnummer: EB-F015176201-2610Z04484
Netto: 4,50 € zzgl. MwSt.
zzgl. 6,90 € Versand (brutto)
einmalig pro Bestellung

Lieferzeit: 64 Werktage

Pos.
12
BOSCH Entstörkondensator | Ersatzteile für 1762 | 2610Z04483
Hersteller: BOSCH
Artikelnummer: EB-F015176201-2610Z04483
Netto: 4,50 € zzgl. MwSt.
zzgl. 6,90 € Versand (brutto)
einmalig pro Bestellung

Lieferzeit: 64 Werktage

Pos.
30
BOSCH Entstördrossel | Ersatzteile für 1762 | 2610Z04482
Hersteller: BOSCH
Artikelnummer: EB-F015176201-2610Z04482
Netto: 5,22 € zzgl. MwSt.
zzgl. 6,90 € Versand (brutto)
einmalig pro Bestellung

Lieferzeit: 64 Werktage

Pos.
801
BOSCH Motorgehäuse | Ersatzteile für 1762 | 2610Z04479
Hersteller: BOSCH
Artikelnummer: EB-F015176201-2610Z04479
Netto: 12,08 € zzgl. MwSt.
zzgl. 6,90 € Versand (brutto)
einmalig pro Bestellung

Lieferzeit: 64 Werktage

Pos.
802
BOSCH Polschuh 230V | Ersatzteile für 1762 | 2610Z04478
Hersteller: BOSCH
Artikelnummer: EB-F015176201-2610Z04478
Netto: 16,31 € zzgl. MwSt.
zzgl. 6,90 € Versand (brutto)
einmalig pro Bestellung

Lieferzeit: 64 Werktage

Pos.
803
BOSCH Anker 230V | Ersatzteile für 1762 | 2610Z04477
Hersteller: BOSCH
Artikelnummer: EB-F015176201-2610Z04477
Netto: 24,76 € zzgl. MwSt.
zzgl. 6,90 € Versand (brutto)
einmalig pro Bestellung

Lieferzeit: 64 Werktage

Pos.
804
BOSCH Ein/Aus-Schalter | Ersatzteile für 1762 | 2610Z04481
Hersteller: BOSCH
Artikelnummer: EB-F015176201-2610Z04481
Netto: 12,08 € zzgl. MwSt.
zzgl. 6,90 € Versand (brutto)
einmalig pro Bestellung

Lieferzeit: 64 Werktage

Pos.
807
BOSCH Leitungshalter | Ersatzteile für 1762 | 2610Z04600
Hersteller: BOSCH
Artikelnummer: EB-F015176201-2610Z04600
nur Informationsartikel
Nie mehr lieferbar
keine Alternativen
Pos.
810
BOSCH Kohlebürstensatz | Ersatzteile für 1762 | 2610Z04480
Hersteller: BOSCH
Artikelnummer: EB-F015176201-2610Z04480
Netto: 7,38 € zzgl. MwSt.
zzgl. 6,90 € Versand (brutto)
einmalig pro Bestellung

Lieferzeit: 64 Werktage

Pos.
820
BOSCH Bohrhalter | Ersatzteile für 1762 | 2610Z04467
Hersteller: BOSCH
Artikelnummer: EB-F015176201-2610Z04467
Netto: 7,38 € zzgl. MwSt.
zzgl. 6,90 € Versand (brutto)
einmalig pro Bestellung

Lieferzeit: 64 Werktage

Pos.
821
BOSCH Drehknopf | Ersatzteile für 1762 | 2610Z04468
Hersteller: BOSCH
Artikelnummer: EB-F015176201-2610Z04468
Netto: 5,22 € zzgl. MwSt.
zzgl. 6,90 € Versand (brutto)
einmalig pro Bestellung

Lieferzeit: 64 Werktage

Pos.
822
BOSCH Getriebegehäuse | Ersatzteile für 1762 | 2610Z04469
Hersteller: BOSCH
Artikelnummer: EB-F015176201-2610Z04469
Netto: 14,50 € zzgl. MwSt.
zzgl. 6,90 € Versand (brutto)
einmalig pro Bestellung

Lieferzeit: 64 Werktage

Pos.
823
BOSCH Antriebswelle | Ersatzteile für 1762 | 2610Z04470
Hersteller: BOSCH
Artikelnummer: EB-F015176201-2610Z04470
Netto: 27,48 € zzgl. MwSt.
zzgl. 6,90 € Versand (brutto)
einmalig pro Bestellung

Lieferzeit: 64 Werktage

Pos.
824
BOSCH Schlagbolzen | Ersatzteile für 1762 | 2610Z04471
Hersteller: BOSCH
Artikelnummer: EB-F015176201-2610Z04471
Netto: 7,38 € zzgl. MwSt.
zzgl. 6,90 € Versand (brutto)
einmalig pro Bestellung

Lieferzeit: 64 Werktage

Pos.
825
BOSCH Hammerkolben | Ersatzteile für 1762 | 2610Z04472
Hersteller: BOSCH
Artikelnummer: EB-F015176201-2610Z04472
nur Informationsartikel
Nie mehr lieferbar
keine Alternativen
Pos.
826
BOSCH Bodenrahmen | Ersatzteile für 1762 | 2610Z04473
Hersteller: BOSCH
Artikelnummer: EB-F015176201-2610Z04473
nur Informationsartikel
Nie mehr lieferbar
keine Alternativen
Pos.
827
BOSCH Umschalter | Ersatzteile für 1762 | 2610Z04474
Hersteller: BOSCH
Artikelnummer: EB-F015176201-2610Z04474
nur Informationsartikel
Nie mehr lieferbar
keine Alternativen
Pos.
828
BOSCH Taumelscheibe | Ersatzteile für 1762 | 2610Z04475
Hersteller: BOSCH
Artikelnummer: EB-F015176201-2610Z04475
Netto: 20,38 € zzgl. MwSt.
zzgl. 6,90 € Versand (brutto)
einmalig pro Bestellung

Lieferzeit: 64 Werktage

Pos.
829
BOSCH Rückhaltering | Ersatzteile für 1762 | 2610Z04476
Hersteller: BOSCH
Artikelnummer: EB-F015176201-2610Z04476
Netto: 5,74 € zzgl. MwSt.
zzgl. 6,90 € Versand (brutto)
einmalig pro Bestellung

Lieferzeit: 64 Werktage

Pos.
850
BOSCH Zusatzhandgriff | Ersatzteile für 1762 | 2610Z04485
Hersteller: BOSCH
Artikelnummer: EB-F015176201-2610Z04485
Netto: 8,08 € zzgl. MwSt.
zzgl. 6,90 € Versand (brutto)
einmalig pro Bestellung

Lieferzeit: 64 Werktage

Angaben zur Produktsicherheit

Hersteller:
Robert Bosch Power Tools GmbH
Postfach 30 02 20
70442 Stuttgart

E-Mail:
kontakt@bosch.de