BOSCH Elektronikmodul | Ersatzteile für 1800 | 2610396942

Artikelnummer: EB-F013180045-2610396942

Position: 820

Marke: BOSCH


Bitte Kompatibilität prüfen!

Bitte prüfen Sie unbedingt die 10-stellige Typennummer Ihrer Maschine / Ihres Gerätes. Das Ersatzteil ist nur kompatibel, wenn Sie die Typennummer Ihrer Maschine in der unten stehenden Produktbeschreibung finden.

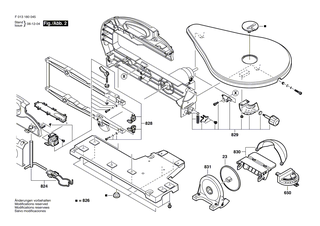
Bitte prüfen Sie ebenfalls detailliert die Explosionszeichnung mit Ihrem Artikelwunsch und der jeweiligen Pos-Nummer.

Alle Elemente, welche vom schwarzen Strich der Pos-Nummer ausgehend berührt / erfasst werden, gehören zu dieser Pos-Nummer und somit zu diesem Artikel. Jede Pos-Nummer ist ein eigenständiger Artikel, welchen Sie in der Auflistung finden.

Sie erhalten stets die aktuellste, neueste Produktversion zu der gewählten Pos-Nummer seitens des Herstellers. Es kann daher je nach Gerätealter vorkommen, dass Sie ggf. weitere, zugehörige Elemente, welche an diese Pos-Nummer grenzen, ebenfalls mittauschen müssen.

Nähere Informationen finden Sie unter dem Link
Hinweise zu Ihrer BOSCH Ersatzteilsuche

Preisübersicht

Einzelpreis: 39,11 €* (Brutto: 46,54 €)
Gesamtpreis: 39,11 €* 
Position:

Lieferzeit: 64 Werktage


Beschreibung

  • Elektronikmodul
  • Original Bosch Zubehör / BOSCH Ersatzteil (2610396942)
  • im Gerät verbaut: 1
Dieses BOSCH Ersatzteil ist mit folgendem Gerät und Modell kompatibel:
  • BOSCH Gerätename: 1800
  • BOSCH Explosionszeichnung: Position 820
  • BOSCH Typennummer: F013180045
  • BOSCH Typennummer alternative Schreibweisen: F 013 180 045, F013 180 045, F.013.180.045, F-013-180-045
    Bitte prüfen Sie diese Typennummer auf Ihrem Gerät um die Kompatibilität des BOSCH Ersatzteils zu gewährleisten.
Weitere BOSCH Ersatzteile des Gerätes 1800 (Bügelsäge) mit der Typennummer F013180045 finden Sie in der nachfolgenden Darstellung und im Dropdown zu Ihrer Auswahl:

Pos.
23
BOSCH Lamelle | Ersatzteile für 1800 | 2610396951
Hersteller: BOSCH
Artikelnummer: EB-F013180045-2610396951
nur Informationsartikel
Nie mehr lieferbar
keine Alternativen
Pos.
650
BOSCH Gehrungswinkel | Ersatzteile für 1800 | 2610396953
Hersteller: BOSCH
Artikelnummer: EB-F013180045-2610396953
Netto: 7,58 € zzgl. MwSt.
zzgl. 6,90 € Versand (brutto)
einmalig pro Bestellung

Lieferzeit: 64 Werktage

Pos.
651
BOSCH Schlüsselsatz | Ersatzteile für 1800 | 2610396955
Hersteller: BOSCH
Artikelnummer: EB-F013180045-2610396955
nur Informationsartikel
Nie mehr lieferbar
keine Alternativen
Pos.
804
BOSCH Schaltersatz | Ersatzteile für 1800 | 2610396941
Hersteller: BOSCH
Artikelnummer: EB-F013180045-2610396941
Netto: 14,36 € zzgl. MwSt.
zzgl. 6,90 € Versand (brutto)
einmalig pro Bestellung

Lieferzeit: 64 Werktage

Pos.
810
BOSCH Bürstenfedernsatz | Ersatzteile für 1800 | 2610396944
Hersteller: BOSCH
Artikelnummer: EB-F013180045-2610396944
nur Informationsartikel
Nie mehr lieferbar
keine Alternativen
Pos.
820
BOSCH Elektronikmodul | Ersatzteile für 1800 | 2610396942
Hersteller: BOSCH
Artikelnummer: EB-F013180045-2610396942
Netto: 39,11 € zzgl. MwSt.
zzgl. 6,90 € Versand (brutto)
einmalig pro Bestellung

Lieferzeit: 64 Werktage

Pos.
822
BOSCH Tür | Ersatzteile für 1800 | 2610396943
Hersteller: BOSCH
Artikelnummer: EB-F013180045-2610396943
nur Informationsartikel
Nie mehr lieferbar
keine Alternativen
Pos.
824
BOSCH Ersatzteilsatz | Ersatzteile für 1800 | 2610396952
Hersteller: BOSCH
Artikelnummer: EB-F013180045-2610396952
Netto: 7,76 € zzgl. MwSt.
zzgl. 6,90 € Versand (brutto)
einmalig pro Bestellung

Lieferzeit: 64 Werktage

Pos.
825
BOSCH Ersatzteilsatz | Ersatzteile für 1800 | 2610396954
Hersteller: BOSCH
Artikelnummer: EB-F013180045-2610396954
nur Informationsartikel
Nie mehr lieferbar
keine Alternativen
Pos.
826
BOSCH Ersatzteilsatz | Ersatzteile für 1800 | 2610396945
Hersteller: BOSCH
Artikelnummer: EB-F013180045-2610396945
Netto: 5,19 € zzgl. MwSt.
zzgl. 6,90 € Versand (brutto)
einmalig pro Bestellung

Lieferzeit: 64 Werktage

Pos.
827
BOSCH Feststelleinheit | Ersatzteile für 1800 | 2610396946
Hersteller: BOSCH
Artikelnummer: EB-F013180045-2610396946
nur Informationsartikel
Nie mehr lieferbar
keine Alternativen
Pos.
828
BOSCH Ersatzteilsatz | Ersatzteile für 1800 | 2610396947
Hersteller: BOSCH
Artikelnummer: EB-F013180045-2610396947
nur Informationsartikel
Nie mehr lieferbar
keine Alternativen
Pos.
829
BOSCH Ersatzteilsatz | Ersatzteile für 1800 | 2610396948
Hersteller: BOSCH
Artikelnummer: EB-F013180045-2610396948
nur Informationsartikel
Nie mehr lieferbar
keine Alternativen
Pos.
830
BOSCH Tischplatte | Ersatzteile für 1800 | 2610396949
Hersteller: BOSCH
Artikelnummer: EB-F013180045-2610396949
Netto: 52,14 € zzgl. MwSt.
zzgl. 6,90 € Versand (brutto)
einmalig pro Bestellung

Lieferzeit: 64 Werktage

Pos.
831
BOSCH Schutz | Ersatzteile für 1800 | 2610396950
Hersteller: BOSCH
Artikelnummer: EB-F013180045-2610396950
nur Informationsartikel
Nie mehr lieferbar
keine Alternativen

Angaben zur Produktsicherheit

Hersteller:
Robert Bosch Power Tools GmbH
Postfach 30 02 20
70442 Stuttgart

E-Mail:
kontakt@bosch.de