BOSCH Firmenschild | Ersatzteile für 1806 E | 1601118C77

Artikelnummer: EB-3601H26010-1601118C77

Position: 9

Marke: BOSCH


Bitte Kompatibilität prüfen!

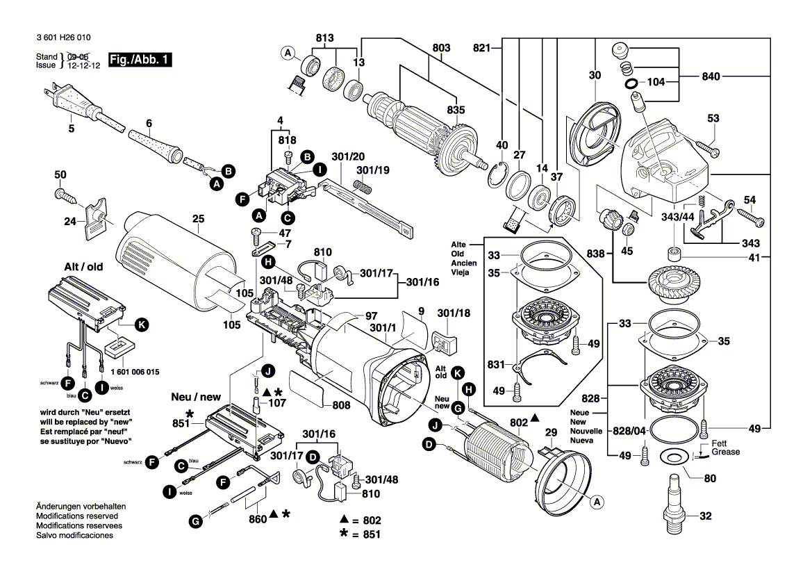
Bitte prüfen Sie unbedingt die 10-stellige Typennummer Ihrer Maschine / Ihres Gerätes. Das Ersatzteil ist nur kompatibel, wenn Sie die Typennummer Ihrer Maschine in der unten stehenden Produktbeschreibung finden.

Bitte prüfen Sie ebenfalls detailliert die Explosionszeichnung mit Ihrem Artikelwunsch und der jeweiligen Pos-Nummer.

Alle Elemente, welche vom schwarzen Strich der Pos-Nummer ausgehend berührt / erfasst werden, gehören zu dieser Pos-Nummer und somit zu diesem Artikel. Jede Pos-Nummer ist ein eigenständiger Artikel, welchen Sie in der Auflistung finden.

Sie erhalten stets die aktuellste, neueste Produktversion zu der gewählten Pos-Nummer seitens des Herstellers. Es kann daher je nach Gerätealter vorkommen, dass Sie ggf. weitere, zugehörige Elemente, welche an diese Pos-Nummer grenzen, ebenfalls mittauschen müssen.

Nähere Informationen finden Sie unter dem Link
Hinweise zu Ihrer BOSCH Ersatzteilsuche

Preisübersicht

Einzelpreis: 5,13 €* (Brutto: 6,10 €)
Gesamtpreis: 5,13 €* 
Position:

Lieferzeit: 5 Werktage


Beschreibung

  • Firmenschild
  • Original Bosch Zubehör / BOSCH Ersatzteil (1601118C77)
  • im Gerät verbaut: 1
Dieses BOSCH Ersatzteil ist mit folgendem Gerät und Modell kompatibel:
  • BOSCH Gerätename: 1806 E
  • BOSCH Explosionszeichnung: Position 9
  • BOSCH Typennummer: 3601H26010
  • BOSCH Typennummer alternative Schreibweisen: 3 601 H26 010, 3601 H26 010, 3.601.H26.010, 3-601-H26-010
    Bitte prüfen Sie diese Typennummer auf Ihrem Gerät um die Kompatibilität des BOSCH Ersatzteils zu gewährleisten.
Weitere BOSCH Ersatzteile des Gerätes 1806 E (Winkelschleifer) mit der Typennummer 3601H26010 finden Sie in der nachfolgenden Darstellung und im Dropdown zu Ihrer Auswahl:

Pos.
301/1
BOSCH Motorgehäuse BLAU | Ersatzteile für 1806 E | 1605108251
Hersteller: BOSCH
Artikelnummer: EB-3601H26010-1605108251
nur Informationsartikel
Nie mehr lieferbar
keine Alternativen
Pos.
301/16
BOSCH Bürstenhalter | Ersatzteile für 1806 E | 1601323025
Hersteller: BOSCH
Artikelnummer: EB-3601H26010-1601323025
Netto: 4,82 € zzgl. MwSt.
zzgl. 6,90 € Versand (brutto)
einmalig pro Bestellung

Lieferzeit: 5 Werktage

Pos.
301/17
BOSCH Spiralfeder | Ersatzteile für 1806 E | 1604652013
Hersteller: BOSCH
Artikelnummer: EB-3601H26010-1604652013
Netto: 3,94 € zzgl. MwSt.
zzgl. 6,90 € Versand (brutto)
einmalig pro Bestellung

Lieferzeit: 5 Werktage

Pos.
301/18
BOSCH Schaltergriff SCHWARZ | Ersatzteile für 1806 E | 1602026086
Hersteller: BOSCH
Artikelnummer: EB-3601H26010-1602026086
Netto: 4,32 € zzgl. MwSt.
zzgl. 6,90 € Versand (brutto)
einmalig pro Bestellung

Lieferzeit: 5 Werktage

Pos.
301/19
BOSCH Druckfeder | Ersatzteile für 1806 E | 1604611026
Hersteller: BOSCH
Artikelnummer: EB-3601H26010-1604611026
Netto: 3,63 € zzgl. MwSt.
zzgl. 6,90 € Versand (brutto)
einmalig pro Bestellung

Lieferzeit: 20 Werktage

Pos.
301/20
BOSCH Verstellschieber | Ersatzteile für 1806 E | 1602319011
Hersteller: BOSCH
Artikelnummer: EB-3601H26010-1602319011
Netto: 3,94 € zzgl. MwSt.
zzgl. 6,90 € Versand (brutto)
einmalig pro Bestellung

Lieferzeit: 5 Werktage

Pos.
301/48
BOSCH Linsenkopfschraube 3x10 ST | Ersatzteile für 1806 E | 1613435034
Hersteller: BOSCH
Artikelnummer: EB-3601H26010-1613435034
nur Informationsartikel
Nie mehr lieferbar
keine Alternativen
Pos.
343/44
BOSCH Druckfeder | Ersatzteile für 1806 E | 1604611042
Hersteller: BOSCH
Artikelnummer: EB-3601H26010-1604611042
nur Informationsartikel
Nie mehr lieferbar
keine Alternativen
Pos.
650/10
BOSCH Zusatzhandgriff | Ersatzteile für 1803EVS BARE | 16020250A0
Hersteller: BOSCH
Artikelnummer: EB-3601H26010-16020250A0
Netto: 9,95 € zzgl. MwSt.
zzgl. 6,90 € Versand (brutto)
einmalig pro Bestellung

Lieferzeit: 5 Werktage

Pos.
650/10
BOSCH Zusatzhandgriff M10, Ø37x115 MM ANTIVIBRATION | Ersatzteile für 1806 E | 1602025031
Hersteller: BOSCH
Artikelnummer: EB-3601H26010-1602025031
Netto: 14,92 € zzgl. MwSt.
zzgl. 6,90 € Versand (brutto)
einmalig pro Bestellung

Lieferzeit: 5 Werktage

Pos.
650/20
BOSCH Aufnahmeflansch 5/8"-FL | Ersatzteile für 1806 E | 1605703127
Hersteller: BOSCH
Artikelnummer: EB-3601H26010-1605703127
Netto: 35,77 € zzgl. MwSt.
zzgl. 6,90 € Versand (brutto)
einmalig pro Bestellung

Lieferzeit: 5 Werktage

Pos.
650/30
BOSCH Zweilochmutterndreher | Ersatzteile für 1806 E | 1607950052
Hersteller: BOSCH
Artikelnummer: EB-3601H26010-1607950052
Netto: 5,19 € zzgl. MwSt.
zzgl. 6,90 € Versand (brutto)
einmalig pro Bestellung

Lieferzeit: 5 Werktage

Pos.
650/40
BOSCH Rundmutter 5/8" | Ersatzteile für 1806 E | 3603340503
Hersteller: BOSCH
Artikelnummer: EB-3601H26010-3603340503
Netto: 15,75 € zzgl. MwSt.
zzgl. 6,90 € Versand (brutto)
einmalig pro Bestellung

Lieferzeit: 5 Werktage

Pos.
650/50
BOSCH Aufnahmeflansch 5/8"-FL+B | Ersatzteile für 1806 E | 3603340501
Hersteller: BOSCH
Artikelnummer: EB-3601H26010-3603340501
Netto: 6,15 € zzgl. MwSt.
zzgl. 6,90 € Versand (brutto)
einmalig pro Bestellung

Lieferzeit: 5 Werktage

Pos.
828/04
BOSCH O-Ring 47,0x1,5 MM | Ersatzteile für 1806 E | 3600210109
Hersteller: BOSCH
Artikelnummer: EB-3601H26010-3600210109
Netto: 4,32 € zzgl. MwSt.
zzgl. 6,90 € Versand (brutto)
einmalig pro Bestellung

Lieferzeit: 5 Werktage

Pos.
4
BOSCH Schalter | Ersatzteile für 1806 E | 1607200200
Hersteller: BOSCH
Artikelnummer: EB-3601H26010-1607200200
Netto: 9,95 € zzgl. MwSt.
zzgl. 6,90 € Versand (brutto)
einmalig pro Bestellung

Lieferzeit: 5 Werktage

Pos.
5
BOSCH Netzanschlussleitung USA/CAN/SMA 2,68m 2 x 1,31mm SJ 16/2 | Ersatzteile für 1806 E | 1604460336
Hersteller: BOSCH
Artikelnummer: EB-3601H26010-1604460336
Netto: 12,98 € zzgl. MwSt.
zzgl. 6,90 € Versand (brutto)
einmalig pro Bestellung

Lieferzeit: 5 Werktage

Pos.
6
BOSCH Tülle | Ersatzteile für 1806 E | 1600703040
Hersteller: BOSCH
Artikelnummer: EB-3601H26010-1600703040
Netto: 4,32 € zzgl. MwSt.
zzgl. 6,90 € Versand (brutto)
einmalig pro Bestellung

Lieferzeit: 5 Werktage

Pos.
7
BOSCH Befestigungsschelle | Ersatzteile für 1806 E | 1601302017
Hersteller: BOSCH
Artikelnummer: EB-3601H26010-1601302017
Netto: 3,63 € zzgl. MwSt.
zzgl. 6,90 € Versand (brutto)
einmalig pro Bestellung

Lieferzeit: 5 Werktage

Pos.
9
BOSCH Firmenschild | Ersatzteile für 1806 E | 1601118C77
Hersteller: BOSCH
Artikelnummer: EB-3601H26010-1601118C77
Netto: 5,13 € zzgl. MwSt.
zzgl. 6,90 € Versand (brutto)
einmalig pro Bestellung

Lieferzeit: 5 Werktage

Pos.
13
BOSCH Kugellager 7x19x6 | Ersatzteile für 1806 E | 2600905032
Hersteller: BOSCH
Artikelnummer: EB-3601H26010-2600905032
Netto: 6,15 € zzgl. MwSt.
zzgl. 6,90 € Versand (brutto)
einmalig pro Bestellung

Lieferzeit: 20 Werktage

Pos.
14
BOSCH Rillenkugellager 8x22x7 | Ersatzteile für 1806 E | 1600905032
Hersteller: BOSCH
Artikelnummer: EB-3601H26010-1600905032
Netto: 6,70 € zzgl. MwSt.
zzgl. 6,90 € Versand (brutto)
einmalig pro Bestellung

Lieferzeit: 10 Werktage

Pos.
24
BOSCH Abdeckung BLAU | Ersatzteile für 1806 E | 1605500228
Hersteller: BOSCH
Artikelnummer: EB-3601H26010-1605500228
Netto: 4,53 € zzgl. MwSt.
zzgl. 6,90 € Versand (brutto)
einmalig pro Bestellung

Lieferzeit: 5 Werktage

Pos.
25
BOSCH Gehäusedeckel DUNKELBLAU | Ersatzteile für 1806 E | 1605500251
Hersteller: BOSCH
Artikelnummer: EB-3601H26010-1605500251
Netto: 7,76 € zzgl. MwSt.
zzgl. 6,90 € Versand (brutto)
einmalig pro Bestellung

Lieferzeit: 5 Werktage

Pos.
27
BOSCH Gummiring | Ersatzteile für 1806 E | 1600206025
Hersteller: BOSCH
Artikelnummer: EB-3601H26010-1600206025
Netto: 4,32 € zzgl. MwSt.
zzgl. 6,90 € Versand (brutto)
einmalig pro Bestellung

Lieferzeit: 5 Werktage

Pos.
29
BOSCH Luftleitring | Ersatzteile für 1806 E | 1600591025
Hersteller: BOSCH
Artikelnummer: EB-3601H26010-1600591025
Netto: 4,53 € zzgl. MwSt.
zzgl. 6,90 € Versand (brutto)
einmalig pro Bestellung

Lieferzeit: 5 Werktage

Pos.
30
BOSCH Luftleitring | Ersatzteile für 1806 E | 1600591014
Hersteller: BOSCH
Artikelnummer: EB-3601H26010-1600591014
Netto: 4,53 € zzgl. MwSt.
zzgl. 6,90 € Versand (brutto)
einmalig pro Bestellung

Lieferzeit: 5 Werktage

Pos.
32
BOSCH Schleifspindel | Ersatzteile für 1803EVS BARE | 1607000D6B
Hersteller: BOSCH
Artikelnummer: EB-3601H26010-1607000D6B
Netto: 8,33 € zzgl. MwSt.
zzgl. 6,90 € Versand (brutto)
einmalig pro Bestellung

Lieferzeit: 5 Werktage

Pos.
32
BOSCH Schleifspindel 5/8" | Ersatzteile für 1806 E | 1603523122
Hersteller: BOSCH
Artikelnummer: EB-3601H26010-1603523122
Netto: 26,95 € zzgl. MwSt.
zzgl. 6,90 € Versand (brutto)
einmalig pro Bestellung

Lieferzeit: 5 Werktage

Pos.
33
BOSCH O-Ring 46,0x1,1 MM | Ersatzteile für 1806 E | 1600210035
Hersteller: BOSCH
Artikelnummer: EB-3601H26010-1600210035
Netto: 3,94 € zzgl. MwSt.
zzgl. 6,90 € Versand (brutto)
einmalig pro Bestellung

Lieferzeit: 5 Werktage

Pos.
35
BOSCH Ausgleichscheibe 0,1 MM DICK | Ersatzteile für 1806 E | 1600136013
Hersteller: BOSCH
Artikelnummer: EB-3601H26010-1600136013
Netto: 4,53 € zzgl. MwSt.
zzgl. 6,90 € Versand (brutto)
einmalig pro Bestellung

Lieferzeit: 5 Werktage

Pos.
35
BOSCH Ausgleichscheibe 0,15 MM DICK | Ersatzteile für 1806 E | 1600136020
Hersteller: BOSCH
Artikelnummer: EB-3601H26010-1600136020
nur Informationsartikel
Nie mehr lieferbar
keine Alternativen
Pos.
35
BOSCH Ausgleichscheibe 0,2 MM DICK | Ersatzteile für 1806 E | 1600136014
Hersteller: BOSCH
Artikelnummer: EB-3601H26010-1600136014
Netto: 4,53 € zzgl. MwSt.
zzgl. 6,90 € Versand (brutto)
einmalig pro Bestellung

Lieferzeit: 5 Werktage

Pos.
35
BOSCH Ausgleichscheibe 0,3 MM DICK | Ersatzteile für 1806 E | 1600136015
Hersteller: BOSCH
Artikelnummer: EB-3601H26010-1600136015
nur Informationsartikel
Nie mehr lieferbar
keine Alternativen
Pos.
37
BOSCH Radial-Wellendichtring | Ersatzteile für 1806 E | 1600290016
Hersteller: BOSCH
Artikelnummer: EB-3601H26010-1600290016
Netto: 4,53 € zzgl. MwSt.
zzgl. 6,90 € Versand (brutto)
einmalig pro Bestellung

Lieferzeit: 5 Werktage

Pos.
40
BOSCH Sicherungsbügel | Ersatzteile für 1806 E | 1600119011
Hersteller: BOSCH
Artikelnummer: EB-3601H26010-1600119011
Netto: 4,32 € zzgl. MwSt.
zzgl. 6,90 € Versand (brutto)
einmalig pro Bestellung

Lieferzeit: 5 Werktage

Pos.
41
BOSCH Gleitlager | Ersatzteile für 1806 E | 1600200029
Hersteller: BOSCH
Artikelnummer: EB-3601H26010-1600200029
Netto: 5,19 € zzgl. MwSt.
zzgl. 6,90 € Versand (brutto)
einmalig pro Bestellung

Lieferzeit: 5 Werktage

Pos.
45
BOSCH Sechskantmutter M7, SW10 | Ersatzteile für 1806 E | 1603300016
Hersteller: BOSCH
Artikelnummer: EB-3601H26010-1603300016
Netto: 3,94 € zzgl. MwSt.
zzgl. 6,90 € Versand (brutto)
einmalig pro Bestellung

Lieferzeit: 5 Werktage

Pos.
47
BOSCH Torx-Linsenschraube 4x12 | Ersatzteile für 1806 E | 2603490021
Hersteller: BOSCH
Artikelnummer: EB-3601H26010-2603490021
Netto: 3,63 € zzgl. MwSt.
zzgl. 6,90 € Versand (brutto)
einmalig pro Bestellung

Lieferzeit: 5 Werktage

Pos.
49
BOSCH Gewindefurchschraube M4x16 | Ersatzteile für 1806 E | 2914491410
Hersteller: BOSCH
Artikelnummer: EB-3601H26010-2914491410
Netto: 3,63 € zzgl. MwSt.
zzgl. 6,90 € Versand (brutto)
einmalig pro Bestellung

Lieferzeit: 5 Werktage

Pos.
50
BOSCH Torx-Linsenschraube 4x20 | Ersatzteile für 1806 E | 2603490023
Hersteller: BOSCH
Artikelnummer: EB-3601H26010-2603490023
Netto: 3,63 € zzgl. MwSt.
zzgl. 6,90 € Versand (brutto)
einmalig pro Bestellung

Lieferzeit: 5 Werktage

Pos.
53
BOSCH Torx-Linsenschraube | Ersatzteile für 1806 E | 1603435078
Hersteller: BOSCH
Artikelnummer: EB-3601H26010-1603435078
Netto: 3,63 € zzgl. MwSt.
zzgl. 6,90 € Versand (brutto)
einmalig pro Bestellung

Lieferzeit: 5 Werktage

Pos.
54
BOSCH Torx-Linsenschraube 4x30 | Ersatzteile für 1806 E | 1603414026
Hersteller: BOSCH
Artikelnummer: EB-3601H26010-1603414026
Netto: 3,63 € zzgl. MwSt.
zzgl. 6,90 € Versand (brutto)
einmalig pro Bestellung

Lieferzeit: 5 Werktage

Pos.
80
BOSCH Abdeckscheibe | Ersatzteile für 1803EVS BARE | 1619P09390
Hersteller: BOSCH
Artikelnummer: EB-3601H26010-1619P09390
Netto: 4,32 € zzgl. MwSt.
zzgl. 6,90 € Versand (brutto)
einmalig pro Bestellung

Lieferzeit: 5 Werktage

Pos.
80
BOSCH Dichtscheibe | Ersatzteile für 1806 E | 3600150021
Hersteller: BOSCH
Artikelnummer: EB-3601H26010-3600150021
Netto: 4,15 € zzgl. MwSt.
zzgl. 6,90 € Versand (brutto)
einmalig pro Bestellung

Lieferzeit: 5 Werktage

Pos.
97
BOSCH Warnschild | Ersatzteile für 1806 E | 1601118E49
Hersteller: BOSCH
Artikelnummer: EB-3601H26010-1601118E49
nur Informationsartikel
Nie mehr lieferbar
keine Alternativen
Pos.
104
BOSCH O-Ring 4,5x1,0 MM BLAU | Ersatzteile für 1806 E | 1600210044
Hersteller: BOSCH
Artikelnummer: EB-3601H26010-1600210044
Netto: 3,63 € zzgl. MwSt.
zzgl. 6,90 € Versand (brutto)
einmalig pro Bestellung

Lieferzeit: 5 Werktage

Pos.
105
BOSCH Isolierplatte | Ersatzteile für 1806 E | 1601008005
Hersteller: BOSCH
Artikelnummer: EB-3601H26010-1601008005
Netto: 6,15 € zzgl. MwSt.
zzgl. 6,90 € Versand (brutto)
einmalig pro Bestellung

Lieferzeit: 5 Werktage

Pos.
107
BOSCH Isolierteil | Ersatzteile für 1806 E | 1600712030
Hersteller: BOSCH
Artikelnummer: EB-3601H26010-1600712030
Netto: 3,94 € zzgl. MwSt.
zzgl. 6,90 € Versand (brutto)
einmalig pro Bestellung

Lieferzeit: 5 Werktage

Pos.
343
BOSCH Rasthebel | Ersatzteile für 1806 E | 1607000742
Hersteller: BOSCH
Artikelnummer: EB-3601H26010-1607000742
nur Informationsartikel
Nie mehr lieferbar
keine Alternativen
Pos.
651
BOSCH Schutzhaube | Ersatzteile für 1803EVS BARE | 1600A00XL6
Hersteller: BOSCH
Artikelnummer: EB-3601H26010-1600A00XL6
Netto: 15,75 € zzgl. MwSt.
zzgl. 6,90 € Versand (brutto)
einmalig pro Bestellung

Lieferzeit: 5 Werktage

Pos.
651
BOSCH Schutzhaube Ø150 MM | Ersatzteile für 1806 E | 1605510379
Hersteller: BOSCH
Artikelnummer: EB-3601H26010-1605510379
Netto: 17,03 € zzgl. MwSt.
zzgl. 6,90 € Versand (brutto)
einmalig pro Bestellung

Lieferzeit: 5 Werktage

Pos.
802
BOSCH Polschuh 100-120V | Ersatzteile für 1806 E | 1607000398
Hersteller: BOSCH
Artikelnummer: EB-3601H26010-1607000398
Netto: 26,88 € zzgl. MwSt.
zzgl. 6,90 € Versand (brutto)
einmalig pro Bestellung

Lieferzeit: 5 Werktage

Pos.
803
BOSCH Anker Mit Lüfter 120V | Ersatzteile für 1806 E | 1604010A48
Hersteller: BOSCH
Artikelnummer: EB-3601H26010-1604010A48
Netto: 45,41 € zzgl. MwSt.
zzgl. 6,90 € Versand (brutto)
einmalig pro Bestellung

Lieferzeit: 5 Werktage

Pos.
808
BOSCH Typschild | Ersatzteile für 1806 E | 1601118K49
Hersteller: BOSCH
Artikelnummer: EB-3601H26010-1601118K49
Netto: 4,53 € zzgl. MwSt.
zzgl. 6,90 € Versand (brutto)
einmalig pro Bestellung

Lieferzeit: 5 Werktage

Pos.
810
BOSCH Kohlebürstensatz | Ersatzteile für 1806 E | 1607014173
Hersteller: BOSCH
Artikelnummer: EB-3601H26010-1607014173
Netto: 10,47 € zzgl. MwSt.
zzgl. 6,90 € Versand (brutto)
einmalig pro Bestellung

Lieferzeit: 5 Werktage

Pos.
813
BOSCH Teilesatz | Ersatzteile für 1806 E | 1607000378
Hersteller: BOSCH
Artikelnummer: EB-3601H26010-1607000378
Netto: 7,30 € zzgl. MwSt.
zzgl. 6,90 € Versand (brutto)
einmalig pro Bestellung

Lieferzeit: 5 Werktage

Pos.
818
BOSCH Flachkopfschraube DIN 85-AM3x6-CUZN | Ersatzteile für 1806 E | 2910110048
Hersteller: BOSCH
Artikelnummer: EB-3601H26010-2910110048
Netto: 3,63 € zzgl. MwSt.
zzgl. 6,90 € Versand (brutto)
einmalig pro Bestellung

Lieferzeit: 5 Werktage

Pos.
821
BOSCH Getriebegehäuse | Ersatzteile für 1806 E | 16058065SB
Hersteller: BOSCH
Artikelnummer: EB-3601H26010-16058065SB
Netto: 26,88 € zzgl. MwSt.
zzgl. 6,90 € Versand (brutto)
einmalig pro Bestellung

Lieferzeit: 5 Werktage

Pos.
828
BOSCH Lagerflansch | Ersatzteile für 1806 E | 1607000D6D
Hersteller: BOSCH
Artikelnummer: EB-3601H26010-1607000D6D
Netto: 12,98 € zzgl. MwSt.
zzgl. 6,90 € Versand (brutto)
einmalig pro Bestellung

Lieferzeit: 20 Werktage

Pos.
831
BOSCH Federelement | Ersatzteile für 1806 E | 1601290013
Hersteller: BOSCH
Artikelnummer: EB-3601H26010-1601290013
Netto: 3,63 € zzgl. MwSt.
zzgl. 6,90 € Versand (brutto)
einmalig pro Bestellung

Lieferzeit: 5 Werktage

Pos.
835
BOSCH Lüfter | Ersatzteile für 1806 E | 1606610132
Hersteller: BOSCH
Artikelnummer: EB-3601H26010-1606610132
nur Informationsartikel
Nie mehr lieferbar
keine Alternativen
Pos.
838
BOSCH Getriebeeinheit | Ersatzteile für 1806 E | 1607000D4Z
Hersteller: BOSCH
Artikelnummer: EB-3601H26010-1607000D4Z
Netto: 17,38 € zzgl. MwSt.
zzgl. 6,90 € Versand (brutto)
einmalig pro Bestellung

Lieferzeit: 5 Werktage

Pos.
840
BOSCH Druckknopf | Ersatzteile für 1806 E | 1607000A71
Hersteller: BOSCH
Artikelnummer: EB-3601H26010-1607000A71
Netto: 5,19 € zzgl. MwSt.
zzgl. 6,90 € Versand (brutto)
einmalig pro Bestellung

Lieferzeit: 5 Werktage

Pos.
851
BOSCH Drehzahlregler | Ersatzteile für 1806 E | 1607233267
Hersteller: BOSCH
Artikelnummer: EB-3601H26010-1607233267
Netto: 39,11 € zzgl. MwSt.
zzgl. 6,90 € Versand (brutto)
einmalig pro Bestellung

Lieferzeit: 5 Werktage

Pos.
860
BOSCH Verbindungskabel | Ersatzteile für 1806 E | 1604448023
Hersteller: BOSCH
Artikelnummer: EB-3601H26010-1604448023
Netto: 3,94 € zzgl. MwSt.
zzgl. 6,90 € Versand (brutto)
einmalig pro Bestellung

Lieferzeit: 5 Werktage

Angaben zur Produktsicherheit

Hersteller:
Robert Bosch Power Tools GmbH
Postfach 30 02 20
70442 Stuttgart

E-Mail:
kontakt@bosch.de