BOSCH O-Ring 46,0x1,1 MM | Ersatzteile für 1810 PSD | 1600210035

Artikelnummer: EB-3601H31210-1600210035

Position: 33

Marke: BOSCH


Bitte Kompatibilität prüfen!

Bitte prüfen Sie unbedingt die 10-stellige Typennummer Ihrer Maschine / Ihres Gerätes. Das Ersatzteil ist nur kompatibel, wenn Sie die Typennummer Ihrer Maschine in der unten stehenden Produktbeschreibung finden.

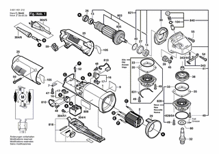
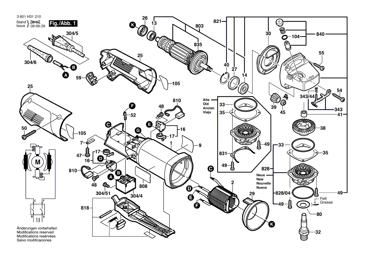
Bitte prüfen Sie ebenfalls detailliert die Explosionszeichnung mit Ihrem Artikelwunsch und der jeweiligen Pos-Nummer.

Alle Elemente, welche vom schwarzen Strich der Pos-Nummer ausgehend berührt / erfasst werden, gehören zu dieser Pos-Nummer und somit zu diesem Artikel. Jede Pos-Nummer ist ein eigenständiger Artikel, welchen Sie in der Auflistung finden.

Sie erhalten stets die aktuellste, neueste Produktversion zu der gewählten Pos-Nummer seitens des Herstellers. Es kann daher je nach Gerätealter vorkommen, dass Sie ggf. weitere, zugehörige Elemente, welche an diese Pos-Nummer grenzen, ebenfalls mittauschen müssen.

Nähere Informationen finden Sie unter dem Link
Hinweise zu Ihrer BOSCH Ersatzteilsuche

Preisübersicht

Einzelpreis: 3,94 €* (Brutto: 4,69 €)
Gesamtpreis: 3,94 €* 
Position:

Lieferzeit: 5 Werktage


Beschreibung

  • O-Ring 46,0x1,1 MM
  • Original Bosch Zubehör / BOSCH Ersatzteil (1600210035)
  • im Gerät verbaut: 1
Dieses BOSCH Ersatzteil ist mit folgendem Gerät und Modell kompatibel:
  • BOSCH Gerätename: 1810 PSD
  • BOSCH Explosionszeichnung: Position 33
  • BOSCH Typennummer: 3601H31210
  • BOSCH Typennummer alternative Schreibweisen: 3 601 H31 210, 3601 H31 210, 3.601.H31.210, 3-601-H31-210
    Bitte prüfen Sie diese Typennummer auf Ihrem Gerät um die Kompatibilität des BOSCH Ersatzteils zu gewährleisten.
Weitere BOSCH Ersatzteile des Gerätes 1810 PSD (Winkelschleifer) mit der Typennummer 3601H31210 finden Sie in der nachfolgenden Darstellung und im Dropdown zu Ihrer Auswahl:

Pos.
1
BOSCH Motorgehäuse BLAU | Ersatzteile für 1810 PSD | 1605108222
Hersteller: BOSCH
Artikelnummer: EB-3601H31210-1605108222
Netto: 14,36 € zzgl. MwSt.
zzgl. 6,90 € Versand (brutto)
einmalig pro Bestellung

Lieferzeit: 5 Werktage

Pos.
304/4
BOSCH Schalter | Ersatzteile für 1810 PSD | 1607200155
Hersteller: BOSCH
Artikelnummer: EB-3601H31210-1607200155
Netto: 12,98 € zzgl. MwSt.
zzgl. 6,90 € Versand (brutto)
einmalig pro Bestellung

Lieferzeit: 5 Werktage

Pos.
304/5
BOSCH Netzanschlussleitung USA/CDN 2,68m 2 x 082mm SJ 18/2 | Ersatzteile für 1810 PSD | 2604460187
Hersteller: BOSCH
Artikelnummer: EB-3601H31210-2604460187
Netto: 12,98 € zzgl. MwSt.
zzgl. 6,90 € Versand (brutto)
einmalig pro Bestellung

Lieferzeit: 5 Werktage

Pos.
304/51
BOSCH Linsenkopfschraube | Ersatzteile für 1810 PSD | 1603415004
Hersteller: BOSCH
Artikelnummer: EB-3601H31210-1603415004
Netto: 3,94 € zzgl. MwSt.
zzgl. 6,90 € Versand (brutto)
einmalig pro Bestellung

Lieferzeit: 5 Werktage

Pos.
304/6
BOSCH Tülle | Ersatzteile für 1810 PSD | 1600703040
Hersteller: BOSCH
Artikelnummer: EB-3601H31210-1600703040
Netto: 4,32 € zzgl. MwSt.
zzgl. 6,90 € Versand (brutto)
einmalig pro Bestellung

Lieferzeit: 5 Werktage

Pos.
343/44
BOSCH Druckfeder | Ersatzteile für 1810 PSD | 1604611042
Hersteller: BOSCH
Artikelnummer: EB-3601H31210-1604611042
nur Informationsartikel
Nie mehr lieferbar
keine Alternativen
Pos.
650/10
BOSCH Zusatzhandgriff | Ersatzteile für 1810D BARE | 16020250A0
Hersteller: BOSCH
Artikelnummer: EB-3601H31210-16020250A0
Netto: 9,95 € zzgl. MwSt.
zzgl. 6,90 € Versand (brutto)
einmalig pro Bestellung

Lieferzeit: 5 Werktage

Pos.
650/10
BOSCH Zusatzhandgriff M10, Ø37x115 MM ANTIVIBRATION | Ersatzteile für 1810 PSD | 1602025031
Hersteller: BOSCH
Artikelnummer: EB-3601H31210-1602025031
Netto: 14,92 € zzgl. MwSt.
zzgl. 6,90 € Versand (brutto)
einmalig pro Bestellung

Lieferzeit: 5 Werktage

Pos.
650/20
BOSCH Aufnahmeflansch 5/8"-FL+B | Ersatzteile für 1810 PSD | 3603340501
Hersteller: BOSCH
Artikelnummer: EB-3601H31210-3603340501
Netto: 6,15 € zzgl. MwSt.
zzgl. 6,90 € Versand (brutto)
einmalig pro Bestellung

Lieferzeit: 5 Werktage

Pos.
650/30
BOSCH Zweilochmutterndreher | Ersatzteile für 1810 PSD | 1607950052
Hersteller: BOSCH
Artikelnummer: EB-3601H31210-1607950052
Netto: 5,19 € zzgl. MwSt.
zzgl. 6,90 € Versand (brutto)
einmalig pro Bestellung

Lieferzeit: 5 Werktage

Pos.
650/50
BOSCH Rundmutter 5/8" | Ersatzteile für 1810 PSD | 3603340503
Hersteller: BOSCH
Artikelnummer: EB-3601H31210-3603340503
Netto: 15,75 € zzgl. MwSt.
zzgl. 6,90 € Versand (brutto)
einmalig pro Bestellung

Lieferzeit: 5 Werktage

Pos.
828/04
BOSCH O-Ring 47,0x1,5 MM | Ersatzteile für 1810 PSD | 3600210109
Hersteller: BOSCH
Artikelnummer: EB-3601H31210-3600210109
Netto: 4,32 € zzgl. MwSt.
zzgl. 6,90 € Versand (brutto)
einmalig pro Bestellung

Lieferzeit: 5 Werktage

Pos.
2
BOSCH Polschuh | Ersatzteile für 1810D BARE | 1604220586
Hersteller: BOSCH
Artikelnummer: EB-3601H31210-1604220586
Netto: 23,72 € zzgl. MwSt.
zzgl. 6,90 € Versand (brutto)
einmalig pro Bestellung

Lieferzeit: 5 Werktage

Pos.
2
BOSCH Polschuh 110-120V | Ersatzteile für 1810 PSD | 1604220306
Hersteller: BOSCH
Artikelnummer: EB-3601H31210-1604220306
Netto: 20,47 € zzgl. MwSt.
zzgl. 6,90 € Versand (brutto)
einmalig pro Bestellung

Lieferzeit: 5 Werktage

Pos.
7
BOSCH Befestigungsschelle | Ersatzteile für 1810 PSD | 1601302017
Hersteller: BOSCH
Artikelnummer: EB-3601H31210-1601302017
Netto: 3,63 € zzgl. MwSt.
zzgl. 6,90 € Versand (brutto)
einmalig pro Bestellung

Lieferzeit: 5 Werktage

Pos.
9
BOSCH Firmenschild | Ersatzteile für 1810 PSD | 1601118C43
Hersteller: BOSCH
Artikelnummer: EB-3601H31210-1601118C43
nur Informationsartikel
Nie mehr lieferbar
keine Alternativen
Pos.
13
BOSCH Kugellager 7x19x6 | Ersatzteile für 1810 PSD | 2600905032
Hersteller: BOSCH
Artikelnummer: EB-3601H31210-2600905032
Netto: 6,15 € zzgl. MwSt.
zzgl. 6,90 € Versand (brutto)
einmalig pro Bestellung

Lieferzeit: 20 Werktage

Pos.
14
BOSCH Rillenkugellager 8x22x7 | Ersatzteile für 1810 PSD | 1600905032
Hersteller: BOSCH
Artikelnummer: EB-3601H31210-1600905032
Netto: 6,70 € zzgl. MwSt.
zzgl. 6,90 € Versand (brutto)
einmalig pro Bestellung

Lieferzeit: 10 Werktage

Pos.
16
BOSCH Bürstenhalter | Ersatzteile für 1810 PSD | 1601323025
Hersteller: BOSCH
Artikelnummer: EB-3601H31210-1601323025
Netto: 4,82 € zzgl. MwSt.
zzgl. 6,90 € Versand (brutto)
einmalig pro Bestellung

Lieferzeit: 5 Werktage

Pos.
17
BOSCH Spiralfeder | Ersatzteile für 1810 PSD | 1604652013
Hersteller: BOSCH
Artikelnummer: EB-3601H31210-1604652013
Netto: 3,94 € zzgl. MwSt.
zzgl. 6,90 € Versand (brutto)
einmalig pro Bestellung

Lieferzeit: 5 Werktage

Pos.
25
BOSCH Gehäusedeckel BLAU | Ersatzteile für 1810 PSD | 1600508031
Hersteller: BOSCH
Artikelnummer: EB-3601H31210-1600508031
Netto: 9,95 € zzgl. MwSt.
zzgl. 6,90 € Versand (brutto)
einmalig pro Bestellung

Lieferzeit: 5 Werktage

Pos.
26
BOSCH Gummiring | Ersatzteile für 1810 PSD | 1600206036
Hersteller: BOSCH
Artikelnummer: EB-3601H31210-1600206036
Netto: 3,94 € zzgl. MwSt.
zzgl. 6,90 € Versand (brutto)
einmalig pro Bestellung

Lieferzeit: 5 Werktage

Pos.
27
BOSCH Gummiring | Ersatzteile für 1810 PSD | 1600206025
Hersteller: BOSCH
Artikelnummer: EB-3601H31210-1600206025
Netto: 4,32 € zzgl. MwSt.
zzgl. 6,90 € Versand (brutto)
einmalig pro Bestellung

Lieferzeit: 5 Werktage

Pos.
29
BOSCH Luftleitring | Ersatzteile für 1810 PSD | 1600591038
Hersteller: BOSCH
Artikelnummer: EB-3601H31210-1600591038
Netto: 4,53 € zzgl. MwSt.
zzgl. 6,90 € Versand (brutto)
einmalig pro Bestellung

Lieferzeit: 5 Werktage

Pos.
30
BOSCH Luftleitring | Ersatzteile für 1810 PSD | 1600591014
Hersteller: BOSCH
Artikelnummer: EB-3601H31210-1600591014
Netto: 4,53 € zzgl. MwSt.
zzgl. 6,90 € Versand (brutto)
einmalig pro Bestellung

Lieferzeit: 5 Werktage

Pos.
32
BOSCH Schleifspindel | Ersatzteile für 1810D BARE | 1607000D6B
Hersteller: BOSCH
Artikelnummer: EB-3601H31210-1607000D6B
Netto: 8,33 € zzgl. MwSt.
zzgl. 6,90 € Versand (brutto)
einmalig pro Bestellung

Lieferzeit: 5 Werktage

Pos.
32
BOSCH Schleifspindel 5/8" | Ersatzteile für 1810 PSD | 1603523122
Hersteller: BOSCH
Artikelnummer: EB-3601H31210-1603523122
Netto: 26,95 € zzgl. MwSt.
zzgl. 6,90 € Versand (brutto)
einmalig pro Bestellung

Lieferzeit: 5 Werktage

Pos.
33
BOSCH O-Ring 46,0x1,1 MM | Ersatzteile für 1810 PSD | 1600210035
Hersteller: BOSCH
Artikelnummer: EB-3601H31210-1600210035
Netto: 3,94 € zzgl. MwSt.
zzgl. 6,90 € Versand (brutto)
einmalig pro Bestellung

Lieferzeit: 5 Werktage

Pos.
35
BOSCH Ausgleichscheibe 0,1 MM DICK | Ersatzteile für 1810 PSD | 1600136013
Hersteller: BOSCH
Artikelnummer: EB-3601H31210-1600136013
Netto: 4,53 € zzgl. MwSt.
zzgl. 6,90 € Versand (brutto)
einmalig pro Bestellung

Lieferzeit: 5 Werktage

Pos.
35
BOSCH Ausgleichscheibe 0,15 MM DICK | Ersatzteile für 1810 PSD | 1600136020
Hersteller: BOSCH
Artikelnummer: EB-3601H31210-1600136020
nur Informationsartikel
Nie mehr lieferbar
keine Alternativen
Pos.
35
BOSCH Ausgleichscheibe 0,2 MM DICK | Ersatzteile für 1810 PSD | 1600136014
Hersteller: BOSCH
Artikelnummer: EB-3601H31210-1600136014
Netto: 4,53 € zzgl. MwSt.
zzgl. 6,90 € Versand (brutto)
einmalig pro Bestellung

Lieferzeit: 5 Werktage

Pos.
35
BOSCH Ausgleichscheibe 0,3 MM DICK | Ersatzteile für 1810 PSD | 1600136015
Hersteller: BOSCH
Artikelnummer: EB-3601H31210-1600136015
nur Informationsartikel
Nie mehr lieferbar
keine Alternativen
Pos.
38
BOSCH Tellerrad Z=38 | Ersatzteile für 1810 PSD | 1606333616
Hersteller: BOSCH
Artikelnummer: EB-3601H31210-1606333616
nur Informationsartikel
Nie mehr lieferbar
keine Alternativen
Pos.
39
BOSCH Kegelrad Z=11 | Ersatzteile für 1810 PSD | 1606333617
Hersteller: BOSCH
Artikelnummer: EB-3601H31210-1606333617
nur Informationsartikel
Nie mehr lieferbar
keine Alternativen
Pos.
40
BOSCH Sicherungsbügel | Ersatzteile für 1810 PSD | 1600119011
Hersteller: BOSCH
Artikelnummer: EB-3601H31210-1600119011
Netto: 4,32 € zzgl. MwSt.
zzgl. 6,90 € Versand (brutto)
einmalig pro Bestellung

Lieferzeit: 5 Werktage

Pos.
41
BOSCH Nadelhülse Ø8xØ12x8 MM | Ersatzteile für 1810 PSD | 1600910018
Hersteller: BOSCH
Artikelnummer: EB-3601H31210-1600910018
Netto: 6,15 € zzgl. MwSt.
zzgl. 6,90 € Versand (brutto)
einmalig pro Bestellung

Lieferzeit: 5 Werktage

Pos.
45
BOSCH Sechskantmutter M7, SW10 | Ersatzteile für 1810 PSD | 1603300016
Hersteller: BOSCH
Artikelnummer: EB-3601H31210-1603300016
Netto: 3,94 € zzgl. MwSt.
zzgl. 6,90 € Versand (brutto)
einmalig pro Bestellung

Lieferzeit: 5 Werktage

Pos.
47
BOSCH Torx-Linsenschraube 4x12 | Ersatzteile für 1810 PSD | 2603490021
Hersteller: BOSCH
Artikelnummer: EB-3601H31210-2603490021
Netto: 3,63 € zzgl. MwSt.
zzgl. 6,90 € Versand (brutto)
einmalig pro Bestellung

Lieferzeit: 5 Werktage

Pos.
48
BOSCH Linsenkopfschraube 3x10 ST | Ersatzteile für 1810 PSD | 1613435034
Hersteller: BOSCH
Artikelnummer: EB-3601H31210-1613435034
nur Informationsartikel
Nie mehr lieferbar
keine Alternativen
Pos.
49
BOSCH Gewindefurchschraube | Ersatzteile für 1810 PSD | 1603435026
Hersteller: BOSCH
Artikelnummer: EB-3601H31210-1603435026
Netto: 3,94 € zzgl. MwSt.
zzgl. 6,90 € Versand (brutto)
einmalig pro Bestellung

Lieferzeit: 5 Werktage

Pos.
50
BOSCH Blechschraube ST3,9x32 SILBER | Ersatzteile für 1810 PSD | 1603435051
Hersteller: BOSCH
Artikelnummer: EB-3601H31210-1603435051
Netto: 4,32 € zzgl. MwSt.
zzgl. 6,90 € Versand (brutto)
einmalig pro Bestellung

Lieferzeit: 5 Werktage

Pos.
52
BOSCH Anschlussteil | Ersatzteile für 1810 PSD | 1604478015
Hersteller: BOSCH
Artikelnummer: EB-3601H31210-1604478015
Netto: 3,63 € zzgl. MwSt.
zzgl. 6,90 € Versand (brutto)
einmalig pro Bestellung

Lieferzeit: 5 Werktage

Pos.
54
BOSCH Gewindefurchschraube M4x16 | Ersatzteile für 1810 PSD | 2914491410
Hersteller: BOSCH
Artikelnummer: EB-3601H31210-2914491410
Netto: 3,63 € zzgl. MwSt.
zzgl. 6,90 € Versand (brutto)
einmalig pro Bestellung

Lieferzeit: 5 Werktage

Pos.
55
BOSCH Torx-Linsenschraube | Ersatzteile für 1810 PSD | 1603435078
Hersteller: BOSCH
Artikelnummer: EB-3601H31210-1603435078
Netto: 3,63 € zzgl. MwSt.
zzgl. 6,90 € Versand (brutto)
einmalig pro Bestellung

Lieferzeit: 5 Werktage

Pos.
59
BOSCH Verschlussstopfen BLAU | Ersatzteile für 1810 PSD | 1602025082
Hersteller: BOSCH
Artikelnummer: EB-3601H31210-1602025082
Netto: 4,82 € zzgl. MwSt.
zzgl. 6,90 € Versand (brutto)
einmalig pro Bestellung

Lieferzeit: 5 Werktage

Pos.
80
BOSCH Abdeckscheibe | Ersatzteile für 1810D BARE | 1619P09390
Hersteller: BOSCH
Artikelnummer: EB-3601H31210-1619P09390
Netto: 4,32 € zzgl. MwSt.
zzgl. 6,90 € Versand (brutto)
einmalig pro Bestellung

Lieferzeit: 5 Werktage

Pos.
80
BOSCH Dichtscheibe | Ersatzteile für 1810 PSD | 3600150021
Hersteller: BOSCH
Artikelnummer: EB-3601H31210-3600150021
Netto: 4,15 € zzgl. MwSt.
zzgl. 6,90 € Versand (brutto)
einmalig pro Bestellung

Lieferzeit: 5 Werktage

Pos.
104
BOSCH O-Ring 4,5x1,0 MM BLAU | Ersatzteile für 1810 PSD | 1600210044
Hersteller: BOSCH
Artikelnummer: EB-3601H31210-1600210044
Netto: 3,63 € zzgl. MwSt.
zzgl. 6,90 € Versand (brutto)
einmalig pro Bestellung

Lieferzeit: 5 Werktage

Pos.
105
BOSCH Isolierplatte | Ersatzteile für 1810 PSD | 1601071000
Hersteller: BOSCH
Artikelnummer: EB-3601H31210-1601071000
Netto: 3,60 € zzgl. MwSt.
zzgl. 6,90 € Versand (brutto)
einmalig pro Bestellung

Lieferzeit: 5 Werktage

Pos.
343
BOSCH Rasthebel | Ersatzteile für 1810 PSD | 1607000742
Hersteller: BOSCH
Artikelnummer: EB-3601H31210-1607000742
nur Informationsartikel
Nie mehr lieferbar
keine Alternativen
Pos.
651
BOSCH Schutzhaube | Ersatzteile für 1810 PSD | 1600A00XL4
Hersteller: BOSCH
Artikelnummer: EB-3601H31210-1600A00XL4
Netto: 14,36 € zzgl. MwSt.
zzgl. 6,90 € Versand (brutto)
einmalig pro Bestellung

Lieferzeit: 5 Werktage

Pos.
803
BOSCH Anker Mit Lüfter 110-120V | Ersatzteile für 1810 PSD | 1604010635
Hersteller: BOSCH
Artikelnummer: EB-3601H31210-1604010635
Netto: 52,14 € zzgl. MwSt.
zzgl. 6,90 € Versand (brutto)
einmalig pro Bestellung

Lieferzeit: 5 Werktage

Pos.
808
BOSCH Typschild | Ersatzteile für 1810 PSD | 1601118K44
Hersteller: BOSCH
Artikelnummer: EB-3601H31210-1601118K44
nur Informationsartikel
Nie mehr lieferbar
keine Alternativen
Pos.
810
BOSCH Kohlebürstensatz | Ersatzteile für 1810 PSD | 1607014176
Hersteller: BOSCH
Artikelnummer: EB-3601H31210-1607014176
Netto: 11,92 € zzgl. MwSt.
zzgl. 6,90 € Versand (brutto)
einmalig pro Bestellung

Lieferzeit: 5 Werktage

Pos.
818
BOSCH Schaltklinke SCHWARZ | Ersatzteile für 1810 PSD | 1607000729
Hersteller: BOSCH
Artikelnummer: EB-3601H31210-1607000729
Netto: 10,92 € zzgl. MwSt.
zzgl. 6,90 € Versand (brutto)
einmalig pro Bestellung

Lieferzeit: 5 Werktage

Pos.
821
BOSCH Getriebegehäuse | Ersatzteile für 1810 PSD | 16058065SC
Hersteller: BOSCH
Artikelnummer: EB-3601H31210-16058065SC
Netto: 14,36 € zzgl. MwSt.
zzgl. 6,90 € Versand (brutto)
einmalig pro Bestellung

Lieferzeit: 65 Werktage

Pos.
828
BOSCH Lagerflansch | Ersatzteile für 1810 PSD | 1607000D6C
Hersteller: BOSCH
Artikelnummer: EB-3601H31210-1607000D6C
Netto: 10,92 € zzgl. MwSt.
zzgl. 6,90 € Versand (brutto)
einmalig pro Bestellung

Lieferzeit: 5 Werktage

Pos.
831
BOSCH Federelement | Ersatzteile für 1810 PSD | 1601290013
Hersteller: BOSCH
Artikelnummer: EB-3601H31210-1601290013
Netto: 3,63 € zzgl. MwSt.
zzgl. 6,90 € Versand (brutto)
einmalig pro Bestellung

Lieferzeit: 5 Werktage

Pos.
835
BOSCH Lüfter | Ersatzteile für 1810 PSD | 1606610129
Hersteller: BOSCH
Artikelnummer: EB-3601H31210-1606610129
Netto: 4,32 € zzgl. MwSt.
zzgl. 6,90 € Versand (brutto)
einmalig pro Bestellung

Lieferzeit: 5 Werktage

Pos.
840
BOSCH Druckknopf SCHWARZ | Ersatzteile für 1810 PSD | 1607000253
Hersteller: BOSCH
Artikelnummer: EB-3601H31210-1607000253
Netto: 4,32 € zzgl. MwSt.
zzgl. 6,90 € Versand (brutto)
einmalig pro Bestellung

Lieferzeit: 5 Werktage

Angaben zur Produktsicherheit

Hersteller:
Robert Bosch Power Tools GmbH
Postfach 30 02 20
70442 Stuttgart

E-Mail:
kontakt@bosch.de