BOSCH Kabelschelle | Ersatzteile für 1810H1 | 2610064973

Artikelnummer: EB-F0151810J1-2610064973

Position: 7

Marke: BOSCH


Bitte Kompatibilität prüfen!

Bitte prüfen Sie unbedingt die 10-stellige Typennummer Ihrer Maschine / Ihres Gerätes. Das Ersatzteil ist nur kompatibel, wenn Sie die Typennummer Ihrer Maschine in der unten stehenden Produktbeschreibung finden.

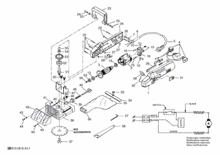
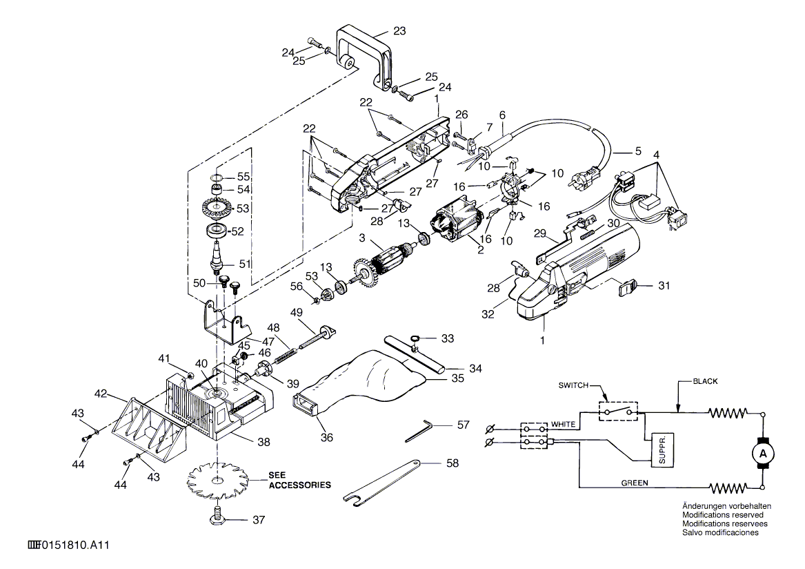
Bitte prüfen Sie ebenfalls detailliert die Explosionszeichnung mit Ihrem Artikelwunsch und der jeweiligen Pos-Nummer.

Alle Elemente, welche vom schwarzen Strich der Pos-Nummer ausgehend berührt / erfasst werden, gehören zu dieser Pos-Nummer und somit zu diesem Artikel. Jede Pos-Nummer ist ein eigenständiger Artikel, welchen Sie in der Auflistung finden.

Sie erhalten stets die aktuellste, neueste Produktversion zu der gewählten Pos-Nummer seitens des Herstellers. Es kann daher je nach Gerätealter vorkommen, dass Sie ggf. weitere, zugehörige Elemente, welche an diese Pos-Nummer grenzen, ebenfalls mittauschen müssen.

Nähere Informationen finden Sie unter dem Link
Hinweise zu Ihrer BOSCH Ersatzteilsuche

Preisübersicht

Einzelpreis: 3,94 €* (Brutto: 4,69 €)
Gesamtpreis: 3,94 €* 
Position:

Lieferzeit: 5 Werktage


Beschreibung

  • Kabelschelle
  • Original Bosch Zubehör / BOSCH Ersatzteil (2610064973)
  • im Gerät verbaut: 1
Dieses BOSCH Ersatzteil ist mit folgendem Gerät und Modell kompatibel:
  • BOSCH Gerätename: 1810H1
  • BOSCH Explosionszeichnung: Position 7
  • BOSCH Typennummer: F0151810J1
  • BOSCH Typennummer alternative Schreibweisen: F 015 181 0J1, F015 181 0J1, F.015.181.0J1, F-015-181-0J1
    Bitte prüfen Sie diese Typennummer auf Ihrem Gerät um die Kompatibilität des BOSCH Ersatzteils zu gewährleisten.
Weitere BOSCH Ersatzteile des Gerätes 1810H1 (Nutenfräser) mit der Typennummer F0151810J1 finden Sie in der nachfolgenden Darstellung und im Dropdown zu Ihrer Auswahl:

Pos.
1
BOSCH Gehäuse | Ersatzteile für 1810H1 | 2610358023
Hersteller: BOSCH
Artikelnummer: EB-F0151810J1-2610358023
nur Informationsartikel
Nie mehr lieferbar
keine Alternativen
Pos.
2
BOSCH Polschuh 230-240V | Ersatzteile für 1810H1 | 2610389116
Hersteller: BOSCH
Artikelnummer: EB-F0151810J1-2610389116
nur Informationsartikel
Nie mehr lieferbar
keine Alternativen
Pos.
3
BOSCH Anker 230-240V | Ersatzteile für 1810H1 | 2610385086
Hersteller: BOSCH
Artikelnummer: EB-F0151810J1-2610385086
nur Informationsartikel
Nie mehr lieferbar
keine Alternativen
Pos.
4
BOSCH Schalter | Ersatzteile für 1810H1 | 2610385253
Hersteller: BOSCH
Artikelnummer: EB-F0151810J1-2610385253
nur Informationsartikel
Nie mehr lieferbar
keine Alternativen
Pos.
5
BOSCH Netzanschlussleitung GB 230V | Ersatzteile für 1810H1 | 2610376418
Hersteller: BOSCH
Artikelnummer: EB-F0151810J1-2610376418
nur Informationsartikel
Nie mehr lieferbar
keine Alternativen
Pos.
6
BOSCH Tülle | Ersatzteile für 1810H1 | 2610360176
Hersteller: BOSCH
Artikelnummer: EB-F0151810J1-2610360176
Netto: 3,94 € zzgl. MwSt.
zzgl. 6,90 € Versand (brutto)
einmalig pro Bestellung

Lieferzeit: 5 Werktage

Pos.
7
BOSCH Kabelschelle | Ersatzteile für 1810H1 | 2610064973
Hersteller: BOSCH
Artikelnummer: EB-F0151810J1-2610064973
Netto: 3,94 € zzgl. MwSt.
zzgl. 6,90 € Versand (brutto)
einmalig pro Bestellung

Lieferzeit: 5 Werktage

Pos.
10
BOSCH Kohlebürste | Ersatzteile für 1810H1 | 2610354369
Hersteller: BOSCH
Artikelnummer: EB-F0151810J1-2610354369
Netto: 8,33 € zzgl. MwSt.
zzgl. 6,90 € Versand (brutto)
einmalig pro Bestellung

Lieferzeit: 5 Werktage

Pos.
13
BOSCH Rillenkugellager 8x22x7 | Ersatzteile für 1810H1 | 2600905052
Hersteller: BOSCH
Artikelnummer: EB-F0151810J1-2600905052
Netto: 7,76 € zzgl. MwSt.
zzgl. 6,90 € Versand (brutto)
einmalig pro Bestellung

Lieferzeit: 5 Werktage

Pos.
16
BOSCH Bürstenplatte | Ersatzteile für 1810H1 | 2610391898
Hersteller: BOSCH
Artikelnummer: EB-F0151810J1-2610391898
nur Informationsartikel
Nie mehr lieferbar
keine Alternativen
Pos.
22
BOSCH Schraube | Ersatzteile für 1810H1 | 2610385074
Hersteller: BOSCH
Artikelnummer: EB-F0151810J1-2610385074
nur Informationsartikel
Nie mehr lieferbar
keine Alternativen
Pos.
23
BOSCH Handgriff | Ersatzteile für 1810H1 | 2610356727
Hersteller: BOSCH
Artikelnummer: EB-F0151810J1-2610356727
nur Informationsartikel
Nie mehr lieferbar
keine Alternativen
Pos.
24
BOSCH Schraube | Ersatzteile für 1810H1 | 2610383247
Hersteller: BOSCH
Artikelnummer: EB-F0151810J1-2610383247
nur Informationsartikel
Nie mehr lieferbar
keine Alternativen
Pos.
25
BOSCH Scheibe | Ersatzteile für 1810H1 | 2610356735
Hersteller: BOSCH
Artikelnummer: EB-F0151810J1-2610356735
nur Informationsartikel
Nie mehr lieferbar
keine Alternativen
Pos.
26
BOSCH Torx-Linsenschraube 8x13 | Ersatzteile für 1810H1 | 2610374913
Hersteller: BOSCH
Artikelnummer: EB-F0151810J1-2610374913
Netto: 3,94 € zzgl. MwSt.
zzgl. 6,90 € Versand (brutto)
einmalig pro Bestellung

Lieferzeit: 5 Werktage

Pos.
27
BOSCH Stift | Ersatzteile für 1810H1 | 2610350103
Hersteller: BOSCH
Artikelnummer: EB-F0151810J1-2610350103
Netto: 3,94 € zzgl. MwSt.
zzgl. 6,90 € Versand (brutto)
einmalig pro Bestellung

Lieferzeit: 5 Werktage

Pos.
28
BOSCH Gewindebuchse M 10 | Ersatzteile für 1810H1 | 2610992224
Hersteller: BOSCH
Artikelnummer: EB-F0151810J1-2610992224
nur Informationsartikel
Nie mehr lieferbar
keine Alternativen
Pos.
29
BOSCH Verbindungsstück | Ersatzteile für 1810H1 | 2610903770
Hersteller: BOSCH
Artikelnummer: EB-F0151810J1-2610903770
nur Informationsartikel
Nie mehr lieferbar
keine Alternativen
Pos.
30
BOSCH Feder | Ersatzteile für 1810H1 | 2610903771
Hersteller: BOSCH
Artikelnummer: EB-F0151810J1-2610903771
nur Informationsartikel
Nie mehr lieferbar
keine Alternativen
Pos.
31
BOSCH Knopf | Ersatzteile für 1810H1 | 2610388818
Hersteller: BOSCH
Artikelnummer: EB-F0151810J1-2610388818
nur Informationsartikel
Nie mehr lieferbar
keine Alternativen
Pos.
32
BOSCH Feder | Ersatzteile für 1810H1 | 2610385134
Hersteller: BOSCH
Artikelnummer: EB-F0151810J1-2610385134
nur Informationsartikel
Nie mehr lieferbar
keine Alternativen
Pos.
33
BOSCH Aufnahmering | Ersatzteile für 1810H1 | 2610015629
Hersteller: BOSCH
Artikelnummer: EB-F0151810J1-2610015629
Netto: 3,94 € zzgl. MwSt.
zzgl. 6,90 € Versand (brutto)
einmalig pro Bestellung

Lieferzeit: 5 Werktage

Pos.
34
BOSCH Bügel | Ersatzteile für 1810H1 | 2610356726
Hersteller: BOSCH
Artikelnummer: EB-F0151810J1-2610356726
nur Informationsartikel
Nie mehr lieferbar
keine Alternativen
Pos.
35
BOSCH Staubbeutel | Ersatzteile für 1810H1 | 2610385141
Hersteller: BOSCH
Artikelnummer: EB-F0151810J1-2610385141
nur Informationsartikel
Nie mehr lieferbar
keine Alternativen
Pos.
36
BOSCH Verbindungsstück | Ersatzteile für 1810H1 | 2610358020
Hersteller: BOSCH
Artikelnummer: EB-F0151810J1-2610358020
nur Informationsartikel
Nie mehr lieferbar
keine Alternativen
Pos.
37
BOSCH Bolzen | Ersatzteile für 1810H1 | 2610356719
Hersteller: BOSCH
Artikelnummer: EB-F0151810J1-2610356719
nur Informationsartikel
Nie mehr lieferbar
keine Alternativen
Pos.
38
BOSCH Fuss | Ersatzteile für 1810H1 | 2610358037
Hersteller: BOSCH
Artikelnummer: EB-F0151810J1-2610358037
nur Informationsartikel
Nie mehr lieferbar
keine Alternativen
Pos.
39
BOSCH Tiefenanschlag | Ersatzteile für 1810H1 | 2610385139
Hersteller: BOSCH
Artikelnummer: EB-F0151810J1-2610385139
nur Informationsartikel
Nie mehr lieferbar
keine Alternativen
Pos.
40
BOSCH Einsatz | Ersatzteile für 1810H1 | 2610356718
Hersteller: BOSCH
Artikelnummer: EB-F0151810J1-2610356718
nur Informationsartikel
Nie mehr lieferbar
keine Alternativen
Pos.
41
BOSCH Mutter | Ersatzteile für 1810H1 | 2610364801
Hersteller: BOSCH
Artikelnummer: EB-F0151810J1-2610364801
nur Informationsartikel
Nie mehr lieferbar
keine Alternativen
Pos.
42
BOSCH Regulierhebel | Ersatzteile für 1810H1 | 2610356704
Hersteller: BOSCH
Artikelnummer: EB-F0151810J1-2610356704
nur Informationsartikel
Nie mehr lieferbar
keine Alternativen
Pos.
43
BOSCH Scheibe | Ersatzteile für 1810H1 | 2610386110
Hersteller: BOSCH
Artikelnummer: EB-F0151810J1-2610386110
nur Informationsartikel
Nie mehr lieferbar
keine Alternativen
Pos.
44
BOSCH Bolzen | Ersatzteile für 1810H1 | 2610367907
Hersteller: BOSCH
Artikelnummer: EB-F0151810J1-2610367907
nur Informationsartikel
Nie mehr lieferbar
keine Alternativen
Pos.
45
BOSCH Vierkantmutter | Ersatzteile für 1810H1 | 2610385585
Hersteller: BOSCH
Artikelnummer: EB-F0151810J1-2610385585
Netto: 3,94 € zzgl. MwSt.
zzgl. 6,90 € Versand (brutto)
einmalig pro Bestellung

Lieferzeit: 5 Werktage

Pos.
46
BOSCH O-Ring | Ersatzteile für 1810H1 | 2610385582
Hersteller: BOSCH
Artikelnummer: EB-F0151810J1-2610385582
nur Informationsartikel
Nie mehr lieferbar
keine Alternativen
Pos.
47
BOSCH Stütze | Ersatzteile für 1810H1 | 2610358022
Hersteller: BOSCH
Artikelnummer: EB-F0151810J1-2610358022
nur Informationsartikel
Nie mehr lieferbar
keine Alternativen
Pos.
48
BOSCH Feder | Ersatzteile für 1810H1 | 2610356725
Hersteller: BOSCH
Artikelnummer: EB-F0151810J1-2610356725
nur Informationsartikel
Nie mehr lieferbar
keine Alternativen
Pos.
49
BOSCH Knopf | Ersatzteile für 1810H1 | 2610385140
Hersteller: BOSCH
Artikelnummer: EB-F0151810J1-2610385140
nur Informationsartikel
Nie mehr lieferbar
keine Alternativen
Pos.
50
BOSCH Bolzen | Ersatzteile für 1810H1 | 2610385584
Hersteller: BOSCH
Artikelnummer: EB-F0151810J1-2610385584
nur Informationsartikel
Nie mehr lieferbar
keine Alternativen
Pos.
51
BOSCH Schleifspindel M10,SW17 | Ersatzteile für 1810H1 | 2610904704
Hersteller: BOSCH
Artikelnummer: EB-F0151810J1-2610904704
nur Informationsartikel
Nie mehr lieferbar
keine Alternativen
Pos.
52
BOSCH Kugellager | Ersatzteile für 1810H1 | 2610063616
Hersteller: BOSCH
Artikelnummer: EB-F0151810J1-2610063616
nur Informationsartikel
Nie mehr lieferbar
keine Alternativen
Pos.
53
BOSCH Getriebe | Ersatzteile für 1810H1 | 2610385147
Hersteller: BOSCH
Artikelnummer: EB-F0151810J1-2610385147
nur Informationsartikel
Nie mehr lieferbar
keine Alternativen
Pos.
54
BOSCH Lager | Ersatzteile für 1810H1 | 2610903764
Hersteller: BOSCH
Artikelnummer: EB-F0151810J1-2610903764
nur Informationsartikel
Nie mehr lieferbar
keine Alternativen
Pos.
55
BOSCH Zentrierring | Ersatzteile für 1810H1 | 2610015871
Hersteller: BOSCH
Artikelnummer: EB-F0151810J1-2610015871
nur Informationsartikel
Nie mehr lieferbar
keine Alternativen
Pos.
56
BOSCH Mutter | Ersatzteile für 1810H1 | 2610385502
Hersteller: BOSCH
Artikelnummer: EB-F0151810J1-2610385502
nur Informationsartikel
Nie mehr lieferbar
keine Alternativen
Pos.
57
BOSCH Sechskantsteckschlüssel 6 MM | Ersatzteile für 1810H1 | 2610387207
Hersteller: BOSCH
Artikelnummer: EB-F0151810J1-2610387207
nur Informationsartikel
Nie mehr lieferbar
keine Alternativen
Pos.
57
BOSCH Winkelschraubendreher 4 MM | Ersatzteile für 1810H1 | 2610372021
Hersteller: BOSCH
Artikelnummer: EB-F0151810J1-2610372021
nur Informationsartikel
Nie mehr lieferbar
keine Alternativen
Pos.
58
BOSCH Einmaulschlüssel SW17 | Ersatzteile für 1810H1 | 2607950511
Hersteller: BOSCH
Artikelnummer: EB-F0151810J1-2607950511
Netto: 5,67 € zzgl. MwSt.
zzgl. 6,90 € Versand (brutto)
einmalig pro Bestellung

Lieferzeit: 5 Werktage

Angaben zur Produktsicherheit

Hersteller:
Robert Bosch Power Tools GmbH
Postfach 30 02 20
70442 Stuttgart

E-Mail:
kontakt@bosch.de