BOSCH Polschuh 220-230V | Ersatzteile für 1820 | 2609000764

Artikelnummer: EB-F015182003-2609000764

Position: 2

Marke: BOSCH


Bitte Kompatibilität prüfen!

Bitte prüfen Sie unbedingt die 10-stellige Typennummer Ihrer Maschine / Ihres Gerätes. Das Ersatzteil ist nur kompatibel, wenn Sie die Typennummer Ihrer Maschine in der unten stehenden Produktbeschreibung finden.

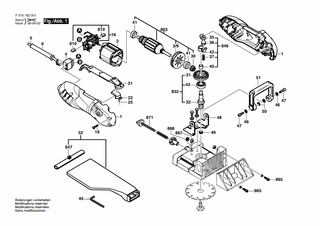
Bitte prüfen Sie ebenfalls detailliert die Explosionszeichnung mit Ihrem Artikelwunsch und der jeweiligen Pos-Nummer.

Alle Elemente, welche vom schwarzen Strich der Pos-Nummer ausgehend berührt / erfasst werden, gehören zu dieser Pos-Nummer und somit zu diesem Artikel. Jede Pos-Nummer ist ein eigenständiger Artikel, welchen Sie in der Auflistung finden.

Sie erhalten stets die aktuellste, neueste Produktversion zu der gewählten Pos-Nummer seitens des Herstellers. Es kann daher je nach Gerätealter vorkommen, dass Sie ggf. weitere, zugehörige Elemente, welche an diese Pos-Nummer grenzen, ebenfalls mittauschen müssen.

Nähere Informationen finden Sie unter dem Link
Hinweise zu Ihrer BOSCH Ersatzteilsuche

Preisübersicht

Einzelpreis: 12,98 €* (Brutto: 15,45 €)
Gesamtpreis: 12,98 €* 
Position:

Lieferzeit: 5 Werktage


Beschreibung

  • Polschuh 220-230V
  • Original Bosch Zubehör / BOSCH Ersatzteil (2609000764)
  • im Gerät verbaut: 1
Dieses BOSCH Ersatzteil ist mit folgendem Gerät und Modell kompatibel:
  • BOSCH Gerätename: 1820
  • BOSCH Explosionszeichnung: Position 2
  • BOSCH Typennummer: F015182003
  • BOSCH Typennummer alternative Schreibweisen: F 015 182 003, F015 182 003, F.015.182.003, F-015-182-003
    Bitte prüfen Sie diese Typennummer auf Ihrem Gerät um die Kompatibilität des BOSCH Ersatzteils zu gewährleisten.
Weitere BOSCH Ersatzteile des Gerätes 1820 (Nutenfräser) mit der Typennummer F015182003 finden Sie in der nachfolgenden Darstellung und im Dropdown zu Ihrer Auswahl:

Pos.
1
BOSCH Gehäuseschale | Ersatzteile für 1820 | 2609000006
Hersteller: BOSCH
Artikelnummer: EB-F015182003-2609000006
nur Informationsartikel
Nie mehr lieferbar
keine Alternativen
Pos.
3/9
BOSCH Lüfter | Ersatzteile für 1820 | 2609000021
Hersteller: BOSCH
Artikelnummer: EB-F015182003-2609000021
Netto: 3,60 € zzgl. MwSt.
zzgl. 6,90 € Versand (brutto)
einmalig pro Bestellung

Lieferzeit: 5 Werktage

Pos.
2
BOSCH Polschuh 220-230V | Ersatzteile für 1820 | 2609000764
Hersteller: BOSCH
Artikelnummer: EB-F015182003-2609000764
Netto: 12,98 € zzgl. MwSt.
zzgl. 6,90 € Versand (brutto)
einmalig pro Bestellung

Lieferzeit: 5 Werktage

Pos.
4
BOSCH Schalter | Ersatzteile für 1820 | 2609000051
Hersteller: BOSCH
Artikelnummer: EB-F015182003-2609000051
nur Informationsartikel
Nie mehr lieferbar
keine Alternativen
Pos.
5
BOSCH Netzanschlussleitung 1,75m 2 x 1,0mm H05VV-F | Ersatzteile für 1820 | 2610386705
Hersteller: BOSCH
Artikelnummer: EB-F015182003-2610386705
nur Informationsartikel
Nie mehr lieferbar
keine Alternativen
Pos.
6
BOSCH Tülle Ø6,5-Ø6,9x95 MM | Ersatzteile für 1820 | 2600703012
Hersteller: BOSCH
Artikelnummer: EB-F015182003-2600703012
Netto: 4,82 € zzgl. MwSt.
zzgl. 6,90 € Versand (brutto)
einmalig pro Bestellung

Lieferzeit: 5 Werktage

Pos.
16
BOSCH Bürstenhalter | Ersatzteile für 1820 | 2609000144
Hersteller: BOSCH
Artikelnummer: EB-F015182003-2609000144
nur Informationsartikel
Nie mehr lieferbar
keine Alternativen
Pos.
19
BOSCH Torx-Linsenschraube T20-8x19 MM | Ersatzteile für 1820 | 2610374919
Hersteller: BOSCH
Artikelnummer: EB-F015182003-2610374919
Netto: 3,63 € zzgl. MwSt.
zzgl. 6,90 € Versand (brutto)
einmalig pro Bestellung

Lieferzeit: 5 Werktage

Pos.
21
BOSCH Schaltklinke | Ersatzteile für 1820 | 2609000036
Hersteller: BOSCH
Artikelnummer: EB-F015182003-2609000036
nur Informationsartikel
Nie mehr lieferbar
keine Alternativen
Pos.
22
BOSCH Schalterknopf | Ersatzteile für 1820 | 2609001153
Hersteller: BOSCH
Artikelnummer: EB-F015182003-2609001153
Netto: 3,60 € zzgl. MwSt.
zzgl. 6,90 € Versand (brutto)
einmalig pro Bestellung

Lieferzeit: 5 Werktage

Pos.
25
BOSCH Schaltfeder | Ersatzteile für 1820 | 2609000034
Hersteller: BOSCH
Artikelnummer: EB-F015182003-2609000034
nur Informationsartikel
Nie mehr lieferbar
keine Alternativen
Pos.
30
BOSCH Ritzel | Ersatzteile für 1820 | 16063332CN
Hersteller: BOSCH
Artikelnummer: EB-F015182003-16063332CN
Netto: 5,19 € zzgl. MwSt.
zzgl. 6,90 € Versand (brutto)
einmalig pro Bestellung

Lieferzeit: 5 Werktage

Pos.
31
BOSCH Tellerrad | Ersatzteile für 1820 | 1606333624
Hersteller: BOSCH
Artikelnummer: EB-F015182003-1606333624
nur Informationsartikel
Nie mehr lieferbar
keine Alternativen
Pos.
32
BOSCH Schleifspindel | Ersatzteile für 1820 | 1607000D6A
Hersteller: BOSCH
Artikelnummer: EB-F015182003-1607000D6A
Netto: 7,76 € zzgl. MwSt.
zzgl. 6,90 € Versand (brutto)
einmalig pro Bestellung

Lieferzeit: 5 Werktage

Pos.
35
BOSCH Drucktaste | Ersatzteile für 1820 | 2609000040
Hersteller: BOSCH
Artikelnummer: EB-F015182003-2609000040
Netto: 3,60 € zzgl. MwSt.
zzgl. 6,90 € Versand (brutto)
einmalig pro Bestellung

Lieferzeit: 5 Werktage

Pos.
36
BOSCH Feder | Ersatzteile für 1820 | 2609000043
Hersteller: BOSCH
Artikelnummer: EB-F015182003-2609000043
nur Informationsartikel
Nie mehr lieferbar
keine Alternativen
Pos.
37
BOSCH Bolzen | Ersatzteile für 1820 | 2609000044
Hersteller: BOSCH
Artikelnummer: EB-F015182003-2609000044
Netto: 3,94 € zzgl. MwSt.
zzgl. 6,90 € Versand (brutto)
einmalig pro Bestellung

Lieferzeit: 5 Werktage

Pos.
40
BOSCH Nadellager Ø8x8 MM | Ersatzteile für 1820 | 2600917003
Hersteller: BOSCH
Artikelnummer: EB-F015182003-2600917003
Netto: 4,82 € zzgl. MwSt.
zzgl. 6,90 € Versand (brutto)
einmalig pro Bestellung

Lieferzeit: 5 Werktage

Pos.
41
BOSCH Rillenkugellager 8x22x7 608-2Z/C3 | Ersatzteile für 1820 | 3130900020
Hersteller: BOSCH
Artikelnummer: EB-F015182003-3130900020
Netto: 7,30 € zzgl. MwSt.
zzgl. 6,90 € Versand (brutto)
einmalig pro Bestellung

Lieferzeit: 5 Werktage

Pos.
42
BOSCH Lagerblock | Ersatzteile für 1820 | 2609000041
Hersteller: BOSCH
Artikelnummer: EB-F015182003-2609000041
nur Informationsartikel
Nie mehr lieferbar
keine Alternativen
Pos.
43
BOSCH Rillenkugellager | Ersatzteile für 1820 | 2609001630
Hersteller: BOSCH
Artikelnummer: EB-F015182003-2609001630
nur Informationsartikel
Nie mehr lieferbar
keine Alternativen
Pos.
45
BOSCH Stiftschlüssel | Ersatzteile für 1820 | 2609000767
Hersteller: BOSCH
Artikelnummer: EB-F015182003-2609000767
Netto: 6,15 € zzgl. MwSt.
zzgl. 6,90 € Versand (brutto)
einmalig pro Bestellung

Lieferzeit: 5 Werktage

Pos.
46
BOSCH Federscheibe | Ersatzteile für 1820 | 2610391399
Hersteller: BOSCH
Artikelnummer: EB-F015182003-2610391399
nur Informationsartikel
Nie mehr lieferbar
keine Alternativen
Pos.
47
BOSCH Innensechskantschraube | Ersatzteile für 1820 | 2609000468
Hersteller: BOSCH
Artikelnummer: EB-F015182003-2609000468
nur Informationsartikel
Nie mehr lieferbar
keine Alternativen
Pos.
48
BOSCH Maschinenhalter | Ersatzteile für 1820 | 2609000467
Hersteller: BOSCH
Artikelnummer: EB-F015182003-2609000467
nur Informationsartikel
Nie mehr lieferbar
keine Alternativen
Pos.
49
BOSCH Distanzring | Ersatzteile für 1820 | 2609000470
Hersteller: BOSCH
Artikelnummer: EB-F015182003-2609000470
nur Informationsartikel
Nie mehr lieferbar
keine Alternativen
Pos.
50
BOSCH Distanzring | Ersatzteile für 1820 | 2609000469
Hersteller: BOSCH
Artikelnummer: EB-F015182003-2609000469
nur Informationsartikel
Nie mehr lieferbar
keine Alternativen
Pos.
51
BOSCH Griff | Ersatzteile für 1820 | 2610391398
Hersteller: BOSCH
Artikelnummer: EB-F015182003-2610391398
nur Informationsartikel
Nie mehr lieferbar
keine Alternativen
Pos.
52
BOSCH Staubbeutel | Ersatzteile für 1820 | 2610391397
Hersteller: BOSCH
Artikelnummer: EB-F015182003-2610391397
nur Informationsartikel
Nie mehr lieferbar
keine Alternativen
Pos.
803
BOSCH Anker 230V | Ersatzteile für 1820 | 2609000245
Hersteller: BOSCH
Artikelnummer: EB-F015182003-2609000245
nur Informationsartikel
Nie mehr lieferbar
keine Alternativen
Pos.
810
BOSCH Kohlebürstensatz | Ersatzteile für 1820 | 2609000246
Hersteller: BOSCH
Artikelnummer: EB-F015182003-2609000246
Netto: 7,30 € zzgl. MwSt.
zzgl. 6,90 € Versand (brutto)
einmalig pro Bestellung

Lieferzeit: 5 Werktage

Pos.
832
BOSCH Schleifspindel | Ersatzteile für 1820 | 2609000248
Hersteller: BOSCH
Artikelnummer: EB-F015182003-2609000248
Netto: 13,81 € zzgl. MwSt.
zzgl. 6,90 € Versand (brutto)
einmalig pro Bestellung

Lieferzeit: 5 Werktage

Pos.
846
BOSCH Feststelleinheit | Ersatzteile für 1820 | 2609000249
Hersteller: BOSCH
Artikelnummer: EB-F015182003-2609000249
Netto: 6,15 € zzgl. MwSt.
zzgl. 6,90 € Versand (brutto)
einmalig pro Bestellung

Lieferzeit: 5 Werktage

Pos.
847
BOSCH Bügel | Ersatzteile für 1820 | 2610356726
Hersteller: BOSCH
Artikelnummer: EB-F015182003-2610356726
nur Informationsartikel
Nie mehr lieferbar
keine Alternativen
Pos.
865
BOSCH Bolzen | Ersatzteile für 1820 | 2610367907
Hersteller: BOSCH
Artikelnummer: EB-F015182003-2610367907
nur Informationsartikel
Nie mehr lieferbar
keine Alternativen
Pos.
867
BOSCH Vierkantmutter | Ersatzteile für 1820 | 2610385585
Hersteller: BOSCH
Artikelnummer: EB-F015182003-2610385585
Netto: 3,94 € zzgl. MwSt.
zzgl. 6,90 € Versand (brutto)
einmalig pro Bestellung

Lieferzeit: 5 Werktage

Pos.
868
BOSCH O-Ring | Ersatzteile für 1820 | 2610385582
Hersteller: BOSCH
Artikelnummer: EB-F015182003-2610385582
nur Informationsartikel
Nie mehr lieferbar
keine Alternativen
Pos.
871
BOSCH Knopf | Ersatzteile für 1820 | 2610391751
Hersteller: BOSCH
Artikelnummer: EB-F015182003-2610391751
nur Informationsartikel
Nie mehr lieferbar
keine Alternativen

Angaben zur Produktsicherheit

Hersteller:
Robert Bosch Power Tools GmbH
Postfach 30 02 20
70442 Stuttgart

E-Mail:
kontakt@bosch.de