BOSCH Vierkantmutter | Ersatzteile für 1820 | 2610385585

Artikelnummer: EB-F0151820J1-2610385585

Position: 867

Marke: BOSCH


Bitte Kompatibilität prüfen!

Bitte prüfen Sie unbedingt die 10-stellige Typennummer Ihrer Maschine / Ihres Gerätes. Das Ersatzteil ist nur kompatibel, wenn Sie die Typennummer Ihrer Maschine in der unten stehenden Produktbeschreibung finden.

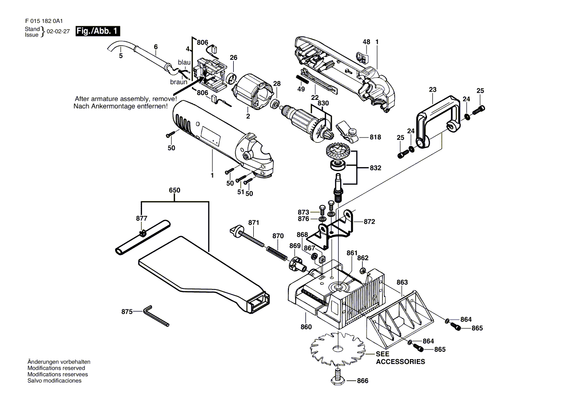
Bitte prüfen Sie ebenfalls detailliert die Explosionszeichnung mit Ihrem Artikelwunsch und der jeweiligen Pos-Nummer.

Alle Elemente, welche vom schwarzen Strich der Pos-Nummer ausgehend berührt / erfasst werden, gehören zu dieser Pos-Nummer und somit zu diesem Artikel. Jede Pos-Nummer ist ein eigenständiger Artikel, welchen Sie in der Auflistung finden.

Sie erhalten stets die aktuellste, neueste Produktversion zu der gewählten Pos-Nummer seitens des Herstellers. Es kann daher je nach Gerätealter vorkommen, dass Sie ggf. weitere, zugehörige Elemente, welche an diese Pos-Nummer grenzen, ebenfalls mittauschen müssen.

Nähere Informationen finden Sie unter dem Link
Hinweise zu Ihrer BOSCH Ersatzteilsuche

Preisübersicht

Einzelpreis: 3,94 €* (Brutto: 4,69 €)
Gesamtpreis: 3,94 €* 
Position:

Lieferzeit: 5 Werktage


Beschreibung

  • Vierkantmutter
  • Original Bosch Zubehör / BOSCH Ersatzteil (2610385585)
  • im Gerät verbaut: 1
Dieses BOSCH Ersatzteil ist mit folgendem Gerät und Modell kompatibel:
  • BOSCH Gerätename: 1820
  • BOSCH Explosionszeichnung: Position 867
  • BOSCH Typennummer: F0151820J1
  • BOSCH Typennummer alternative Schreibweisen: F 015 182 0J1, F015 182 0J1, F.015.182.0J1, F-015-182-0J1
    Bitte prüfen Sie diese Typennummer auf Ihrem Gerät um die Kompatibilität des BOSCH Ersatzteils zu gewährleisten.
Weitere BOSCH Ersatzteile des Gerätes 1820 (Blech) mit der Typennummer F0151820J1 finden Sie in der nachfolgenden Darstellung und im Dropdown zu Ihrer Auswahl:

Pos.
1
BOSCH Gehäusesatz | Ersatzteile für 1820 | 1605108219
Hersteller: BOSCH
Artikelnummer: EB-F0151820J1-1605108219
Netto: 9,63 € zzgl. MwSt.
zzgl. 6,90 € Versand (brutto)
einmalig pro Bestellung

Lieferzeit: 5 Werktage

Pos.
2
BOSCH Polschuh 230-240V | Ersatzteile für 1820 | 1607000723
Hersteller: BOSCH
Artikelnummer: EB-F0151820J1-1607000723
nur Informationsartikel
Nie mehr lieferbar
keine Alternativen
Pos.
5
BOSCH Netzanschlussleitung GB 230V | Ersatzteile für 1820 | 2610376418
Hersteller: BOSCH
Artikelnummer: EB-F0151820J1-2610376418
nur Informationsartikel
Nie mehr lieferbar
keine Alternativen
Pos.
6
BOSCH Tülle Ø6,5-Ø6,9x95 MM | Ersatzteile für 1820 | 2600703012
Hersteller: BOSCH
Artikelnummer: EB-F0151820J1-2600703012
Netto: 4,82 € zzgl. MwSt.
zzgl. 6,90 € Versand (brutto)
einmalig pro Bestellung

Lieferzeit: 5 Werktage

Pos.
22
BOSCH Verstellschieber | Ersatzteile für 1820 | 1602319014
Hersteller: BOSCH
Artikelnummer: EB-F0151820J1-1602319014
nur Informationsartikel
Nie mehr lieferbar
keine Alternativen
Pos.
23
BOSCH Griff | Ersatzteile für 1820 | 2610391398
Hersteller: BOSCH
Artikelnummer: EB-F0151820J1-2610391398
nur Informationsartikel
Nie mehr lieferbar
keine Alternativen
Pos.
24
BOSCH Federscheibe | Ersatzteile für 1820 | 2610391399
Hersteller: BOSCH
Artikelnummer: EB-F0151820J1-2610391399
nur Informationsartikel
Nie mehr lieferbar
keine Alternativen
Pos.
25
BOSCH Innensechskantschraube | Ersatzteile für 1820 | 2610391400
Hersteller: BOSCH
Artikelnummer: EB-F0151820J1-2610391400
nur Informationsartikel
Nie mehr lieferbar
keine Alternativen
Pos.
26
BOSCH Gummibuchse | Ersatzteile für 1820 | 1600502020
Hersteller: BOSCH
Artikelnummer: EB-F0151820J1-1600502020
Netto: 4,53 € zzgl. MwSt.
zzgl. 6,90 € Versand (brutto)
einmalig pro Bestellung

Lieferzeit: 5 Werktage

Pos.
28
BOSCH Kugellager | Ersatzteile für 1820 | 1600905021
Hersteller: BOSCH
Artikelnummer: EB-F0151820J1-1600905021
nur Informationsartikel
Nie mehr lieferbar
keine Alternativen
Pos.
48
BOSCH Schaltergriff ROT | Ersatzteile für 1820 | 1602026078
Hersteller: BOSCH
Artikelnummer: EB-F0151820J1-1602026078
Netto: 3,63 € zzgl. MwSt.
zzgl. 6,90 € Versand (brutto)
einmalig pro Bestellung

Lieferzeit: 5 Werktage

Pos.
49
BOSCH Druckfeder | Ersatzteile für 1820 | 1604611026
Hersteller: BOSCH
Artikelnummer: EB-F0151820J1-1604611026
Netto: 3,63 € zzgl. MwSt.
zzgl. 6,90 € Versand (brutto)
einmalig pro Bestellung

Lieferzeit: 20 Werktage

Pos.
50
BOSCH Torx-Linsenschraube 4x20 | Ersatzteile für 1820 | 2603490023
Hersteller: BOSCH
Artikelnummer: EB-F0151820J1-2603490023
Netto: 3,63 € zzgl. MwSt.
zzgl. 6,90 € Versand (brutto)
einmalig pro Bestellung

Lieferzeit: 5 Werktage

Pos.
51
BOSCH Torx-Linsenschraube 4x25 | Ersatzteile für 1820 | 2603490024
Hersteller: BOSCH
Artikelnummer: EB-F0151820J1-2603490024
Netto: 3,94 € zzgl. MwSt.
zzgl. 6,90 € Versand (brutto)
einmalig pro Bestellung

Lieferzeit: 5 Werktage

Pos.
650
BOSCH Staubbeutel | Ersatzteile für 1820 | 2610391397
Hersteller: BOSCH
Artikelnummer: EB-F0151820J1-2610391397
nur Informationsartikel
Nie mehr lieferbar
keine Alternativen
Pos.
806
BOSCH Kohlebürstensatz | Ersatzteile für 1820 | 1607000994
Hersteller: BOSCH
Artikelnummer: EB-F0151820J1-1607000994
nur Informationsartikel
Nie mehr lieferbar
keine Alternativen
Pos.
818
BOSCH Spindelhalter | Ersatzteile für 1820 | 1607000716
Hersteller: BOSCH
Artikelnummer: EB-F0151820J1-1607000716
nur Informationsartikel
Nie mehr lieferbar
keine Alternativen
Pos.
830
BOSCH Anker 230-240V | Ersatzteile für 1820 | 1607000990
Hersteller: BOSCH
Artikelnummer: EB-F0151820J1-1607000990
nur Informationsartikel
Nie mehr lieferbar
keine Alternativen
Pos.
832
BOSCH Spindelgruppe | Ersatzteile für 1820 | 1607000717
Hersteller: BOSCH
Artikelnummer: EB-F0151820J1-1607000717
Netto: 9,95 € zzgl. MwSt.
zzgl. 6,90 € Versand (brutto)
einmalig pro Bestellung

Lieferzeit: 5 Werktage

Pos.
860
BOSCH Untergestell | Ersatzteile für 1820 | 2610391396
Hersteller: BOSCH
Artikelnummer: EB-F0151820J1-2610391396
nur Informationsartikel
Nie mehr lieferbar
keine Alternativen
Pos.
861
BOSCH Einlage | Ersatzteile für 1820 | 2610391748
Hersteller: BOSCH
Artikelnummer: EB-F0151820J1-2610391748
nur Informationsartikel
Nie mehr lieferbar
keine Alternativen
Pos.
862
BOSCH Mutter | Ersatzteile für 1820 | 2610364801
Hersteller: BOSCH
Artikelnummer: EB-F0151820J1-2610364801
nur Informationsartikel
Nie mehr lieferbar
keine Alternativen
Pos.
863
BOSCH Steuerhebel | Ersatzteile für 1820 | 2610391749
Hersteller: BOSCH
Artikelnummer: EB-F0151820J1-2610391749
nur Informationsartikel
Nie mehr lieferbar
keine Alternativen
Pos.
864
BOSCH Scheibe | Ersatzteile für 1820 | 2610386110
Hersteller: BOSCH
Artikelnummer: EB-F0151820J1-2610386110
nur Informationsartikel
Nie mehr lieferbar
keine Alternativen
Pos.
865
BOSCH Bolzen | Ersatzteile für 1820 | 2610367907
Hersteller: BOSCH
Artikelnummer: EB-F0151820J1-2610367907
nur Informationsartikel
Nie mehr lieferbar
keine Alternativen
Pos.
866
BOSCH Bolzen | Ersatzteile für 1820 | 2610356719
Hersteller: BOSCH
Artikelnummer: EB-F0151820J1-2610356719
nur Informationsartikel
Nie mehr lieferbar
keine Alternativen
Pos.
867
BOSCH Vierkantmutter | Ersatzteile für 1820 | 2610385585
Hersteller: BOSCH
Artikelnummer: EB-F0151820J1-2610385585
Netto: 3,94 € zzgl. MwSt.
zzgl. 6,90 € Versand (brutto)
einmalig pro Bestellung

Lieferzeit: 5 Werktage

Pos.
868
BOSCH O-Ring | Ersatzteile für 1820 | 2610385582
Hersteller: BOSCH
Artikelnummer: EB-F0151820J1-2610385582
nur Informationsartikel
Nie mehr lieferbar
keine Alternativen
Pos.
869
BOSCH Tiefenanschlag | Ersatzteile für 1820 | 2610391750
Hersteller: BOSCH
Artikelnummer: EB-F0151820J1-2610391750
nur Informationsartikel
Nie mehr lieferbar
keine Alternativen
Pos.
870
BOSCH Feder | Ersatzteile für 1820 | 2610356725
Hersteller: BOSCH
Artikelnummer: EB-F0151820J1-2610356725
nur Informationsartikel
Nie mehr lieferbar
keine Alternativen
Pos.
871
BOSCH Knopf | Ersatzteile für 1820 | 2610391751
Hersteller: BOSCH
Artikelnummer: EB-F0151820J1-2610391751
nur Informationsartikel
Nie mehr lieferbar
keine Alternativen
Pos.
872
BOSCH Maschinenhalter | Ersatzteile für 1820 | 2610391752
Hersteller: BOSCH
Artikelnummer: EB-F0151820J1-2610391752
nur Informationsartikel
Nie mehr lieferbar
keine Alternativen
Pos.
873
BOSCH Bolzen | Ersatzteile für 1820 | 2610385584
Hersteller: BOSCH
Artikelnummer: EB-F0151820J1-2610385584
nur Informationsartikel
Nie mehr lieferbar
keine Alternativen
Pos.
875
BOSCH Winkelschraubendreher 4 MM | Ersatzteile für 1820 | 2610372021
Hersteller: BOSCH
Artikelnummer: EB-F0151820J1-2610372021
nur Informationsartikel
Nie mehr lieferbar
keine Alternativen
Pos.
876
BOSCH Scheibe | Ersatzteile für 1820 | 2610060362
Hersteller: BOSCH
Artikelnummer: EB-F0151820J1-2610060362
nur Informationsartikel
Nie mehr lieferbar
keine Alternativen
Pos.
877
BOSCH Bügel | Ersatzteile für 1820 | 2610356726
Hersteller: BOSCH
Artikelnummer: EB-F0151820J1-2610356726
nur Informationsartikel
Nie mehr lieferbar
keine Alternativen

Angaben zur Produktsicherheit

Hersteller:
Robert Bosch Power Tools GmbH
Postfach 30 02 20
70442 Stuttgart

E-Mail:
kontakt@bosch.de