BOSCH Platte | Ersatzteile für 1835 | 2610353395

Artikelnummer: EB-F012183580-2610353395

Position: 5

Marke: BOSCH


Bitte Kompatibilität prüfen!

Bitte prüfen Sie unbedingt die 10-stellige Typennummer Ihrer Maschine / Ihres Gerätes. Das Ersatzteil ist nur kompatibel, wenn Sie die Typennummer Ihrer Maschine in der unten stehenden Produktbeschreibung finden.

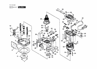
Bitte prüfen Sie ebenfalls detailliert die Explosionszeichnung mit Ihrem Artikelwunsch und der jeweiligen Pos-Nummer.

Alle Elemente, welche vom schwarzen Strich der Pos-Nummer ausgehend berührt / erfasst werden, gehören zu dieser Pos-Nummer und somit zu diesem Artikel. Jede Pos-Nummer ist ein eigenständiger Artikel, welchen Sie in der Auflistung finden.

Sie erhalten stets die aktuellste, neueste Produktversion zu der gewählten Pos-Nummer seitens des Herstellers. Es kann daher je nach Gerätealter vorkommen, dass Sie ggf. weitere, zugehörige Elemente, welche an diese Pos-Nummer grenzen, ebenfalls mittauschen müssen.

Nähere Informationen finden Sie unter dem Link
Hinweise zu Ihrer BOSCH Ersatzteilsuche

Preisübersicht

Einzelpreis: 5,19 €* (Brutto: 6,18 €)
Gesamtpreis: 5,19 €* 
Position:

Lieferzeit: 5 Werktage


Beschreibung

  • Platte
  • Original Bosch Zubehör / BOSCH Ersatzteil (2610353395)
  • im Gerät verbaut: 1
Dieses BOSCH Ersatzteil ist mit folgendem Gerät und Modell kompatibel:
  • BOSCH Gerätename: 1835
  • BOSCH Explosionszeichnung: Position 5
  • BOSCH Typennummer: F012183580
  • BOSCH Typennummer alternative Schreibweisen: F 012 183 580, F012 183 580, F.012.183.580, F-012-183-580
    Bitte prüfen Sie diese Typennummer auf Ihrem Gerät um die Kompatibilität des BOSCH Ersatzteils zu gewährleisten.
Weitere BOSCH Ersatzteile des Gerätes 1835 (Oberfräse) mit der Typennummer F012183580 finden Sie in der nachfolgenden Darstellung und im Dropdown zu Ihrer Auswahl:

Pos.
1
BOSCH Schraube | Ersatzteile für 1835 | 2610309249
Hersteller: BOSCH
Artikelnummer: EB-F012183580-2610309249
Netto: 3,94 € zzgl. MwSt.
zzgl. 6,90 € Versand (brutto)
einmalig pro Bestellung

Lieferzeit: 5 Werktage

Pos.
2
BOSCH Einsatz | Ersatzteile für 1835 | 2610091803
Hersteller: BOSCH
Artikelnummer: EB-F012183580-2610091803
Netto: 9,18 € zzgl. MwSt.
zzgl. 6,90 € Versand (brutto)
einmalig pro Bestellung

Lieferzeit: 5 Werktage

Pos.
3
BOSCH Fuss | Ersatzteile für 1835 | 2610353426
Hersteller: BOSCH
Artikelnummer: EB-F012183580-2610353426
Netto: 40,00 € zzgl. MwSt.
zzgl. 6,90 € Versand (brutto)
einmalig pro Bestellung

Lieferzeit: 5 Werktage

Pos.
4
BOSCH Grundplatte | Ersatzteile für 1835 | 2610353370
Hersteller: BOSCH
Artikelnummer: EB-F012183580-2610353370
Netto: 6,15 € zzgl. MwSt.
zzgl. 6,90 € Versand (brutto)
einmalig pro Bestellung

Lieferzeit: 5 Werktage

Pos.
5
BOSCH Platte | Ersatzteile für 1835 | 2610353395
Hersteller: BOSCH
Artikelnummer: EB-F012183580-2610353395
Netto: 5,19 € zzgl. MwSt.
zzgl. 6,90 € Versand (brutto)
einmalig pro Bestellung

Lieferzeit: 5 Werktage

Pos.
6
BOSCH Drehkopf | Ersatzteile für 1835 | 2610353421
Hersteller: BOSCH
Artikelnummer: EB-F012183580-2610353421
nur Informationsartikel
Nie mehr lieferbar
keine Alternativen
Pos.
7
BOSCH Mutter | Ersatzteile für 1835 | 2610001309
Hersteller: BOSCH
Artikelnummer: EB-F012183580-2610001309
Netto: 3,94 € zzgl. MwSt.
zzgl. 6,90 € Versand (brutto)
einmalig pro Bestellung

Lieferzeit: 5 Werktage

Pos.
8
BOSCH Schraube | Ersatzteile für 1835 | 2610317284
Hersteller: BOSCH
Artikelnummer: EB-F012183580-2610317284
nur Informationsartikel
Nie mehr lieferbar
keine Alternativen
Pos.
9
BOSCH Flachkopfschraube | Ersatzteile für 1835 | 2610991280
Hersteller: BOSCH
Artikelnummer: EB-F012183580-2610991280
Netto: 3,94 € zzgl. MwSt.
zzgl. 6,90 € Versand (brutto)
einmalig pro Bestellung

Lieferzeit: 5 Werktage

Pos.
10
BOSCH Blechschraube | Ersatzteile für 1835 | 2615298025
Hersteller: BOSCH
Artikelnummer: EB-F012183580-2615298025
nur Informationsartikel
Nie mehr lieferbar
keine Alternativen
Pos.
12
BOSCH Feder | Ersatzteile für 1835 | 2610353427
Hersteller: BOSCH
Artikelnummer: EB-F012183580-2610353427
nur Informationsartikel
Nie mehr lieferbar
keine Alternativen
Pos.
13
BOSCH Mutter | Ersatzteile für 1835 | 2610353374
Hersteller: BOSCH
Artikelnummer: EB-F012183580-2610353374
nur Informationsartikel
Nie mehr lieferbar
keine Alternativen
Pos.
15
BOSCH Bohrfutter | Ersatzteile für 1835 | 2610353424
Hersteller: BOSCH
Artikelnummer: EB-F012183580-2610353424
nur Informationsartikel
Nie mehr lieferbar
keine Alternativen
Pos.
16
BOSCH Feder | Ersatzteile für 1835 | 2610353376
Hersteller: BOSCH
Artikelnummer: EB-F012183580-2610353376
nur Informationsartikel
Nie mehr lieferbar
keine Alternativen
Pos.
17
BOSCH Platte | Ersatzteile für 1835 | 2610353425
Hersteller: BOSCH
Artikelnummer: EB-F012183580-2610353425
Netto: 5,19 € zzgl. MwSt.
zzgl. 6,90 € Versand (brutto)
einmalig pro Bestellung

Lieferzeit: 5 Werktage

Pos.
18
BOSCH Schraube | Ersatzteile für 1835 | 2610318720
Hersteller: BOSCH
Artikelnummer: EB-F012183580-2610318720
nur Informationsartikel
Nie mehr lieferbar
keine Alternativen
Pos.
19
BOSCH Distanzscheibe | Ersatzteile für 1835 | 2610353398
Hersteller: BOSCH
Artikelnummer: EB-F012183580-2610353398
Netto: 1,39 € zzgl. MwSt.
zzgl. 6,90 € Versand (brutto)
einmalig pro Bestellung

Lieferzeit: 5 Werktage

Pos.
20
BOSCH Schraube | Ersatzteile für 1835 | 2610350996
Hersteller: BOSCH
Artikelnummer: EB-F012183580-2610350996
nur Informationsartikel
Nie mehr lieferbar
keine Alternativen
Pos.
21
BOSCH Deckel | Ersatzteile für 1835 | 2610353399
Hersteller: BOSCH
Artikelnummer: EB-F012183580-2610353399
nur Informationsartikel
Nie mehr lieferbar
keine Alternativen
Pos.
22
BOSCH Feder | Ersatzteile für 1835 | 2610353379
Hersteller: BOSCH
Artikelnummer: EB-F012183580-2610353379
Netto: 3,93 € zzgl. MwSt.
zzgl. 6,90 € Versand (brutto)
einmalig pro Bestellung

Lieferzeit: 5 Werktage

Pos.
23
BOSCH Schraube | Ersatzteile für 1835 | 2610350943
Hersteller: BOSCH
Artikelnummer: EB-F012183580-2610350943
nur Informationsartikel
Nie mehr lieferbar
keine Alternativen
Pos.
24
BOSCH Fuss | Ersatzteile für 1835 | 2610353431
Hersteller: BOSCH
Artikelnummer: EB-F012183580-2610353431
nur Informationsartikel
Nie mehr lieferbar
keine Alternativen
Pos.
25
BOSCH Halter | Ersatzteile für 1835 | 2610353392
Hersteller: BOSCH
Artikelnummer: EB-F012183580-2610353392
nur Informationsartikel
Nie mehr lieferbar
keine Alternativen
Pos.
26
BOSCH Platte | Ersatzteile für 1835 | 2610353371
Hersteller: BOSCH
Artikelnummer: EB-F012183580-2610353371
nur Informationsartikel
Nie mehr lieferbar
keine Alternativen
Pos.
27
BOSCH Knopf | Ersatzteile für 1835 | 2610353373
Hersteller: BOSCH
Artikelnummer: EB-F012183580-2610353373
nur Informationsartikel
Nie mehr lieferbar
keine Alternativen
Pos.
28
BOSCH Mutter | Ersatzteile für 1835 | 2610011489
Hersteller: BOSCH
Artikelnummer: EB-F012183580-2610011489
nur Informationsartikel
Nie mehr lieferbar
keine Alternativen
Pos.
29
BOSCH Lagerdeckel | Ersatzteile für 1835 | 2610906132
Hersteller: BOSCH
Artikelnummer: EB-F012183580-2610906132
nur Informationsartikel
Nie mehr lieferbar
keine Alternativen
Pos.
30
BOSCH Ring | Ersatzteile für 1835 | 2610067431
Hersteller: BOSCH
Artikelnummer: EB-F012183580-2610067431
Netto: 3,95 € zzgl. MwSt.
zzgl. 6,90 € Versand (brutto)
einmalig pro Bestellung

Lieferzeit: 5 Werktage

Pos.
31
BOSCH Mutter | Ersatzteile für 1835 | 2610353386
Hersteller: BOSCH
Artikelnummer: EB-F012183580-2610353386
nur Informationsartikel
Nie mehr lieferbar
keine Alternativen
Pos.
32
BOSCH Bolzen | Ersatzteile für 1835 | 2610353433
Hersteller: BOSCH
Artikelnummer: EB-F012183580-2610353433
Netto: 3,94 € zzgl. MwSt.
zzgl. 6,90 € Versand (brutto)
einmalig pro Bestellung

Lieferzeit: 5 Werktage

Pos.
33
BOSCH Hebel SCHWARZ | Ersatzteile für 1835 | 2610353434
Hersteller: BOSCH
Artikelnummer: EB-F012183580-2610353434
nur Informationsartikel
Nie mehr lieferbar
keine Alternativen
Pos.
34
BOSCH Schraube | Ersatzteile für 1835 | 2610350698
Hersteller: BOSCH
Artikelnummer: EB-F012183580-2610350698
Netto: 3,63 € zzgl. MwSt.
zzgl. 6,90 € Versand (brutto)
einmalig pro Bestellung

Lieferzeit: 5 Werktage

Pos.
35
BOSCH Schlüssel | Ersatzteile für 1835 | 2610353381
Hersteller: BOSCH
Artikelnummer: EB-F012183580-2610353381
Netto: 6,21 € zzgl. MwSt.
zzgl. 6,90 € Versand (brutto)
einmalig pro Bestellung

Lieferzeit: 5 Werktage

Pos.
36
BOSCH Schalterabdeckung | Ersatzteile für 1835 | 2610353447
Hersteller: BOSCH
Artikelnummer: EB-F012183580-2610353447
nur Informationsartikel
Nie mehr lieferbar
keine Alternativen
Pos.
37
BOSCH Kippschalter | Ersatzteile für 1835 | 2610996689
Hersteller: BOSCH
Artikelnummer: EB-F012183580-2610996689
nur Informationsartikel
Nie mehr lieferbar
keine Alternativen
Pos.
38
BOSCH Schraube | Ersatzteile für 1835 | 1619X00504
Hersteller: BOSCH
Artikelnummer: EB-F012183580-1619X00504
Netto: 3,63 € zzgl. MwSt.
zzgl. 6,90 € Versand (brutto)
einmalig pro Bestellung

Lieferzeit: 5 Werktage

Pos.
39
BOSCH Deckel | Ersatzteile für 1835 | 2610353401
Hersteller: BOSCH
Artikelnummer: EB-F012183580-2610353401
Netto: 6,90 € zzgl. MwSt.
zzgl. 6,90 € Versand (brutto)
einmalig pro Bestellung

Lieferzeit: 5 Werktage

Pos.
40
BOSCH Gummipuffer | Ersatzteile für 1835 | 2610350655
Hersteller: BOSCH
Artikelnummer: EB-F012183580-2610350655
Netto: 3,94 € zzgl. MwSt.
zzgl. 6,90 € Versand (brutto)
einmalig pro Bestellung

Lieferzeit: 5 Werktage

Pos.
41
BOSCH Feder | Ersatzteile für 1835 | 2610353380
Hersteller: BOSCH
Artikelnummer: EB-F012183580-2610353380
nur Informationsartikel
Nie mehr lieferbar
keine Alternativen
Pos.
42
BOSCH Kabel | Ersatzteile für 1835 | 2610371498
Hersteller: BOSCH
Artikelnummer: EB-F012183580-2610371498
Netto: 8,33 € zzgl. MwSt.
zzgl. 6,90 € Versand (brutto)
einmalig pro Bestellung

Lieferzeit: 5 Werktage

Pos.
43
BOSCH Tülle | Ersatzteile für 1835 | 2610313327
Hersteller: BOSCH
Artikelnummer: EB-F012183580-2610313327
nur Informationsartikel
Nie mehr lieferbar
keine Alternativen
Pos.
44
BOSCH Leitungshalter | Ersatzteile für 1835 | 2610364033
Hersteller: BOSCH
Artikelnummer: EB-F012183580-2610364033
Netto: 4,53 € zzgl. MwSt.
zzgl. 6,90 € Versand (brutto)
einmalig pro Bestellung

Lieferzeit: 5 Werktage

Pos.
45
BOSCH Feder | Ersatzteile für 1835 | 2610353407
Hersteller: BOSCH
Artikelnummer: EB-F012183580-2610353407
Netto: 3,94 € zzgl. MwSt.
zzgl. 6,90 € Versand (brutto)
einmalig pro Bestellung

Lieferzeit: 5 Werktage

Pos.
46
BOSCH Kohlebürstensatz | Ersatzteile für 1835 | 2610992427
Hersteller: BOSCH
Artikelnummer: EB-F012183580-2610992427
nur Informationsartikel
Nie mehr lieferbar
keine Alternativen
Pos.
47
BOSCH Bürstenhalter | Ersatzteile für 1835 | 2610341257
Hersteller: BOSCH
Artikelnummer: EB-F012183580-2610341257
nur Informationsartikel
Nie mehr lieferbar
keine Alternativen
Pos.
48
BOSCH Motorgehäuse | Ersatzteile für 1835 | 2610353400
Hersteller: BOSCH
Artikelnummer: EB-F012183580-2610353400
Netto: 14,36 € zzgl. MwSt.
zzgl. 6,90 € Versand (brutto)
einmalig pro Bestellung

Lieferzeit: 5 Werktage

Pos.
49
BOSCH Aufkleber | Ersatzteile für 1835 | 2610913861
Hersteller: BOSCH
Artikelnummer: EB-F012183580-2610913861
nur Informationsartikel
Nie mehr lieferbar
keine Alternativen
Pos.
50
BOSCH Lager | Ersatzteile für 1835 | 2610353412
Hersteller: BOSCH
Artikelnummer: EB-F012183580-2610353412
nur Informationsartikel
Nie mehr lieferbar
keine Alternativen
Pos.
51
BOSCH Gummipuffer | Ersatzteile für 1835 | 2610353416
Hersteller: BOSCH
Artikelnummer: EB-F012183580-2610353416
Netto: 0,95 € zzgl. MwSt.
zzgl. 6,90 € Versand (brutto)
einmalig pro Bestellung

Lieferzeit: 5 Werktage

Pos.
52
BOSCH Polschuh 230-240V | Ersatzteile für 1835 | 2610353384
Hersteller: BOSCH
Artikelnummer: EB-F012183580-2610353384
Netto: 20,80 € zzgl. MwSt.
zzgl. 6,90 € Versand (brutto)
einmalig pro Bestellung

Lieferzeit: 5 Werktage

Pos.
53
BOSCH Distanzhülse | Ersatzteile für 1835 | 2610355739
Hersteller: BOSCH
Artikelnummer: EB-F012183580-2610355739
nur Informationsartikel
Nie mehr lieferbar
keine Alternativen
Pos.
54
BOSCH Schraube | Ersatzteile für 1835 | 2610347103
Hersteller: BOSCH
Artikelnummer: EB-F012183580-2610347103
nur Informationsartikel
Nie mehr lieferbar
keine Alternativen
Pos.
56
BOSCH Rillenkugellager | Ersatzteile für 1835 | 2610042699
Hersteller: BOSCH
Artikelnummer: EB-F012183580-2610042699
nur Informationsartikel
Nie mehr lieferbar
keine Alternativen
Pos.
57
BOSCH Kugellager | Ersatzteile für 1835 | 1619P01511
Hersteller: BOSCH
Artikelnummer: EB-F012183580-1619P01511
Netto: 7,30 € zzgl. MwSt.
zzgl. 6,90 € Versand (brutto)
einmalig pro Bestellung

Lieferzeit: 5 Werktage

Pos.
58
BOSCH Anker 230-240V | Ersatzteile für 1835 | 2610353356
Hersteller: BOSCH
Artikelnummer: EB-F012183580-2610353356
nur Informationsartikel
Nie mehr lieferbar
keine Alternativen
Pos.
59
BOSCH Halter | Ersatzteile für 1835 | 2610353378
Hersteller: BOSCH
Artikelnummer: EB-F012183580-2610353378
nur Informationsartikel
Nie mehr lieferbar
keine Alternativen
Pos.
60
BOSCH Schraube | Ersatzteile für 1835 | 2610353372
Hersteller: BOSCH
Artikelnummer: EB-F012183580-2610353372
Netto: 3,94 € zzgl. MwSt.
zzgl. 6,90 € Versand (brutto)
einmalig pro Bestellung

Lieferzeit: 5 Werktage

Angaben zur Produktsicherheit

Hersteller:
Robert Bosch Power Tools GmbH
Postfach 30 02 20
70442 Stuttgart

E-Mail:
kontakt@bosch.de