BOSCH Kugellager | Ersatzteile für 1835U1 | 1619P01511

Artikelnummer: EB-F0151835R1-1619P01511

Position: 13

Marke: BOSCH


Bitte Kompatibilität prüfen!

Bitte prüfen Sie unbedingt die 10-stellige Typennummer Ihrer Maschine / Ihres Gerätes. Das Ersatzteil ist nur kompatibel, wenn Sie die Typennummer Ihrer Maschine in der unten stehenden Produktbeschreibung finden.

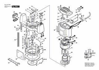
Bitte prüfen Sie ebenfalls detailliert die Explosionszeichnung mit Ihrem Artikelwunsch und der jeweiligen Pos-Nummer.

Alle Elemente, welche vom schwarzen Strich der Pos-Nummer ausgehend berührt / erfasst werden, gehören zu dieser Pos-Nummer und somit zu diesem Artikel. Jede Pos-Nummer ist ein eigenständiger Artikel, welchen Sie in der Auflistung finden.

Sie erhalten stets die aktuellste, neueste Produktversion zu der gewählten Pos-Nummer seitens des Herstellers. Es kann daher je nach Gerätealter vorkommen, dass Sie ggf. weitere, zugehörige Elemente, welche an diese Pos-Nummer grenzen, ebenfalls mittauschen müssen.

Nähere Informationen finden Sie unter dem Link
Hinweise zu Ihrer BOSCH Ersatzteilsuche

Preisübersicht

Einzelpreis: 7,30 €* (Brutto: 8,69 €)
Gesamtpreis: 7,30 €* 
Position:

Lieferzeit: 5 Werktage


Beschreibung

  • Kugellager
  • Original Bosch Zubehör / BOSCH Ersatzteil (1619P01511)
  • im Gerät verbaut: 1
Dieses BOSCH Ersatzteil ist mit folgendem Gerät und Modell kompatibel:
  • BOSCH Gerätename: 1835U1
  • BOSCH Explosionszeichnung: Position 13
  • BOSCH Typennummer: F0151835R1
  • BOSCH Typennummer alternative Schreibweisen: F 015 183 5R1, F015 183 5R1, F.015.183.5R1, F-015-183-5R1
    Bitte prüfen Sie diese Typennummer auf Ihrem Gerät um die Kompatibilität des BOSCH Ersatzteils zu gewährleisten.
Weitere BOSCH Ersatzteile des Gerätes 1835U1 (Oberfräse) mit der Typennummer F0151835R1 finden Sie in der nachfolgenden Darstellung und im Dropdown zu Ihrer Auswahl:

Pos.
1
BOSCH Gerätegehäuse | Ersatzteile für 1835U1 | 2610992421
Hersteller: BOSCH
Artikelnummer: EB-F0151835R1-2610992421
Netto: 13,81 € zzgl. MwSt.
zzgl. 6,90 € Versand (brutto)
einmalig pro Bestellung

Lieferzeit: 5 Werktage

Pos.
651/2
BOSCH Schraube | Ersatzteile für 1835U1 | 2610309249
Hersteller: BOSCH
Artikelnummer: EB-F0151835R1-2610309249
Netto: 3,94 € zzgl. MwSt.
zzgl. 6,90 € Versand (brutto)
einmalig pro Bestellung

Lieferzeit: 5 Werktage

Pos.
651/3
BOSCH Schraube | Ersatzteile für 1835U1 | 2610353372
Hersteller: BOSCH
Artikelnummer: EB-F0151835R1-2610353372
Netto: 3,94 € zzgl. MwSt.
zzgl. 6,90 € Versand (brutto)
einmalig pro Bestellung

Lieferzeit: 5 Werktage

Pos.
651/4
BOSCH Einsatz | Ersatzteile für 1835U1 | 2610091803
Hersteller: BOSCH
Artikelnummer: EB-F0151835R1-2610091803
Netto: 9,05 € zzgl. MwSt.
zzgl. 6,90 € Versand (brutto)
einmalig pro Bestellung

Lieferzeit: 5 Werktage

Pos.
2
BOSCH Polschuh 230-240V | Ersatzteile für 1835U1 | 2610353384
Hersteller: BOSCH
Artikelnummer: EB-F0151835R1-2610353384
Netto: 20,80 € zzgl. MwSt.
zzgl. 6,90 € Versand (brutto)
einmalig pro Bestellung

Lieferzeit: 5 Werktage

Pos.
3
BOSCH Anker 230-240V | Ersatzteile für 1835U1 | 2610353356
Hersteller: BOSCH
Artikelnummer: EB-F0151835R1-2610353356
nur Informationsartikel
Nie mehr lieferbar
keine Alternativen
Pos.
4
BOSCH Kippschalter | Ersatzteile für 1835U1 | 2610996689
Hersteller: BOSCH
Artikelnummer: EB-F0151835R1-2610996689
nur Informationsartikel
Nie mehr lieferbar
keine Alternativen
Pos.
5
BOSCH Netzanschlussleitung CH 4,15m 2 x 1,0mm HO7 RN-F | Ersatzteile für 1835U1 | 2610383569
Hersteller: BOSCH
Artikelnummer: EB-F0151835R1-2610383569
Netto: 14,08 € zzgl. MwSt.
zzgl. 6,90 € Versand (brutto)
einmalig pro Bestellung

Lieferzeit: 5 Werktage

Pos.
6
BOSCH Tülle | Ersatzteile für 1835U1 | 2610313327
Hersteller: BOSCH
Artikelnummer: EB-F0151835R1-2610313327
nur Informationsartikel
Nie mehr lieferbar
keine Alternativen
Pos.
7
BOSCH Leitungshalter | Ersatzteile für 1835U1 | 2610364033
Hersteller: BOSCH
Artikelnummer: EB-F0151835R1-2610364033
Netto: 4,56 € zzgl. MwSt.
zzgl. 6,90 € Versand (brutto)
einmalig pro Bestellung

Lieferzeit: 5 Werktage

Pos.
12
BOSCH Schutz | Ersatzteile für 1835U1 | 2610353436
Hersteller: BOSCH
Artikelnummer: EB-F0151835R1-2610353436
nur Informationsartikel
Nie mehr lieferbar
keine Alternativen
Pos.
13
BOSCH Kugellager | Ersatzteile für 1835U1 | 1619P01511
Hersteller: BOSCH
Artikelnummer: EB-F0151835R1-1619P01511
Netto: 7,26 € zzgl. MwSt.
zzgl. 6,90 € Versand (brutto)
einmalig pro Bestellung

Lieferzeit: 5 Werktage

Pos.
14
BOSCH Rillenkugellager | Ersatzteile für 1835U1 | 2610042699
Hersteller: BOSCH
Artikelnummer: EB-F0151835R1-2610042699
nur Informationsartikel
Nie mehr lieferbar
keine Alternativen
Pos.
16
BOSCH Bürstenhalter | Ersatzteile für 1835U1 | 2610341257
Hersteller: BOSCH
Artikelnummer: EB-F0151835R1-2610341257
nur Informationsartikel
Nie mehr lieferbar
keine Alternativen
Pos.
17
BOSCH Feder | Ersatzteile für 1835U1 | 2610353407
Hersteller: BOSCH
Artikelnummer: EB-F0151835R1-2610353407
Netto: 3,94 € zzgl. MwSt.
zzgl. 6,90 € Versand (brutto)
einmalig pro Bestellung

Lieferzeit: 5 Werktage

Pos.
19
BOSCH Schraube | Ersatzteile für 1835U1 | 2610318720
Hersteller: BOSCH
Artikelnummer: EB-F0151835R1-2610318720
nur Informationsartikel
Nie mehr lieferbar
keine Alternativen
Pos.
22
BOSCH Halter | Ersatzteile für 1835U1 | 2610353378
Hersteller: BOSCH
Artikelnummer: EB-F0151835R1-2610353378
nur Informationsartikel
Nie mehr lieferbar
keine Alternativen
Pos.
23
BOSCH Bohrfutter | Ersatzteile für 1835U1 | 2610353424
Hersteller: BOSCH
Artikelnummer: EB-F0151835R1-2610353424
nur Informationsartikel
Nie mehr lieferbar
keine Alternativen
Pos.
24
BOSCH Mutter | Ersatzteile für 1835U1 | 2610353374
Hersteller: BOSCH
Artikelnummer: EB-F0151835R1-2610353374
nur Informationsartikel
Nie mehr lieferbar
keine Alternativen
Pos.
25
BOSCH Werkzeughalter 8 MM | Ersatzteile für 1835U1 | 2610353415
Hersteller: BOSCH
Artikelnummer: EB-F0151835R1-2610353415
nur Informationsartikel
Nie mehr lieferbar
keine Alternativen
Pos.
26
BOSCH Anschlussklemme | Ersatzteile für 1835U1 | 2610353428
Hersteller: BOSCH
Artikelnummer: EB-F0151835R1-2610353428
Netto: 3,60 € zzgl. MwSt.
zzgl. 6,90 € Versand (brutto)
einmalig pro Bestellung

Lieferzeit: 5 Werktage

Pos.
27
BOSCH Gummipuffer | Ersatzteile für 1835U1 | 2610350655
Hersteller: BOSCH
Artikelnummer: EB-F0151835R1-2610350655
Netto: 3,94 € zzgl. MwSt.
zzgl. 6,90 € Versand (brutto)
einmalig pro Bestellung

Lieferzeit: 5 Werktage

Pos.
28
BOSCH Aufkleber | Ersatzteile für 1835U1 | 2610355149
Hersteller: BOSCH
Artikelnummer: EB-F0151835R1-2610355149
nur Informationsartikel
Nie mehr lieferbar
keine Alternativen
Pos.
34
BOSCH Abdeckung | Ersatzteile für 1835U1 | 2610992422
Hersteller: BOSCH
Artikelnummer: EB-F0151835R1-2610992422
nur Informationsartikel
Nie mehr lieferbar
keine Alternativen
Pos.
37
BOSCH Grundplatte | Ersatzteile für 1835U1 | 2610353370
Hersteller: BOSCH
Artikelnummer: EB-F0151835R1-2610353370
Netto: 6,27 € zzgl. MwSt.
zzgl. 6,90 € Versand (brutto)
einmalig pro Bestellung

Lieferzeit: 5 Werktage

Pos.
38
BOSCH Hebel SCHWARZ | Ersatzteile für 1835U1 | 2610353434
Hersteller: BOSCH
Artikelnummer: EB-F0151835R1-2610353434
nur Informationsartikel
Nie mehr lieferbar
keine Alternativen
Pos.
39
BOSCH Platte | Ersatzteile für 1835U1 | 2610353395
Hersteller: BOSCH
Artikelnummer: EB-F0151835R1-2610353395
Netto: 5,17 € zzgl. MwSt.
zzgl. 6,90 € Versand (brutto)
einmalig pro Bestellung

Lieferzeit: 5 Werktage

Pos.
41
BOSCH Bolzen | Ersatzteile für 1835U1 | 2610353433
Hersteller: BOSCH
Artikelnummer: EB-F0151835R1-2610353433
Netto: 3,94 € zzgl. MwSt.
zzgl. 6,90 € Versand (brutto)
einmalig pro Bestellung

Lieferzeit: 5 Werktage

Pos.
42
BOSCH Schlüssel | Ersatzteile für 1835U1 | 2610353381
Hersteller: BOSCH
Artikelnummer: EB-F0151835R1-2610353381
Netto: 6,21 € zzgl. MwSt.
zzgl. 6,90 € Versand (brutto)
einmalig pro Bestellung

Lieferzeit: 5 Werktage

Pos.
43
BOSCH Drehkopf | Ersatzteile für 1835U1 | 2610353421
Hersteller: BOSCH
Artikelnummer: EB-F0151835R1-2610353421
nur Informationsartikel
Nie mehr lieferbar
keine Alternativen
Pos.
45
BOSCH Platte | Ersatzteile für 1835U1 | 2610353425
Hersteller: BOSCH
Artikelnummer: EB-F0151835R1-2610353425
Netto: 5,17 € zzgl. MwSt.
zzgl. 6,90 € Versand (brutto)
einmalig pro Bestellung

Lieferzeit: 5 Werktage

Pos.
46
BOSCH Feder | Ersatzteile für 1835U1 | 2610353376
Hersteller: BOSCH
Artikelnummer: EB-F0151835R1-2610353376
nur Informationsartikel
Nie mehr lieferbar
keine Alternativen
Pos.
47
BOSCH Feder | Ersatzteile für 1835U1 | 2610353380
Hersteller: BOSCH
Artikelnummer: EB-F0151835R1-2610353380
nur Informationsartikel
Nie mehr lieferbar
keine Alternativen
Pos.
50
BOSCH Kugel | Ersatzteile für 1835U1 | 2610350998
Hersteller: BOSCH
Artikelnummer: EB-F0151835R1-2610350998
nur Informationsartikel
Nie mehr lieferbar
keine Alternativen
Pos.
51
BOSCH Feder | Ersatzteile für 1835U1 | 2610353427
Hersteller: BOSCH
Artikelnummer: EB-F0151835R1-2610353427
nur Informationsartikel
Nie mehr lieferbar
keine Alternativen
Pos.
52
BOSCH Feder | Ersatzteile für 1835U1 | 2610353379
Hersteller: BOSCH
Artikelnummer: EB-F0151835R1-2610353379
Netto: 3,93 € zzgl. MwSt.
zzgl. 6,90 € Versand (brutto)
einmalig pro Bestellung

Lieferzeit: 5 Werktage

Pos.
54
BOSCH Platte | Ersatzteile für 1835U1 | 2610353371
Hersteller: BOSCH
Artikelnummer: EB-F0151835R1-2610353371
nur Informationsartikel
Nie mehr lieferbar
keine Alternativen
Pos.
56
BOSCH Knopf | Ersatzteile für 1835U1 | 2610353373
Hersteller: BOSCH
Artikelnummer: EB-F0151835R1-2610353373
nur Informationsartikel
Nie mehr lieferbar
keine Alternativen
Pos.
58
BOSCH Draht | Ersatzteile für 1835U1 | 2610038795
Hersteller: BOSCH
Artikelnummer: EB-F0151835R1-2610038795
nur Informationsartikel
Nie mehr lieferbar
keine Alternativen
Pos.
59
BOSCH Draht | Ersatzteile für 1835U1 | 2610039553
Hersteller: BOSCH
Artikelnummer: EB-F0151835R1-2610039553
nur Informationsartikel
Nie mehr lieferbar
keine Alternativen
Pos.
60
BOSCH Schraube | Ersatzteile für 1835U1 | 2610347103
Hersteller: BOSCH
Artikelnummer: EB-F0151835R1-2610347103
nur Informationsartikel
Nie mehr lieferbar
keine Alternativen
Pos.
61
BOSCH Schraube ST3,9x19 | Ersatzteile für 1835U1 | 2610315386
Hersteller: BOSCH
Artikelnummer: EB-F0151835R1-2610315386
Netto: 3,94 € zzgl. MwSt.
zzgl. 6,90 € Versand (brutto)
einmalig pro Bestellung

Lieferzeit: 5 Werktage

Pos.
64
BOSCH Schraube | Ersatzteile für 1835U1 | 2610350943
Hersteller: BOSCH
Artikelnummer: EB-F0151835R1-2610350943
nur Informationsartikel
Nie mehr lieferbar
keine Alternativen
Pos.
65
BOSCH Schraube | Ersatzteile für 1835U1 | 1619X00504
Hersteller: BOSCH
Artikelnummer: EB-F0151835R1-1619X00504
Netto: 3,60 € zzgl. MwSt.
zzgl. 6,90 € Versand (brutto)
einmalig pro Bestellung

Lieferzeit: 5 Werktage

Pos.
68
BOSCH Draht | Ersatzteile für 1835U1 | 2610039545
Hersteller: BOSCH
Artikelnummer: EB-F0151835R1-2610039545
nur Informationsartikel
Nie mehr lieferbar
keine Alternativen
Pos.
70
BOSCH Mutter | Ersatzteile für 1835U1 | 2610001309
Hersteller: BOSCH
Artikelnummer: EB-F0151835R1-2610001309
Netto: 3,94 € zzgl. MwSt.
zzgl. 6,90 € Versand (brutto)
einmalig pro Bestellung

Lieferzeit: 5 Werktage

Pos.
71
BOSCH Mutter | Ersatzteile für 1835U1 | 2610353386
Hersteller: BOSCH
Artikelnummer: EB-F0151835R1-2610353386
nur Informationsartikel
Nie mehr lieferbar
keine Alternativen
Pos.
72
BOSCH Mutter | Ersatzteile für 1835U1 | 2610011489
Hersteller: BOSCH
Artikelnummer: EB-F0151835R1-2610011489
nur Informationsartikel
Nie mehr lieferbar
keine Alternativen
Pos.
75
BOSCH Schraube | Ersatzteile für 1835U1 | 2610350698
Hersteller: BOSCH
Artikelnummer: EB-F0151835R1-2610350698
Netto: 3,60 € zzgl. MwSt.
zzgl. 6,90 € Versand (brutto)
einmalig pro Bestellung

Lieferzeit: 5 Werktage

Pos.
76
BOSCH Ring | Ersatzteile für 1835U1 | 2610067431
Hersteller: BOSCH
Artikelnummer: EB-F0151835R1-2610067431
Netto: 3,95 € zzgl. MwSt.
zzgl. 6,90 € Versand (brutto)
einmalig pro Bestellung

Lieferzeit: 5 Werktage

Pos.
77
BOSCH Flachkopfschraube | Ersatzteile für 1835U1 | 2610991280
Hersteller: BOSCH
Artikelnummer: EB-F0151835R1-2610991280
Netto: 3,94 € zzgl. MwSt.
zzgl. 6,90 € Versand (brutto)
einmalig pro Bestellung

Lieferzeit: 5 Werktage

Pos.
79
BOSCH Blechschraube | Ersatzteile für 1835U1 | 2615298025
Hersteller: BOSCH
Artikelnummer: EB-F0151835R1-2615298025
nur Informationsartikel
Nie mehr lieferbar
keine Alternativen
Pos.
80
BOSCH Ring 22 MM DICK | Ersatzteile für 1835U1 | 2610911048
Hersteller: BOSCH
Artikelnummer: EB-F0151835R1-2610911048
Netto: 4,56 € zzgl. MwSt.
zzgl. 6,90 € Versand (brutto)
einmalig pro Bestellung

Lieferzeit: 5 Werktage

Pos.
82
BOSCH Deckel | Ersatzteile für 1835U1 | 2610353399
Hersteller: BOSCH
Artikelnummer: EB-F0151835R1-2610353399
nur Informationsartikel
Nie mehr lieferbar
keine Alternativen
Pos.
83
BOSCH Halter | Ersatzteile für 1835U1 | 2610353423
Hersteller: BOSCH
Artikelnummer: EB-F0151835R1-2610353423
nur Informationsartikel
Nie mehr lieferbar
keine Alternativen
Pos.
84
BOSCH Schalterabdeckung | Ersatzteile für 1835U1 | 2610353447
Hersteller: BOSCH
Artikelnummer: EB-F0151835R1-2610353447
nur Informationsartikel
Nie mehr lieferbar
keine Alternativen
Pos.
85
BOSCH Lager | Ersatzteile für 1835U1 | 2610353412
Hersteller: BOSCH
Artikelnummer: EB-F0151835R1-2610353412
nur Informationsartikel
Nie mehr lieferbar
keine Alternativen
Pos.
88
BOSCH Distanzstück | Ersatzteile für 1835U1 | 2610909592
Hersteller: BOSCH
Artikelnummer: EB-F0151835R1-2610909592
nur Informationsartikel
Nie mehr lieferbar
keine Alternativen
Pos.
91
BOSCH Fuss | Ersatzteile für 1835U1 | 2610353431
Hersteller: BOSCH
Artikelnummer: EB-F0151835R1-2610353431
nur Informationsartikel
Nie mehr lieferbar
keine Alternativen
Pos.
810
BOSCH Kohlebürstensatz | Ersatzteile für 1835U1 | 2610992427
Hersteller: BOSCH
Artikelnummer: EB-F0151835R1-2610992427
nur Informationsartikel
Nie mehr lieferbar
keine Alternativen
Pos.
821
BOSCH Lagergehäuse | Ersatzteile für 1835U1 | 2610354662
Hersteller: BOSCH
Artikelnummer: EB-F0151835R1-2610354662
Netto: 15,15 € zzgl. MwSt.
zzgl. 6,90 € Versand (brutto)
einmalig pro Bestellung

Lieferzeit: 5 Werktage

Pos.
829
BOSCH Platte | Ersatzteile für 1835U1 | 2610354385
Hersteller: BOSCH
Artikelnummer: EB-F0151835R1-2610354385
Netto: 38,40 € zzgl. MwSt.
zzgl. 6,90 € Versand (brutto)
einmalig pro Bestellung

Lieferzeit: 5 Werktage

Angaben zur Produktsicherheit

Hersteller:
Robert Bosch Power Tools GmbH
Postfach 30 02 20
70442 Stuttgart

E-Mail:
kontakt@bosch.de