BOSCH Schraube ST3,9x19 | Ersatzteile für 1840 | 2610315386

Artikelnummer: EB-F012184000-2610315386

Position: 67

Marke: BOSCH


Bitte Kompatibilität prüfen!

Bitte prüfen Sie unbedingt die 10-stellige Typennummer Ihrer Maschine / Ihres Gerätes. Das Ersatzteil ist nur kompatibel, wenn Sie die Typennummer Ihrer Maschine in der unten stehenden Produktbeschreibung finden.

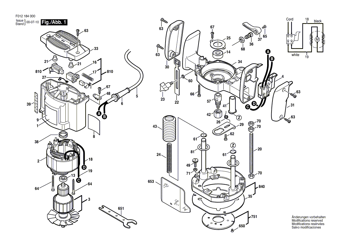
Bitte prüfen Sie ebenfalls detailliert die Explosionszeichnung mit Ihrem Artikelwunsch und der jeweiligen Pos-Nummer.

Alle Elemente, welche vom schwarzen Strich der Pos-Nummer ausgehend berührt / erfasst werden, gehören zu dieser Pos-Nummer und somit zu diesem Artikel. Jede Pos-Nummer ist ein eigenständiger Artikel, welchen Sie in der Auflistung finden.

Sie erhalten stets die aktuellste, neueste Produktversion zu der gewählten Pos-Nummer seitens des Herstellers. Es kann daher je nach Gerätealter vorkommen, dass Sie ggf. weitere, zugehörige Elemente, welche an diese Pos-Nummer grenzen, ebenfalls mittauschen müssen.

Nähere Informationen finden Sie unter dem Link
Hinweise zu Ihrer BOSCH Ersatzteilsuche

Preisübersicht

Einzelpreis: 3,94 €* (Brutto: 4,69 €)
Gesamtpreis: 3,94 €* 
Position:

Lieferzeit: 5 Werktage


Beschreibung

  • Schraube ST3,9x19
  • Original Bosch Zubehör / BOSCH Ersatzteil (2610315386)
  • im Gerät verbaut: 1
Dieses BOSCH Ersatzteil ist mit folgendem Gerät und Modell kompatibel:
  • BOSCH Gerätename: 1840
  • BOSCH Explosionszeichnung: Position 67
  • BOSCH Typennummer: F012184000
  • BOSCH Typennummer alternative Schreibweisen: F 012 184 000, F012 184 000, F.012.184.000, F-012-184-000
    Bitte prüfen Sie diese Typennummer auf Ihrem Gerät um die Kompatibilität des BOSCH Ersatzteils zu gewährleisten.
Weitere BOSCH Ersatzteile des Gerätes 1840 (Oberfräse) mit der Typennummer F012184000 finden Sie in der nachfolgenden Darstellung und im Dropdown zu Ihrer Auswahl:

Pos.
1
BOSCH Gerätegehäuse | Ersatzteile für 1840 | 2610992421
Hersteller: BOSCH
Artikelnummer: EB-F012184000-2610992421
Netto: 14,36 € zzgl. MwSt.
zzgl. 6,90 € Versand (brutto)
einmalig pro Bestellung

Lieferzeit: 5 Werktage

Pos.
2
BOSCH Polschuh 120V | Ersatzteile für 1840 | 2610353383
Hersteller: BOSCH
Artikelnummer: EB-F012184000-2610353383
nur Informationsartikel
Nie mehr lieferbar
keine Alternativen
Pos.
3
BOSCH Anker 120V | Ersatzteile für 1840 | 2610353355
Hersteller: BOSCH
Artikelnummer: EB-F012184000-2610353355
nur Informationsartikel
Nie mehr lieferbar
keine Alternativen
Pos.
4
BOSCH Schalter | Ersatzteile für 1840 | 2607200251
Hersteller: BOSCH
Artikelnummer: EB-F012184000-2607200251
nur Informationsartikel
Nie mehr lieferbar
keine Alternativen
Pos.
5
BOSCH Netzanschlussleitung USA/CDN 2,15m 2 x 0,82mm SJ 18/2 | Ersatzteile für 1840 | 3604460555
Hersteller: BOSCH
Artikelnummer: EB-F012184000-3604460555
Netto: 10,62 € zzgl. MwSt.
zzgl. 6,90 € Versand (brutto)
einmalig pro Bestellung

Lieferzeit: 5 Werktage

Pos.
6
BOSCH Tülle | Ersatzteile für 1840 | 2610313327
Hersteller: BOSCH
Artikelnummer: EB-F012184000-2610313327
nur Informationsartikel
Nie mehr lieferbar
keine Alternativen
Pos.
8
BOSCH Typschild | Ersatzteile für 1840 | 2610967483
Hersteller: BOSCH
Artikelnummer: EB-F012184000-2610967483
nur Informationsartikel
Nie mehr lieferbar
keine Alternativen
Pos.
9
BOSCH Etikett | Ersatzteile für 1840 | 2610967484
Hersteller: BOSCH
Artikelnummer: EB-F012184000-2610967484
nur Informationsartikel
Nie mehr lieferbar
keine Alternativen
Pos.
13
BOSCH Kugellager | Ersatzteile für 1840 | 1619P01511
Hersteller: BOSCH
Artikelnummer: EB-F012184000-1619P01511
Netto: 7,30 € zzgl. MwSt.
zzgl. 6,90 € Versand (brutto)
einmalig pro Bestellung

Lieferzeit: 5 Werktage

Pos.
14
BOSCH Rillenkugellager | Ersatzteile für 1840 | 2610042699
Hersteller: BOSCH
Artikelnummer: EB-F012184000-2610042699
nur Informationsartikel
Nie mehr lieferbar
keine Alternativen
Pos.
16
BOSCH Bürstenhalter | Ersatzteile für 1840 | 2610341257
Hersteller: BOSCH
Artikelnummer: EB-F012184000-2610341257
nur Informationsartikel
Nie mehr lieferbar
keine Alternativen
Pos.
17
BOSCH Feder | Ersatzteile für 1840 | 2610353407
Hersteller: BOSCH
Artikelnummer: EB-F012184000-2610353407
Netto: 3,94 € zzgl. MwSt.
zzgl. 6,90 € Versand (brutto)
einmalig pro Bestellung

Lieferzeit: 5 Werktage

Pos.
18
BOSCH Verbindungsleitung 265 MM | Ersatzteile für 1840 | 2610991352
Hersteller: BOSCH
Artikelnummer: EB-F012184000-2610991352
nur Informationsartikel
Nie mehr lieferbar
keine Alternativen
Pos.
19
BOSCH Verbindungsleitung 375 MM | Ersatzteile für 1840 | 2610991355
Hersteller: BOSCH
Artikelnummer: EB-F012184000-2610991355
nur Informationsartikel
Nie mehr lieferbar
keine Alternativen
Pos.
20
BOSCH Bolzen | Ersatzteile für 1840 | 2610355657
Hersteller: BOSCH
Artikelnummer: EB-F012184000-2610355657
nur Informationsartikel
Nie mehr lieferbar
keine Alternativen
Pos.
21
BOSCH Gummipuffer | Ersatzteile für 1840 | 2610350655
Hersteller: BOSCH
Artikelnummer: EB-F012184000-2610350655
Netto: 3,94 € zzgl. MwSt.
zzgl. 6,90 € Versand (brutto)
einmalig pro Bestellung

Lieferzeit: 5 Werktage

Pos.
22
BOSCH Führungsleiste | Ersatzteile für 1840 | 2610990690
Hersteller: BOSCH
Artikelnummer: EB-F012184000-2610990690
nur Informationsartikel
Nie mehr lieferbar
keine Alternativen
Pos.
23
BOSCH Knopf | Ersatzteile für 1840 | 2610353373
Hersteller: BOSCH
Artikelnummer: EB-F012184000-2610353373
nur Informationsartikel
Nie mehr lieferbar
keine Alternativen
Pos.
24
BOSCH Druckfeder | Ersatzteile für 1840 | 2610990691
Hersteller: BOSCH
Artikelnummer: EB-F012184000-2610990691
nur Informationsartikel
Nie mehr lieferbar
keine Alternativen
Pos.
25
BOSCH Halter | Ersatzteile für 1840 | 2610353378
Hersteller: BOSCH
Artikelnummer: EB-F012184000-2610353378
nur Informationsartikel
Nie mehr lieferbar
keine Alternativen
Pos.
26
BOSCH Feder | Ersatzteile für 1840 | 2610353379
Hersteller: BOSCH
Artikelnummer: EB-F012184000-2610353379
Netto: 3,93 € zzgl. MwSt.
zzgl. 6,90 € Versand (brutto)
einmalig pro Bestellung

Lieferzeit: 5 Werktage

Pos.
27
BOSCH Feder | Ersatzteile für 1840 | 2610353380
Hersteller: BOSCH
Artikelnummer: EB-F012184000-2610353380
nur Informationsartikel
Nie mehr lieferbar
keine Alternativen
Pos.
29
BOSCH Platte | Ersatzteile für 1840 | 2610353425
Hersteller: BOSCH
Artikelnummer: EB-F012184000-2610353425
Netto: 5,19 € zzgl. MwSt.
zzgl. 6,90 € Versand (brutto)
einmalig pro Bestellung

Lieferzeit: 5 Werktage

Pos.
30
BOSCH Griffschale | Ersatzteile für 1840 | 2610990692
Hersteller: BOSCH
Artikelnummer: EB-F012184000-2610990692
nur Informationsartikel
Nie mehr lieferbar
keine Alternativen
Pos.
31
BOSCH Griffschale | Ersatzteile für 1840 | 2610990693
Hersteller: BOSCH
Artikelnummer: EB-F012184000-2610990693
nur Informationsartikel
Nie mehr lieferbar
keine Alternativen
Pos.
33
BOSCH Abdeckung | Ersatzteile für 1840 | 2610992422
Hersteller: BOSCH
Artikelnummer: EB-F012184000-2610992422
nur Informationsartikel
Nie mehr lieferbar
keine Alternativen
Pos.
34
BOSCH Lagerplatte | Ersatzteile für 1840 | 2610991393
Hersteller: BOSCH
Artikelnummer: EB-F012184000-2610991393
nur Informationsartikel
Nie mehr lieferbar
keine Alternativen
Pos.
35
BOSCH Grundplatte | Ersatzteile für 1840 | 2610353370
Hersteller: BOSCH
Artikelnummer: EB-F012184000-2610353370
Netto: 6,27 € zzgl. MwSt.
zzgl. 6,90 € Versand (brutto)
einmalig pro Bestellung

Lieferzeit: 5 Werktage

Pos.
36
BOSCH Bolzen | Ersatzteile für 1840 | 2610353433
Hersteller: BOSCH
Artikelnummer: EB-F012184000-2610353433
Netto: 3,94 € zzgl. MwSt.
zzgl. 6,90 € Versand (brutto)
einmalig pro Bestellung

Lieferzeit: 5 Werktage

Pos.
37
BOSCH Hebel SCHWARZ | Ersatzteile für 1840 | 2610353434
Hersteller: BOSCH
Artikelnummer: EB-F012184000-2610353434
nur Informationsartikel
Nie mehr lieferbar
keine Alternativen
Pos.
38
BOSCH Ring 22 MM DICK | Ersatzteile für 1840 | 2610911048
Hersteller: BOSCH
Artikelnummer: EB-F012184000-2610911048
Netto: 4,56 € zzgl. MwSt.
zzgl. 6,90 € Versand (brutto)
einmalig pro Bestellung

Lieferzeit: 5 Werktage

Pos.
39
BOSCH Aufkleber | Ersatzteile für 1840 | 2610913861
Hersteller: BOSCH
Artikelnummer: EB-F012184000-2610913861
nur Informationsartikel
Nie mehr lieferbar
keine Alternativen
Pos.
41
BOSCH Gleitlager | Ersatzteile für 1840 | 2610990695
Hersteller: BOSCH
Artikelnummer: EB-F012184000-2610990695
nur Informationsartikel
Nie mehr lieferbar
keine Alternativen
Pos.
42
BOSCH Mutter | Ersatzteile für 1840 | 2610993644
Hersteller: BOSCH
Artikelnummer: EB-F012184000-2610993644
nur Informationsartikel
Nie mehr lieferbar
keine Alternativen
Pos.
43
BOSCH Blasebalg | Ersatzteile für 1840 | 2610990698
Hersteller: BOSCH
Artikelnummer: EB-F012184000-2610990698
nur Informationsartikel
Nie mehr lieferbar
keine Alternativen
Pos.
48
BOSCH Leitungshalter | Ersatzteile für 1840 | 2610364033
Hersteller: BOSCH
Artikelnummer: EB-F012184000-2610364033
Netto: 4,53 € zzgl. MwSt.
zzgl. 6,90 € Versand (brutto)
einmalig pro Bestellung

Lieferzeit: 5 Werktage

Pos.
49
BOSCH Schraube | Ersatzteile für 1840 | 2610353372
Hersteller: BOSCH
Artikelnummer: EB-F012184000-2610353372
Netto: 3,94 € zzgl. MwSt.
zzgl. 6,90 € Versand (brutto)
einmalig pro Bestellung

Lieferzeit: 5 Werktage

Pos.
57
BOSCH Spannzange 1/4" | Ersatzteile für 1840 | 2610993645
Hersteller: BOSCH
Artikelnummer: EB-F012184000-2610993645
nur Informationsartikel
Nie mehr lieferbar
keine Alternativen
Pos.
60
BOSCH Mutter | Ersatzteile für 1840 | 2610011489
Hersteller: BOSCH
Artikelnummer: EB-F012184000-2610011489
nur Informationsartikel
Nie mehr lieferbar
keine Alternativen
Pos.
61
BOSCH Ring | Ersatzteile für 1840 | 2610067431
Hersteller: BOSCH
Artikelnummer: EB-F012184000-2610067431
Netto: 3,95 € zzgl. MwSt.
zzgl. 6,90 € Versand (brutto)
einmalig pro Bestellung

Lieferzeit: 5 Werktage

Pos.
62
BOSCH Schraube | Ersatzteile für 1840 | 2610318720
Hersteller: BOSCH
Artikelnummer: EB-F012184000-2610318720
nur Informationsartikel
Nie mehr lieferbar
keine Alternativen
Pos.
63
BOSCH Schraube | Ersatzteile für 1840 | 1619X00504
Hersteller: BOSCH
Artikelnummer: EB-F012184000-1619X00504
Netto: 3,63 € zzgl. MwSt.
zzgl. 6,90 € Versand (brutto)
einmalig pro Bestellung

Lieferzeit: 5 Werktage

Pos.
64
BOSCH Schraube | Ersatzteile für 1840 | 2610347103
Hersteller: BOSCH
Artikelnummer: EB-F012184000-2610347103
nur Informationsartikel
Nie mehr lieferbar
keine Alternativen
Pos.
65
BOSCH Schraube | Ersatzteile für 1840 | 2610350698
Hersteller: BOSCH
Artikelnummer: EB-F012184000-2610350698
Netto: 3,60 € zzgl. MwSt.
zzgl. 6,90 € Versand (brutto)
einmalig pro Bestellung

Lieferzeit: 5 Werktage

Pos.
66
BOSCH Schraube | Ersatzteile für 1840 | 2610350943
Hersteller: BOSCH
Artikelnummer: EB-F012184000-2610350943
nur Informationsartikel
Nie mehr lieferbar
keine Alternativen
Pos.
67
BOSCH Schraube ST3,9x19 | Ersatzteile für 1840 | 2610315386
Hersteller: BOSCH
Artikelnummer: EB-F012184000-2610315386
Netto: 3,94 € zzgl. MwSt.
zzgl. 6,90 € Versand (brutto)
einmalig pro Bestellung

Lieferzeit: 5 Werktage

Pos.
68
BOSCH Mutter | Ersatzteile für 1840 | 2610353386
Hersteller: BOSCH
Artikelnummer: EB-F012184000-2610353386
nur Informationsartikel
Nie mehr lieferbar
keine Alternativen
Pos.
70
BOSCH Mutter | Ersatzteile für 1840 | 2610317009
Hersteller: BOSCH
Artikelnummer: EB-F012184000-2610317009
nur Informationsartikel
Nie mehr lieferbar
keine Alternativen
Pos.
71
BOSCH Mutter | Ersatzteile für 1840 | 2610001309
Hersteller: BOSCH
Artikelnummer: EB-F012184000-2610001309
Netto: 3,94 € zzgl. MwSt.
zzgl. 6,90 € Versand (brutto)
einmalig pro Bestellung

Lieferzeit: 5 Werktage

Pos.
81
BOSCH Scheibe | Ersatzteile für 1840 | 2610992473
Hersteller: BOSCH
Artikelnummer: EB-F012184000-2610992473
nur Informationsartikel
Nie mehr lieferbar
keine Alternativen
Pos.
650
BOSCH Schraube | Ersatzteile für 1840 | 2610309249
Hersteller: BOSCH
Artikelnummer: EB-F012184000-2610309249
Netto: 3,94 € zzgl. MwSt.
zzgl. 6,90 € Versand (brutto)
einmalig pro Bestellung

Lieferzeit: 5 Werktage

Pos.
651
BOSCH Einstellschlüssel | Ersatzteile für 1840 | 2610993579
Hersteller: BOSCH
Artikelnummer: EB-F012184000-2610993579
nur Informationsartikel
Nie mehr lieferbar
keine Alternativen
Pos.
653
BOSCH Platte | Ersatzteile für 1840 | 2610353395
Hersteller: BOSCH
Artikelnummer: EB-F012184000-2610353395
Netto: 5,17 € zzgl. MwSt.
zzgl. 6,90 € Versand (brutto)
einmalig pro Bestellung

Lieferzeit: 5 Werktage

Pos.
751
BOSCH Einsatz | Ersatzteile für 1840 | 2610091803
Hersteller: BOSCH
Artikelnummer: EB-F012184000-2610091803
Netto: 9,05 € zzgl. MwSt.
zzgl. 6,90 € Versand (brutto)
einmalig pro Bestellung

Lieferzeit: 5 Werktage

Pos.
810
BOSCH Kohlebürstensatz | Ersatzteile für 1840 | 2610992423
Hersteller: BOSCH
Artikelnummer: EB-F012184000-2610992423
nur Informationsartikel
Nie mehr lieferbar
keine Alternativen
Pos.
840
BOSCH Sockel | Ersatzteile für 1840 | 2610992425
Hersteller: BOSCH
Artikelnummer: EB-F012184000-2610992425
nur Informationsartikel
Nie mehr lieferbar
keine Alternativen

Angaben zur Produktsicherheit

Hersteller:
Robert Bosch Power Tools GmbH
Postfach 30 02 20
70442 Stuttgart

E-Mail:
kontakt@bosch.de