BOSCH Flügelmutter | Ersatzteile für 1865U3 | 2610029562

Artikelnummer: EB-F0151865S3-2610029562

Position: 85

Marke: BOSCH


Bitte Kompatibilität prüfen!

Bitte prüfen Sie unbedingt die 10-stellige Typennummer Ihrer Maschine / Ihres Gerätes. Das Ersatzteil ist nur kompatibel, wenn Sie die Typennummer Ihrer Maschine in der unten stehenden Produktbeschreibung finden.

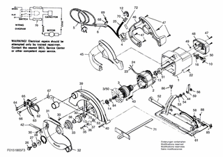
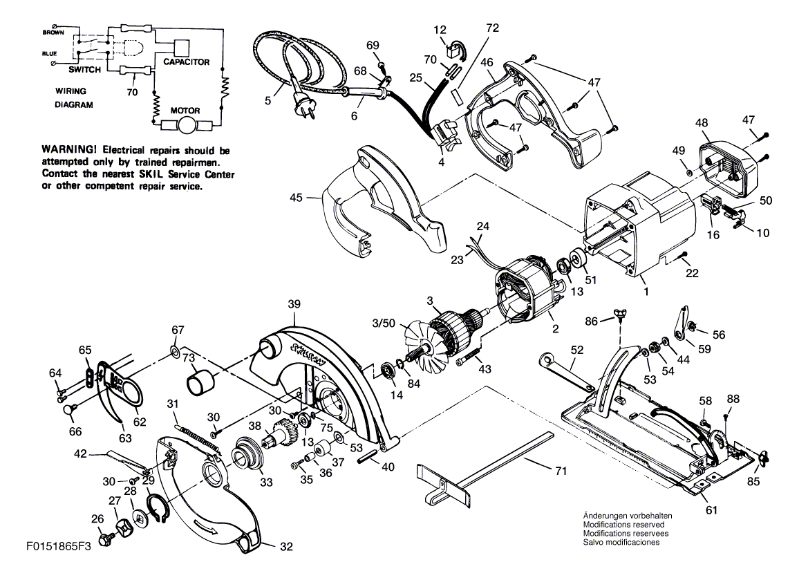
Bitte prüfen Sie ebenfalls detailliert die Explosionszeichnung mit Ihrem Artikelwunsch und der jeweiligen Pos-Nummer.

Alle Elemente, welche vom schwarzen Strich der Pos-Nummer ausgehend berührt / erfasst werden, gehören zu dieser Pos-Nummer und somit zu diesem Artikel. Jede Pos-Nummer ist ein eigenständiger Artikel, welchen Sie in der Auflistung finden.

Sie erhalten stets die aktuellste, neueste Produktversion zu der gewählten Pos-Nummer seitens des Herstellers. Es kann daher je nach Gerätealter vorkommen, dass Sie ggf. weitere, zugehörige Elemente, welche an diese Pos-Nummer grenzen, ebenfalls mittauschen müssen.

Nähere Informationen finden Sie unter dem Link
Hinweise zu Ihrer BOSCH Ersatzteilsuche

Preisübersicht

Einzelpreis: 4,32 €* (Brutto: 5,14 €)
Gesamtpreis: 4,32 €* 
Position:

Lieferzeit: 5 Werktage


Beschreibung

  • Flügelmutter
  • Original Bosch Zubehör / BOSCH Ersatzteil (2610029562)
  • im Gerät verbaut: 1
Dieses BOSCH Ersatzteil ist mit folgendem Gerät und Modell kompatibel:
  • BOSCH Gerätename: 1865U3
  • BOSCH Explosionszeichnung: Position 85
  • BOSCH Typennummer: F0151865S3
  • BOSCH Typennummer alternative Schreibweisen: F 015 186 5S3, F015 186 5S3, F.015.186.5S3, F-015-186-5S3
    Bitte prüfen Sie diese Typennummer auf Ihrem Gerät um die Kompatibilität des BOSCH Ersatzteils zu gewährleisten.
Weitere BOSCH Ersatzteile des Gerätes 1865U3 (Drehwerkzeug) mit der Typennummer F0151865S3 finden Sie in der nachfolgenden Darstellung und im Dropdown zu Ihrer Auswahl:

Pos.
1
BOSCH Motorgehäuse | Ersatzteile für 1865U3 | 2610904250
Hersteller: BOSCH
Artikelnummer: EB-F0151865S3-2610904250
Netto: 9,05 € zzgl. MwSt.
zzgl. 6,90 € Versand (brutto)
einmalig pro Bestellung

Lieferzeit: 5 Werktage

Pos.
3/50
BOSCH Lüfter | Ersatzteile für 1865U3 | 2610341392
Hersteller: BOSCH
Artikelnummer: EB-F0151865S3-2610341392
nur Informationsartikel
Nie mehr lieferbar
keine Alternativen
Pos.
2
BOSCH Polschuh 230V | Ersatzteile für 1865U3 | 2610341405
Hersteller: BOSCH
Artikelnummer: EB-F0151865S3-2610341405
nur Informationsartikel
Nie mehr lieferbar
keine Alternativen
Pos.
3
BOSCH Anker 230V | Ersatzteile für 1865U3 | 2610909122
Hersteller: BOSCH
Artikelnummer: EB-F0151865S3-2610909122
nur Informationsartikel
Nie mehr lieferbar
keine Alternativen
Pos.
4
BOSCH Ein/Aus-Schalter | Ersatzteile für 1865U3 | 2610348355
Hersteller: BOSCH
Artikelnummer: EB-F0151865S3-2610348355
nur Informationsartikel
Nie mehr lieferbar
keine Alternativen
Pos.
5
BOSCH Netzanschlussleitung GB 230V | Ersatzteile für 1865U3 | 2610376418
Hersteller: BOSCH
Artikelnummer: EB-F0151865S3-2610376418
nur Informationsartikel
Nie mehr lieferbar
keine Alternativen
Pos.
6
BOSCH Tülle | Ersatzteile für 1865U3 | 2610062520
Hersteller: BOSCH
Artikelnummer: EB-F0151865S3-2610360176
Netto: 3,60 € zzgl. MwSt.
zzgl. 6,90 € Versand (brutto)
einmalig pro Bestellung

Lieferzeit: 5 Werktage

Pos.
10
BOSCH Kohlebürstensatz | Ersatzteile für 1865U3 | 2610993156
Hersteller: BOSCH
Artikelnummer: EB-F0151865S3-2610993157
Netto: 8,33 € zzgl. MwSt.
zzgl. 6,90 € Versand (brutto)
einmalig pro Bestellung

Lieferzeit: 5 Werktage

Pos.
12
BOSCH Schutz | Ersatzteile für 1865U3 | 2610371301
Hersteller: BOSCH
Artikelnummer: EB-F0151865S3-2610371301
nur Informationsartikel
Nie mehr lieferbar
keine Alternativen
Pos.
13
BOSCH Rillenkugellager 8x22x7 | Ersatzteile für 1865U3 | 2600905052
Hersteller: BOSCH
Artikelnummer: EB-F0151865S3-2600905052
Netto: 7,76 € zzgl. MwSt.
zzgl. 6,90 € Versand (brutto)
einmalig pro Bestellung

Lieferzeit: 5 Werktage

Pos.
14
BOSCH Rillenkugellager | Ersatzteile für 1865U3 | 2610350311
Hersteller: BOSCH
Artikelnummer: EB-F0151865S3-2610350311
Netto: 10,92 € zzgl. MwSt.
zzgl. 6,90 € Versand (brutto)
einmalig pro Bestellung

Lieferzeit: 5 Werktage

Pos.
16
BOSCH Bürstenhalter | Ersatzteile für 1865U3 | 2610341257
Hersteller: BOSCH
Artikelnummer: EB-F0151865S3-2610341257
nur Informationsartikel
Nie mehr lieferbar
keine Alternativen
Pos.
22
BOSCH Schraube | Ersatzteile für 1865U3 | 2610341335
Hersteller: BOSCH
Artikelnummer: EB-F0151865S3-2610341335
Netto: 4,32 € zzgl. MwSt.
zzgl. 6,90 € Versand (brutto)
einmalig pro Bestellung

Lieferzeit: 5 Werktage

Pos.
23
BOSCH Anschlusskabel 385 MM | Ersatzteile für 1865U3 | 2610341377
Hersteller: BOSCH
Artikelnummer: EB-F0151865S3-2610341377
nur Informationsartikel
Nie mehr lieferbar
keine Alternativen
Pos.
24
BOSCH Anschlusskabel 270 MM | Ersatzteile für 1865U3 | 2610341378
Hersteller: BOSCH
Artikelnummer: EB-F0151865S3-2610341378
nur Informationsartikel
Nie mehr lieferbar
keine Alternativen
Pos.
25
BOSCH Elektr Leitung | Ersatzteile für 1865U3 | 2610346590
Hersteller: BOSCH
Artikelnummer: EB-F0151865S3-2610346590
nur Informationsartikel
Nie mehr lieferbar
keine Alternativen
Pos.
26
BOSCH Sechskantschraube | Ersatzteile für 1865U3 | 1619X00935
Hersteller: BOSCH
Artikelnummer: EB-F0151865S3-1619X00935
nur Informationsartikel
Nie mehr lieferbar
keine Alternativen
Pos.
27
BOSCH Flansch | Ersatzteile für 1865U3 | 2610347672
Hersteller: BOSCH
Artikelnummer: EB-F0151865S3-2610347672
nur Informationsartikel
Nie mehr lieferbar
keine Alternativen
Pos.
28
BOSCH Stützscheibe | Ersatzteile für 1865U3 | 2610341361
Hersteller: BOSCH
Artikelnummer: EB-F0151865S3-2610341361
nur Informationsartikel
Nie mehr lieferbar
keine Alternativen
Pos.
29
BOSCH Sicherungsring | Ersatzteile für 1865U3 | 2610341359
Hersteller: BOSCH
Artikelnummer: EB-F0151865S3-2610341359
nur Informationsartikel
Nie mehr lieferbar
keine Alternativen
Pos.
30
BOSCH Kontaktschraube | Ersatzteile für 1865U3 | 1619X01786
Hersteller: BOSCH
Artikelnummer: EB-F0151865S3-1619X01786
nur Informationsartikel
Nie mehr lieferbar
keine Alternativen
Pos.
31
BOSCH Feder | Ersatzteile für 1865U3 | 2610350670
Hersteller: BOSCH
Artikelnummer: EB-F0151865S3-2610350670
nur Informationsartikel
Nie mehr lieferbar
keine Alternativen
Pos.
32
BOSCH Schutzblech | Ersatzteile für 1865U3 | 2610990169
Hersteller: BOSCH
Artikelnummer: EB-F0151865S3-2610990169
nur Informationsartikel
Nie mehr lieferbar
keine Alternativen
Pos.
33
BOSCH Tragplatte | Ersatzteile für 1865U3 | 1619X01554
Hersteller: BOSCH
Artikelnummer: EB-F0151865S3-1619X01554
nur Informationsartikel
Nie mehr lieferbar
keine Alternativen
Pos.
35
BOSCH Schraube | Ersatzteile für 1865U3 | 2610347100
Hersteller: BOSCH
Artikelnummer: EB-F0151865S3-2610347100
nur Informationsartikel
Nie mehr lieferbar
keine Alternativen
Pos.
36
BOSCH Abstandshalter | Ersatzteile für 1865U3 | 2610341366
Hersteller: BOSCH
Artikelnummer: EB-F0151865S3-2610341366
nur Informationsartikel
Nie mehr lieferbar
keine Alternativen
Pos.
37
BOSCH Anschlag | Ersatzteile für 1865U3 | 2610341394
Hersteller: BOSCH
Artikelnummer: EB-F0151865S3-2610341394
nur Informationsartikel
Nie mehr lieferbar
keine Alternativen
Pos.
38
BOSCH Getriebewelle | Ersatzteile für 1865U3 | 2610903192
Hersteller: BOSCH
Artikelnummer: EB-F0151865S3-2610903192
nur Informationsartikel
Nie mehr lieferbar
keine Alternativen
Pos.
39
BOSCH Schutzhaube | Ersatzteile für 1865U3 | 2610908387
Hersteller: BOSCH
Artikelnummer: EB-F0151865S3-2610908387
nur Informationsartikel
Nie mehr lieferbar
keine Alternativen
Pos.
40
BOSCH Spiralspannstift | Ersatzteile für 1865U3 | 2610341332
Hersteller: BOSCH
Artikelnummer: EB-F0151865S3-2610341332
Netto: 4,32 € zzgl. MwSt.
zzgl. 6,90 € Versand (brutto)
einmalig pro Bestellung

Lieferzeit: 5 Werktage

Pos.
42
BOSCH Hebel | Ersatzteile für 1865U3 | 2610901997
Hersteller: BOSCH
Artikelnummer: EB-F0151865S3-2610901997
Netto: 3,60 € zzgl. MwSt.
zzgl. 6,90 € Versand (brutto)
einmalig pro Bestellung

Lieferzeit: 5 Werktage

Pos.
43
BOSCH Schraube | Ersatzteile für 1865U3 | 2610347103
Hersteller: BOSCH
Artikelnummer: EB-F0151865S3-2610347103
nur Informationsartikel
Nie mehr lieferbar
keine Alternativen
Pos.
44
BOSCH Federscheibe | Ersatzteile für 1865U3 | 2610069183
Hersteller: BOSCH
Artikelnummer: EB-F0151865S3-2610069183
Netto: 3,60 € zzgl. MwSt.
zzgl. 6,90 € Versand (brutto)
einmalig pro Bestellung

Lieferzeit: 5 Werktage

Pos.
46
BOSCH Handgriff | Ersatzteile für 1865U3 | 2610904887
Hersteller: BOSCH
Artikelnummer: EB-F0151865S3-2610904887
Netto: 8,13 € zzgl. MwSt.
zzgl. 6,90 € Versand (brutto)
einmalig pro Bestellung

Lieferzeit: 5 Werktage

Pos.
47
BOSCH Schraube | Ersatzteile für 1865U3 | 1619P01505
Hersteller: BOSCH
Artikelnummer: EB-F0151865S3-1619P01505
nur Informationsartikel
Nie mehr lieferbar
keine Alternativen
Pos.
48
BOSCH Verschlussdeckel | Ersatzteile für 1865U3 | 2610341255
Hersteller: BOSCH
Artikelnummer: EB-F0151865S3-2610341255
nur Informationsartikel
Nie mehr lieferbar
keine Alternativen
Pos.
49
BOSCH Gummipuffer | Ersatzteile für 1865U3 | 2610350655
Hersteller: BOSCH
Artikelnummer: EB-F0151865S3-2610350655
Netto: 3,94 € zzgl. MwSt.
zzgl. 6,90 € Versand (brutto)
einmalig pro Bestellung

Lieferzeit: 5 Werktage

Pos.
50
BOSCH Feder | Ersatzteile für 1865U3 | 2610320418
Hersteller: BOSCH
Artikelnummer: EB-F0151865S3-2610320418
nur Informationsartikel
Nie mehr lieferbar
keine Alternativen
Pos.
51
BOSCH Gummiring | Ersatzteile für 1865U3 | 1619P01127
Hersteller: BOSCH
Artikelnummer: EB-F0151865S3-1619P01127
Netto: 3,63 € zzgl. MwSt.
zzgl. 6,90 € Versand (brutto)
einmalig pro Bestellung

Lieferzeit: 5 Werktage

Pos.
52
BOSCH Ringschlüssel | Ersatzteile für 1865U3 | 2610341299
Hersteller: BOSCH
Artikelnummer: EB-F0151865S3-2610341299
Netto: 9,18 € zzgl. MwSt.
zzgl. 6,90 € Versand (brutto)
einmalig pro Bestellung

Lieferzeit: 5 Werktage

Pos.
53
BOSCH Vorlegscheibe | Ersatzteile für 1865U3 | 1619P01535
Hersteller: BOSCH
Artikelnummer: EB-F0151865S3-1619P01535
Netto: 3,63 € zzgl. MwSt.
zzgl. 6,90 € Versand (brutto)
einmalig pro Bestellung

Lieferzeit: 5 Werktage

Pos.
54
BOSCH Hebel | Ersatzteile für 1865U3 | 2610908289
Hersteller: BOSCH
Artikelnummer: EB-F0151865S3-2610908289
nur Informationsartikel
Nie mehr lieferbar
keine Alternativen
Pos.
56
BOSCH Sicherungsring | Ersatzteile für 1865U3 | 2610341354
Hersteller: BOSCH
Artikelnummer: EB-F0151865S3-2610341354
Netto: 4,32 € zzgl. MwSt.
zzgl. 6,90 € Versand (brutto)
einmalig pro Bestellung

Lieferzeit: 5 Werktage

Pos.
58
BOSCH Flachrundschraube | Ersatzteile für 1865U3 | 2610017262
Hersteller: BOSCH
Artikelnummer: EB-F0151865S3-2610017262
nur Informationsartikel
Nie mehr lieferbar
keine Alternativen
Pos.
61
BOSCH Fuss | Ersatzteile für 1865U3 | 2610904243
Hersteller: BOSCH
Artikelnummer: EB-F0151865S3-2610904243
nur Informationsartikel
Nie mehr lieferbar
keine Alternativen
Pos.
62
BOSCH Stütze | Ersatzteile für 1865U3 | 2610341293
Hersteller: BOSCH
Artikelnummer: EB-F0151865S3-2610341293
nur Informationsartikel
Nie mehr lieferbar
keine Alternativen
Pos.
63
BOSCH Spaltkeil | Ersatzteile für 1865U3 | 2610354871
Hersteller: BOSCH
Artikelnummer: EB-F0151865S3-2610354871
nur Informationsartikel
Nie mehr lieferbar
keine Alternativen
Pos.
64
BOSCH Schraube | Ersatzteile für 1865U3 | 2610353948
Hersteller: BOSCH
Artikelnummer: EB-F0151865S3-2610353948
Netto: 3,94 € zzgl. MwSt.
zzgl. 6,90 € Versand (brutto)
einmalig pro Bestellung

Lieferzeit: 5 Werktage

Pos.
65
BOSCH Platte | Ersatzteile für 1865U3 | 2610341341
Hersteller: BOSCH
Artikelnummer: EB-F0151865S3-2610341341
nur Informationsartikel
Nie mehr lieferbar
keine Alternativen
Pos.
66
BOSCH Bolzen | Ersatzteile für 1865U3 | 2610357546
Hersteller: BOSCH
Artikelnummer: EB-F0151865S3-2610357546
Netto: 3,60 € zzgl. MwSt.
zzgl. 6,90 € Versand (brutto)
einmalig pro Bestellung

Lieferzeit: 5 Werktage

Pos.
67
BOSCH Scheibe | Ersatzteile für 1865U3 | 2610341362
Hersteller: BOSCH
Artikelnummer: EB-F0151865S3-2610341362
Netto: 3,60 € zzgl. MwSt.
zzgl. 6,90 € Versand (brutto)
einmalig pro Bestellung

Lieferzeit: 5 Werktage

Pos.
68
BOSCH Leitungshalter | Ersatzteile für 1865U3 | 2610364033
Hersteller: BOSCH
Artikelnummer: EB-F0151865S3-2610364033
Netto: 4,53 € zzgl. MwSt.
zzgl. 6,90 € Versand (brutto)
einmalig pro Bestellung

Lieferzeit: 5 Werktage

Pos.
69
BOSCH Schraube | Ersatzteile für 1865U3 | 2610990024
Hersteller: BOSCH
Artikelnummer: EB-F0151865S3-2610990024
nur Informationsartikel
Nie mehr lieferbar
keine Alternativen
Pos.
70
BOSCH Verbindungsstück | Ersatzteile für 1865U3 | 2610060172
Hersteller: BOSCH
Artikelnummer: EB-F0151865S3-2610060172
nur Informationsartikel
Nie mehr lieferbar
keine Alternativen
Pos.
71
BOSCH Anschlag | Ersatzteile für 1865U3 | 2610323548
Hersteller: BOSCH
Artikelnummer: EB-F0151865S3-2610323548
nur Informationsartikel
Nie mehr lieferbar
keine Alternativen
Pos.
72
BOSCH Distanzstück | Ersatzteile für 1865U3 | 2610347892
Hersteller: BOSCH
Artikelnummer: EB-F0151865S3-2610347892
Netto: 5,19 € zzgl. MwSt.
zzgl. 6,90 € Versand (brutto)
einmalig pro Bestellung

Lieferzeit: 5 Werktage

Pos.
73
BOSCH Distanzscheibe | Ersatzteile für 1865U3 | 2610355596
Hersteller: BOSCH
Artikelnummer: EB-F0151865S3-2610355596
nur Informationsartikel
Nie mehr lieferbar
keine Alternativen
Pos.
75
BOSCH Sicherungsring | Ersatzteile für 1865U3 | 2610350683
Hersteller: BOSCH
Artikelnummer: EB-F0151865S3-2610350683
Netto: 4,32 € zzgl. MwSt.
zzgl. 6,90 € Versand (brutto)
einmalig pro Bestellung

Lieferzeit: 5 Werktage

Pos.
84
BOSCH Sprengring | Ersatzteile für 1865U3 | 2610025684
Hersteller: BOSCH
Artikelnummer: EB-F0151865S3-2610025684
Netto: 3,94 € zzgl. MwSt.
zzgl. 6,90 € Versand (brutto)
einmalig pro Bestellung

Lieferzeit: 5 Werktage

Pos.
85
BOSCH Flügelmutter | Ersatzteile für 1865U3 | 2610029562
Hersteller: BOSCH
Artikelnummer: EB-F0151865S3-2610029562
Netto: 4,32 € zzgl. MwSt.
zzgl. 6,90 € Versand (brutto)
einmalig pro Bestellung

Lieferzeit: 5 Werktage

Pos.
86
BOSCH Schraube | Ersatzteile für 1865U3 | 2610018222
Hersteller: BOSCH
Artikelnummer: EB-F0151865S3-2610018222
nur Informationsartikel
Nie mehr lieferbar
keine Alternativen
Pos.
88
BOSCH Schraube | Ersatzteile für 1865U3 | 2610347488
Hersteller: BOSCH
Artikelnummer: EB-F0151865S3-2610347488
Netto: 3,94 € zzgl. MwSt.
zzgl. 6,90 € Versand (brutto)
einmalig pro Bestellung

Lieferzeit: 5 Werktage

Angaben zur Produktsicherheit

Hersteller:
Robert Bosch Power Tools GmbH
Postfach 30 02 20
70442 Stuttgart

E-Mail:
kontakt@bosch.de