BOSCH Platte | Ersatzteile für 1870 TYPE 1 | 2610353395

Artikelnummer: EB-F012X87000-2610353395

Position: 39

Marke: BOSCH


Bitte Kompatibilität prüfen!

Bitte prüfen Sie unbedingt die 10-stellige Typennummer Ihrer Maschine / Ihres Gerätes. Das Ersatzteil ist nur kompatibel, wenn Sie die Typennummer Ihrer Maschine in der unten stehenden Produktbeschreibung finden.

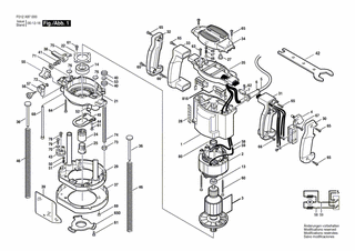
Bitte prüfen Sie ebenfalls detailliert die Explosionszeichnung mit Ihrem Artikelwunsch und der jeweiligen Pos-Nummer.

Alle Elemente, welche vom schwarzen Strich der Pos-Nummer ausgehend berührt / erfasst werden, gehören zu dieser Pos-Nummer und somit zu diesem Artikel. Jede Pos-Nummer ist ein eigenständiger Artikel, welchen Sie in der Auflistung finden.

Sie erhalten stets die aktuellste, neueste Produktversion zu der gewählten Pos-Nummer seitens des Herstellers. Es kann daher je nach Gerätealter vorkommen, dass Sie ggf. weitere, zugehörige Elemente, welche an diese Pos-Nummer grenzen, ebenfalls mittauschen müssen.

Nähere Informationen finden Sie unter dem Link
Hinweise zu Ihrer BOSCH Ersatzteilsuche

Preisübersicht

Einzelpreis: 5,17 €* (Brutto: 6,15 €)
Gesamtpreis: 5,17 €* 
Position:

Lieferzeit: 5 Werktage


Beschreibung

  • Platte
  • Original Bosch Zubehör / BOSCH Ersatzteil (2610353395)
  • im Gerät verbaut: 1
Dieses BOSCH Ersatzteil ist mit folgendem Gerät und Modell kompatibel:
  • BOSCH Gerätename: 1870 TYPE 1
  • BOSCH Explosionszeichnung: Position 39
  • BOSCH Typennummer: F012X87000
  • BOSCH Typennummer alternative Schreibweisen: F 012 X87 000, F012 X87 000, F.012.X87.000, F-012-X87-000
    Bitte prüfen Sie diese Typennummer auf Ihrem Gerät um die Kompatibilität des BOSCH Ersatzteils zu gewährleisten.
Weitere BOSCH Ersatzteile des Gerätes 1870 TYPE 1 (Oberfräse) mit der Typennummer F012X87000 finden Sie in der nachfolgenden Darstellung und im Dropdown zu Ihrer Auswahl:

Pos.
1
BOSCH Gehäuse | Ersatzteile für 1870 TYPE 1 | 2610905333
Hersteller: BOSCH
Artikelnummer: EB-F012X87000-2610905333
nur Informationsartikel
Nie mehr lieferbar
keine Alternativen
Pos.
2
BOSCH Polschuh 120V | Ersatzteile für 1870 TYPE 1 | 2610355673
Hersteller: BOSCH
Artikelnummer: EB-F012X87000-2610355673
nur Informationsartikel
Nie mehr lieferbar
keine Alternativen
Pos.
3
BOSCH Anker 120V | Ersatzteile für 1870 TYPE 1 | 2610355675
Hersteller: BOSCH
Artikelnummer: EB-F012X87000-2610355675
nur Informationsartikel
Nie mehr lieferbar
keine Alternativen
Pos.
4
BOSCH Ein/Aus-Schalter | Ersatzteile für 1870 TYPE 1 | 2610329995
Hersteller: BOSCH
Artikelnummer: EB-F012X87000-2610329995
nur Informationsartikel
Nie mehr lieferbar
keine Alternativen
Pos.
5
BOSCH Netzanschlussleitung | Ersatzteile für 1870 TYPE 1 | 2610904118
Hersteller: BOSCH
Artikelnummer: EB-F012X87000-2610904118
nur Informationsartikel
Nie mehr lieferbar
keine Alternativen
Pos.
6
BOSCH Tülle | Ersatzteile für 1870 TYPE 1 | 2610313327
Hersteller: BOSCH
Artikelnummer: EB-F012X87000-2610313327
nur Informationsartikel
Nie mehr lieferbar
keine Alternativen
Pos.
7
BOSCH Leitungshalter | Ersatzteile für 1870 TYPE 1 | 2610364033
Hersteller: BOSCH
Artikelnummer: EB-F012X87000-2610364033
Netto: 4,56 € zzgl. MwSt.
zzgl. 6,90 € Versand (brutto)
einmalig pro Bestellung

Lieferzeit: 5 Werktage

Pos.
13
BOSCH Kugellager | Ersatzteile für 1870 TYPE 1 | 1619P01511
Hersteller: BOSCH
Artikelnummer: EB-F012X87000-1619P01511
Netto: 7,26 € zzgl. MwSt.
zzgl. 6,90 € Versand (brutto)
einmalig pro Bestellung

Lieferzeit: 5 Werktage

Pos.
14
BOSCH Rillenkugellager | Ersatzteile für 1870 TYPE 1 | 2610018923
Hersteller: BOSCH
Artikelnummer: EB-F012X87000-2610018923
nur Informationsartikel
Nie mehr lieferbar
keine Alternativen
Pos.
21
BOSCH Lagerdeckel | Ersatzteile für 1870 TYPE 1 | 2610355665
Hersteller: BOSCH
Artikelnummer: EB-F012X87000-2610355665
nur Informationsartikel
Nie mehr lieferbar
keine Alternativen
Pos.
22
BOSCH Lagerhalter | Ersatzteile für 1870 TYPE 1 | 2610355669
Hersteller: BOSCH
Artikelnummer: EB-F012X87000-2610355669
nur Informationsartikel
Nie mehr lieferbar
keine Alternativen
Pos.
24
BOSCH Spannmutter | Ersatzteile für 1870 TYPE 1 | 2610355680
Hersteller: BOSCH
Artikelnummer: EB-F012X87000-2610355680
nur Informationsartikel
Nie mehr lieferbar
keine Alternativen
Pos.
25
BOSCH Spannzange 1/2" | Ersatzteile für 1870 TYPE 1 | 2610355691
Hersteller: BOSCH
Artikelnummer: EB-F012X87000-2610355691
nur Informationsartikel
Nie mehr lieferbar
keine Alternativen
Pos.
25
BOSCH Spannzange 1/4" | Ersatzteile für 1870 TYPE 1 | 2610355693
Hersteller: BOSCH
Artikelnummer: EB-F012X87000-2610355693
nur Informationsartikel
Nie mehr lieferbar
keine Alternativen
Pos.
27
BOSCH Gummipuffer | Ersatzteile für 1870 TYPE 1 | 2610350655
Hersteller: BOSCH
Artikelnummer: EB-F012X87000-2610350655
Netto: 3,94 € zzgl. MwSt.
zzgl. 6,90 € Versand (brutto)
einmalig pro Bestellung

Lieferzeit: 5 Werktage

Pos.
28
BOSCH Hinweisschild | Ersatzteile für 1870 TYPE 1 | 2610353149
Hersteller: BOSCH
Artikelnummer: EB-F012X87000-2610353149
nur Informationsartikel
Nie mehr lieferbar
keine Alternativen
Pos.
29
BOSCH Grundplatte | Ersatzteile für 1870 TYPE 1 | 2610355684
Hersteller: BOSCH
Artikelnummer: EB-F012X87000-2610355684
nur Informationsartikel
Nie mehr lieferbar
keine Alternativen
Pos.
30
BOSCH Deckel SCHWARZ | Ersatzteile für 1870 TYPE 1 | 2610355699
Hersteller: BOSCH
Artikelnummer: EB-F012X87000-2610355699
nur Informationsartikel
Nie mehr lieferbar
keine Alternativen
Pos.
31
BOSCH Handgriff SCHWARZ | Ersatzteile für 1870 TYPE 1 | 2610355697
Hersteller: BOSCH
Artikelnummer: EB-F012X87000-2610355697
nur Informationsartikel
Nie mehr lieferbar
keine Alternativen
Pos.
32
BOSCH Deckel SCHWARZ | Ersatzteile für 1870 TYPE 1 | 2610355703
Hersteller: BOSCH
Artikelnummer: EB-F012X87000-2610355703
nur Informationsartikel
Nie mehr lieferbar
keine Alternativen
Pos.
33
BOSCH Handgriff SCHWARZ | Ersatzteile für 1870 TYPE 1 | 2610355701
Hersteller: BOSCH
Artikelnummer: EB-F012X87000-2610355701
nur Informationsartikel
Nie mehr lieferbar
keine Alternativen
Pos.
34
BOSCH Gehäusedeckel | Ersatzteile für 1870 TYPE 1 | 2610905331
Hersteller: BOSCH
Artikelnummer: EB-F012X87000-2610905331
nur Informationsartikel
Nie mehr lieferbar
keine Alternativen
Pos.
35
BOSCH Deckel | Ersatzteile für 1870 TYPE 1 | 2610905330
Hersteller: BOSCH
Artikelnummer: EB-F012X87000-2610905330
nur Informationsartikel
Nie mehr lieferbar
keine Alternativen
Pos.
36
BOSCH Führung | Ersatzteile für 1870 TYPE 1 | 2610355668
Hersteller: BOSCH
Artikelnummer: EB-F012X87000-2610355668
nur Informationsartikel
Nie mehr lieferbar
keine Alternativen
Pos.
37
BOSCH Grundplatte | Ersatzteile für 1870 TYPE 1 | 2610355683
Hersteller: BOSCH
Artikelnummer: EB-F012X87000-2610355683
nur Informationsartikel
Nie mehr lieferbar
keine Alternativen
Pos.
38
BOSCH Hebel | Ersatzteile für 1870 TYPE 1 | 2610355685
Hersteller: BOSCH
Artikelnummer: EB-F012X87000-2610355685
nur Informationsartikel
Nie mehr lieferbar
keine Alternativen
Pos.
39
BOSCH Platte | Ersatzteile für 1870 TYPE 1 | 2610353395
Hersteller: BOSCH
Artikelnummer: EB-F012X87000-2610353395
Netto: 5,17 € zzgl. MwSt.
zzgl. 6,90 € Versand (brutto)
einmalig pro Bestellung

Lieferzeit: 5 Werktage

Pos.
40
BOSCH Mutter | Ersatzteile für 1870 TYPE 1 | 2610355654
Hersteller: BOSCH
Artikelnummer: EB-F012X87000-2610355654
nur Informationsartikel
Nie mehr lieferbar
keine Alternativen
Pos.
41
BOSCH Bolzen | Ersatzteile für 1870 TYPE 1 | 2610353433
Hersteller: BOSCH
Artikelnummer: EB-F012X87000-2610353433
Netto: 3,94 € zzgl. MwSt.
zzgl. 6,90 € Versand (brutto)
einmalig pro Bestellung

Lieferzeit: 5 Werktage

Pos.
42
BOSCH Schlüssel | Ersatzteile für 1870 TYPE 1 | 2610355679
Hersteller: BOSCH
Artikelnummer: EB-F012X87000-2610355679
nur Informationsartikel
Nie mehr lieferbar
keine Alternativen
Pos.
43
BOSCH Drehkopf | Ersatzteile für 1870 TYPE 1 | 2610353421
Hersteller: BOSCH
Artikelnummer: EB-F012X87000-2610353421
nur Informationsartikel
Nie mehr lieferbar
keine Alternativen
Pos.
44
BOSCH Distanzscheibe | Ersatzteile für 1870 TYPE 1 | 2610355661
Hersteller: BOSCH
Artikelnummer: EB-F012X87000-2610355661
nur Informationsartikel
Nie mehr lieferbar
keine Alternativen
Pos.
45
BOSCH Platte | Ersatzteile für 1870 TYPE 1 | 2610355678
Hersteller: BOSCH
Artikelnummer: EB-F012X87000-2610355678
nur Informationsartikel
Nie mehr lieferbar
keine Alternativen
Pos.
46
BOSCH Feder | Ersatzteile für 1870 TYPE 1 | 2610355651
Hersteller: BOSCH
Artikelnummer: EB-F012X87000-2610355651
nur Informationsartikel
Nie mehr lieferbar
keine Alternativen
Pos.
47
BOSCH Feder | Ersatzteile für 1870 TYPE 1 | 2610355709
Hersteller: BOSCH
Artikelnummer: EB-F012X87000-2610355709
nur Informationsartikel
Nie mehr lieferbar
keine Alternativen
Pos.
48
BOSCH Stift | Ersatzteile für 1870 TYPE 1 | 2610355715
Hersteller: BOSCH
Artikelnummer: EB-F012X87000-2610355715
nur Informationsartikel
Nie mehr lieferbar
keine Alternativen
Pos.
49
BOSCH Kugel | Ersatzteile für 1870 TYPE 1 | 2610006913
Hersteller: BOSCH
Artikelnummer: EB-F012X87000-2610006913
nur Informationsartikel
Nie mehr lieferbar
keine Alternativen
Pos.
50
BOSCH Kugel | Ersatzteile für 1870 TYPE 1 | 2610350998
Hersteller: BOSCH
Artikelnummer: EB-F012X87000-2610350998
nur Informationsartikel
Nie mehr lieferbar
keine Alternativen
Pos.
51
BOSCH Feder | Ersatzteile für 1870 TYPE 1 | 2610353427
Hersteller: BOSCH
Artikelnummer: EB-F012X87000-2610353427
nur Informationsartikel
Nie mehr lieferbar
keine Alternativen
Pos.
52
BOSCH Feder | Ersatzteile für 1870 TYPE 1 | 2610355655
Hersteller: BOSCH
Artikelnummer: EB-F012X87000-2610355655
nur Informationsartikel
Nie mehr lieferbar
keine Alternativen
Pos.
53
BOSCH Scheibe | Ersatzteile für 1870 TYPE 1 | 2610070890
Hersteller: BOSCH
Artikelnummer: EB-F012X87000-2610070890
nur Informationsartikel
Nie mehr lieferbar
keine Alternativen
Pos.
55
BOSCH Knopf | Ersatzteile für 1870 TYPE 1 | 2610355663
Hersteller: BOSCH
Artikelnummer: EB-F012X87000-2610355663
nur Informationsartikel
Nie mehr lieferbar
keine Alternativen
Pos.
56
BOSCH Knopf | Ersatzteile für 1870 TYPE 1 | 2610355662
Hersteller: BOSCH
Artikelnummer: EB-F012X87000-2610355662
nur Informationsartikel
Nie mehr lieferbar
keine Alternativen
Pos.
57
BOSCH Halter | Ersatzteile für 1870 TYPE 1 | 2610355674
Hersteller: BOSCH
Artikelnummer: EB-F012X87000-2610355674
nur Informationsartikel
Nie mehr lieferbar
keine Alternativen
Pos.
58
BOSCH Verbindungsleitung | Ersatzteile für 1870 TYPE 1 | 2610038950
Hersteller: BOSCH
Artikelnummer: EB-F012X87000-2610038950
nur Informationsartikel
Nie mehr lieferbar
keine Alternativen
Pos.
59
BOSCH Verbindungsleitung | Ersatzteile für 1870 TYPE 1 | 2610038959
Hersteller: BOSCH
Artikelnummer: EB-F012X87000-2610038959
nur Informationsartikel
Nie mehr lieferbar
keine Alternativen
Pos.
60
BOSCH Schraube | Ersatzteile für 1870 TYPE 1 | 1619P01508
Hersteller: BOSCH
Artikelnummer: EB-F012X87000-1619P01508
Netto: 3,60 € zzgl. MwSt.
zzgl. 6,90 € Versand (brutto)
einmalig pro Bestellung

Lieferzeit: 5 Werktage

Pos.
61
BOSCH Schraube | Ersatzteile für 1870 TYPE 1 | 2610329929
Hersteller: BOSCH
Artikelnummer: EB-F012X87000-2610329929
Netto: 3,94 € zzgl. MwSt.
zzgl. 6,90 € Versand (brutto)
einmalig pro Bestellung

Lieferzeit: 5 Werktage

Pos.
62
BOSCH Schraube | Ersatzteile für 1870 TYPE 1 | 2610350996
Hersteller: BOSCH
Artikelnummer: EB-F012X87000-2610350996
nur Informationsartikel
Nie mehr lieferbar
keine Alternativen
Pos.
63
BOSCH Schraube | Ersatzteile für 1870 TYPE 1 | 2610348622
Hersteller: BOSCH
Artikelnummer: EB-F012X87000-2610348622
nur Informationsartikel
Nie mehr lieferbar
keine Alternativen
Pos.
64
BOSCH Schraube | Ersatzteile für 1870 TYPE 1 | 2610350943
Hersteller: BOSCH
Artikelnummer: EB-F012X87000-2610350943
nur Informationsartikel
Nie mehr lieferbar
keine Alternativen
Pos.
65
BOSCH Schraube | Ersatzteile für 1870 TYPE 1 | 1619X00504
Hersteller: BOSCH
Artikelnummer: EB-F012X87000-1619X00504
Netto: 3,60 € zzgl. MwSt.
zzgl. 6,90 € Versand (brutto)
einmalig pro Bestellung

Lieferzeit: 5 Werktage

Pos.
66
BOSCH Schraube | Ersatzteile für 1870 TYPE 1 | 2610329930
Hersteller: BOSCH
Artikelnummer: EB-F012X87000-2610329930
nur Informationsartikel
Nie mehr lieferbar
keine Alternativen
Pos.
67
BOSCH Schraube | Ersatzteile für 1870 TYPE 1 | 2610990024
Hersteller: BOSCH
Artikelnummer: EB-F012X87000-2610990024
nur Informationsartikel
Nie mehr lieferbar
keine Alternativen
Pos.
68
BOSCH Tiefenmass | Ersatzteile für 1870 TYPE 1 | 2610355658
Hersteller: BOSCH
Artikelnummer: EB-F012X87000-2610355658
nur Informationsartikel
Nie mehr lieferbar
keine Alternativen
Pos.
69
BOSCH Schraube | Ersatzteile für 1870 TYPE 1 | 2610355706
Hersteller: BOSCH
Artikelnummer: EB-F012X87000-2610355706
nur Informationsartikel
Nie mehr lieferbar
keine Alternativen
Pos.
70
BOSCH Mutter | Ersatzteile für 1870 TYPE 1 | 2610001309
Hersteller: BOSCH
Artikelnummer: EB-F012X87000-2610001309
Netto: 3,94 € zzgl. MwSt.
zzgl. 6,90 € Versand (brutto)
einmalig pro Bestellung

Lieferzeit: 5 Werktage

Pos.
71
BOSCH Mutter | Ersatzteile für 1870 TYPE 1 | 2610353386
Hersteller: BOSCH
Artikelnummer: EB-F012X87000-2610353386
nur Informationsartikel
Nie mehr lieferbar
keine Alternativen
Pos.
72
BOSCH Mutter | Ersatzteile für 1870 TYPE 1 | 2610001628
Hersteller: BOSCH
Artikelnummer: EB-F012X87000-2610001628
nur Informationsartikel
Nie mehr lieferbar
keine Alternativen
Pos.
73
BOSCH Mutter | Ersatzteile für 1870 TYPE 1 | 2610317009
Hersteller: BOSCH
Artikelnummer: EB-F012X87000-2610317009
nur Informationsartikel
Nie mehr lieferbar
keine Alternativen
Pos.
74
BOSCH Bolzen | Ersatzteile für 1870 TYPE 1 | 2610355657
Hersteller: BOSCH
Artikelnummer: EB-F012X87000-2610355657
nur Informationsartikel
Nie mehr lieferbar
keine Alternativen
Pos.
75
BOSCH Schraube | Ersatzteile für 1870 TYPE 1 | 2610350698
Hersteller: BOSCH
Artikelnummer: EB-F012X87000-2610350698
Netto: 3,60 € zzgl. MwSt.
zzgl. 6,90 € Versand (brutto)
einmalig pro Bestellung

Lieferzeit: 5 Werktage

Pos.
76
BOSCH Ring | Ersatzteile für 1870 TYPE 1 | 2610355660
Hersteller: BOSCH
Artikelnummer: EB-F012X87000-2610355660
nur Informationsartikel
Nie mehr lieferbar
keine Alternativen
Pos.
78
BOSCH Blechschraube | Ersatzteile für 1870 TYPE 1 | 2615298025
Hersteller: BOSCH
Artikelnummer: EB-F012X87000-2615298025
nur Informationsartikel
Nie mehr lieferbar
keine Alternativen
Pos.
79
BOSCH Flachkopfschraube | Ersatzteile für 1870 TYPE 1 | 2610991280
Hersteller: BOSCH
Artikelnummer: EB-F012X87000-2610991280
Netto: 3,94 € zzgl. MwSt.
zzgl. 6,90 € Versand (brutto)
einmalig pro Bestellung

Lieferzeit: 5 Werktage

Pos.
80
BOSCH Ring 22 MM DICK | Ersatzteile für 1870 TYPE 1 | 2610911048
Hersteller: BOSCH
Artikelnummer: EB-F012X87000-2610911048
Netto: 4,56 € zzgl. MwSt.
zzgl. 6,90 € Versand (brutto)
einmalig pro Bestellung

Lieferzeit: 5 Werktage

Pos.
650
BOSCH Einsatz | Ersatzteile für 1870 TYPE 1 | 2610355686
Hersteller: BOSCH
Artikelnummer: EB-F012X87000-2610355686
nur Informationsartikel
Nie mehr lieferbar
keine Alternativen
Pos.
816
BOSCH Bürstenhalter | Ersatzteile für 1870 TYPE 1 | 2610355594
Hersteller: BOSCH
Artikelnummer: EB-F012X87000-2610355594
nur Informationsartikel
Nie mehr lieferbar
keine Alternativen

Angaben zur Produktsicherheit

Hersteller:
Robert Bosch Power Tools GmbH
Postfach 30 02 20
70442 Stuttgart

E-Mail:
kontakt@bosch.de