BOSCH Gummipuffer | Ersatzteile für 1875U1 | 2610350655

Artikelnummer: EB-F0151875C1-2610350655

Position: 28

Marke: BOSCH


Bitte Kompatibilität prüfen!

Bitte prüfen Sie unbedingt die 10-stellige Typennummer Ihrer Maschine / Ihres Gerätes. Das Ersatzteil ist nur kompatibel, wenn Sie die Typennummer Ihrer Maschine in der unten stehenden Produktbeschreibung finden.

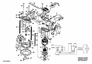
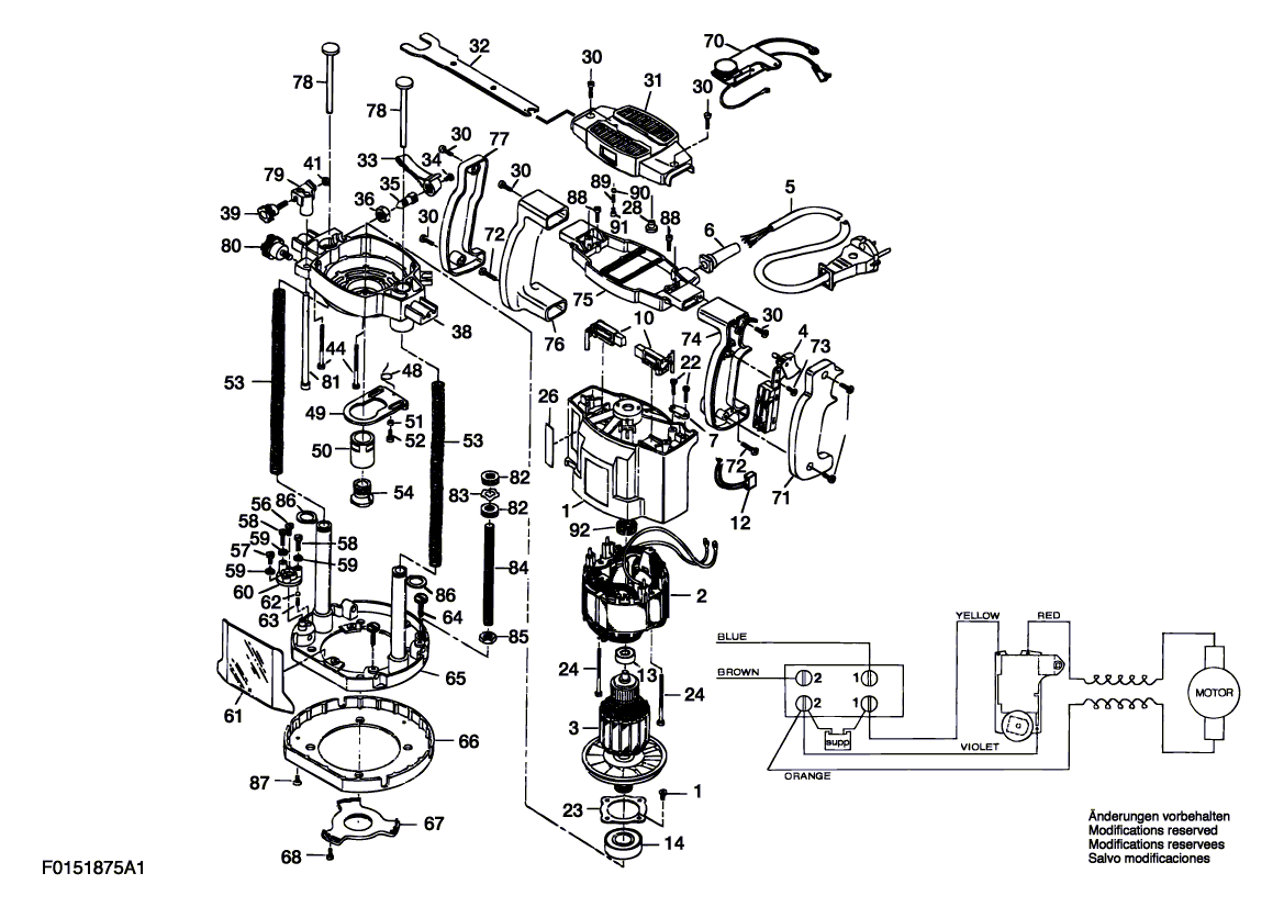
Bitte prüfen Sie ebenfalls detailliert die Explosionszeichnung mit Ihrem Artikelwunsch und der jeweiligen Pos-Nummer.

Alle Elemente, welche vom schwarzen Strich der Pos-Nummer ausgehend berührt / erfasst werden, gehören zu dieser Pos-Nummer und somit zu diesem Artikel. Jede Pos-Nummer ist ein eigenständiger Artikel, welchen Sie in der Auflistung finden.

Sie erhalten stets die aktuellste, neueste Produktversion zu der gewählten Pos-Nummer seitens des Herstellers. Es kann daher je nach Gerätealter vorkommen, dass Sie ggf. weitere, zugehörige Elemente, welche an diese Pos-Nummer grenzen, ebenfalls mittauschen müssen.

Nähere Informationen finden Sie unter dem Link
Hinweise zu Ihrer BOSCH Ersatzteilsuche

Preisübersicht

Einzelpreis: 3,94 €* (Brutto: 4,69 €)
Gesamtpreis: 3,94 €* 
Position:

Lieferzeit: 5 Werktage


Beschreibung

  • Gummipuffer
  • Original Bosch Zubehör / BOSCH Ersatzteil (2610350655)
  • im Gerät verbaut: 1
Dieses BOSCH Ersatzteil ist mit folgendem Gerät und Modell kompatibel:
  • BOSCH Gerätename: 1875U1
  • BOSCH Explosionszeichnung: Position 28
  • BOSCH Typennummer: F0151875C1
  • BOSCH Typennummer alternative Schreibweisen: F 015 187 5C1, F015 187 5C1, F.015.187.5C1, F-015-187-5C1
    Bitte prüfen Sie diese Typennummer auf Ihrem Gerät um die Kompatibilität des BOSCH Ersatzteils zu gewährleisten.
Weitere BOSCH Ersatzteile des Gerätes 1875U1 (Oberfräse) mit der Typennummer F0151875C1 finden Sie in der nachfolgenden Darstellung und im Dropdown zu Ihrer Auswahl:

Pos.
1
BOSCH Gehäuse | Ersatzteile für 1875U1 | 2610905333
Hersteller: BOSCH
Artikelnummer: EB-F0151875C1-2610905333
nur Informationsartikel
Nie mehr lieferbar
keine Alternativen
Pos.
2
BOSCH Polschuh 230-240V | Ersatzteile für 1875U1 | 2610355738
Hersteller: BOSCH
Artikelnummer: EB-F0151875C1-2610355738
nur Informationsartikel
Nie mehr lieferbar
keine Alternativen
Pos.
3
BOSCH Anker 230-240V | Ersatzteile für 1875U1 | 2610355677
Hersteller: BOSCH
Artikelnummer: EB-F0151875C1-2610355677
nur Informationsartikel
Nie mehr lieferbar
keine Alternativen
Pos.
4
BOSCH Ein/Aus-Schalter | Ersatzteile für 1875U1 | 2610355710
Hersteller: BOSCH
Artikelnummer: EB-F0151875C1-2610355710
nur Informationsartikel
Nie mehr lieferbar
keine Alternativen
Pos.
5
BOSCH Netzanschlussleitung CH 4,15m 2 x 1,0mm HO7 RN-F | Ersatzteile für 1875U1 | 2610383569
Hersteller: BOSCH
Artikelnummer: EB-F0151875C1-2610383569
Netto: 14,08 € zzgl. MwSt.
zzgl. 6,90 € Versand (brutto)
einmalig pro Bestellung

Lieferzeit: 5 Werktage

Pos.
6
BOSCH Tülle | Ersatzteile für 1875U1 | 2610062520
Hersteller: BOSCH
Artikelnummer: EB-F0151875C1-2610062520
Netto: 3,60 € zzgl. MwSt.
zzgl. 6,90 € Versand (brutto)
einmalig pro Bestellung

Lieferzeit: 5 Werktage

Pos.
7
BOSCH Leitungshalter | Ersatzteile für 1875U1 | 2610364033
Hersteller: BOSCH
Artikelnummer: EB-F0151875C1-2610364033
Netto: 4,56 € zzgl. MwSt.
zzgl. 6,90 € Versand (brutto)
einmalig pro Bestellung

Lieferzeit: 5 Werktage

Pos.
10
BOSCH Bürstenhalter | Ersatzteile für 1875U1 | 2610383568
Hersteller: BOSCH
Artikelnummer: EB-F0151875C1-2610383568
nur Informationsartikel
Nie mehr lieferbar
keine Alternativen
Pos.
12
BOSCH Schutz | Ersatzteile für 1875U1 | 2610371301
Hersteller: BOSCH
Artikelnummer: EB-F0151875C1-2610371301
nur Informationsartikel
Nie mehr lieferbar
keine Alternativen
Pos.
13
BOSCH Rillenkugellager 8x22x7 | Ersatzteile für 1875U1 | 2600905052
Hersteller: BOSCH
Artikelnummer: EB-F0151875C1-2600905052
Netto: 7,66 € zzgl. MwSt.
zzgl. 6,90 € Versand (brutto)
einmalig pro Bestellung

Lieferzeit: 5 Werktage

Pos.
14
BOSCH Kugellager | Ersatzteile für 1875U1 | 2610063617
Hersteller: BOSCH
Artikelnummer: EB-F0151875C1-2610063617
nur Informationsartikel
Nie mehr lieferbar
keine Alternativen
Pos.
22
BOSCH Schraube | Ersatzteile für 1875U1 | 2610350996
Hersteller: BOSCH
Artikelnummer: EB-F0151875C1-2610350996
nur Informationsartikel
Nie mehr lieferbar
keine Alternativen
Pos.
23
BOSCH Lagerhalter | Ersatzteile für 1875U1 | 2610355669
Hersteller: BOSCH
Artikelnummer: EB-F0151875C1-2610355669
nur Informationsartikel
Nie mehr lieferbar
keine Alternativen
Pos.
24
BOSCH Schraube | Ersatzteile für 1875U1 | 1619P01508
Hersteller: BOSCH
Artikelnummer: EB-F0151875C1-1619P01508
Netto: 3,60 € zzgl. MwSt.
zzgl. 6,90 € Versand (brutto)
einmalig pro Bestellung

Lieferzeit: 5 Werktage

Pos.
26
BOSCH Massstab | Ersatzteile für 1875U1 | 2610902121
Hersteller: BOSCH
Artikelnummer: EB-F0151875C1-2610902121
nur Informationsartikel
Nie mehr lieferbar
keine Alternativen
Pos.
28
BOSCH Gummipuffer | Ersatzteile für 1875U1 | 2610350655
Hersteller: BOSCH
Artikelnummer: EB-F0151875C1-2610350655
Netto: 3,94 € zzgl. MwSt.
zzgl. 6,90 € Versand (brutto)
einmalig pro Bestellung

Lieferzeit: 5 Werktage

Pos.
30
BOSCH Schraube | Ersatzteile für 1875U1 | 1619X00504
Hersteller: BOSCH
Artikelnummer: EB-F0151875C1-1619X00504
Netto: 3,60 € zzgl. MwSt.
zzgl. 6,90 € Versand (brutto)
einmalig pro Bestellung

Lieferzeit: 5 Werktage

Pos.
31
BOSCH Deckel | Ersatzteile für 1875U1 | 2610905332
Hersteller: BOSCH
Artikelnummer: EB-F0151875C1-2610905332
nur Informationsartikel
Nie mehr lieferbar
keine Alternativen
Pos.
32
BOSCH Schlüssel | Ersatzteile für 1875U1 | 2610355679
Hersteller: BOSCH
Artikelnummer: EB-F0151875C1-2610355679
nur Informationsartikel
Nie mehr lieferbar
keine Alternativen
Pos.
33
BOSCH Hebel | Ersatzteile für 1875U1 | 2610355685
Hersteller: BOSCH
Artikelnummer: EB-F0151875C1-2610355685
nur Informationsartikel
Nie mehr lieferbar
keine Alternativen
Pos.
34
BOSCH Schraube | Ersatzteile für 1875U1 | 2610350698
Hersteller: BOSCH
Artikelnummer: EB-F0151875C1-2610350698
Netto: 3,60 € zzgl. MwSt.
zzgl. 6,90 € Versand (brutto)
einmalig pro Bestellung

Lieferzeit: 5 Werktage

Pos.
35
BOSCH Bolzen | Ersatzteile für 1875U1 | 2610353433
Hersteller: BOSCH
Artikelnummer: EB-F0151875C1-2610353433
Netto: 3,94 € zzgl. MwSt.
zzgl. 6,90 € Versand (brutto)
einmalig pro Bestellung

Lieferzeit: 5 Werktage

Pos.
36
BOSCH Mutter | Ersatzteile für 1875U1 | 2610353386
Hersteller: BOSCH
Artikelnummer: EB-F0151875C1-2610353386
nur Informationsartikel
Nie mehr lieferbar
keine Alternativen
Pos.
38
BOSCH Lagerdeckel | Ersatzteile für 1875U1 | 2610355665
Hersteller: BOSCH
Artikelnummer: EB-F0151875C1-2610355665
nur Informationsartikel
Nie mehr lieferbar
keine Alternativen
Pos.
39
BOSCH Knopf | Ersatzteile für 1875U1 | 2610355662
Hersteller: BOSCH
Artikelnummer: EB-F0151875C1-2610355662
nur Informationsartikel
Nie mehr lieferbar
keine Alternativen
Pos.
41
BOSCH Mutter | Ersatzteile für 1875U1 | 2610001628
Hersteller: BOSCH
Artikelnummer: EB-F0151875C1-2610001628
nur Informationsartikel
Nie mehr lieferbar
keine Alternativen
Pos.
44
BOSCH Schraube | Ersatzteile für 1875U1 | 2610350943
Hersteller: BOSCH
Artikelnummer: EB-F0151875C1-2610350943
nur Informationsartikel
Nie mehr lieferbar
keine Alternativen
Pos.
48
BOSCH Feder | Ersatzteile für 1875U1 | 2610355655
Hersteller: BOSCH
Artikelnummer: EB-F0151875C1-2610355655
nur Informationsartikel
Nie mehr lieferbar
keine Alternativen
Pos.
49
BOSCH Platte | Ersatzteile für 1875U1 | 2610355678
Hersteller: BOSCH
Artikelnummer: EB-F0151875C1-2610355678
nur Informationsartikel
Nie mehr lieferbar
keine Alternativen
Pos.
50
BOSCH Spannmutter | Ersatzteile für 1875U1 | 2610355680
Hersteller: BOSCH
Artikelnummer: EB-F0151875C1-2610355680
nur Informationsartikel
Nie mehr lieferbar
keine Alternativen
Pos.
51
BOSCH Distanzscheibe | Ersatzteile für 1875U1 | 2610355661
Hersteller: BOSCH
Artikelnummer: EB-F0151875C1-2610355661
nur Informationsartikel
Nie mehr lieferbar
keine Alternativen
Pos.
52
BOSCH Schraube | Ersatzteile für 1875U1 | 2610329929
Hersteller: BOSCH
Artikelnummer: EB-F0151875C1-2610329929
Netto: 3,94 € zzgl. MwSt.
zzgl. 6,90 € Versand (brutto)
einmalig pro Bestellung

Lieferzeit: 5 Werktage

Pos.
53
BOSCH Feder | Ersatzteile für 1875U1 | 2610355651
Hersteller: BOSCH
Artikelnummer: EB-F0151875C1-2610355651
nur Informationsartikel
Nie mehr lieferbar
keine Alternativen
Pos.
54
BOSCH Spannzange | Ersatzteile für 1875U1 | 2610383617
Hersteller: BOSCH
Artikelnummer: EB-F0151875C1-2610383617
nur Informationsartikel
Nie mehr lieferbar
keine Alternativen
Pos.
56
BOSCH Schraube | Ersatzteile für 1875U1 | 2610530019
Hersteller: BOSCH
Artikelnummer: EB-F0151875C1-2610530019
nur Informationsartikel
Nie mehr lieferbar
keine Alternativen
Pos.
57
BOSCH Flachkopfschraube | Ersatzteile für 1875U1 | 2610991280
Hersteller: BOSCH
Artikelnummer: EB-F0151875C1-2610991280
Netto: 3,94 € zzgl. MwSt.
zzgl. 6,90 € Versand (brutto)
einmalig pro Bestellung

Lieferzeit: 5 Werktage

Pos.
58
BOSCH Schraube | Ersatzteile für 1875U1 | 2610317284
Hersteller: BOSCH
Artikelnummer: EB-F0151875C1-2610317284
nur Informationsartikel
Nie mehr lieferbar
keine Alternativen
Pos.
59
BOSCH Mutter | Ersatzteile für 1875U1 | 2610001309
Hersteller: BOSCH
Artikelnummer: EB-F0151875C1-2610001309
Netto: 3,94 € zzgl. MwSt.
zzgl. 6,90 € Versand (brutto)
einmalig pro Bestellung

Lieferzeit: 5 Werktage

Pos.
60
BOSCH Drehkopf | Ersatzteile für 1875U1 | 2610353421
Hersteller: BOSCH
Artikelnummer: EB-F0151875C1-2610353421
nur Informationsartikel
Nie mehr lieferbar
keine Alternativen
Pos.
61
BOSCH Platte | Ersatzteile für 1875U1 | 2610353395
Hersteller: BOSCH
Artikelnummer: EB-F0151875C1-2610353395
Netto: 5,17 € zzgl. MwSt.
zzgl. 6,90 € Versand (brutto)
einmalig pro Bestellung

Lieferzeit: 5 Werktage

Pos.
62
BOSCH Kugel | Ersatzteile für 1875U1 | 2610350998
Hersteller: BOSCH
Artikelnummer: EB-F0151875C1-2610350998
nur Informationsartikel
Nie mehr lieferbar
keine Alternativen
Pos.
63
BOSCH Feder | Ersatzteile für 1875U1 | 2610353427
Hersteller: BOSCH
Artikelnummer: EB-F0151875C1-2610353427
nur Informationsartikel
Nie mehr lieferbar
keine Alternativen
Pos.
64
BOSCH Schraube | Ersatzteile für 1875U1 | 2610353372
Hersteller: BOSCH
Artikelnummer: EB-F0151875C1-2610353372
Netto: 3,94 € zzgl. MwSt.
zzgl. 6,90 € Versand (brutto)
einmalig pro Bestellung

Lieferzeit: 5 Werktage

Pos.
65
BOSCH Grundplatte | Ersatzteile für 1875U1 | 2610355714
Hersteller: BOSCH
Artikelnummer: EB-F0151875C1-2610355714
nur Informationsartikel
Nie mehr lieferbar
keine Alternativen
Pos.
66
BOSCH Grundplatte | Ersatzteile für 1875U1 | 2610355683
Hersteller: BOSCH
Artikelnummer: EB-F0151875C1-2610355683
nur Informationsartikel
Nie mehr lieferbar
keine Alternativen
Pos.
67
BOSCH Einsatz | Ersatzteile für 1875U1 | 2610355686
Hersteller: BOSCH
Artikelnummer: EB-F0151875C1-2610355686
nur Informationsartikel
Nie mehr lieferbar
keine Alternativen
Pos.
68
BOSCH Schraube | Ersatzteile für 1875U1 | 2610327499
Hersteller: BOSCH
Artikelnummer: EB-F0151875C1-2610327499
nur Informationsartikel
Nie mehr lieferbar
keine Alternativen
Pos.
70
BOSCH Regelgerät 230-240V | Ersatzteile für 1875U1 | 2610355737
Hersteller: BOSCH
Artikelnummer: EB-F0151875C1-2610355737
nur Informationsartikel
Nie mehr lieferbar
keine Alternativen
Pos.
71
BOSCH Deckel SCHWARZ | Ersatzteile für 1875U1 | 2610355699
Hersteller: BOSCH
Artikelnummer: EB-F0151875C1-2610355699
nur Informationsartikel
Nie mehr lieferbar
keine Alternativen
Pos.
72
BOSCH Schraube | Ersatzteile für 1875U1 | 2610329930
Hersteller: BOSCH
Artikelnummer: EB-F0151875C1-2610329930
nur Informationsartikel
Nie mehr lieferbar
keine Alternativen
Pos.
73
BOSCH Klemmschraube | Ersatzteile für 1875U1 | 2610352373
Hersteller: BOSCH
Artikelnummer: EB-F0151875C1-2610352373
nur Informationsartikel
Nie mehr lieferbar
keine Alternativen
Pos.
74
BOSCH Handgriff SCHWARZ | Ersatzteile für 1875U1 | 2610355697
Hersteller: BOSCH
Artikelnummer: EB-F0151875C1-2610355697
nur Informationsartikel
Nie mehr lieferbar
keine Alternativen
Pos.
75
BOSCH Deckel | Ersatzteile für 1875U1 | 2610905330
Hersteller: BOSCH
Artikelnummer: EB-F0151875C1-2610905330
nur Informationsartikel
Nie mehr lieferbar
keine Alternativen
Pos.
76
BOSCH Handgriff SCHWARZ | Ersatzteile für 1875U1 | 2610355701
Hersteller: BOSCH
Artikelnummer: EB-F0151875C1-2610355701
nur Informationsartikel
Nie mehr lieferbar
keine Alternativen
Pos.
77
BOSCH Deckel SCHWARZ | Ersatzteile für 1875U1 | 2610355703
Hersteller: BOSCH
Artikelnummer: EB-F0151875C1-2610355703
nur Informationsartikel
Nie mehr lieferbar
keine Alternativen
Pos.
78
BOSCH Führung | Ersatzteile für 1875U1 | 2610355668
Hersteller: BOSCH
Artikelnummer: EB-F0151875C1-2610355668
nur Informationsartikel
Nie mehr lieferbar
keine Alternativen
Pos.
79
BOSCH Halter | Ersatzteile für 1875U1 | 2610355674
Hersteller: BOSCH
Artikelnummer: EB-F0151875C1-2610355674
nur Informationsartikel
Nie mehr lieferbar
keine Alternativen
Pos.
80
BOSCH Knopf | Ersatzteile für 1875U1 | 2610355663
Hersteller: BOSCH
Artikelnummer: EB-F0151875C1-2610355663
nur Informationsartikel
Nie mehr lieferbar
keine Alternativen
Pos.
81
BOSCH Tiefenmass | Ersatzteile für 1875U1 | 2610355658
Hersteller: BOSCH
Artikelnummer: EB-F0151875C1-2610355658
nur Informationsartikel
Nie mehr lieferbar
keine Alternativen
Pos.
82
BOSCH Mutter | Ersatzteile für 1875U1 | 2610355654
Hersteller: BOSCH
Artikelnummer: EB-F0151875C1-2610355654
nur Informationsartikel
Nie mehr lieferbar
keine Alternativen
Pos.
83
BOSCH Scheibe | Ersatzteile für 1875U1 | 2610070890
Hersteller: BOSCH
Artikelnummer: EB-F0151875C1-2610070890
nur Informationsartikel
Nie mehr lieferbar
keine Alternativen
Pos.
84
BOSCH Bolzen | Ersatzteile für 1875U1 | 2610355657
Hersteller: BOSCH
Artikelnummer: EB-F0151875C1-2610355657
nur Informationsartikel
Nie mehr lieferbar
keine Alternativen
Pos.
85
BOSCH Mutter | Ersatzteile für 1875U1 | 2610317009
Hersteller: BOSCH
Artikelnummer: EB-F0151875C1-2610317009
nur Informationsartikel
Nie mehr lieferbar
keine Alternativen
Pos.
86
BOSCH Ring | Ersatzteile für 1875U1 | 2610355660
Hersteller: BOSCH
Artikelnummer: EB-F0151875C1-2610355660
nur Informationsartikel
Nie mehr lieferbar
keine Alternativen
Pos.
87
BOSCH Schraube | Ersatzteile für 1875U1 | 2610355706
Hersteller: BOSCH
Artikelnummer: EB-F0151875C1-2610355706
nur Informationsartikel
Nie mehr lieferbar
keine Alternativen
Pos.
88
BOSCH Schraube | Ersatzteile für 1875U1 | 2610348622
Hersteller: BOSCH
Artikelnummer: EB-F0151875C1-2610348622
nur Informationsartikel
Nie mehr lieferbar
keine Alternativen
Pos.
89
BOSCH Feder | Ersatzteile für 1875U1 | 2610355709
Hersteller: BOSCH
Artikelnummer: EB-F0151875C1-2610355709
nur Informationsartikel
Nie mehr lieferbar
keine Alternativen
Pos.
90
BOSCH Kugel | Ersatzteile für 1875U1 | 2610006913
Hersteller: BOSCH
Artikelnummer: EB-F0151875C1-2610006913
nur Informationsartikel
Nie mehr lieferbar
keine Alternativen
Pos.
91
BOSCH Stift | Ersatzteile für 1875U1 | 2610355715
Hersteller: BOSCH
Artikelnummer: EB-F0151875C1-2610355715
nur Informationsartikel
Nie mehr lieferbar
keine Alternativen
Pos.
92
BOSCH Ring 22 MM DICK | Ersatzteile für 1875U1 | 2610911048
Hersteller: BOSCH
Artikelnummer: EB-F0151875C1-2610911048
Netto: 4,56 € zzgl. MwSt.
zzgl. 6,90 € Versand (brutto)
einmalig pro Bestellung

Lieferzeit: 5 Werktage

Angaben zur Produktsicherheit

Hersteller:
Robert Bosch Power Tools GmbH
Postfach 30 02 20
70442 Stuttgart

E-Mail:
kontakt@bosch.de