BOSCH Spannstift | Ersatzteile für 1986U1 | 2610020656

Artikelnummer: EB-F0151986K1-2610020656

Position: 66

Marke: BOSCH


Bitte Kompatibilität prüfen!

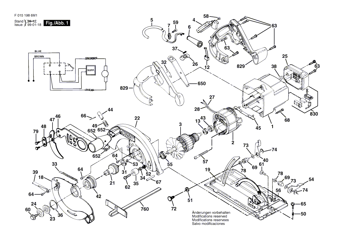
Bitte prüfen Sie unbedingt die 10-stellige Typennummer Ihrer Maschine / Ihres Gerätes. Das Ersatzteil ist nur kompatibel, wenn Sie die Typennummer Ihrer Maschine in der unten stehenden Produktbeschreibung finden.

Bitte prüfen Sie ebenfalls detailliert die Explosionszeichnung mit Ihrem Artikelwunsch und der jeweiligen Pos-Nummer.

Alle Elemente, welche vom schwarzen Strich der Pos-Nummer ausgehend berührt / erfasst werden, gehören zu dieser Pos-Nummer und somit zu diesem Artikel. Jede Pos-Nummer ist ein eigenständiger Artikel, welchen Sie in der Auflistung finden.

Sie erhalten stets die aktuellste, neueste Produktversion zu der gewählten Pos-Nummer seitens des Herstellers. Es kann daher je nach Gerätealter vorkommen, dass Sie ggf. weitere, zugehörige Elemente, welche an diese Pos-Nummer grenzen, ebenfalls mittauschen müssen.

Nähere Informationen finden Sie unter dem Link
Hinweise zu Ihrer BOSCH Ersatzteilsuche

Preisübersicht

Einzelpreis: 4,36 €* (Brutto: 5,19 €)
Gesamtpreis: 4,36 €* 
Position:

Lieferzeit: 5 Werktage


Beschreibung

  • Spannstift
  • Original Bosch Zubehör / BOSCH Ersatzteil (2610020656)
  • im Gerät verbaut: 1
Dieses BOSCH Ersatzteil ist mit folgendem Gerät und Modell kompatibel:
  • BOSCH Gerätename: 1986U1
  • BOSCH Explosionszeichnung: Position 66
  • BOSCH Typennummer: F0151986K1
  • BOSCH Typennummer alternative Schreibweisen: F 015 198 6K1, F015 198 6K1, F.015.198.6K1, F-015-198-6K1
    Bitte prüfen Sie diese Typennummer auf Ihrem Gerät um die Kompatibilität des BOSCH Ersatzteils zu gewährleisten.
Weitere BOSCH Ersatzteile des Gerätes 1986U1 (Handkreissäge) mit der Typennummer F0151986K1 finden Sie in der nachfolgenden Darstellung und im Dropdown zu Ihrer Auswahl:

Pos.
1
BOSCH Gehäuse | Ersatzteile für 1986U1 | 2610905307
Hersteller: BOSCH
Artikelnummer: EB-F0151986K1-2610905307
Netto: 11,58 € zzgl. MwSt.
zzgl. 6,90 € Versand (brutto)
einmalig pro Bestellung

Lieferzeit: 5 Werktage

Pos.
2
BOSCH Polschuh 230V | Ersatzteile für 1986U1 | 2610993515
Hersteller: BOSCH
Artikelnummer: EB-F0151986K1-2610993515
nur Informationsartikel
Nie mehr lieferbar
keine Alternativen
Pos.
3
BOSCH Anker 230V | Ersatzteile für 1986U1 | 2610902875
Hersteller: BOSCH
Artikelnummer: EB-F0151986K1-2610902875
nur Informationsartikel
Nie mehr lieferbar
keine Alternativen
Pos.
4
BOSCH Ein/Aus-Schalter | Ersatzteile für 1986U1 | 2610321608
Hersteller: BOSCH
Artikelnummer: EB-F0151986K1-2610321608
nur Informationsartikel
Nie mehr lieferbar
keine Alternativen
Pos.
5
BOSCH Netzanschlussleitung | Ersatzteile für 1986U1 | 2610968725
Hersteller: BOSCH
Artikelnummer: EB-F0151986K1-2610968725
nur Informationsartikel
Nie mehr lieferbar
keine Alternativen
Pos.
6
BOSCH Tülle | Ersatzteile für 1986U1 | 2610313327
Hersteller: BOSCH
Artikelnummer: EB-F0151986K1-2610313327
nur Informationsartikel
Nie mehr lieferbar
keine Alternativen
Pos.
7
BOSCH Leitungshalter | Ersatzteile für 1986U1 | 2610364033
Hersteller: BOSCH
Artikelnummer: EB-F0151986K1-2610364033
Netto: 4,56 € zzgl. MwSt.
zzgl. 6,90 € Versand (brutto)
einmalig pro Bestellung

Lieferzeit: 5 Werktage

Pos.
12
BOSCH Entstörkondensator | Ersatzteile für 1986U1 | 2610355566
Hersteller: BOSCH
Artikelnummer: EB-F0151986K1-2610355566
nur Informationsartikel
Nie mehr lieferbar
keine Alternativen
Pos.
13
BOSCH Rillenkugellager | Ersatzteile für 1986U1 | 2610017348
Hersteller: BOSCH
Artikelnummer: EB-F0151986K1-2610017348
nur Informationsartikel
Nie mehr lieferbar
keine Alternativen
Pos.
18
BOSCH Schutz | Ersatzteile für 1986U1 | 2610351212
Hersteller: BOSCH
Artikelnummer: EB-F0151986K1-2610351212
Netto: 16,70 € zzgl. MwSt.
zzgl. 6,90 € Versand (brutto)
einmalig pro Bestellung

Lieferzeit: 5 Werktage

Pos.
19
BOSCH Fuss | Ersatzteile für 1986U1 | 2610351223
Hersteller: BOSCH
Artikelnummer: EB-F0151986K1-2610351223
nur Informationsartikel
Nie mehr lieferbar
keine Alternativen
Pos.
21
BOSCH Zahnrad | Ersatzteile für 1986U1 | 2610350672
Hersteller: BOSCH
Artikelnummer: EB-F0151986K1-2610350672
nur Informationsartikel
Nie mehr lieferbar
keine Alternativen
Pos.
22
BOSCH Gehäuse | Ersatzteile für 1986U1 | 2610358591
Hersteller: BOSCH
Artikelnummer: EB-F0151986K1-2610358591
Netto: 26,41 € zzgl. MwSt.
zzgl. 6,90 € Versand (brutto)
einmalig pro Bestellung

Lieferzeit: 5 Werktage

Pos.
23
BOSCH Innenscheibe | Ersatzteile für 1986U1 | 2610350676
Hersteller: BOSCH
Artikelnummer: EB-F0151986K1-2610350676
Netto: 10,62 € zzgl. MwSt.
zzgl. 6,90 € Versand (brutto)
einmalig pro Bestellung

Lieferzeit: 5 Werktage

Pos.
24
BOSCH Flansch | Ersatzteile für 1986U1 | 2610350677
Hersteller: BOSCH
Artikelnummer: EB-F0151986K1-2610350677
nur Informationsartikel
Nie mehr lieferbar
keine Alternativen
Pos.
25
BOSCH Verschlussdeckel SCHWARZ | Ersatzteile für 1986U1 | 2610350656
Hersteller: BOSCH
Artikelnummer: EB-F0151986K1-2610350656
Netto: 13,81 € zzgl. MwSt.
zzgl. 6,90 € Versand (brutto)
einmalig pro Bestellung

Lieferzeit: 5 Werktage

Pos.
26
BOSCH Knopf | Ersatzteile für 1986U1 | 2610908352
Hersteller: BOSCH
Artikelnummer: EB-F0151986K1-2610908352
nur Informationsartikel
Nie mehr lieferbar
keine Alternativen
Pos.
27
BOSCH Elektr Leitung | Ersatzteile für 1986U1 | 2610038934
Hersteller: BOSCH
Artikelnummer: EB-F0151986K1-2610038934
Netto: 4,56 € zzgl. MwSt.
zzgl. 6,90 € Versand (brutto)
einmalig pro Bestellung

Lieferzeit: 5 Werktage

Pos.
28
BOSCH Elektr Leitung | Ersatzteile für 1986U1 | 2610038935
Hersteller: BOSCH
Artikelnummer: EB-F0151986K1-2610038935
Netto: 4,56 € zzgl. MwSt.
zzgl. 6,90 € Versand (brutto)
einmalig pro Bestellung

Lieferzeit: 5 Werktage

Pos.
31
BOSCH Kugellager | Ersatzteile für 1986U1 | 1619P01511
Hersteller: BOSCH
Artikelnummer: EB-F0151986K1-1619P01511
Netto: 7,26 € zzgl. MwSt.
zzgl. 6,90 € Versand (brutto)
einmalig pro Bestellung

Lieferzeit: 5 Werktage

Pos.
32
BOSCH Klemme | Ersatzteile für 1986U1 | 2610350663
Hersteller: BOSCH
Artikelnummer: EB-F0151986K1-2610350663
nur Informationsartikel
Nie mehr lieferbar
keine Alternativen
Pos.
33
BOSCH Feder | Ersatzteile für 1986U1 | 2610351222
Hersteller: BOSCH
Artikelnummer: EB-F0151986K1-2610351222
Netto: 6,27 € zzgl. MwSt.
zzgl. 6,90 € Versand (brutto)
einmalig pro Bestellung

Lieferzeit: 5 Werktage

Pos.
34
BOSCH Abstandshalter | Ersatzteile für 1986U1 | 2610341366
Hersteller: BOSCH
Artikelnummer: EB-F0151986K1-2610341366
nur Informationsartikel
Nie mehr lieferbar
keine Alternativen
Pos.
35
BOSCH Anschlag | Ersatzteile für 1986U1 | 2610341394
Hersteller: BOSCH
Artikelnummer: EB-F0151986K1-2610341394
nur Informationsartikel
Nie mehr lieferbar
keine Alternativen
Pos.
36
BOSCH Sicherungsring | Ersatzteile für 1986U1 | 2610341359
Hersteller: BOSCH
Artikelnummer: EB-F0151986K1-2610341359
nur Informationsartikel
Nie mehr lieferbar
keine Alternativen
Pos.
37
BOSCH Druckfeder | Ersatzteile für 1986U1 | 1619P01530
Hersteller: BOSCH
Artikelnummer: EB-F0151986K1-1619P01530
Netto: 3,60 € zzgl. MwSt.
zzgl. 6,90 € Versand (brutto)
einmalig pro Bestellung

Lieferzeit: 5 Werktage

Pos.
38
BOSCH Gummipuffer | Ersatzteile für 1986U1 | 2610350655
Hersteller: BOSCH
Artikelnummer: EB-F0151986K1-2610350655
Netto: 3,94 € zzgl. MwSt.
zzgl. 6,90 € Versand (brutto)
einmalig pro Bestellung

Lieferzeit: 5 Werktage

Pos.
39
BOSCH Hebel | Ersatzteile für 1986U1 | 2610901997
Hersteller: BOSCH
Artikelnummer: EB-F0151986K1-2610901997
Netto: 3,60 € zzgl. MwSt.
zzgl. 6,90 € Versand (brutto)
einmalig pro Bestellung

Lieferzeit: 5 Werktage

Pos.
40
BOSCH Hebel | Ersatzteile für 1986U1 | 2610350665
Hersteller: BOSCH
Artikelnummer: EB-F0151986K1-2610350665
Netto: 4,76 € zzgl. MwSt.
zzgl. 6,90 € Versand (brutto)
einmalig pro Bestellung

Lieferzeit: 5 Werktage

Pos.
42
BOSCH Lagerdeckel | Ersatzteile für 1986U1 | 2610350678
Hersteller: BOSCH
Artikelnummer: EB-F0151986K1-2610350678
Netto: 16,70 € zzgl. MwSt.
zzgl. 6,90 € Versand (brutto)
einmalig pro Bestellung

Lieferzeit: 5 Werktage

Pos.
43
BOSCH Gummiring | Ersatzteile für 1986U1 | 1619P01127
Hersteller: BOSCH
Artikelnummer: EB-F0151986K1-1619P01127
Netto: 3,60 € zzgl. MwSt.
zzgl. 6,90 € Versand (brutto)
einmalig pro Bestellung

Lieferzeit: 5 Werktage

Pos.
44
BOSCH Stift | Ersatzteile für 1986U1 | 2610350673
Hersteller: BOSCH
Artikelnummer: EB-F0151986K1-2610350673
nur Informationsartikel
Nie mehr lieferbar
keine Alternativen
Pos.
45
BOSCH Platte | Ersatzteile für 1986U1 | 2610358596
Hersteller: BOSCH
Artikelnummer: EB-F0151986K1-2610358596
nur Informationsartikel
Nie mehr lieferbar
keine Alternativen
Pos.
46
BOSCH Stütze | Ersatzteile für 1986U1 | 2610351219
Hersteller: BOSCH
Artikelnummer: EB-F0151986K1-2610351219
nur Informationsartikel
Nie mehr lieferbar
keine Alternativen
Pos.
47
BOSCH Spaltkeil | Ersatzteile für 1986U1 | 2610351220
Hersteller: BOSCH
Artikelnummer: EB-F0151986K1-2610351220
Netto: 9,05 € zzgl. MwSt.
zzgl. 6,90 € Versand (brutto)
einmalig pro Bestellung

Lieferzeit: 5 Werktage

Pos.
48
BOSCH Platte | Ersatzteile für 1986U1 | 2610341341
Hersteller: BOSCH
Artikelnummer: EB-F0151986K1-2610341341
nur Informationsartikel
Nie mehr lieferbar
keine Alternativen
Pos.
49
BOSCH Feder | Ersatzteile für 1986U1 | 2610350667
Hersteller: BOSCH
Artikelnummer: EB-F0151986K1-2610350667
Netto: 4,36 € zzgl. MwSt.
zzgl. 6,90 € Versand (brutto)
einmalig pro Bestellung

Lieferzeit: 5 Werktage

Pos.
50
BOSCH Feder | Ersatzteile für 1986U1 | 2610018199
Hersteller: BOSCH
Artikelnummer: EB-F0151986K1-2610018199
nur Informationsartikel
Nie mehr lieferbar
keine Alternativen
Pos.
51
BOSCH Scheibe | Ersatzteile für 1986U1 | 2610341362
Hersteller: BOSCH
Artikelnummer: EB-F0151986K1-2610341362
Netto: 3,60 € zzgl. MwSt.
zzgl. 6,90 € Versand (brutto)
einmalig pro Bestellung

Lieferzeit: 5 Werktage

Pos.
52
BOSCH Vorlegscheibe | Ersatzteile für 1986U1 | 1619P01535
Hersteller: BOSCH
Artikelnummer: EB-F0151986K1-1619P01535
Netto: 3,60 € zzgl. MwSt.
zzgl. 6,90 € Versand (brutto)
einmalig pro Bestellung

Lieferzeit: 5 Werktage

Pos.
53
BOSCH Sicherungsring | Ersatzteile für 1986U1 | 2610350683
Hersteller: BOSCH
Artikelnummer: EB-F0151986K1-2610350683
Netto: 4,36 € zzgl. MwSt.
zzgl. 6,90 € Versand (brutto)
einmalig pro Bestellung

Lieferzeit: 5 Werktage

Pos.
54
BOSCH Hebel | Ersatzteile für 1986U1 | 2610901987
Hersteller: BOSCH
Artikelnummer: EB-F0151986K1-2610901987
Netto: 4,56 € zzgl. MwSt.
zzgl. 6,90 € Versand (brutto)
einmalig pro Bestellung

Lieferzeit: 5 Werktage

Pos.
55
BOSCH Rillenkugellager | Ersatzteile für 1986U1 | 2610350311
Hersteller: BOSCH
Artikelnummer: EB-F0151986K1-2610350311
Netto: 10,62 € zzgl. MwSt.
zzgl. 6,90 € Versand (brutto)
einmalig pro Bestellung

Lieferzeit: 5 Werktage

Pos.
56
BOSCH Schraube | Ersatzteile für 1986U1 | 2610350698
Hersteller: BOSCH
Artikelnummer: EB-F0151986K1-2610350698
Netto: 3,60 € zzgl. MwSt.
zzgl. 6,90 € Versand (brutto)
einmalig pro Bestellung

Lieferzeit: 5 Werktage

Pos.
57
BOSCH Schraube | Ersatzteile für 1986U1 | 2610358594
Hersteller: BOSCH
Artikelnummer: EB-F0151986K1-2610358594
nur Informationsartikel
Nie mehr lieferbar
keine Alternativen
Pos.
58
BOSCH Schraube | Ersatzteile für 1986U1 | 2610901971
Hersteller: BOSCH
Artikelnummer: EB-F0151986K1-2610901971
nur Informationsartikel
Nie mehr lieferbar
keine Alternativen
Pos.
59
BOSCH Schraube | Ersatzteile für 1986U1 | 1619X00504
Hersteller: BOSCH
Artikelnummer: EB-F0151986K1-1619X00504
Netto: 3,60 € zzgl. MwSt.
zzgl. 6,90 € Versand (brutto)
einmalig pro Bestellung

Lieferzeit: 5 Werktage

Pos.
60
BOSCH Bolzen | Ersatzteile für 1986U1 | 2610016657
Hersteller: BOSCH
Artikelnummer: EB-F0151986K1-2610016657
nur Informationsartikel
Nie mehr lieferbar
keine Alternativen
Pos.
61
BOSCH Flachrundschraube | Ersatzteile für 1986U1 | 2610017262
Hersteller: BOSCH
Artikelnummer: EB-F0151986K1-2610017262
nur Informationsartikel
Nie mehr lieferbar
keine Alternativen
Pos.
62
BOSCH Schraube | Ersatzteile für 1986U1 | 2610347100
Hersteller: BOSCH
Artikelnummer: EB-F0151986K1-2610347100
nur Informationsartikel
Nie mehr lieferbar
keine Alternativen
Pos.
63
BOSCH Schraube | Ersatzteile für 1986U1 | 1619P01505
Hersteller: BOSCH
Artikelnummer: EB-F0151986K1-1619P01505
nur Informationsartikel
Nie mehr lieferbar
keine Alternativen
Pos.
64
BOSCH Kontaktschraube | Ersatzteile für 1986U1 | 1619X01786
Hersteller: BOSCH
Artikelnummer: EB-F0151986K1-1619X01786
nur Informationsartikel
Nie mehr lieferbar
keine Alternativen
Pos.
65
BOSCH Schraube | Ersatzteile für 1986U1 | 2610018260
Hersteller: BOSCH
Artikelnummer: EB-F0151986K1-2610018260
nur Informationsartikel
Nie mehr lieferbar
keine Alternativen
Pos.
66
BOSCH Spannstift | Ersatzteile für 1986U1 | 2610020656
Hersteller: BOSCH
Artikelnummer: EB-F0151986K1-2610020656
Netto: 4,36 € zzgl. MwSt.
zzgl. 6,90 € Versand (brutto)
einmalig pro Bestellung

Lieferzeit: 5 Werktage

Pos.
67
BOSCH Spiralspannstift | Ersatzteile für 1986U1 | 2610341332
Hersteller: BOSCH
Artikelnummer: EB-F0151986K1-2610341332
Netto: 4,36 € zzgl. MwSt.
zzgl. 6,90 € Versand (brutto)
einmalig pro Bestellung

Lieferzeit: 5 Werktage

Pos.
68
BOSCH Schraube | Ersatzteile für 1986U1 | 2610341335
Hersteller: BOSCH
Artikelnummer: EB-F0151986K1-2610341335
Netto: 4,36 € zzgl. MwSt.
zzgl. 6,90 € Versand (brutto)
einmalig pro Bestellung

Lieferzeit: 5 Werktage

Pos.
69
BOSCH Rundmutter | Ersatzteile für 1986U1 | 2610901988
Hersteller: BOSCH
Artikelnummer: EB-F0151986K1-2610901988
Netto: 4,56 € zzgl. MwSt.
zzgl. 6,90 € Versand (brutto)
einmalig pro Bestellung

Lieferzeit: 5 Werktage

Pos.
72
BOSCH Bolzen | Ersatzteile für 1986U1 | 2610357546
Hersteller: BOSCH
Artikelnummer: EB-F0151986K1-2610357546
Netto: 3,60 € zzgl. MwSt.
zzgl. 6,90 € Versand (brutto)
einmalig pro Bestellung

Lieferzeit: 5 Werktage

Pos.
73
BOSCH Federscheibe | Ersatzteile für 1986U1 | 2610069183
Hersteller: BOSCH
Artikelnummer: EB-F0151986K1-2610069183
Netto: 3,60 € zzgl. MwSt.
zzgl. 6,90 € Versand (brutto)
einmalig pro Bestellung

Lieferzeit: 5 Werktage

Pos.
74
BOSCH Sicherungsring | Ersatzteile für 1986U1 | 2610341354
Hersteller: BOSCH
Artikelnummer: EB-F0151986K1-2610341354
Netto: 4,36 € zzgl. MwSt.
zzgl. 6,90 € Versand (brutto)
einmalig pro Bestellung

Lieferzeit: 5 Werktage

Pos.
78
BOSCH Scheibe | Ersatzteile für 1986U1 | 1619X00942
Hersteller: BOSCH
Artikelnummer: EB-F0151986K1-1619X00942
Netto: 3,60 € zzgl. MwSt.
zzgl. 6,90 € Versand (brutto)
einmalig pro Bestellung

Lieferzeit: 5 Werktage

Pos.
79
BOSCH Schraube | Ersatzteile für 1986U1 | 2610353948
Hersteller: BOSCH
Artikelnummer: EB-F0151986K1-2610353948
Netto: 3,94 € zzgl. MwSt.
zzgl. 6,90 € Versand (brutto)
einmalig pro Bestellung

Lieferzeit: 5 Werktage

Pos.
650
BOSCH Schlüssel | Ersatzteile für 1986U1 | 2610351201
Hersteller: BOSCH
Artikelnummer: EB-F0151986K1-2610351201
Netto: 9,75 € zzgl. MwSt.
zzgl. 6,90 € Versand (brutto)
einmalig pro Bestellung

Lieferzeit: 5 Werktage

Pos.
652
BOSCH Staubabsaugung | Ersatzteile für 1986U1 | 2610387216
Hersteller: BOSCH
Artikelnummer: EB-F0151986K1-2610387216
nur Informationsartikel
Nie mehr lieferbar
keine Alternativen
Pos.
760
BOSCH Seitenführung | Ersatzteile für 1986U1 | 2610025341
Hersteller: BOSCH
Artikelnummer: EB-F0151986K1-2610025341
Netto: 13,81 € zzgl. MwSt.
zzgl. 6,90 € Versand (brutto)
einmalig pro Bestellung

Lieferzeit: 5 Werktage

Pos.
829
BOSCH Handgriff-Set | Ersatzteile für 1986U1 | 2610968669
Hersteller: BOSCH
Artikelnummer: EB-F0151986K1-2610968669
nur Informationsartikel
Nie mehr lieferbar
keine Alternativen
Pos.
830
BOSCH Kohlebürstensatz | Ersatzteile für 1986U1 | 2610996611
Hersteller: BOSCH
Artikelnummer: EB-F0151986K1-2610996611
nur Informationsartikel
Nie mehr lieferbar
keine Alternativen

Angaben zur Produktsicherheit

Hersteller:
Robert Bosch Power Tools GmbH
Postfach 30 02 20
70442 Stuttgart

E-Mail:
kontakt@bosch.de