BOSCH Kreuzschlitzschraube | Ersatzteile für 215 | 2615294035

Artikelnummer: EB-F013027506-2615294035

Position: 24

Marke: BOSCH


Bitte Kompatibilität prüfen!

Bitte prüfen Sie unbedingt die 10-stellige Typennummer Ihrer Maschine / Ihres Gerätes. Das Ersatzteil ist nur kompatibel, wenn Sie die Typennummer Ihrer Maschine in der unten stehenden Produktbeschreibung finden.

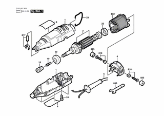
Bitte prüfen Sie ebenfalls detailliert die Explosionszeichnung mit Ihrem Artikelwunsch und der jeweiligen Pos-Nummer.

Alle Elemente, welche vom schwarzen Strich der Pos-Nummer ausgehend berührt / erfasst werden, gehören zu dieser Pos-Nummer und somit zu diesem Artikel. Jede Pos-Nummer ist ein eigenständiger Artikel, welchen Sie in der Auflistung finden.

Sie erhalten stets die aktuellste, neueste Produktversion zu der gewählten Pos-Nummer seitens des Herstellers. Es kann daher je nach Gerätealter vorkommen, dass Sie ggf. weitere, zugehörige Elemente, welche an diese Pos-Nummer grenzen, ebenfalls mittauschen müssen.

Nähere Informationen finden Sie unter dem Link
Hinweise zu Ihrer BOSCH Ersatzteilsuche

Preisübersicht

Einzelpreis: 3,94 €* (Brutto: 4,69 €)
Gesamtpreis: 3,94 €* 
Position:

Lieferzeit: 5 Werktage


Beschreibung

  • Kreuzschlitzschraube
  • Original Bosch Zubehör / BOSCH Ersatzteil (2615294035)
  • im Gerät verbaut: 1
Dieses BOSCH Ersatzteil ist mit folgendem Gerät und Modell kompatibel:
  • BOSCH Gerätename: 215
  • BOSCH Explosionszeichnung: Position 24
  • BOSCH Typennummer: F013027506
  • BOSCH Typennummer alternative Schreibweisen: F 013 027 506, F013 027 506, F.013.027.506, F-013-027-506
    Bitte prüfen Sie diese Typennummer auf Ihrem Gerät um die Kompatibilität des BOSCH Ersatzteils zu gewährleisten.
Weitere BOSCH Ersatzteile des Gerätes 215 (Multifunktionswerkzeug) mit der Typennummer F013027506 finden Sie in der nachfolgenden Darstellung und im Dropdown zu Ihrer Auswahl:

Pos.
1
BOSCH Gehäuse | Ersatzteile für 215 | 2610915566
Hersteller: BOSCH
Artikelnummer: EB-F013027506-2610915566
nur Informationsartikel
Nie mehr lieferbar
keine Alternativen
Pos.
3
BOSCH Anker 230V | Ersatzteile für 215 | 2610941201
Hersteller: BOSCH
Artikelnummer: EB-F013027506-2610941201
Netto: 26,88 € zzgl. MwSt.
zzgl. 6,90 € Versand (brutto)
einmalig pro Bestellung

Lieferzeit: 5 Werktage

Pos.
4
BOSCH Flachschalter | Ersatzteile für 215 | 2610912826
Hersteller: BOSCH
Artikelnummer: EB-F013027506-2610912826
nur Informationsartikel
Nie mehr lieferbar
keine Alternativen
Pos.
5
BOSCH Netzanschlussleitung | Ersatzteile für 215 | 2610915563
Hersteller: BOSCH
Artikelnummer: EB-F013027506-2610915563
nur Informationsartikel
Nie mehr lieferbar
keine Alternativen
Pos.
8
BOSCH Firmenschild | Ersatzteile für 215 | 2610915564
Hersteller: BOSCH
Artikelnummer: EB-F013027506-2610915564
nur Informationsartikel
Nie mehr lieferbar
keine Alternativen
Pos.
9
BOSCH Typschild | Ersatzteile für 215 | 2610915565
Hersteller: BOSCH
Artikelnummer: EB-F013027506-2610915565
nur Informationsartikel
Nie mehr lieferbar
keine Alternativen
Pos.
18
BOSCH Mutter | Ersatzteile für 215 | 2610014582
Hersteller: BOSCH
Artikelnummer: EB-F013027506-2610014582
Netto: 4,32 € zzgl. MwSt.
zzgl. 6,90 € Versand (brutto)
einmalig pro Bestellung

Lieferzeit: 5 Werktage

Pos.
19
BOSCH Schraubhülse 1/8" | Ersatzteile für 215 | 2615110480
Hersteller: BOSCH
Artikelnummer: EB-F013027506-2615110480
Netto: 5,19 € zzgl. MwSt.
zzgl. 6,90 € Versand (brutto)
einmalig pro Bestellung

Lieferzeit: 5 Werktage

Pos.
22
BOSCH Isolator | Ersatzteile für 215 | 2615297373
Hersteller: BOSCH
Artikelnummer: EB-F013027506-2615297373
Netto: 3,94 € zzgl. MwSt.
zzgl. 6,90 € Versand (brutto)
einmalig pro Bestellung

Lieferzeit: 5 Werktage

Pos.
23
BOSCH Halteklammer | Ersatzteile für 215 | 2615294043
Hersteller: BOSCH
Artikelnummer: EB-F013027506-2615294043
Netto: 5,19 € zzgl. MwSt.
zzgl. 6,90 € Versand (brutto)
einmalig pro Bestellung

Lieferzeit: 5 Werktage

Pos.
24
BOSCH Kreuzschlitzschraube | Ersatzteile für 215 | 2615294035
Hersteller: BOSCH
Artikelnummer: EB-F013027506-2615294035
Netto: 3,94 € zzgl. MwSt.
zzgl. 6,90 € Versand (brutto)
einmalig pro Bestellung

Lieferzeit: 5 Werktage

Pos.
30
BOSCH Haltering | Ersatzteile für 215 | 2615294028
Hersteller: BOSCH
Artikelnummer: EB-F013027506-2615294028
nur Informationsartikel
Nie mehr lieferbar
keine Alternativen
Pos.
650
BOSCH Bohrfutterschlüssel | Ersatzteile für 215 | 2610930692
Hersteller: BOSCH
Artikelnummer: EB-F013027506-2610930692
nur Informationsartikel
Nie mehr lieferbar
keine Alternativen
Pos.
802
BOSCH Polschuh 230V | Ersatzteile für 215 | 2615298792
Hersteller: BOSCH
Artikelnummer: EB-F013027506-2615298792
Netto: 14,36 € zzgl. MwSt.
zzgl. 6,90 € Versand (brutto)
einmalig pro Bestellung

Lieferzeit: 5 Werktage

Pos.
810
BOSCH Bürstenfedernsatz | Ersatzteile für 215 | 2610006477
Hersteller: BOSCH
Artikelnummer: EB-F013027506-2610006477
nur Informationsartikel
Nie mehr lieferbar
keine Alternativen
Pos.
817
BOSCH Teilesatz | Ersatzteile für 215 | 2615297356
Hersteller: BOSCH
Artikelnummer: EB-F013027506-2615297356
Netto: 4,53 € zzgl. MwSt.
zzgl. 6,90 € Versand (brutto)
einmalig pro Bestellung

Lieferzeit: 5 Werktage

Pos.
825
BOSCH Verschlusskappe | Ersatzteile für 215 | 2610913683
Hersteller: BOSCH
Artikelnummer: EB-F013027506-2610913683
Netto: 5,67 € zzgl. MwSt.
zzgl. 6,90 € Versand (brutto)
einmalig pro Bestellung

Lieferzeit: 5 Werktage

Angaben zur Produktsicherheit

Hersteller:
Robert Bosch Power Tools GmbH
Postfach 30 02 20
70442 Stuttgart

E-Mail:
kontakt@bosch.de