BOSCH Gummiring | Ersatzteile für 21618 | 2610011290

Artikelnummer: EB-3601J10310-2610011290

Position: 12

Marke: BOSCH


Bitte Kompatibilität prüfen!

Bitte prüfen Sie unbedingt die 10-stellige Typennummer Ihrer Maschine / Ihres Gerätes. Das Ersatzteil ist nur kompatibel, wenn Sie die Typennummer Ihrer Maschine in der unten stehenden Produktbeschreibung finden.

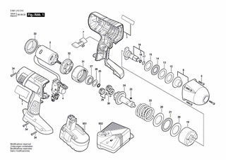
Bitte prüfen Sie ebenfalls detailliert die Explosionszeichnung mit Ihrem Artikelwunsch und der jeweiligen Pos-Nummer.

Alle Elemente, welche vom schwarzen Strich der Pos-Nummer ausgehend berührt / erfasst werden, gehören zu dieser Pos-Nummer und somit zu diesem Artikel. Jede Pos-Nummer ist ein eigenständiger Artikel, welchen Sie in der Auflistung finden.

Sie erhalten stets die aktuellste, neueste Produktversion zu der gewählten Pos-Nummer seitens des Herstellers. Es kann daher je nach Gerätealter vorkommen, dass Sie ggf. weitere, zugehörige Elemente, welche an diese Pos-Nummer grenzen, ebenfalls mittauschen müssen.

Nähere Informationen finden Sie unter dem Link
Hinweise zu Ihrer BOSCH Ersatzteilsuche

Preisübersicht

Einzelpreis: 7,26 €* (Brutto: 8,64 €)
Gesamtpreis: 7,26 €* 
Position:

Lieferzeit: 5 Werktage


Beschreibung

  • Gummiring
  • Original Bosch Zubehör / BOSCH Ersatzteil (2610011290)
  • im Gerät verbaut: 1
Dieses BOSCH Ersatzteil ist mit folgendem Gerät und Modell kompatibel:
  • BOSCH Gerätename: 21618
  • BOSCH Explosionszeichnung: Position 12
  • BOSCH Typennummer: 3601J10310
  • BOSCH Typennummer alternative Schreibweisen: 3 601 J10 310, 3601 J10 310, 3.601.J10.310, 3-601-J10-310
    Bitte prüfen Sie diese Typennummer auf Ihrem Gerät um die Kompatibilität des BOSCH Ersatzteils zu gewährleisten.
Weitere BOSCH Ersatzteile des Gerätes 21618 (Schlagschrauber) mit der Typennummer 3601J10310 finden Sie in der nachfolgenden Darstellung und im Dropdown zu Ihrer Auswahl:

Pos.
1
BOSCH Gehäusesatz | Ersatzteile für 21618 | 2610943219
Hersteller: BOSCH
Artikelnummer: EB-3601J10310-2610943219
nur Informationsartikel
Nie mehr lieferbar
keine Alternativen
Pos.
2
BOSCH Elektromotor | Ersatzteile für 21618 | 2610943875
Hersteller: BOSCH
Artikelnummer: EB-3601J10310-2610943875
nur Informationsartikel
Nie mehr lieferbar
keine Alternativen
Pos.
4
BOSCH Netzschalter | Ersatzteile für 21618 | 2610942577
Hersteller: BOSCH
Artikelnummer: EB-3601J10310-2610942577
nur Informationsartikel
Nie mehr lieferbar
keine Alternativen
Pos.
5
BOSCH Schraube | Ersatzteile für 21618 | 2610943873
Hersteller: BOSCH
Artikelnummer: EB-3601J10310-2610943873
Netto: 3,60 € zzgl. MwSt.
zzgl. 6,90 € Versand (brutto)
einmalig pro Bestellung

Lieferzeit: 5 Werktage

Pos.
6
BOSCH Getriebegehäuse | Ersatzteile für 21618 | 2610943874
Hersteller: BOSCH
Artikelnummer: EB-3601J10310-2610943874
nur Informationsartikel
Nie mehr lieferbar
keine Alternativen
Pos.
7
BOSCH Hebel | Ersatzteile für 21618 | 2610943209
Hersteller: BOSCH
Artikelnummer: EB-3601J10310-2610943209
Netto: 6,75 € zzgl. MwSt.
zzgl. 6,90 € Versand (brutto)
einmalig pro Bestellung

Lieferzeit: 5 Werktage

Pos.
12
BOSCH Gummiring | Ersatzteile für 21618 | 2610011290
Hersteller: BOSCH
Artikelnummer: EB-3601J10310-2610011290
Netto: 7,26 € zzgl. MwSt.
zzgl. 6,90 € Versand (brutto)
einmalig pro Bestellung

Lieferzeit: 5 Werktage

Pos.
13
BOSCH Auslaufscheibe | Ersatzteile für 21618 | 2610943877
Hersteller: BOSCH
Artikelnummer: EB-3601J10310-2610943877
Netto: 7,66 € zzgl. MwSt.
zzgl. 6,90 € Versand (brutto)
einmalig pro Bestellung

Lieferzeit: 5 Werktage

Pos.
14
BOSCH Axiallager | Ersatzteile für 21618 | 2610943878
Hersteller: BOSCH
Artikelnummer: EB-3601J10310-2610943878
Netto: 10,62 € zzgl. MwSt.
zzgl. 6,90 € Versand (brutto)
einmalig pro Bestellung

Lieferzeit: 5 Werktage

Pos.
15
BOSCH Auslaufscheibe | Ersatzteile für 21618 | 2610943879
Hersteller: BOSCH
Artikelnummer: EB-3601J10310-2610943879
Netto: 9,75 € zzgl. MwSt.
zzgl. 6,90 € Versand (brutto)
einmalig pro Bestellung

Lieferzeit: 5 Werktage

Pos.
16
BOSCH Kupplungshälfte | Ersatzteile für 21618 | 2610943880
Hersteller: BOSCH
Artikelnummer: EB-3601J10310-2610943880
Netto: 26,41 € zzgl. MwSt.
zzgl. 6,90 € Versand (brutto)
einmalig pro Bestellung

Lieferzeit: 5 Werktage

Pos.
17
BOSCH Blechring | Ersatzteile für 21618 | 2610943881
Hersteller: BOSCH
Artikelnummer: EB-3601J10310-2610943881
Netto: 6,27 € zzgl. MwSt.
zzgl. 6,90 € Versand (brutto)
einmalig pro Bestellung

Lieferzeit: 5 Werktage

Pos.
18
BOSCH O-Ring | Ersatzteile für 21618 | 2610011292
Hersteller: BOSCH
Artikelnummer: EB-3601J10310-2610011292
nur Informationsartikel
Nie mehr lieferbar
keine Alternativen
Pos.
19
BOSCH Schläger | Ersatzteile für 21618 | 2610943883
Hersteller: BOSCH
Artikelnummer: EB-3601J10310-2610943883
nur Informationsartikel
Nie mehr lieferbar
keine Alternativen
Pos.
20
BOSCH Auslaufscheibe | Ersatzteile für 21618 | 2610943884
Hersteller: BOSCH
Artikelnummer: EB-3601J10310-2610943884
Netto: 8,23 € zzgl. MwSt.
zzgl. 6,90 € Versand (brutto)
einmalig pro Bestellung

Lieferzeit: 5 Werktage

Pos.
21
BOSCH Axiallager | Ersatzteile für 21618 | 2610943885
Hersteller: BOSCH
Artikelnummer: EB-3601J10310-2610943885
Netto: 9,05 € zzgl. MwSt.
zzgl. 6,90 € Versand (brutto)
einmalig pro Bestellung

Lieferzeit: 5 Werktage

Pos.
22
BOSCH Feder | Ersatzteile für 21618 | 2610943886
Hersteller: BOSCH
Artikelnummer: EB-3601J10310-2610943886
Netto: 13,81 € zzgl. MwSt.
zzgl. 6,90 € Versand (brutto)
einmalig pro Bestellung

Lieferzeit: 5 Werktage

Pos.
23
BOSCH Kugel | Ersatzteile für 21618 | 2610943887
Hersteller: BOSCH
Artikelnummer: EB-3601J10310-2610943887
Netto: 4,80 € zzgl. MwSt.
zzgl. 6,90 € Versand (brutto)
einmalig pro Bestellung

Lieferzeit: 5 Werktage

Pos.
24
BOSCH Planetenträger | Ersatzteile für 21618 | 2610943888
Hersteller: BOSCH
Artikelnummer: EB-3601J10310-2610943888
Netto: 74,05 € zzgl. MwSt.
zzgl. 6,90 € Versand (brutto)
einmalig pro Bestellung

Lieferzeit: 64 Werktage

Pos.
25
BOSCH O-Ring | Ersatzteile für 21618 | 2610011291
Hersteller: BOSCH
Artikelnummer: EB-3601J10310-2610011291
Netto: 3,94 € zzgl. MwSt.
zzgl. 6,90 € Versand (brutto)
einmalig pro Bestellung

Lieferzeit: 5 Werktage

Pos.
26
BOSCH Vorlegscheibe | Ersatzteile für 21618 | 2610943890
Hersteller: BOSCH
Artikelnummer: EB-3601J10310-2610943890
Netto: 5,17 € zzgl. MwSt.
zzgl. 6,90 € Versand (brutto)
einmalig pro Bestellung

Lieferzeit: 5 Werktage

Pos.
27
BOSCH Rillenkugellager | Ersatzteile für 21618 | 2610943891
Hersteller: BOSCH
Artikelnummer: EB-3601J10310-2610943891
Netto: 11,58 € zzgl. MwSt.
zzgl. 6,90 € Versand (brutto)
einmalig pro Bestellung

Lieferzeit: 5 Werktage

Pos.
29
BOSCH Umsetzgetriebe | Ersatzteile für 21618 | 2610943892
Hersteller: BOSCH
Artikelnummer: EB-3601J10310-2610943892
Netto: 16,70 € zzgl. MwSt.
zzgl. 6,90 € Versand (brutto)
einmalig pro Bestellung

Lieferzeit: 5 Werktage

Pos.
30
BOSCH Bolzen | Ersatzteile für 21618 | 2610943893
Hersteller: BOSCH
Artikelnummer: EB-3601J10310-2610943893
Netto: 6,27 € zzgl. MwSt.
zzgl. 6,90 € Versand (brutto)
einmalig pro Bestellung

Lieferzeit: 5 Werktage

Pos.
31
BOSCH Zahnkranz | Ersatzteile für 21618 | 2610943894
Hersteller: BOSCH
Artikelnummer: EB-3601J10310-2610943894
Netto: 18,86 € zzgl. MwSt.
zzgl. 6,90 € Versand (brutto)
einmalig pro Bestellung

Lieferzeit: 5 Werktage

Pos.
32
BOSCH Gummimanschette | Ersatzteile für 21618 | 2610943895
Hersteller: BOSCH
Artikelnummer: EB-3601J10310-2610943895
Netto: 7,66 € zzgl. MwSt.
zzgl. 6,90 € Versand (brutto)
einmalig pro Bestellung

Lieferzeit: 5 Werktage

Pos.
33
BOSCH Gummimanschette | Ersatzteile für 21618 | 2610943896
Hersteller: BOSCH
Artikelnummer: EB-3601J10310-2610943896
Netto: 7,26 € zzgl. MwSt.
zzgl. 6,90 € Versand (brutto)
einmalig pro Bestellung

Lieferzeit: 5 Werktage

Pos.
34
BOSCH Schraube | Ersatzteile für 21618 | 2610943897
Hersteller: BOSCH
Artikelnummer: EB-3601J10310-2610943897
Netto: 4,36 € zzgl. MwSt.
zzgl. 6,90 € Versand (brutto)
einmalig pro Bestellung

Lieferzeit: 5 Werktage

Pos.
651
BOSCH Akku-Paket 18V,2,4Ah, HD | Ersatzteile für 21618 | 2607335717
Hersteller: BOSCH
Artikelnummer: EB-3601J10310-2607335717
Netto: 185,46 € zzgl. MwSt.
zzgl. 6,90 € Versand (brutto)
einmalig pro Bestellung

Lieferzeit: 5 Werktage

Pos.
653
BOSCH Schnell-Lader USA 120/7,2-24V, 30 MIN. | Ersatzteile für 21618 | 2607225033
Hersteller: BOSCH
Artikelnummer: EB-3601J10310-2607225033
nur Informationsartikel
Nie mehr lieferbar
keine Alternativen

Angaben zur Produktsicherheit

Hersteller:
Robert Bosch Power Tools GmbH
Postfach 30 02 20
70442 Stuttgart

E-Mail:
kontakt@bosch.de