BOSCH Schraube | Ersatzteile für 2375 U1 | 2610315146

Artikelnummer: EB-F0152375J1-2610315146

Position: 47

Marke: BOSCH


Bitte Kompatibilität prüfen!

Bitte prüfen Sie unbedingt die 10-stellige Typennummer Ihrer Maschine / Ihres Gerätes. Das Ersatzteil ist nur kompatibel, wenn Sie die Typennummer Ihrer Maschine in der unten stehenden Produktbeschreibung finden.

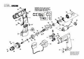
Bitte prüfen Sie ebenfalls detailliert die Explosionszeichnung mit Ihrem Artikelwunsch und der jeweiligen Pos-Nummer.

Alle Elemente, welche vom schwarzen Strich der Pos-Nummer ausgehend berührt / erfasst werden, gehören zu dieser Pos-Nummer und somit zu diesem Artikel. Jede Pos-Nummer ist ein eigenständiger Artikel, welchen Sie in der Auflistung finden.

Sie erhalten stets die aktuellste, neueste Produktversion zu der gewählten Pos-Nummer seitens des Herstellers. Es kann daher je nach Gerätealter vorkommen, dass Sie ggf. weitere, zugehörige Elemente, welche an diese Pos-Nummer grenzen, ebenfalls mittauschen müssen.

Nähere Informationen finden Sie unter dem Link
Hinweise zu Ihrer BOSCH Ersatzteilsuche

Preisübersicht

Einzelpreis: 3,95 €* (Brutto: 4,70 €)
Gesamtpreis: 3,95 €* 
Position:

Lieferzeit: 5 Werktage


Beschreibung

  • Schraube
  • Original Bosch Zubehör / BOSCH Ersatzteil (2610315146)
  • im Gerät verbaut: 1
Dieses BOSCH Ersatzteil ist mit folgendem Gerät und Modell kompatibel:
  • BOSCH Gerätename: 2375 U1
  • BOSCH Explosionszeichnung: Position 47
  • BOSCH Typennummer: F0152375J1
  • BOSCH Typennummer alternative Schreibweisen: F 015 237 5J1, F015 237 5J1, F.015.237.5J1, F-015-237-5J1
    Bitte prüfen Sie diese Typennummer auf Ihrem Gerät um die Kompatibilität des BOSCH Ersatzteils zu gewährleisten.
Weitere BOSCH Ersatzteile des Gerätes 2375 U1 (Gw-Akku-Bohrmaschine) mit der Typennummer F0152375J1 finden Sie in der nachfolgenden Darstellung und im Dropdown zu Ihrer Auswahl:

Pos.
1
BOSCH Gehäuse | Ersatzteile für 2375 U1 | 2610908319
Hersteller: BOSCH
Artikelnummer: EB-F0152375J1-2610908319
nur Informationsartikel
Nie mehr lieferbar
keine Alternativen
Pos.
4
BOSCH Schalter | Ersatzteile für 2375 U1 | 2610909704
Hersteller: BOSCH
Artikelnummer: EB-F0152375J1-2610909704
Netto: 18,57 € zzgl. MwSt.
zzgl. 6,90 € Versand (brutto)
einmalig pro Bestellung

Lieferzeit: 5 Werktage

Pos.
22
BOSCH Schraube ST3,9x19 | Ersatzteile für 2375 U1 | 2610315386
Hersteller: BOSCH
Artikelnummer: EB-F0152375J1-2610315386
Netto: 0,93 € zzgl. MwSt.
zzgl. 6,90 € Versand (brutto)
einmalig pro Bestellung

Lieferzeit: 5 Werktage

Pos.
23
BOSCH Deckel | Ersatzteile für 2375 U1 | 2610351041
Hersteller: BOSCH
Artikelnummer: EB-F0152375J1-2610351041
Netto: 4,61 € zzgl. MwSt.
zzgl. 6,90 € Versand (brutto)
einmalig pro Bestellung

Lieferzeit: 5 Werktage

Pos.
24
BOSCH Halter | Ersatzteile für 2375 U1 | 2610351046
Hersteller: BOSCH
Artikelnummer: EB-F0152375J1-2610351046
Netto: 4,61 € zzgl. MwSt.
zzgl. 6,90 € Versand (brutto)
einmalig pro Bestellung

Lieferzeit: 5 Werktage

Pos.
25
BOSCH Akku-Paket | Ersatzteile für 2375 U1 | 2610909700
Hersteller: BOSCH
Artikelnummer: EB-F0152375J1-2610909700
nur Informationsartikel
Nie mehr lieferbar
keine Alternativen
Pos.
26
BOSCH Schraube | Ersatzteile für 2375 U1 | 2610351043
Hersteller: BOSCH
Artikelnummer: EB-F0152375J1-2610351043
nur Informationsartikel
Nie mehr lieferbar
keine Alternativen
Pos.
27
BOSCH Schraube | Ersatzteile für 2375 U1 | 2610068005
Hersteller: BOSCH
Artikelnummer: EB-F0152375J1-2610068005
nur Informationsartikel
Nie mehr lieferbar
keine Alternativen
Pos.
28
BOSCH Schnellspannbohrfutter | Ersatzteile für 2375 U1 | 2610904783
Hersteller: BOSCH
Artikelnummer: EB-F0152375J1-2610904783
nur Informationsartikel
Nie mehr lieferbar
keine Alternativen
Pos.
29
BOSCH Hülse | Ersatzteile für 2375 U1 | 2610352856
Hersteller: BOSCH
Artikelnummer: EB-F0152375J1-2610352856
Netto: 5,13 € zzgl. MwSt.
zzgl. 6,90 € Versand (brutto)
einmalig pro Bestellung

Lieferzeit: 5 Werktage

Pos.
30
BOSCH Achse | Ersatzteile für 2375 U1 | 2610904752
Hersteller: BOSCH
Artikelnummer: EB-F0152375J1-2610904752
nur Informationsartikel
Nie mehr lieferbar
keine Alternativen
Pos.
31
BOSCH Scheibe | Ersatzteile für 2375 U1 | 2610354729
Hersteller: BOSCH
Artikelnummer: EB-F0152375J1-2610354729
nur Informationsartikel
Nie mehr lieferbar
keine Alternativen
Pos.
32
BOSCH Lager | Ersatzteile für 2375 U1 | 2610351034
Hersteller: BOSCH
Artikelnummer: EB-F0152375J1-2610351034
Netto: 4,61 € zzgl. MwSt.
zzgl. 6,90 € Versand (brutto)
einmalig pro Bestellung

Lieferzeit: 5 Werktage

Pos.
33
BOSCH Nocken | Ersatzteile für 2375 U1 | 2610351037
Hersteller: BOSCH
Artikelnummer: EB-F0152375J1-2610351037
nur Informationsartikel
Nie mehr lieferbar
keine Alternativen
Pos.
34
BOSCH Scheibe | Ersatzteile für 2375 U1 | 2610351012
Hersteller: BOSCH
Artikelnummer: EB-F0152375J1-2610351012
Netto: 3,95 € zzgl. MwSt.
zzgl. 6,90 € Versand (brutto)
einmalig pro Bestellung

Lieferzeit: 5 Werktage

Pos.
35
BOSCH Distanzscheibe | Ersatzteile für 2375 U1 | 2610909730
Hersteller: BOSCH
Artikelnummer: EB-F0152375J1-2610909730
Netto: 4,39 € zzgl. MwSt.
zzgl. 6,90 € Versand (brutto)
einmalig pro Bestellung

Lieferzeit: 5 Werktage

Pos.
36
BOSCH Scheibe | Ersatzteile für 2375 U1 | 2610026126
Hersteller: BOSCH
Artikelnummer: EB-F0152375J1-2610026126
Netto: 3,95 € zzgl. MwSt.
zzgl. 6,90 € Versand (brutto)
einmalig pro Bestellung

Lieferzeit: 5 Werktage

Pos.
37
BOSCH Halter | Ersatzteile für 2375 U1 | 2610904751
Hersteller: BOSCH
Artikelnummer: EB-F0152375J1-2610904751
Netto: 3,95 € zzgl. MwSt.
zzgl. 6,90 € Versand (brutto)
einmalig pro Bestellung

Lieferzeit: 5 Werktage

Pos.
38
BOSCH Feder | Ersatzteile für 2375 U1 | 2610351014
Hersteller: BOSCH
Artikelnummer: EB-F0152375J1-2610351014
Netto: 3,95 € zzgl. MwSt.
zzgl. 6,90 € Versand (brutto)
einmalig pro Bestellung

Lieferzeit: 5 Werktage

Pos.
39
BOSCH Platte | Ersatzteile für 2375 U1 | 2610904632
Hersteller: BOSCH
Artikelnummer: EB-F0152375J1-2610904632
nur Informationsartikel
Nie mehr lieferbar
keine Alternativen
Pos.
40
BOSCH Antriebs-Kupplung | Ersatzteile für 2375 U1 | 2610908318
Hersteller: BOSCH
Artikelnummer: EB-F0152375J1-2610908318
nur Informationsartikel
Nie mehr lieferbar
keine Alternativen
Pos.
41
BOSCH Platte | Ersatzteile für 2375 U1 | 2610908306
Hersteller: BOSCH
Artikelnummer: EB-F0152375J1-2610908306
Netto: 3,34 € zzgl. MwSt.
zzgl. 6,90 € Versand (brutto)
einmalig pro Bestellung

Lieferzeit: 5 Werktage

Pos.
42
BOSCH Zahnrad | Ersatzteile für 2375 U1 | 2610908901
Hersteller: BOSCH
Artikelnummer: EB-F0152375J1-2610908901
Netto: 3,95 € zzgl. MwSt.
zzgl. 6,90 € Versand (brutto)
einmalig pro Bestellung

Lieferzeit: 5 Werktage

Pos.
43
BOSCH Halter | Ersatzteile für 2375 U1 | 2610908305
Hersteller: BOSCH
Artikelnummer: EB-F0152375J1-2610908305
Netto: 5,21 € zzgl. MwSt.
zzgl. 6,90 € Versand (brutto)
einmalig pro Bestellung

Lieferzeit: 5 Werktage

Pos.
44
BOSCH Zahnrad | Ersatzteile für 2375 U1 | 2610908919
Hersteller: BOSCH
Artikelnummer: EB-F0152375J1-2610908919
nur Informationsartikel
Nie mehr lieferbar
keine Alternativen
Pos.
45
BOSCH Zahnrad | Ersatzteile für 2375 U1 | 2610908334
Hersteller: BOSCH
Artikelnummer: EB-F0152375J1-2610908334
nur Informationsartikel
Nie mehr lieferbar
keine Alternativen
Pos.
46
BOSCH Scheibe | Ersatzteile für 2375 U1 | 2610351013
Hersteller: BOSCH
Artikelnummer: EB-F0152375J1-2610351013
Netto: 3,95 € zzgl. MwSt.
zzgl. 6,90 € Versand (brutto)
einmalig pro Bestellung

Lieferzeit: 5 Werktage

Pos.
47
BOSCH Schraube | Ersatzteile für 2375 U1 | 2610315146
Hersteller: BOSCH
Artikelnummer: EB-F0152375J1-2610315146
Netto: 3,95 € zzgl. MwSt.
zzgl. 6,90 € Versand (brutto)
einmalig pro Bestellung

Lieferzeit: 5 Werktage

Pos.
48
BOSCH Verbindungsstück | Ersatzteile für 2375 U1 | 2610351019
Hersteller: BOSCH
Artikelnummer: EB-F0152375J1-2610351019
nur Informationsartikel
Nie mehr lieferbar
keine Alternativen
Pos.
49
BOSCH Zahnrad | Ersatzteile für 2375 U1 | 2610908900
Hersteller: BOSCH
Artikelnummer: EB-F0152375J1-2610908900
nur Informationsartikel
Nie mehr lieferbar
keine Alternativen
Pos.
50
BOSCH Platte | Ersatzteile für 2375 U1 | 2610351040
Hersteller: BOSCH
Artikelnummer: EB-F0152375J1-2610351040
Netto: 4,61 € zzgl. MwSt.
zzgl. 6,90 € Versand (brutto)
einmalig pro Bestellung

Lieferzeit: 5 Werktage

Pos.
51
BOSCH Klinke | Ersatzteile für 2375 U1 | 2610351018
Hersteller: BOSCH
Artikelnummer: EB-F0152375J1-2610351018
Netto: 4,61 € zzgl. MwSt.
zzgl. 6,90 € Versand (brutto)
einmalig pro Bestellung

Lieferzeit: 5 Werktage

Pos.
52
BOSCH Batterie-Ladegerät 240V | Ersatzteile für 2375 U1 | 2610385284
Hersteller: BOSCH
Artikelnummer: EB-F0152375J1-2610385284
nur Informationsartikel
Nie mehr lieferbar
keine Alternativen
Pos.
802
BOSCH Elektromotor | Ersatzteile für 2375 U1 | 2610908307
Hersteller: BOSCH
Artikelnummer: EB-F0152375J1-2610908307
Netto: 14,08 € zzgl. MwSt.
zzgl. 6,90 € Versand (brutto)
einmalig pro Bestellung

Lieferzeit: 5 Werktage

Angaben zur Produktsicherheit

Hersteller:
Robert Bosch Power Tools GmbH
Postfach 30 02 20
70442 Stuttgart

E-Mail:
kontakt@bosch.de