BOSCH Scheibe | Ersatzteile für 2475 TYPE 1 | 2610351013

Artikelnummer: EB-F012247502-2610351013

Position: 28

Marke: BOSCH


Bitte Kompatibilität prüfen!

Bitte prüfen Sie unbedingt die 10-stellige Typennummer Ihrer Maschine / Ihres Gerätes. Das Ersatzteil ist nur kompatibel, wenn Sie die Typennummer Ihrer Maschine in der unten stehenden Produktbeschreibung finden.

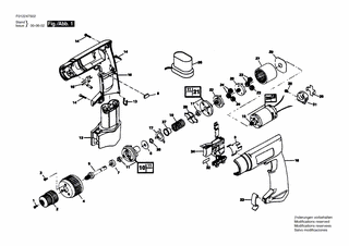
Bitte prüfen Sie ebenfalls detailliert die Explosionszeichnung mit Ihrem Artikelwunsch und der jeweiligen Pos-Nummer.

Alle Elemente, welche vom schwarzen Strich der Pos-Nummer ausgehend berührt / erfasst werden, gehören zu dieser Pos-Nummer und somit zu diesem Artikel. Jede Pos-Nummer ist ein eigenständiger Artikel, welchen Sie in der Auflistung finden.

Sie erhalten stets die aktuellste, neueste Produktversion zu der gewählten Pos-Nummer seitens des Herstellers. Es kann daher je nach Gerätealter vorkommen, dass Sie ggf. weitere, zugehörige Elemente, welche an diese Pos-Nummer grenzen, ebenfalls mittauschen müssen.

Nähere Informationen finden Sie unter dem Link
Hinweise zu Ihrer BOSCH Ersatzteilsuche

Preisübersicht

Einzelpreis: 3,95 €* (Brutto: 4,70 €)
Gesamtpreis: 3,95 €* 
Position:

Lieferzeit: 5 Werktage


Beschreibung

  • Scheibe
  • Original Bosch Zubehör / BOSCH Ersatzteil (2610351013)
  • im Gerät verbaut: 1
Dieses BOSCH Ersatzteil ist mit folgendem Gerät und Modell kompatibel:
  • BOSCH Gerätename: 2475 TYPE 1
  • BOSCH Explosionszeichnung: Position 28
  • BOSCH Typennummer: F012247502
  • BOSCH Typennummer alternative Schreibweisen: F 012 247 502, F012 247 502, F.012.247.502, F-012-247-502
    Bitte prüfen Sie diese Typennummer auf Ihrem Gerät um die Kompatibilität des BOSCH Ersatzteils zu gewährleisten.
Weitere BOSCH Ersatzteile des Gerätes 2475 TYPE 1 (Gw-Akku-Schrauber) mit der Typennummer F012247502 finden Sie in der nachfolgenden Darstellung und im Dropdown zu Ihrer Auswahl:

Pos.
1
BOSCH Schraube | Ersatzteile für 2475 TYPE 1 | 2610068005
Hersteller: BOSCH
Artikelnummer: EB-F012247502-2610068005
nur Informationsartikel
Nie mehr lieferbar
keine Alternativen
Pos.
2
BOSCH Bohrfutter 3/8" | Ersatzteile für 2475 TYPE 1 | 2610908303
Hersteller: BOSCH
Artikelnummer: EB-F012247502-2610908303
nur Informationsartikel
Nie mehr lieferbar
keine Alternativen
Pos.
3
BOSCH Schraube | Ersatzteile für 2475 TYPE 1 | 2610351043
Hersteller: BOSCH
Artikelnummer: EB-F012247502-2610351043
nur Informationsartikel
Nie mehr lieferbar
keine Alternativen
Pos.
4
BOSCH Hülse | Ersatzteile für 2475 TYPE 1 | 2610352856
Hersteller: BOSCH
Artikelnummer: EB-F012247502-2610352856
Netto: 5,17 € zzgl. MwSt.
zzgl. 6,90 € Versand (brutto)
einmalig pro Bestellung

Lieferzeit: 5 Werktage

Pos.
5
BOSCH Spindel | Ersatzteile für 2475 TYPE 1 | 2610358066
Hersteller: BOSCH
Artikelnummer: EB-F012247502-2610358066
nur Informationsartikel
Nie mehr lieferbar
keine Alternativen
Pos.
6
BOSCH Scheibe | Ersatzteile für 2475 TYPE 1 | 2610026126
Hersteller: BOSCH
Artikelnummer: EB-F012247502-2610026126
Netto: 3,95 € zzgl. MwSt.
zzgl. 6,90 € Versand (brutto)
einmalig pro Bestellung

Lieferzeit: 5 Werktage

Pos.
7
BOSCH Scheibe | Ersatzteile für 2475 TYPE 1 | 2610354729
Hersteller: BOSCH
Artikelnummer: EB-F012247502-2610354729
nur Informationsartikel
Nie mehr lieferbar
keine Alternativen
Pos.
8
BOSCH Staubschutz | Ersatzteile für 2475 TYPE 1 | 2610352598
Hersteller: BOSCH
Artikelnummer: EB-F012247502-2610352598
nur Informationsartikel
Nie mehr lieferbar
keine Alternativen
Pos.
9
BOSCH Platte | Ersatzteile für 2475 TYPE 1 | 2610351040
Hersteller: BOSCH
Artikelnummer: EB-F012247502-2610351040
Netto: 1,61 € zzgl. MwSt.
zzgl. 6,90 € Versand (brutto)
einmalig pro Bestellung

Lieferzeit: 5 Werktage

Pos.
10
BOSCH Nocken | Ersatzteile für 2475 TYPE 1 | 2610351037
Hersteller: BOSCH
Artikelnummer: EB-F012247502-2610351037
nur Informationsartikel
Nie mehr lieferbar
keine Alternativen
Pos.
11
BOSCH Lager | Ersatzteile für 2475 TYPE 1 | 2610351034
Hersteller: BOSCH
Artikelnummer: EB-F012247502-2610351034
Netto: 1,61 € zzgl. MwSt.
zzgl. 6,90 € Versand (brutto)
einmalig pro Bestellung

Lieferzeit: 5 Werktage

Pos.
12
BOSCH Akku-Paket | Ersatzteile für 2475 TYPE 1 | 2610092975
Hersteller: BOSCH
Artikelnummer: EB-F012247502-2610092975
nur Informationsartikel
Nie mehr lieferbar
keine Alternativen
Pos.
13
BOSCH Halter | Ersatzteile für 2475 TYPE 1 | 2610351046
Hersteller: BOSCH
Artikelnummer: EB-F012247502-2610351046
Netto: 1,61 € zzgl. MwSt.
zzgl. 6,90 € Versand (brutto)
einmalig pro Bestellung

Lieferzeit: 5 Werktage

Pos.
14
BOSCH Schraube ST3,9x19 | Ersatzteile für 2475 TYPE 1 | 2610315386
Hersteller: BOSCH
Artikelnummer: EB-F012247502-2610315386
Netto: 3,94 € zzgl. MwSt.
zzgl. 6,90 € Versand (brutto)
einmalig pro Bestellung

Lieferzeit: 5 Werktage

Pos.
15
BOSCH Deckel | Ersatzteile für 2475 TYPE 1 | 2610351041
Hersteller: BOSCH
Artikelnummer: EB-F012247502-2610351041
Netto: 1,61 € zzgl. MwSt.
zzgl. 6,90 € Versand (brutto)
einmalig pro Bestellung

Lieferzeit: 5 Werktage

Pos.
16
BOSCH Gehäuse | Ersatzteile für 2475 TYPE 1 | 2610908319
Hersteller: BOSCH
Artikelnummer: EB-F012247502-2610908319
nur Informationsartikel
Nie mehr lieferbar
keine Alternativen
Pos.
17
BOSCH Scheibe | Ersatzteile für 2475 TYPE 1 | 2610351012
Hersteller: BOSCH
Artikelnummer: EB-F012247502-2610351012
Netto: 3,95 € zzgl. MwSt.
zzgl. 6,90 € Versand (brutto)
einmalig pro Bestellung

Lieferzeit: 5 Werktage

Pos.
18
BOSCH Zahnrad | Ersatzteile für 2475 TYPE 1 | 2610908900
Hersteller: BOSCH
Artikelnummer: EB-F012247502-2610908900
nur Informationsartikel
Nie mehr lieferbar
keine Alternativen
Pos.
19
BOSCH Feder | Ersatzteile für 2475 TYPE 1 | 2610351014
Hersteller: BOSCH
Artikelnummer: EB-F012247502-2610351014
Netto: 3,95 € zzgl. MwSt.
zzgl. 6,90 € Versand (brutto)
einmalig pro Bestellung

Lieferzeit: 5 Werktage

Pos.
20
BOSCH Platte | Ersatzteile für 2475 TYPE 1 | 2610904632
Hersteller: BOSCH
Artikelnummer: EB-F012247502-2610904632
nur Informationsartikel
Nie mehr lieferbar
keine Alternativen
Pos.
21
BOSCH Antriebs-Kupplung | Ersatzteile für 2475 TYPE 1 | 2610908318
Hersteller: BOSCH
Artikelnummer: EB-F012247502-2610908318
nur Informationsartikel
Nie mehr lieferbar
keine Alternativen
Pos.
22
BOSCH Platte | Ersatzteile für 2475 TYPE 1 | 2610908306
Hersteller: BOSCH
Artikelnummer: EB-F012247502-2610908306
Netto: 6,34 € zzgl. MwSt.
zzgl. 6,90 € Versand (brutto)
einmalig pro Bestellung

Lieferzeit: 5 Werktage

Pos.
23
BOSCH Zahnrad | Ersatzteile für 2475 TYPE 1 | 2610908919
Hersteller: BOSCH
Artikelnummer: EB-F012247502-2610908919
nur Informationsartikel
Nie mehr lieferbar
keine Alternativen
Pos.
24
BOSCH Zahnrad | Ersatzteile für 2475 TYPE 1 | 2610908901
Hersteller: BOSCH
Artikelnummer: EB-F012247502-2610908901
Netto: 3,95 € zzgl. MwSt.
zzgl. 6,90 € Versand (brutto)
einmalig pro Bestellung

Lieferzeit: 5 Werktage

Pos.
25
BOSCH Halter | Ersatzteile für 2475 TYPE 1 | 2610908305
Hersteller: BOSCH
Artikelnummer: EB-F012247502-2610908305
Netto: 5,21 € zzgl. MwSt.
zzgl. 6,90 € Versand (brutto)
einmalig pro Bestellung

Lieferzeit: 5 Werktage

Pos.
26
BOSCH Kühlkörper | Ersatzteile für 2475 TYPE 1 | 2610910463
Hersteller: BOSCH
Artikelnummer: EB-F012247502-2610910463
nur Informationsartikel
Nie mehr lieferbar
keine Alternativen
Pos.
27
BOSCH Zahnrad | Ersatzteile für 2475 TYPE 1 | 2610908334
Hersteller: BOSCH
Artikelnummer: EB-F012247502-2610908334
nur Informationsartikel
Nie mehr lieferbar
keine Alternativen
Pos.
28
BOSCH Scheibe | Ersatzteile für 2475 TYPE 1 | 2610351013
Hersteller: BOSCH
Artikelnummer: EB-F012247502-2610351013
Netto: 3,95 € zzgl. MwSt.
zzgl. 6,90 € Versand (brutto)
einmalig pro Bestellung

Lieferzeit: 5 Werktage

Pos.
29
BOSCH Elektromotor 9,6V | Ersatzteile für 2475 TYPE 1 | 2610909727
Hersteller: BOSCH
Artikelnummer: EB-F012247502-2610909727
Netto: 14,08 € zzgl. MwSt.
zzgl. 6,90 € Versand (brutto)
einmalig pro Bestellung

Lieferzeit: 5 Werktage

Pos.
30
BOSCH Schraube | Ersatzteile für 2475 TYPE 1 | 2610315146
Hersteller: BOSCH
Artikelnummer: EB-F012247502-2610315146
Netto: 3,95 € zzgl. MwSt.
zzgl. 6,90 € Versand (brutto)
einmalig pro Bestellung

Lieferzeit: 5 Werktage

Pos.
31
BOSCH Verbindungsstück | Ersatzteile für 2475 TYPE 1 | 2610351019
Hersteller: BOSCH
Artikelnummer: EB-F012247502-2610351019
nur Informationsartikel
Nie mehr lieferbar
keine Alternativen
Pos.
32
BOSCH Bügelfeder | Ersatzteile für 2475 TYPE 1 | 2610910462
Hersteller: BOSCH
Artikelnummer: EB-F012247502-2610910462
nur Informationsartikel
Nie mehr lieferbar
keine Alternativen
Pos.
33
BOSCH Klinke | Ersatzteile für 2475 TYPE 1 | 2610351018
Hersteller: BOSCH
Artikelnummer: EB-F012247502-2610351018
Netto: 1,61 € zzgl. MwSt.
zzgl. 6,90 € Versand (brutto)
einmalig pro Bestellung

Lieferzeit: 5 Werktage

Pos.
34
BOSCH Kippschalter | Ersatzteile für 2475 TYPE 1 | 2610908342
Hersteller: BOSCH
Artikelnummer: EB-F012247502-2610908342
nur Informationsartikel
Nie mehr lieferbar
keine Alternativen
Pos.
35
BOSCH Schnell-Lader USA 120/9,6V | Ersatzteile für 2475 TYPE 1 | 2610092970
Hersteller: BOSCH
Artikelnummer: EB-F012247502-2610092970
nur Informationsartikel
Nie mehr lieferbar
keine Alternativen
Pos.
36
BOSCH Halter | Ersatzteile für 2475 TYPE 1 | 2610904751
Hersteller: BOSCH
Artikelnummer: EB-F012247502-2610904751
Netto: 3,95 € zzgl. MwSt.
zzgl. 6,90 € Versand (brutto)
einmalig pro Bestellung

Lieferzeit: 5 Werktage

Pos.
37
BOSCH Distanzscheibe | Ersatzteile für 2475 TYPE 1 | 2610909730
Hersteller: BOSCH
Artikelnummer: EB-F012247502-2610909730
Netto: 4,39 € zzgl. MwSt.
zzgl. 6,90 € Versand (brutto)
einmalig pro Bestellung

Lieferzeit: 5 Werktage

Angaben zur Produktsicherheit

Hersteller:
Robert Bosch Power Tools GmbH
Postfach 30 02 20
70442 Stuttgart

E-Mail:
kontakt@bosch.de