BOSCH Hülse | Ersatzteile für 2503 TYPE 2 | 2610352856

Artikelnummer: EB-F012250399-2610352856

Position: 4

Marke: BOSCH


Bitte Kompatibilität prüfen!

Bitte prüfen Sie unbedingt die 10-stellige Typennummer Ihrer Maschine / Ihres Gerätes. Das Ersatzteil ist nur kompatibel, wenn Sie die Typennummer Ihrer Maschine in der unten stehenden Produktbeschreibung finden.

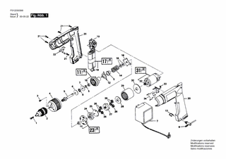
Bitte prüfen Sie ebenfalls detailliert die Explosionszeichnung mit Ihrem Artikelwunsch und der jeweiligen Pos-Nummer.

Alle Elemente, welche vom schwarzen Strich der Pos-Nummer ausgehend berührt / erfasst werden, gehören zu dieser Pos-Nummer und somit zu diesem Artikel. Jede Pos-Nummer ist ein eigenständiger Artikel, welchen Sie in der Auflistung finden.

Sie erhalten stets die aktuellste, neueste Produktversion zu der gewählten Pos-Nummer seitens des Herstellers. Es kann daher je nach Gerätealter vorkommen, dass Sie ggf. weitere, zugehörige Elemente, welche an diese Pos-Nummer grenzen, ebenfalls mittauschen müssen.

Nähere Informationen finden Sie unter dem Link
Hinweise zu Ihrer BOSCH Ersatzteilsuche

Preisübersicht

Einzelpreis: 5,19 €* (Brutto: 6,18 €)
Gesamtpreis: 5,19 €* 
Position:

Lieferzeit: 5 Werktage


Beschreibung

  • Hülse
  • Original Bosch Zubehör / BOSCH Ersatzteil (2610352856)
  • im Gerät verbaut: 1
Dieses BOSCH Ersatzteil ist mit folgendem Gerät und Modell kompatibel:
  • BOSCH Gerätename: 2503 TYPE 2
  • BOSCH Explosionszeichnung: Position 4
  • BOSCH Typennummer: F012250399
  • BOSCH Typennummer alternative Schreibweisen: F 012 250 399, F012 250 399, F.012.250.399, F-012-250-399
    Bitte prüfen Sie diese Typennummer auf Ihrem Gerät um die Kompatibilität des BOSCH Ersatzteils zu gewährleisten.
Weitere BOSCH Ersatzteile des Gerätes 2503 TYPE 2 (Akku-Bohrmaschine) mit der Typennummer F012250399 finden Sie in der nachfolgenden Darstellung und im Dropdown zu Ihrer Auswahl:

Pos.
1
BOSCH Schraube | Ersatzteile für 2503 TYPE 2 | 2610068005
Hersteller: BOSCH
Artikelnummer: EB-F012250399-2610068005
nur Informationsartikel
Nie mehr lieferbar
keine Alternativen
Pos.
2
BOSCH Bohrfutter | Ersatzteile für 2503 TYPE 2 | 2610092962
Hersteller: BOSCH
Artikelnummer: EB-F012250399-2610092962
nur Informationsartikel
Nie mehr lieferbar
keine Alternativen
Pos.
3
BOSCH Schraube | Ersatzteile für 2503 TYPE 2 | 2610351043
Hersteller: BOSCH
Artikelnummer: EB-F012250399-2610351043
nur Informationsartikel
Nie mehr lieferbar
keine Alternativen
Pos.
4
BOSCH Hülse | Ersatzteile für 2503 TYPE 2 | 2610352856
Hersteller: BOSCH
Artikelnummer: EB-F012250399-2610352856
Netto: 5,19 € zzgl. MwSt.
zzgl. 6,90 € Versand (brutto)
einmalig pro Bestellung

Lieferzeit: 5 Werktage

Pos.
5
BOSCH Achse | Ersatzteile für 2503 TYPE 2 | 2610904752
Hersteller: BOSCH
Artikelnummer: EB-F012250399-2610904752
nur Informationsartikel
Nie mehr lieferbar
keine Alternativen
Pos.
6
BOSCH Scheibe | Ersatzteile für 2503 TYPE 2 | 2610026126
Hersteller: BOSCH
Artikelnummer: EB-F012250399-2610026126
Netto: 3,95 € zzgl. MwSt.
zzgl. 6,90 € Versand (brutto)
einmalig pro Bestellung

Lieferzeit: 5 Werktage

Pos.
7
BOSCH Batterie-Ladegerät 7.2/120V | Ersatzteile für 2503 TYPE 2 | 2610353286
Hersteller: BOSCH
Artikelnummer: EB-F012250399-2610353286
nur Informationsartikel
Nie mehr lieferbar
keine Alternativen
Pos.
8
BOSCH Scheibe | Ersatzteile für 2503 TYPE 2 | 2610354729
Hersteller: BOSCH
Artikelnummer: EB-F012250399-2610354729
nur Informationsartikel
Nie mehr lieferbar
keine Alternativen
Pos.
9
BOSCH Zahnkranzbohrfutter | Ersatzteile für 2503 TYPE 2 | 2610092960
Hersteller: BOSCH
Artikelnummer: EB-F012250399-2610092960
nur Informationsartikel
Nie mehr lieferbar
keine Alternativen
Pos.
10
BOSCH Lager | Ersatzteile für 2503 TYPE 2 | 2610351034
Hersteller: BOSCH
Artikelnummer: EB-F012250399-2610351034
Netto: 1,61 € zzgl. MwSt.
zzgl. 6,90 € Versand (brutto)
einmalig pro Bestellung

Lieferzeit: 5 Werktage

Pos.
11
BOSCH Nocken | Ersatzteile für 2503 TYPE 2 | 2610351037
Hersteller: BOSCH
Artikelnummer: EB-F012250399-2610351037
nur Informationsartikel
Nie mehr lieferbar
keine Alternativen
Pos.
12
BOSCH Scheibe | Ersatzteile für 2503 TYPE 2 | 2610351012
Hersteller: BOSCH
Artikelnummer: EB-F012250399-2610351012
Netto: 3,95 € zzgl. MwSt.
zzgl. 6,90 € Versand (brutto)
einmalig pro Bestellung

Lieferzeit: 5 Werktage

Pos.
13
BOSCH Halter | Ersatzteile für 2503 TYPE 2 | 2610351023
Hersteller: BOSCH
Artikelnummer: EB-F012250399-2610351023
nur Informationsartikel
Nie mehr lieferbar
keine Alternativen
Pos.
14
BOSCH Feder | Ersatzteile für 2503 TYPE 2 | 2610351014
Hersteller: BOSCH
Artikelnummer: EB-F012250399-2610351014
Netto: 3,95 € zzgl. MwSt.
zzgl. 6,90 € Versand (brutto)
einmalig pro Bestellung

Lieferzeit: 5 Werktage

Pos.
16
BOSCH Platte | Ersatzteile für 2503 TYPE 2 | 2610904632
Hersteller: BOSCH
Artikelnummer: EB-F012250399-2610904632
nur Informationsartikel
Nie mehr lieferbar
keine Alternativen
Pos.
17
BOSCH Batterie-Set | Ersatzteile für 2503 TYPE 2 | 2610355795
Hersteller: BOSCH
Artikelnummer: EB-F012250399-2610355795
nur Informationsartikel
Nie mehr lieferbar
keine Alternativen
Pos.
18
BOSCH Thermostat | Ersatzteile für 2503 TYPE 2 | 2610352890
Hersteller: BOSCH
Artikelnummer: EB-F012250399-2610352890
nur Informationsartikel
Nie mehr lieferbar
keine Alternativen
Pos.
19
BOSCH Schalter | Ersatzteile für 2503 TYPE 2 | 2610354395
Hersteller: BOSCH
Artikelnummer: EB-F012250399-2610354395
Netto: 8,33 € zzgl. MwSt.
zzgl. 6,90 € Versand (brutto)
einmalig pro Bestellung

Lieferzeit: 5 Werktage

Pos.
20
BOSCH Gehäuse | Ersatzteile für 2503 TYPE 2 | 2610352604
Hersteller: BOSCH
Artikelnummer: EB-F012250399-2610352604
Netto: 7,79 € zzgl. MwSt.
zzgl. 6,90 € Versand (brutto)
einmalig pro Bestellung

Lieferzeit: 5 Werktage

Pos.
21
BOSCH Schraube | Ersatzteile für 2503 TYPE 2 | 2610350996
Hersteller: BOSCH
Artikelnummer: EB-F012250399-2610350996
nur Informationsartikel
Nie mehr lieferbar
keine Alternativen
Pos.
22
BOSCH Deckel | Ersatzteile für 2503 TYPE 2 | 2610351041
Hersteller: BOSCH
Artikelnummer: EB-F012250399-2610351041
Netto: 1,61 € zzgl. MwSt.
zzgl. 6,90 € Versand (brutto)
einmalig pro Bestellung

Lieferzeit: 5 Werktage

Pos.
23
BOSCH Antriebs-Kupplung | Ersatzteile für 2503 TYPE 2 | 2610908318
Hersteller: BOSCH
Artikelnummer: EB-F012250399-2610908318
nur Informationsartikel
Nie mehr lieferbar
keine Alternativen
Pos.
24
BOSCH Platte | Ersatzteile für 2503 TYPE 2 | 2610351049
Hersteller: BOSCH
Artikelnummer: EB-F012250399-2610351049
Netto: 5,70 € zzgl. MwSt.
zzgl. 6,90 € Versand (brutto)
einmalig pro Bestellung

Lieferzeit: 5 Werktage

Pos.
25
BOSCH Distanzscheibe | Ersatzteile für 2503 TYPE 2 | 2610351011
Hersteller: BOSCH
Artikelnummer: EB-F012250399-2610351011
Netto: 4,39 € zzgl. MwSt.
zzgl. 6,90 € Versand (brutto)
einmalig pro Bestellung

Lieferzeit: 5 Werktage

Pos.
26
BOSCH Zahnrad | Ersatzteile für 2503 TYPE 2 | 2610351016
Hersteller: BOSCH
Artikelnummer: EB-F012250399-2610351016
nur Informationsartikel
Nie mehr lieferbar
keine Alternativen
Pos.
27
BOSCH Platte | Ersatzteile für 2503 TYPE 2 | 2610351048
Hersteller: BOSCH
Artikelnummer: EB-F012250399-2610351048
Netto: 5,21 € zzgl. MwSt.
zzgl. 6,90 € Versand (brutto)
einmalig pro Bestellung

Lieferzeit: 5 Werktage

Pos.
28
BOSCH Scheibe | Ersatzteile für 2503 TYPE 2 | 2610351042
Hersteller: BOSCH
Artikelnummer: EB-F012250399-2610351042
Netto: 3,95 € zzgl. MwSt.
zzgl. 6,90 € Versand (brutto)
einmalig pro Bestellung

Lieferzeit: 5 Werktage

Pos.
29
BOSCH Zahnrad | Ersatzteile für 2503 TYPE 2 | 2610908334
Hersteller: BOSCH
Artikelnummer: EB-F012250399-2610908334
nur Informationsartikel
Nie mehr lieferbar
keine Alternativen
Pos.
30
BOSCH Scheibe | Ersatzteile für 2503 TYPE 2 | 2610351013
Hersteller: BOSCH
Artikelnummer: EB-F012250399-2610351013
Netto: 3,95 € zzgl. MwSt.
zzgl. 6,90 € Versand (brutto)
einmalig pro Bestellung

Lieferzeit: 5 Werktage

Pos.
31
BOSCH Elektromotor 7,2V | Ersatzteile für 2503 TYPE 2 | 2610991892
Hersteller: BOSCH
Artikelnummer: EB-F012250399-2610991892
nur Informationsartikel
Nie mehr lieferbar
keine Alternativen
Pos.
32
BOSCH Zahnrad | Ersatzteile für 2503 TYPE 2 | 2610351015
Hersteller: BOSCH
Artikelnummer: EB-F012250399-2610351015
Netto: 3,95 € zzgl. MwSt.
zzgl. 6,90 € Versand (brutto)
einmalig pro Bestellung

Lieferzeit: 5 Werktage

Pos.
33
BOSCH Hebel | Ersatzteile für 2503 TYPE 2 | 2610352624
Hersteller: BOSCH
Artikelnummer: EB-F012250399-2610352624
Netto: 3,94 € zzgl. MwSt.
zzgl. 6,90 € Versand (brutto)
einmalig pro Bestellung

Lieferzeit: 5 Werktage

Pos.
34
BOSCH Platte | Ersatzteile für 2503 TYPE 2 | 2610351040
Hersteller: BOSCH
Artikelnummer: EB-F012250399-2610351040
Netto: 1,61 € zzgl. MwSt.
zzgl. 6,90 € Versand (brutto)
einmalig pro Bestellung

Lieferzeit: 5 Werktage

Angaben zur Produktsicherheit

Hersteller:
Robert Bosch Power Tools GmbH
Postfach 30 02 20
70442 Stuttgart

E-Mail:
kontakt@bosch.de