BOSCH Scheibe | Ersatzteile für 2528U2 | 2610351042

Artikelnummer: EB-F0152528J2-2610351042

Position: 46

Marke: BOSCH


Bitte Kompatibilität prüfen!

Bitte prüfen Sie unbedingt die 10-stellige Typennummer Ihrer Maschine / Ihres Gerätes. Das Ersatzteil ist nur kompatibel, wenn Sie die Typennummer Ihrer Maschine in der unten stehenden Produktbeschreibung finden.

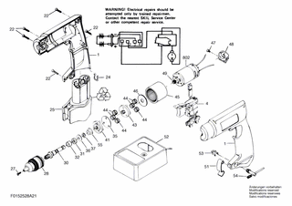
Bitte prüfen Sie ebenfalls detailliert die Explosionszeichnung mit Ihrem Artikelwunsch und der jeweiligen Pos-Nummer.

Alle Elemente, welche vom schwarzen Strich der Pos-Nummer ausgehend berührt / erfasst werden, gehören zu dieser Pos-Nummer und somit zu diesem Artikel. Jede Pos-Nummer ist ein eigenständiger Artikel, welchen Sie in der Auflistung finden.

Sie erhalten stets die aktuellste, neueste Produktversion zu der gewählten Pos-Nummer seitens des Herstellers. Es kann daher je nach Gerätealter vorkommen, dass Sie ggf. weitere, zugehörige Elemente, welche an diese Pos-Nummer grenzen, ebenfalls mittauschen müssen.

Nähere Informationen finden Sie unter dem Link
Hinweise zu Ihrer BOSCH Ersatzteilsuche

Preisübersicht

Einzelpreis: 3,95 €* (Brutto: 4,70 €)
Gesamtpreis: 3,95 €* 
Position:

Lieferzeit: 5 Werktage


Beschreibung

  • Scheibe
  • Original Bosch Zubehör / BOSCH Ersatzteil (2610351042)
  • im Gerät verbaut: 1
Dieses BOSCH Ersatzteil ist mit folgendem Gerät und Modell kompatibel:
  • BOSCH Gerätename: 2528U2
  • BOSCH Explosionszeichnung: Position 46
  • BOSCH Typennummer: F0152528J2
  • BOSCH Typennummer alternative Schreibweisen: F 015 252 8J2, F015 252 8J2, F.015.252.8J2, F-015-252-8J2
    Bitte prüfen Sie diese Typennummer auf Ihrem Gerät um die Kompatibilität des BOSCH Ersatzteils zu gewährleisten.
Weitere BOSCH Ersatzteile des Gerätes 2528U2 (Gw-Akku-Schrauber) mit der Typennummer F0152528J2 finden Sie in der nachfolgenden Darstellung und im Dropdown zu Ihrer Auswahl:

Pos.
1
BOSCH Gehaeuse | Ersatzteile für 2528U2 | 2610908409
Hersteller: BOSCH
Artikelnummer: EB-F0152528J2-2610908409
nur Informationsartikel
Nie mehr lieferbar
keine Alternativen
Pos.
4
BOSCH Schalter | Ersatzteile für 2528U2 | 2610906480
Hersteller: BOSCH
Artikelnummer: EB-F0152528J2-2610906480
nur Informationsartikel
Nie mehr lieferbar
keine Alternativen
Pos.
22
BOSCH Schraube ST3,9x19 | Ersatzteile für 2528U2 | 2610315386
Hersteller: BOSCH
Artikelnummer: EB-F0152528J2-2610315386
Netto: 3,94 € zzgl. MwSt.
zzgl. 6,90 € Versand (brutto)
einmalig pro Bestellung

Lieferzeit: 5 Werktage

Pos.
24
BOSCH Halter | Ersatzteile für 2528U2 | 2610351046
Hersteller: BOSCH
Artikelnummer: EB-F0152528J2-2610351046
Netto: 4,61 € zzgl. MwSt.
zzgl. 6,90 € Versand (brutto)
einmalig pro Bestellung

Lieferzeit: 5 Werktage

Pos.
25
BOSCH Akku-Paket | Ersatzteile für 2528U2 | 2610357139
Hersteller: BOSCH
Artikelnummer: EB-F0152528J2-2610357139
nur Informationsartikel
Nie mehr lieferbar
keine Alternativen
Pos.
27
BOSCH Schraube | Ersatzteile für 2528U2 | 2610068005
Hersteller: BOSCH
Artikelnummer: EB-F0152528J2-2610068005
nur Informationsartikel
Nie mehr lieferbar
keine Alternativen
Pos.
28
BOSCH Bohrfutter | Ersatzteile für 2528U2 | 2610387213
Hersteller: BOSCH
Artikelnummer: EB-F0152528J2-2610387213
nur Informationsartikel
Nie mehr lieferbar
keine Alternativen
Pos.
30
BOSCH Achse | Ersatzteile für 2528U2 | 2610351024
Hersteller: BOSCH
Artikelnummer: EB-F0152528J2-2610351024
nur Informationsartikel
Nie mehr lieferbar
keine Alternativen
Pos.
31
BOSCH Scheibe | Ersatzteile für 2528U2 | 2610354729
Hersteller: BOSCH
Artikelnummer: EB-F0152528J2-2610354729
nur Informationsartikel
Nie mehr lieferbar
keine Alternativen
Pos.
32
BOSCH Lager | Ersatzteile für 2528U2 | 2610351033
Hersteller: BOSCH
Artikelnummer: EB-F0152528J2-2610351033
nur Informationsartikel
Nie mehr lieferbar
keine Alternativen
Pos.
35
BOSCH Distanzscheibe | Ersatzteile für 2528U2 | 2610351011
Hersteller: BOSCH
Artikelnummer: EB-F0152528J2-2610351011
Netto: 4,39 € zzgl. MwSt.
zzgl. 6,90 € Versand (brutto)
einmalig pro Bestellung

Lieferzeit: 5 Werktage

Pos.
36
BOSCH Feder | Ersatzteile für 2528U2 | 2610351030
Hersteller: BOSCH
Artikelnummer: EB-F0152528J2-2610351030
nur Informationsartikel
Nie mehr lieferbar
keine Alternativen
Pos.
37
BOSCH Haltering | Ersatzteile für 2528U2 | 2610931268
Hersteller: BOSCH
Artikelnummer: EB-F0152528J2-2610931268
nur Informationsartikel
Nie mehr lieferbar
keine Alternativen
Pos.
41
BOSCH Platte | Ersatzteile für 2528U2 | 2610351049
Hersteller: BOSCH
Artikelnummer: EB-F0152528J2-2610351049
Netto: 5,70 € zzgl. MwSt.
zzgl. 6,90 € Versand (brutto)
einmalig pro Bestellung

Lieferzeit: 5 Werktage

Pos.
43
BOSCH Platte | Ersatzteile für 2528U2 | 2610351048
Hersteller: BOSCH
Artikelnummer: EB-F0152528J2-2610351048
Netto: 5,21 € zzgl. MwSt.
zzgl. 6,90 € Versand (brutto)
einmalig pro Bestellung

Lieferzeit: 5 Werktage

Pos.
44
BOSCH Zahnrad | Ersatzteile für 2528U2 | 2610351016
Hersteller: BOSCH
Artikelnummer: EB-F0152528J2-2610351016
nur Informationsartikel
Nie mehr lieferbar
keine Alternativen
Pos.
45
BOSCH Zahnrad | Ersatzteile für 2528U2 | 2610908334
Hersteller: BOSCH
Artikelnummer: EB-F0152528J2-2610908334
nur Informationsartikel
Nie mehr lieferbar
keine Alternativen
Pos.
46
BOSCH Scheibe | Ersatzteile für 2528U2 | 2610351042
Hersteller: BOSCH
Artikelnummer: EB-F0152528J2-2610351042
Netto: 3,95 € zzgl. MwSt.
zzgl. 6,90 € Versand (brutto)
einmalig pro Bestellung

Lieferzeit: 5 Werktage

Pos.
47
BOSCH Schraube | Ersatzteile für 2528U2 | 2610315146
Hersteller: BOSCH
Artikelnummer: EB-F0152528J2-2610315146
Netto: 3,95 € zzgl. MwSt.
zzgl. 6,90 € Versand (brutto)
einmalig pro Bestellung

Lieferzeit: 5 Werktage

Pos.
48
BOSCH Verbindungsstück | Ersatzteile für 2528U2 | 2610351019
Hersteller: BOSCH
Artikelnummer: EB-F0152528J2-2610351019
nur Informationsartikel
Nie mehr lieferbar
keine Alternativen
Pos.
49
BOSCH Zahnrad | Ersatzteile für 2528U2 | 2610351015
Hersteller: BOSCH
Artikelnummer: EB-F0152528J2-2610351015
Netto: 3,95 € zzgl. MwSt.
zzgl. 6,90 € Versand (brutto)
einmalig pro Bestellung

Lieferzeit: 5 Werktage

Pos.
51
BOSCH Klinke | Ersatzteile für 2528U2 | 2610351018
Hersteller: BOSCH
Artikelnummer: EB-F0152528J2-2610351018
Netto: 4,61 € zzgl. MwSt.
zzgl. 6,90 € Versand (brutto)
einmalig pro Bestellung

Lieferzeit: 5 Werktage

Pos.
52
BOSCH Ladegerät GB 230/12V | Ersatzteile für 2528U2 | 2610910493
Hersteller: BOSCH
Artikelnummer: EB-F0152528J2-2610910493
nur Informationsartikel
Nie mehr lieferbar
keine Alternativen
Pos.
53
BOSCH Halter | Ersatzteile für 2528U2 | 2610351023
Hersteller: BOSCH
Artikelnummer: EB-F0152528J2-2610351023
nur Informationsartikel
Nie mehr lieferbar
keine Alternativen
Pos.
54
BOSCH Schlüssel | Ersatzteile für 2528U2 | 2610351010
Hersteller: BOSCH
Artikelnummer: EB-F0152528J2-2610351010
Netto: 7,66 € zzgl. MwSt.
zzgl. 6,90 € Versand (brutto)
einmalig pro Bestellung

Lieferzeit: 5 Werktage

Pos.
55
BOSCH Lager | Ersatzteile für 2528U2 | 2610351032
Hersteller: BOSCH
Artikelnummer: EB-F0152528J2-2610351032
nur Informationsartikel
Nie mehr lieferbar
keine Alternativen
Pos.
802
BOSCH Elektromotor 12V | Ersatzteile für 2528U2 | 2610353298
Hersteller: BOSCH
Artikelnummer: EB-F0152528J2-2610353298
nur Informationsartikel
Nie mehr lieferbar
keine Alternativen

Angaben zur Produktsicherheit

Hersteller:
Robert Bosch Power Tools GmbH
Postfach 30 02 20
70442 Stuttgart

E-Mail:
kontakt@bosch.de