BOSCH Torx-Senkschraube 3x16 | Ersatzteile für 26618 | 2609110201

Artikelnummer: EB-3601JA1010-2609110201

Position: 101

Marke: BOSCH


Bitte Kompatibilität prüfen!

Bitte prüfen Sie unbedingt die 10-stellige Typennummer Ihrer Maschine / Ihres Gerätes. Das Ersatzteil ist nur kompatibel, wenn Sie die Typennummer Ihrer Maschine in der unten stehenden Produktbeschreibung finden.

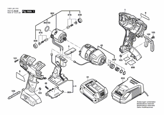
Bitte prüfen Sie ebenfalls detailliert die Explosionszeichnung mit Ihrem Artikelwunsch und der jeweiligen Pos-Nummer.

Alle Elemente, welche vom schwarzen Strich der Pos-Nummer ausgehend berührt / erfasst werden, gehören zu dieser Pos-Nummer und somit zu diesem Artikel. Jede Pos-Nummer ist ein eigenständiger Artikel, welchen Sie in der Auflistung finden.

Sie erhalten stets die aktuellste, neueste Produktversion zu der gewählten Pos-Nummer seitens des Herstellers. Es kann daher je nach Gerätealter vorkommen, dass Sie ggf. weitere, zugehörige Elemente, welche an diese Pos-Nummer grenzen, ebenfalls mittauschen müssen.

Nähere Informationen finden Sie unter dem Link
Hinweise zu Ihrer BOSCH Ersatzteilsuche

Preisübersicht

Einzelpreis: 4,36 €* (Brutto: 5,19 €)
Gesamtpreis: 4,36 €* 
Position:

Lieferzeit: 5 Werktage


Beschreibung

  • Torx-Senkschraube 3x16
  • Original Bosch Zubehör / BOSCH Ersatzteil (2609110201)
  • im Gerät verbaut: 1
Dieses BOSCH Ersatzteil ist mit folgendem Gerät und Modell kompatibel:
  • BOSCH Gerätename: 26618
  • BOSCH Explosionszeichnung: Position 101
  • BOSCH Typennummer: 3601JA1010
  • BOSCH Typennummer alternative Schreibweisen: 3 601 JA1 010, 3601 JA1 010, 3.601.JA1.010, 3-601-JA1-010
    Bitte prüfen Sie diese Typennummer auf Ihrem Gerät um die Kompatibilität des BOSCH Ersatzteils zu gewährleisten.
Weitere BOSCH Ersatzteile des Gerätes 26618 (Schlagschrauber) mit der Typennummer 3601JA1010 finden Sie in der nachfolgenden Darstellung und im Dropdown zu Ihrer Auswahl:

Pos.
1
BOSCH Gehäuse BLAU | Ersatzteile für 26618 | 2609100788
Hersteller: BOSCH
Artikelnummer: EB-3601JA1010-2609100788
Netto: 32,16 € zzgl. MwSt.
zzgl. 6,90 € Versand (brutto)
einmalig pro Bestellung

Lieferzeit: 5 Werktage

Pos.
802/33
BOSCH O-Ring | Ersatzteile für 26618 | 2609170104
Hersteller: BOSCH
Artikelnummer: EB-3601JA1010-2609170104
Netto: 3,60 € zzgl. MwSt.
zzgl. 6,90 € Versand (brutto)
einmalig pro Bestellung

Lieferzeit: 5 Werktage

Pos.
4
BOSCH EL-Baugruppe | Ersatzteile für 26618 | 1607233351
Hersteller: BOSCH
Artikelnummer: EB-3601JA1010-1607233351
Netto: 82,83 € zzgl. MwSt.
zzgl. 6,90 € Versand (brutto)
einmalig pro Bestellung

Lieferzeit: 5 Werktage

Pos.
5
BOSCH Taste | Ersatzteile für 26618 | 2609100698
Hersteller: BOSCH
Artikelnummer: EB-3601JA1010-2609100698
Netto: 4,80 € zzgl. MwSt.
zzgl. 6,90 € Versand (brutto)
einmalig pro Bestellung

Lieferzeit: 5 Werktage

Pos.
8
BOSCH Warnzettel | Ersatzteile für 26618 | 2609132444
Hersteller: BOSCH
Artikelnummer: EB-3601JA1010-2609132444
Netto: 4,80 € zzgl. MwSt.
zzgl. 6,90 € Versand (brutto)
einmalig pro Bestellung

Lieferzeit: 5 Werktage

Pos.
9
BOSCH Firmenschild | Ersatzteile für 26618 | 2609132427
Hersteller: BOSCH
Artikelnummer: EB-3601JA1010-2609132427
nur Informationsartikel
Nie mehr lieferbar
keine Alternativen
Pos.
10
BOSCH Hinweisschild | Ersatzteile für 26618 | 2609132615
Hersteller: BOSCH
Artikelnummer: EB-3601JA1010-2609132615
Netto: 4,56 € zzgl. MwSt.
zzgl. 6,90 € Versand (brutto)
einmalig pro Bestellung

Lieferzeit: 5 Werktage

Pos.
45
BOSCH Getriebekasten | Ersatzteile für 26618 | 2609199254
Hersteller: BOSCH
Artikelnummer: EB-3601JA1010-2609199254
Netto: 101,78 € zzgl. MwSt.
zzgl. 6,90 € Versand (brutto)
einmalig pro Bestellung

Lieferzeit: 5 Werktage

Pos.
46
BOSCH Druckfeder | Ersatzteile für 26618 | 1609280477
Hersteller: BOSCH
Artikelnummer: EB-3601JA1010-1609280477
Netto: 3,94 € zzgl. MwSt.
zzgl. 6,90 € Versand (brutto)
einmalig pro Bestellung

Lieferzeit: 5 Werktage

Pos.
91
BOSCH Akku-Paket BAT611 18V 1.5AH LI SCM | Ersatzteile für 26618 | 1607A350C0
Hersteller: BOSCH
Artikelnummer: EB-3601JA1010-1607A350C0
nur Informationsartikel
Nie mehr lieferbar
keine Alternativen
Pos.
91
BOSCH Akku-Paket USA BAT620 18V 4,0Ah | Ersatzteile für 26618 | 2607336819
Hersteller: BOSCH
Artikelnummer: EB-3601JA1010-2607336819
Netto: 150,24 € zzgl. MwSt.
zzgl. 6,90 € Versand (brutto)
einmalig pro Bestellung

Lieferzeit: 5 Werktage

Pos.
91
BOSCH Einschub-Akkupaket 18V, 1,3Ah, LI | Ersatzteile für 26618 | 2607336323
Hersteller: BOSCH
Artikelnummer: EB-3601JA1010-2607336323
Netto: 47,82 € zzgl. MwSt.
zzgl. 6,90 € Versand (brutto)
einmalig pro Bestellung

Lieferzeit: 5 Werktage

Pos.
100
BOSCH Geräteclip | Ersatzteile für 26618 | 2609110833
Hersteller: BOSCH
Artikelnummer: EB-3601JA1010-2609110833
Netto: 9,05 € zzgl. MwSt.
zzgl. 6,90 € Versand (brutto)
einmalig pro Bestellung

Lieferzeit: 5 Werktage

Pos.
101
BOSCH Torx-Senkschraube 3x16 | Ersatzteile für 26618 | 2609110201
Hersteller: BOSCH
Artikelnummer: EB-3601JA1010-2609110201
Netto: 4,36 € zzgl. MwSt.
zzgl. 6,90 € Versand (brutto)
einmalig pro Bestellung

Lieferzeit: 5 Werktage

Pos.
103
BOSCH Mutter | Ersatzteile für 26618 | 2609110835
Hersteller: BOSCH
Artikelnummer: EB-3601JA1010-2609110835
Netto: 3,94 € zzgl. MwSt.
zzgl. 6,90 € Versand (brutto)
einmalig pro Bestellung

Lieferzeit: 5 Werktage

Pos.
105
BOSCH Schraube | Ersatzteile für 26618 | 2609110834
Hersteller: BOSCH
Artikelnummer: EB-3601JA1010-2609110834
Netto: 3,94 € zzgl. MwSt.
zzgl. 6,90 € Versand (brutto)
einmalig pro Bestellung

Lieferzeit: 5 Werktage

Pos.
109
BOSCH Schrauberklinge | Ersatzteile für 26618 | 2609110343
Hersteller: BOSCH
Artikelnummer: EB-3601JA1010-2609110343
nur Informationsartikel
Nie mehr lieferbar
keine Alternativen
Pos.
653
BOSCH Ladegerät USA BC 1880 CV 13,3-18V/120V | Ersatzteile für 26618 | 2607225927
Hersteller: BOSCH
Artikelnummer: EB-3601JA1010-2607225927
nur Informationsartikel
Nie mehr lieferbar
keine Alternativen
Pos.
802
BOSCH Gleichstrommotor 18V | Ersatzteile für 26618 | 2609199263
Hersteller: BOSCH
Artikelnummer: EB-3601JA1010-2609199263
Netto: 61,64 € zzgl. MwSt.
zzgl. 6,90 € Versand (brutto)
einmalig pro Bestellung

Lieferzeit: 5 Werktage

Pos.
804
BOSCH Kontakthalter | Ersatzteile für 26618 | 1609280478
Hersteller: BOSCH
Artikelnummer: EB-3601JA1010-1609280478
Netto: 10,62 € zzgl. MwSt.
zzgl. 6,90 € Versand (brutto)
einmalig pro Bestellung

Lieferzeit: 5 Werktage

Pos.
808
BOSCH Typschild | Ersatzteile für 26618 | 2609132419
Hersteller: BOSCH
Artikelnummer: EB-3601JA1010-2609132419
nur Informationsartikel
Nie mehr lieferbar
keine Alternativen
Pos.
816
BOSCH Kohlebürstensatz | Ersatzteile für 26618 | 2609199169
Hersteller: BOSCH
Artikelnummer: EB-3601JA1010-2609199169
Netto: 9,05 € zzgl. MwSt.
zzgl. 6,90 € Versand (brutto)
einmalig pro Bestellung

Lieferzeit: 5 Werktage

Pos.
848
BOSCH Bürstendeckel | Ersatzteile für 26618 | 2609199190
Hersteller: BOSCH
Artikelnummer: EB-3601JA1010-2609199190
Netto: 5,17 € zzgl. MwSt.
zzgl. 6,90 € Versand (brutto)
einmalig pro Bestellung

Lieferzeit: 5 Werktage

Pos.
849
BOSCH Bohrhalter | Ersatzteile für 26618 | 2609199223
Hersteller: BOSCH
Artikelnummer: EB-3601JA1010-2609199223
Netto: 9,75 € zzgl. MwSt.
zzgl. 6,90 € Versand (brutto)
einmalig pro Bestellung

Lieferzeit: 5 Werktage

Angaben zur Produktsicherheit

Hersteller:
Robert Bosch Power Tools GmbH
Postfach 30 02 20
70442 Stuttgart

E-Mail:
kontakt@bosch.de