BOSCH Flansch | Ersatzteile für 2745 | 2610967692

Artikelnummer: EB-F0152745J1-2610967692

Position: 45/3

Marke: BOSCH


Bitte Kompatibilität prüfen!

Bitte prüfen Sie unbedingt die 10-stellige Typennummer Ihrer Maschine / Ihres Gerätes. Das Ersatzteil ist nur kompatibel, wenn Sie die Typennummer Ihrer Maschine in der unten stehenden Produktbeschreibung finden.

Bitte prüfen Sie ebenfalls detailliert die Explosionszeichnung mit Ihrem Artikelwunsch und der jeweiligen Pos-Nummer.

Alle Elemente, welche vom schwarzen Strich der Pos-Nummer ausgehend berührt / erfasst werden, gehören zu dieser Pos-Nummer und somit zu diesem Artikel. Jede Pos-Nummer ist ein eigenständiger Artikel, welchen Sie in der Auflistung finden.

Sie erhalten stets die aktuellste, neueste Produktversion zu der gewählten Pos-Nummer seitens des Herstellers. Es kann daher je nach Gerätealter vorkommen, dass Sie ggf. weitere, zugehörige Elemente, welche an diese Pos-Nummer grenzen, ebenfalls mittauschen müssen.

Nähere Informationen finden Sie unter dem Link
Hinweise zu Ihrer BOSCH Ersatzteilsuche

Preisübersicht

Einzelpreis: 4,61 €* (Brutto: 5,49 €)
Gesamtpreis: 4,61 €* 
Position:

Lieferzeit: 5 Werktage


Beschreibung

  • Flansch
  • Original Bosch Zubehör / BOSCH Ersatzteil (2610967692)
  • im Gerät verbaut: 1
Dieses BOSCH Ersatzteil ist mit folgendem Gerät und Modell kompatibel:
  • BOSCH Gerätename: 2745
  • BOSCH Explosionszeichnung: Position 45/3
  • BOSCH Typennummer: F0152745J1
  • BOSCH Typennummer alternative Schreibweisen: F 015 274 5J1, F015 274 5J1, F.015.274.5J1, F-015-274-5J1
    Bitte prüfen Sie diese Typennummer auf Ihrem Gerät um die Kompatibilität des BOSCH Ersatzteils zu gewährleisten.
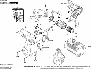
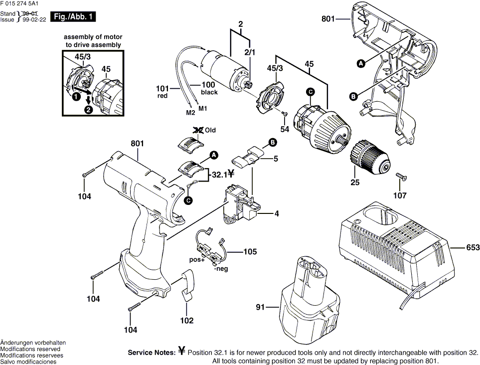
Weitere BOSCH Ersatzteile des Gerätes 2745 (Gw-Akku-Schrauber) mit der Typennummer F0152745J1 finden Sie in der nachfolgenden Darstellung und im Dropdown zu Ihrer Auswahl:

Pos.
2/1
BOSCH Ritzel Z=12 | Ersatzteile für 2745 | 2610967116
Hersteller: BOSCH
Artikelnummer: EB-F0152745J1-2610967116
Netto: 5,17 € zzgl. MwSt.
zzgl. 6,90 € Versand (brutto)
einmalig pro Bestellung

Lieferzeit: 5 Werktage

Pos.
32/1
BOSCH Verstellschieber | Ersatzteile für 2745 | 2610910668
Hersteller: BOSCH
Artikelnummer: EB-F0152745J1-2610910668
Netto: 7,26 € zzgl. MwSt.
zzgl. 6,90 € Versand (brutto)
einmalig pro Bestellung

Lieferzeit: 5 Werktage

Pos.
45/3
BOSCH Flansch | Ersatzteile für 2745 | 2610967692
Hersteller: BOSCH
Artikelnummer: EB-F0152745J1-2610967692
Netto: 4,61 € zzgl. MwSt.
zzgl. 6,90 € Versand (brutto)
einmalig pro Bestellung

Lieferzeit: 5 Werktage

Pos.
2
BOSCH Motor | Ersatzteile für 2745 | 2610967610
Hersteller: BOSCH
Artikelnummer: EB-F0152745J1-2610967610
nur Informationsartikel
Nie mehr lieferbar
keine Alternativen
Pos.
4
BOSCH Schalter-Set | Ersatzteile für 2745 | 2610967626
Hersteller: BOSCH
Artikelnummer: EB-F0152745J1-2610967626
nur Informationsartikel
Nie mehr lieferbar
keine Alternativen
Pos.
5
BOSCH Umschalter SCHWARZ | Ersatzteile für 2745 | 2610967639
Hersteller: BOSCH
Artikelnummer: EB-F0152745J1-2610967639
Netto: 4,56 € zzgl. MwSt.
zzgl. 6,90 € Versand (brutto)
einmalig pro Bestellung

Lieferzeit: 5 Werktage

Pos.
25
BOSCH Schnellspannbohrfutter | Ersatzteile für 2745 | 2608572214
Hersteller: BOSCH
Artikelnummer: EB-F0152745J1-2608572214
nur Informationsartikel
Nie mehr lieferbar
keine Alternativen
Pos.
45
BOSCH Antrieb | Ersatzteile für 2745 | 2610995858
Hersteller: BOSCH
Artikelnummer: EB-F0152745J1-2610995858
nur Informationsartikel
Nie mehr lieferbar
keine Alternativen
Pos.
54
BOSCH Schraube | Ersatzteile für 2745 | 2610967115
Hersteller: BOSCH
Artikelnummer: EB-F0152745J1-2610967115
nur Informationsartikel
Nie mehr lieferbar
keine Alternativen
Pos.
91
BOSCH Akku-Paket 1,3A | Ersatzteile für 2745 | 2610910938
Hersteller: BOSCH
Artikelnummer: EB-F0152745J1-2610910938
nur Informationsartikel
Nie mehr lieferbar
keine Alternativen
Pos.
91
BOSCH Akku-Paket 1,7A | Ersatzteile für 2745 | 2610910937
Hersteller: BOSCH
Artikelnummer: EB-F0152745J1-2610910937
nur Informationsartikel
Nie mehr lieferbar
keine Alternativen
Pos.
100
BOSCH Draht SCHWARZ | Ersatzteile für 2745 | 2610967634
Hersteller: BOSCH
Artikelnummer: EB-F0152745J1-2610967634
Netto: 3,95 € zzgl. MwSt.
zzgl. 6,90 € Versand (brutto)
einmalig pro Bestellung

Lieferzeit: 5 Werktage

Pos.
101
BOSCH Draht ROT | Ersatzteile für 2745 | 2610967635
Hersteller: BOSCH
Artikelnummer: EB-F0152745J1-2610967635
nur Informationsartikel
Nie mehr lieferbar
keine Alternativen
Pos.
102
BOSCH Klinke | Ersatzteile für 2745 | 2610351018
Hersteller: BOSCH
Artikelnummer: EB-F0152745J1-2610351018
Netto: 4,61 € zzgl. MwSt.
zzgl. 6,90 € Versand (brutto)
einmalig pro Bestellung

Lieferzeit: 5 Werktage

Pos.
104
BOSCH Schraube SCHWARZ | Ersatzteile für 2745 | 2610909719
Hersteller: BOSCH
Artikelnummer: EB-F0152745J1-2610909719
Netto: 3,94 € zzgl. MwSt.
zzgl. 6,90 € Versand (brutto)
einmalig pro Bestellung

Lieferzeit: 5 Werktage

Pos.
105
BOSCH Verbinder | Ersatzteile für 2745 | 2610910986
Hersteller: BOSCH
Artikelnummer: EB-F0152745J1-2610910986
nur Informationsartikel
Nie mehr lieferbar
keine Alternativen
Pos.
107
BOSCH Senkschraube M5x20 | Ersatzteile für 2745 | 2609110721
Hersteller: BOSCH
Artikelnummer: EB-F0152745J1-2609110721
Netto: 4,36 € zzgl. MwSt.
zzgl. 6,90 € Versand (brutto)
einmalig pro Bestellung

Lieferzeit: 5 Werktage

Pos.
653
BOSCH Ladegerät 230V | Ersatzteile für 2745 | 2610385474
Hersteller: BOSCH
Artikelnummer: EB-F0152745J1-2610385474
nur Informationsartikel
Nie mehr lieferbar
keine Alternativen
Pos.
653
BOSCH Ladegerät GB 230/12V | Ersatzteile für 2745 | 2610910493
Hersteller: BOSCH
Artikelnummer: EB-F0152745J1-2610910493
nur Informationsartikel
Nie mehr lieferbar
keine Alternativen
Pos.
801
BOSCH Motorgehäuse | Ersatzteile für 2745 | 2610910680
Hersteller: BOSCH
Artikelnummer: EB-F0152745J1-2610910680
nur Informationsartikel
Nie mehr lieferbar
keine Alternativen

Angaben zur Produktsicherheit

Hersteller:
Robert Bosch Power Tools GmbH
Postfach 30 02 20
70442 Stuttgart

E-Mail:
kontakt@bosch.de