BOSCH Polschuh 120V | Ersatzteile für 275 | 2610907324

Artikelnummer: EB-F013027508-2610907324

Position: 802

Marke: BOSCH


Bitte Kompatibilität prüfen!

Bitte prüfen Sie unbedingt die 10-stellige Typennummer Ihrer Maschine / Ihres Gerätes. Das Ersatzteil ist nur kompatibel, wenn Sie die Typennummer Ihrer Maschine in der unten stehenden Produktbeschreibung finden.

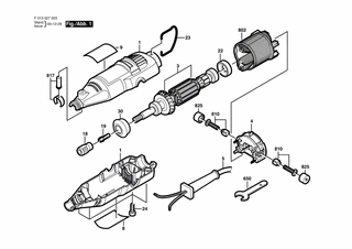
Bitte prüfen Sie ebenfalls detailliert die Explosionszeichnung mit Ihrem Artikelwunsch und der jeweiligen Pos-Nummer.

Alle Elemente, welche vom schwarzen Strich der Pos-Nummer ausgehend berührt / erfasst werden, gehören zu dieser Pos-Nummer und somit zu diesem Artikel. Jede Pos-Nummer ist ein eigenständiger Artikel, welchen Sie in der Auflistung finden.

Sie erhalten stets die aktuellste, neueste Produktversion zu der gewählten Pos-Nummer seitens des Herstellers. Es kann daher je nach Gerätealter vorkommen, dass Sie ggf. weitere, zugehörige Elemente, welche an diese Pos-Nummer grenzen, ebenfalls mittauschen müssen.

Nähere Informationen finden Sie unter dem Link
Hinweise zu Ihrer BOSCH Ersatzteilsuche

Preisübersicht

Einzelpreis: 14,36 €* (Brutto: 17,09 €)
Gesamtpreis: 14,36 €* 
Position:

Lieferzeit: 5 Werktage


Beschreibung

  • Polschuh 120V
  • Original Bosch Zubehör / BOSCH Ersatzteil (2610907324)
  • im Gerät verbaut: 1
Dieses BOSCH Ersatzteil ist mit folgendem Gerät und Modell kompatibel:
  • BOSCH Gerätename: 275
  • BOSCH Explosionszeichnung: Position 802
  • BOSCH Typennummer: F013027508
  • BOSCH Typennummer alternative Schreibweisen: F 013 027 508, F013 027 508, F.013.027.508, F-013-027-508
    Bitte prüfen Sie diese Typennummer auf Ihrem Gerät um die Kompatibilität des BOSCH Ersatzteils zu gewährleisten.
Weitere BOSCH Ersatzteile des Gerätes 275 (Multifunktionswerkzeug) mit der Typennummer F013027508 finden Sie in der nachfolgenden Darstellung und im Dropdown zu Ihrer Auswahl:

Pos.
1
BOSCH Gehäuseschale | Ersatzteile für 275 | 2615297374
Hersteller: BOSCH
Artikelnummer: EB-F013027508-2615297374
nur Informationsartikel
Nie mehr lieferbar
keine Alternativen
Pos.
3
BOSCH Anker 120V | Ersatzteile für 275 | 2610941200
Hersteller: BOSCH
Artikelnummer: EB-F013027508-2610941200
nur Informationsartikel
Nie mehr lieferbar
keine Alternativen
Pos.
4
BOSCH Flachschalter | Ersatzteile für 275 | 2610912826
Hersteller: BOSCH
Artikelnummer: EB-F013027508-2610912826
nur Informationsartikel
Nie mehr lieferbar
keine Alternativen
Pos.
5
BOSCH Netzanschlussleitung | Ersatzteile für 275 | 2615294041
Hersteller: BOSCH
Artikelnummer: EB-F013027508-2615294041
Netto: 12,50 € zzgl. MwSt.
zzgl. 6,90 € Versand (brutto)
einmalig pro Bestellung

Lieferzeit: 5 Werktage

Pos.
8
BOSCH Firmenschild | Ersatzteile für 275 | 2610920740
Hersteller: BOSCH
Artikelnummer: EB-F013027508-2610920740
nur Informationsartikel
Nie mehr lieferbar
keine Alternativen
Pos.
9
BOSCH Hinweisschild | Ersatzteile für 275 | 2610912794
Hersteller: BOSCH
Artikelnummer: EB-F013027508-2610912794
nur Informationsartikel
Nie mehr lieferbar
keine Alternativen
Pos.
18
BOSCH Mutter | Ersatzteile für 275 | 2610014582
Hersteller: BOSCH
Artikelnummer: EB-F013027508-2610014582
Netto: 4,36 € zzgl. MwSt.
zzgl. 6,90 € Versand (brutto)
einmalig pro Bestellung

Lieferzeit: 5 Werktage

Pos.
19
BOSCH Schraubhülse 1/8" | Ersatzteile für 275 | 2615110480
Hersteller: BOSCH
Artikelnummer: EB-F013027508-2615110480
Netto: 5,17 € zzgl. MwSt.
zzgl. 6,90 € Versand (brutto)
einmalig pro Bestellung

Lieferzeit: 5 Werktage

Pos.
22
BOSCH Isolator | Ersatzteile für 275 | 2615297373
Hersteller: BOSCH
Artikelnummer: EB-F013027508-2615297373
Netto: 3,94 € zzgl. MwSt.
zzgl. 6,90 € Versand (brutto)
einmalig pro Bestellung

Lieferzeit: 5 Werktage

Pos.
23
BOSCH Halteklammer | Ersatzteile für 275 | 2615294043
Hersteller: BOSCH
Artikelnummer: EB-F013027508-2615294043
Netto: 5,17 € zzgl. MwSt.
zzgl. 6,90 € Versand (brutto)
einmalig pro Bestellung

Lieferzeit: 5 Werktage

Pos.
24
BOSCH Kreuzschlitzschraube | Ersatzteile für 275 | 2615294035
Hersteller: BOSCH
Artikelnummer: EB-F013027508-2615294035
Netto: 3,94 € zzgl. MwSt.
zzgl. 6,90 € Versand (brutto)
einmalig pro Bestellung

Lieferzeit: 5 Werktage

Pos.
30
BOSCH Haltering | Ersatzteile für 275 | 2615294028
Hersteller: BOSCH
Artikelnummer: EB-F013027508-2615294028
nur Informationsartikel
Nie mehr lieferbar
keine Alternativen
Pos.
650
BOSCH Bohrfutterschlüssel | Ersatzteile für 275 | 2610930692
Hersteller: BOSCH
Artikelnummer: EB-F013027508-2610930692
nur Informationsartikel
Nie mehr lieferbar
keine Alternativen
Pos.
802
BOSCH Polschuh 120V | Ersatzteile für 275 | 2610907324
Hersteller: BOSCH
Artikelnummer: EB-F013027508-2610907324
Netto: 13,81 € zzgl. MwSt.
zzgl. 6,90 € Versand (brutto)
einmalig pro Bestellung

Lieferzeit: 5 Werktage

Pos.
810
BOSCH Bürstenfedernsatz | Ersatzteile für 275 | 2610006477
Hersteller: BOSCH
Artikelnummer: EB-F013027508-2610006477
nur Informationsartikel
Nie mehr lieferbar
keine Alternativen
Pos.
817
BOSCH Teilesatz | Ersatzteile für 275 | 2615297356
Hersteller: BOSCH
Artikelnummer: EB-F013027508-2615297356
Netto: 4,56 € zzgl. MwSt.
zzgl. 6,90 € Versand (brutto)
einmalig pro Bestellung

Lieferzeit: 5 Werktage

Pos.
825
BOSCH Verschlusskappe | Ersatzteile für 275 | 2610913683
Hersteller: BOSCH
Artikelnummer: EB-F013027508-2610913683
Netto: 5,65 € zzgl. MwSt.
zzgl. 6,90 € Versand (brutto)
einmalig pro Bestellung

Lieferzeit: 5 Werktage

Angaben zur Produktsicherheit

Hersteller:
Robert Bosch Power Tools GmbH
Postfach 30 02 20
70442 Stuttgart

E-Mail:
kontakt@bosch.de