BOSCH Akku-Paket | Ersatzteile für 2976U2 | 2610910474

Artikelnummer: EB-F0152976J2-2610910474

Position: 23

Marke: BOSCH


Bitte Kompatibilität prüfen!

Bitte prüfen Sie unbedingt die 10-stellige Typennummer Ihrer Maschine / Ihres Gerätes. Das Ersatzteil ist nur kompatibel, wenn Sie die Typennummer Ihrer Maschine in der unten stehenden Produktbeschreibung finden.

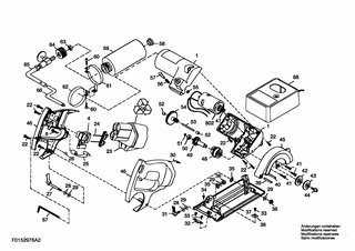
Bitte prüfen Sie ebenfalls detailliert die Explosionszeichnung mit Ihrem Artikelwunsch und der jeweiligen Pos-Nummer.

Alle Elemente, welche vom schwarzen Strich der Pos-Nummer ausgehend berührt / erfasst werden, gehören zu dieser Pos-Nummer und somit zu diesem Artikel. Jede Pos-Nummer ist ein eigenständiger Artikel, welchen Sie in der Auflistung finden.

Sie erhalten stets die aktuellste, neueste Produktversion zu der gewählten Pos-Nummer seitens des Herstellers. Es kann daher je nach Gerätealter vorkommen, dass Sie ggf. weitere, zugehörige Elemente, welche an diese Pos-Nummer grenzen, ebenfalls mittauschen müssen.

Nähere Informationen finden Sie unter dem Link
Hinweise zu Ihrer BOSCH Ersatzteilsuche

Preisübersicht

Einzelpreis: 82,83 €* (Brutto: 98,57 €)
Gesamtpreis: 82,83 €* 
Position:

Lieferzeit: 5 Werktage


Beschreibung

  • Akku-Paket
  • Original Bosch Zubehör / BOSCH Ersatzteil (2610910474)
  • im Gerät verbaut: 1
Dieses BOSCH Ersatzteil ist mit folgendem Gerät und Modell kompatibel:
  • BOSCH Gerätename: 2976U2
  • BOSCH Explosionszeichnung: Position 23
  • BOSCH Typennummer: F0152976J2
  • BOSCH Typennummer alternative Schreibweisen: F 015 297 6J2, F015 297 6J2, F.015.297.6J2, F-015-297-6J2
    Bitte prüfen Sie diese Typennummer auf Ihrem Gerät um die Kompatibilität des BOSCH Ersatzteils zu gewährleisten.
Weitere BOSCH Ersatzteile des Gerätes 2976U2 (Gw-Schattenfugenfraese) mit der Typennummer F0152976J2 finden Sie in der nachfolgenden Darstellung und im Dropdown zu Ihrer Auswahl:

Pos.
1
BOSCH Gehäuse | Ersatzteile für 2976U2 | 2610905353
Hersteller: BOSCH
Artikelnummer: EB-F0152976J2-2610905353
nur Informationsartikel
Nie mehr lieferbar
keine Alternativen
Pos.
4
BOSCH Schalter | Ersatzteile für 2976U2 | 2610357554
Hersteller: BOSCH
Artikelnummer: EB-F0152976J2-2610357554
nur Informationsartikel
Nie mehr lieferbar
keine Alternativen
Pos.
22
BOSCH Schraube | Ersatzteile für 2976U2 | 2610350996
Hersteller: BOSCH
Artikelnummer: EB-F0152976J2-2610350996
nur Informationsartikel
Nie mehr lieferbar
keine Alternativen
Pos.
23
BOSCH Akku-Paket | Ersatzteile für 2976U2 | 2610910474
Hersteller: BOSCH
Artikelnummer: EB-F0152976J2-2610910474
Netto: 78,35 € zzgl. MwSt.
zzgl. 6,90 € Versand (brutto)
einmalig pro Bestellung

Lieferzeit: 5 Werktage

Pos.
24
BOSCH Verbindungsstück | Ersatzteile für 2976U2 | 2610356542
Hersteller: BOSCH
Artikelnummer: EB-F0152976J2-2610356542
nur Informationsartikel
Nie mehr lieferbar
keine Alternativen
Pos.
25
BOSCH Klinke | Ersatzteile für 2976U2 | 2610351018
Hersteller: BOSCH
Artikelnummer: EB-F0152976J2-2610351018
Netto: 4,61 € zzgl. MwSt.
zzgl. 6,90 € Versand (brutto)
einmalig pro Bestellung

Lieferzeit: 5 Werktage

Pos.
26
BOSCH Stopfen | Ersatzteile für 2976U2 | 2610028780
Hersteller: BOSCH
Artikelnummer: EB-F0152976J2-2610028780
Netto: 3,93 € zzgl. MwSt.
zzgl. 6,90 € Versand (brutto)
einmalig pro Bestellung

Lieferzeit: 5 Werktage

Pos.
27
BOSCH Hebel | Ersatzteile für 2976U2 | 2610357562
Hersteller: BOSCH
Artikelnummer: EB-F0152976J2-2610357562
nur Informationsartikel
Nie mehr lieferbar
keine Alternativen
Pos.
28
BOSCH Federscheibe | Ersatzteile für 2976U2 | 2610357558
Hersteller: BOSCH
Artikelnummer: EB-F0152976J2-2610357558
nur Informationsartikel
Nie mehr lieferbar
keine Alternativen
Pos.
29
BOSCH Scheibe | Ersatzteile für 2976U2 | 2610356519
Hersteller: BOSCH
Artikelnummer: EB-F0152976J2-2610356519
nur Informationsartikel
Nie mehr lieferbar
keine Alternativen
Pos.
30
BOSCH Halter | Ersatzteile für 2976U2 | 2610351046
Hersteller: BOSCH
Artikelnummer: EB-F0152976J2-2610351046
Netto: 4,61 € zzgl. MwSt.
zzgl. 6,90 € Versand (brutto)
einmalig pro Bestellung

Lieferzeit: 5 Werktage

Pos.
31
BOSCH Hebel | Ersatzteile für 2976U2 | 2610357561
Hersteller: BOSCH
Artikelnummer: EB-F0152976J2-2610357561
nur Informationsartikel
Nie mehr lieferbar
keine Alternativen
Pos.
32
BOSCH Einstellplatte | Ersatzteile für 2976U2 | 2610357595
Hersteller: BOSCH
Artikelnummer: EB-F0152976J2-2610357595
nur Informationsartikel
Nie mehr lieferbar
keine Alternativen
Pos.
33
BOSCH Schraube | Ersatzteile für 2976U2 | 2610357582
Hersteller: BOSCH
Artikelnummer: EB-F0152976J2-2610357582
nur Informationsartikel
Nie mehr lieferbar
keine Alternativen
Pos.
34
BOSCH Schraube | Ersatzteile für 2976U2 | 2610357583
Hersteller: BOSCH
Artikelnummer: EB-F0152976J2-2610357583
nur Informationsartikel
Nie mehr lieferbar
keine Alternativen
Pos.
35
BOSCH Scheibe | Ersatzteile für 2976U2 | 2610026248
Hersteller: BOSCH
Artikelnummer: EB-F0152976J2-2610026248
nur Informationsartikel
Nie mehr lieferbar
keine Alternativen
Pos.
36
BOSCH Mutter | Ersatzteile für 2976U2 | 2610345392
Hersteller: BOSCH
Artikelnummer: EB-F0152976J2-2610345392
nur Informationsartikel
Nie mehr lieferbar
keine Alternativen
Pos.
37
BOSCH Fuss | Ersatzteile für 2976U2 | 2610904845
Hersteller: BOSCH
Artikelnummer: EB-F0152976J2-2610904845
nur Informationsartikel
Nie mehr lieferbar
keine Alternativen
Pos.
38
BOSCH Stütze | Ersatzteile für 2976U2 | 2610357556
Hersteller: BOSCH
Artikelnummer: EB-F0152976J2-2610357556
nur Informationsartikel
Nie mehr lieferbar
keine Alternativen
Pos.
39
BOSCH Stift | Ersatzteile für 2976U2 | 2610356524
Hersteller: BOSCH
Artikelnummer: EB-F0152976J2-2610356524
nur Informationsartikel
Nie mehr lieferbar
keine Alternativen
Pos.
40
BOSCH Stift | Ersatzteile für 2976U2 | 2610357581
Hersteller: BOSCH
Artikelnummer: EB-F0152976J2-2610357581
nur Informationsartikel
Nie mehr lieferbar
keine Alternativen
Pos.
41
BOSCH Schraube | Ersatzteile für 2976U2 | 2610356513
Hersteller: BOSCH
Artikelnummer: EB-F0152976J2-2610356513
nur Informationsartikel
Nie mehr lieferbar
keine Alternativen
Pos.
42
BOSCH Innenscheibe | Ersatzteile für 2976U2 | 2610356506
Hersteller: BOSCH
Artikelnummer: EB-F0152976J2-2610356506
nur Informationsartikel
Nie mehr lieferbar
keine Alternativen
Pos.
43
BOSCH Flansch | Ersatzteile für 2976U2 | 2610357591
Hersteller: BOSCH
Artikelnummer: EB-F0152976J2-2610357591
nur Informationsartikel
Nie mehr lieferbar
keine Alternativen
Pos.
44
BOSCH Schraube | Ersatzteile für 2976U2 | 2610357589
Hersteller: BOSCH
Artikelnummer: EB-F0152976J2-2610357589
nur Informationsartikel
Nie mehr lieferbar
keine Alternativen
Pos.
45
BOSCH Schutzkappe | Ersatzteile für 2976U2 | 2610906494
Hersteller: BOSCH
Artikelnummer: EB-F0152976J2-2610906494
nur Informationsartikel
Nie mehr lieferbar
keine Alternativen
Pos.
46
BOSCH Handgriff-Set | Ersatzteile für 2976U2 | 2610905350
Hersteller: BOSCH
Artikelnummer: EB-F0152976J2-2610905350
nur Informationsartikel
Nie mehr lieferbar
keine Alternativen
Pos.
47
BOSCH Ritzel | Ersatzteile für 2976U2 | 2610350962
Hersteller: BOSCH
Artikelnummer: EB-F0152976J2-2610350962
Netto: 0,95 € zzgl. MwSt.
zzgl. 6,90 € Versand (brutto)
einmalig pro Bestellung

Lieferzeit: 5 Werktage

Pos.
48
BOSCH Lagerdeckel | Ersatzteile für 2976U2 | 2610356539
Hersteller: BOSCH
Artikelnummer: EB-F0152976J2-2610356539
nur Informationsartikel
Nie mehr lieferbar
keine Alternativen
Pos.
49
BOSCH Getriebe | Ersatzteile für 2976U2 | 2610356536
Hersteller: BOSCH
Artikelnummer: EB-F0152976J2-2610356536
Netto: 13,45 € zzgl. MwSt.
zzgl. 6,90 € Versand (brutto)
einmalig pro Bestellung

Lieferzeit: 5 Werktage

Pos.
50
BOSCH Lager | Ersatzteile für 2976U2 | 2615294300
Hersteller: BOSCH
Artikelnummer: EB-F0152976J2-2615294300
nur Informationsartikel
Nie mehr lieferbar
keine Alternativen
Pos.
51
BOSCH Ring | Ersatzteile für 2976U2 | 2610356520
Hersteller: BOSCH
Artikelnummer: EB-F0152976J2-2610356520
nur Informationsartikel
Nie mehr lieferbar
keine Alternativen
Pos.
52
BOSCH Lager | Ersatzteile für 2976U2 | 2610327762
Hersteller: BOSCH
Artikelnummer: EB-F0152976J2-2610327762
nur Informationsartikel
Nie mehr lieferbar
keine Alternativen
Pos.
53
BOSCH Stift | Ersatzteile für 2976U2 | 2610356527
Hersteller: BOSCH
Artikelnummer: EB-F0152976J2-2610356527
nur Informationsartikel
Nie mehr lieferbar
keine Alternativen
Pos.
54
BOSCH Zahnrad | Ersatzteile für 2976U2 | 2610356510
Hersteller: BOSCH
Artikelnummer: EB-F0152976J2-2610356510
nur Informationsartikel
Nie mehr lieferbar
keine Alternativen
Pos.
55
BOSCH Ring | Ersatzteile für 2976U2 | 2610021862
Hersteller: BOSCH
Artikelnummer: EB-F0152976J2-2610021862
Netto: 3,93 € zzgl. MwSt.
zzgl. 6,90 € Versand (brutto)
einmalig pro Bestellung

Lieferzeit: 5 Werktage

Pos.
56
BOSCH Feder | Ersatzteile für 2976U2 | 1619P01531
Hersteller: BOSCH
Artikelnummer: EB-F0152976J2-1619P01531
nur Informationsartikel
Nie mehr lieferbar
keine Alternativen
Pos.
57
BOSCH Stopfen | Ersatzteile für 2976U2 | 2610356516
Hersteller: BOSCH
Artikelnummer: EB-F0152976J2-2610356516
nur Informationsartikel
Nie mehr lieferbar
keine Alternativen
Pos.
58
BOSCH Stopfen | Ersatzteile für 2976U2 | 2610357560
Hersteller: BOSCH
Artikelnummer: EB-F0152976J2-2610357560
nur Informationsartikel
Nie mehr lieferbar
keine Alternativen
Pos.
59
BOSCH Flasche | Ersatzteile für 2976U2 | 2610357577
Hersteller: BOSCH
Artikelnummer: EB-F0152976J2-2610357577
nur Informationsartikel
Nie mehr lieferbar
keine Alternativen
Pos.
60
BOSCH Schraube | Ersatzteile für 2976U2 | 2610004075
Hersteller: BOSCH
Artikelnummer: EB-F0152976J2-2610004075
nur Informationsartikel
Nie mehr lieferbar
keine Alternativen
Pos.
61
BOSCH Klemme | Ersatzteile für 2976U2 | 2610357567
Hersteller: BOSCH
Artikelnummer: EB-F0152976J2-2610357567
nur Informationsartikel
Nie mehr lieferbar
keine Alternativen
Pos.
62
BOSCH Klemme | Ersatzteile für 2976U2 | 2610357568
Hersteller: BOSCH
Artikelnummer: EB-F0152976J2-2610357568
nur Informationsartikel
Nie mehr lieferbar
keine Alternativen
Pos.
63
BOSCH Mutter | Ersatzteile für 2976U2 | 2610357576
Hersteller: BOSCH
Artikelnummer: EB-F0152976J2-2610357576
nur Informationsartikel
Nie mehr lieferbar
keine Alternativen
Pos.
64
BOSCH Deckel | Ersatzteile für 2976U2 | 2610357578
Hersteller: BOSCH
Artikelnummer: EB-F0152976J2-2610357578
nur Informationsartikel
Nie mehr lieferbar
keine Alternativen
Pos.
65
BOSCH Ventilunterteil | Ersatzteile für 2976U2 | 2610357565
Hersteller: BOSCH
Artikelnummer: EB-F0152976J2-2610357565
nur Informationsartikel
Nie mehr lieferbar
keine Alternativen
Pos.
66
BOSCH Rohr | Ersatzteile für 2976U2 | 2610357557
Hersteller: BOSCH
Artikelnummer: EB-F0152976J2-2610357557
nur Informationsartikel
Nie mehr lieferbar
keine Alternativen
Pos.
67
BOSCH Sechskantsteckschlüssel | Ersatzteile für 2976U2 | 1619P01540
Hersteller: BOSCH
Artikelnummer: EB-F0152976J2-1619P01540
nur Informationsartikel
Nie mehr lieferbar
keine Alternativen
Pos.
68
BOSCH Batterie-Ladegerät 240V | Ersatzteile für 2976U2 | 2610384815
Hersteller: BOSCH
Artikelnummer: EB-F0152976J2-2610384815
nur Informationsartikel
Nie mehr lieferbar
keine Alternativen
Pos.
802
BOSCH Elektromotor 12V | Ersatzteile für 2976U2 | 2610356521
Hersteller: BOSCH
Artikelnummer: EB-F0152976J2-2610356521
nur Informationsartikel
Nie mehr lieferbar
keine Alternativen

Angaben zur Produktsicherheit

Hersteller:
Robert Bosch Power Tools GmbH
Postfach 30 02 20
70442 Stuttgart

E-Mail:
kontakt@bosch.de