BOSCH Schutzoberteil | Ersatzteile für 3120 | 1619PA0256

Artikelnummer: EB-F015312024-1619PA0256

Position: 851

Marke: BOSCH


Bitte Kompatibilität prüfen!

Bitte prüfen Sie unbedingt die 10-stellige Typennummer Ihrer Maschine / Ihres Gerätes. Das Ersatzteil ist nur kompatibel, wenn Sie die Typennummer Ihrer Maschine in der unten stehenden Produktbeschreibung finden.

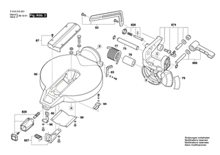
Bitte prüfen Sie ebenfalls detailliert die Explosionszeichnung mit Ihrem Artikelwunsch und der jeweiligen Pos-Nummer.

Alle Elemente, welche vom schwarzen Strich der Pos-Nummer ausgehend berührt / erfasst werden, gehören zu dieser Pos-Nummer und somit zu diesem Artikel. Jede Pos-Nummer ist ein eigenständiger Artikel, welchen Sie in der Auflistung finden.

Sie erhalten stets die aktuellste, neueste Produktversion zu der gewählten Pos-Nummer seitens des Herstellers. Es kann daher je nach Gerätealter vorkommen, dass Sie ggf. weitere, zugehörige Elemente, welche an diese Pos-Nummer grenzen, ebenfalls mittauschen müssen.

Nähere Informationen finden Sie unter dem Link
Hinweise zu Ihrer BOSCH Ersatzteilsuche

Preisübersicht

Einzelpreis: 3,63 €* (Brutto: 4,32 €)
Gesamtpreis: 3,63 €* 
Position:

Lieferzeit: 5 Werktage


Beschreibung

  • Schutzoberteil
  • Original Bosch Zubehör / BOSCH Ersatzteil (1619PA0256)
  • im Gerät verbaut: 1
Dieses BOSCH Ersatzteil ist mit folgendem Gerät und Modell kompatibel:
  • BOSCH Gerätename: 3120
  • BOSCH Explosionszeichnung: Position 851
  • BOSCH Typennummer: F015312024
  • BOSCH Typennummer alternative Schreibweisen: F 015 312 024, F015 312 024, F.015.312.024, F-015-312-024
    Bitte prüfen Sie diese Typennummer auf Ihrem Gerät um die Kompatibilität des BOSCH Ersatzteils zu gewährleisten.
Weitere BOSCH Ersatzteile des Gerätes 3120 (Tisch-/Gehrungssäge) mit der Typennummer F015312024 finden Sie in der nachfolgenden Darstellung und im Dropdown zu Ihrer Auswahl:

Pos.
1
BOSCH Motorgehäuse | Ersatzteile für 3120 | 1619PA0217
Hersteller: BOSCH
Artikelnummer: EB-F015312024-1619PA0217
Netto: 7,30 € zzgl. MwSt.
zzgl. 6,90 € Versand (brutto)
einmalig pro Bestellung

Lieferzeit: 5 Werktage

Pos.
4
BOSCH Ein/Aus-Schalter | Ersatzteile für 3120 | 1619PA0253
Hersteller: BOSCH
Artikelnummer: EB-F015312024-1619PA0253
Netto: 6,27 € zzgl. MwSt.
zzgl. 6,90 € Versand (brutto)
einmalig pro Bestellung

Lieferzeit: 5 Werktage

Pos.
5
BOSCH Netzanschlussleitung | Ersatzteile für 3120 | 1619PA0373
Hersteller: BOSCH
Artikelnummer: EB-F015312024-1619PA0373
Netto: 10,92 € zzgl. MwSt.
zzgl. 6,90 € Versand (brutto)
einmalig pro Bestellung

Lieferzeit: 5 Werktage

Pos.
8
BOSCH Typschild | Ersatzteile für 3120 | 1619PA0374
Hersteller: BOSCH
Artikelnummer: EB-F015312024-1619PA0374
Netto: 4,53 € zzgl. MwSt.
zzgl. 6,90 € Versand (brutto)
einmalig pro Bestellung

Lieferzeit: 5 Werktage

Pos.
9
BOSCH Firmenschild | Ersatzteile für 3120 | 1619PA0368
Hersteller: BOSCH
Artikelnummer: EB-F015312024-1619PA0368
Netto: 4,53 € zzgl. MwSt.
zzgl. 6,90 € Versand (brutto)
einmalig pro Bestellung

Lieferzeit: 5 Werktage

Pos.
22
BOSCH Gehäusedeckel | Ersatzteile für 3120 | 1619PA0209
Hersteller: BOSCH
Artikelnummer: EB-F015312024-1619PA0209
Netto: 4,53 € zzgl. MwSt.
zzgl. 6,90 € Versand (brutto)
einmalig pro Bestellung

Lieferzeit: 5 Werktage

Pos.
28
BOSCH Axiallüfter | Ersatzteile für 3120 | 1619PA0226
Hersteller: BOSCH
Artikelnummer: EB-F015312024-1619PA0226
Netto: 3,94 € zzgl. MwSt.
zzgl. 6,90 € Versand (brutto)
einmalig pro Bestellung

Lieferzeit: 5 Werktage

Pos.
32
BOSCH Getriebekasten | Ersatzteile für 3120 | 1619PA0234
Hersteller: BOSCH
Artikelnummer: EB-F015312024-1619PA0234
Netto: 9,95 € zzgl. MwSt.
zzgl. 6,90 € Versand (brutto)
einmalig pro Bestellung

Lieferzeit: 5 Werktage

Pos.
33
BOSCH Schacht | Ersatzteile für 3120 | 1619PA0235
Hersteller: BOSCH
Artikelnummer: EB-F015312024-1619PA0235
nur Informationsartikel
Nie mehr lieferbar
keine Alternativen
Pos.
38
BOSCH Klemmschelle | Ersatzteile für 3120 | 1619PA0240
Hersteller: BOSCH
Artikelnummer: EB-F015312024-1619PA0240
Netto: 3,63 € zzgl. MwSt.
zzgl. 6,90 € Versand (brutto)
einmalig pro Bestellung

Lieferzeit: 5 Werktage

Pos.
41
BOSCH Auslöser | Ersatzteile für 3120 | 1619PA0243
Hersteller: BOSCH
Artikelnummer: EB-F015312024-1619PA0243
Netto: 3,94 € zzgl. MwSt.
zzgl. 6,90 € Versand (brutto)
einmalig pro Bestellung

Lieferzeit: 5 Werktage

Pos.
54
BOSCH Verschlussflansch | Ersatzteile für 3120 | 1619PA0261
Hersteller: BOSCH
Artikelnummer: EB-F015312024-1619PA0261
Netto: 5,19 € zzgl. MwSt.
zzgl. 6,90 € Versand (brutto)
einmalig pro Bestellung

Lieferzeit: 5 Werktage

Pos.
55
BOSCH Verschlussflansch | Ersatzteile für 3120 | 1619PA0263
Hersteller: BOSCH
Artikelnummer: EB-F015312024-1619PA0263
Netto: 5,19 € zzgl. MwSt.
zzgl. 6,90 € Versand (brutto)
einmalig pro Bestellung

Lieferzeit: 5 Werktage

Pos.
60
BOSCH Spezialschraube | Ersatzteile für 3120 | 1619PA0272
Hersteller: BOSCH
Artikelnummer: EB-F015312024-1619PA0272
Netto: 3,63 € zzgl. MwSt.
zzgl. 6,90 € Versand (brutto)
einmalig pro Bestellung

Lieferzeit: 5 Werktage

Pos.
61
BOSCH Drehfeder | Ersatzteile für 3120 | 1619PA0271
Hersteller: BOSCH
Artikelnummer: EB-F015312024-1619PA0271
Netto: 3,94 € zzgl. MwSt.
zzgl. 6,90 € Versand (brutto)
einmalig pro Bestellung

Lieferzeit: 5 Werktage

Pos.
63
BOSCH Gestänge | Ersatzteile für 3120 | 1619PA0279
Hersteller: BOSCH
Artikelnummer: EB-F015312024-1619PA0279
nur Informationsartikel
Nie mehr lieferbar
keine Alternativen
Pos.
75
BOSCH Lagerwelle | Ersatzteile für 3120 | 1619PA0292
Hersteller: BOSCH
Artikelnummer: EB-F015312024-1619PA0292
nur Informationsartikel
Nie mehr lieferbar
keine Alternativen
Pos.
77
BOSCH Drehfeder | Ersatzteile für 3120 | 1619PA0294
Hersteller: BOSCH
Artikelnummer: EB-F015312024-1619PA0294
Netto: 14,36 € zzgl. MwSt.
zzgl. 6,90 € Versand (brutto)
einmalig pro Bestellung

Lieferzeit: 5 Werktage

Pos.
78
BOSCH Lagerbuchse | Ersatzteile für 3120 | 1619PA0295
Hersteller: BOSCH
Artikelnummer: EB-F015312024-1619PA0295
nur Informationsartikel
Nie mehr lieferbar
keine Alternativen
Pos.
79
BOSCH Skale | Ersatzteile für 3120 | 1619PA0296
Hersteller: BOSCH
Artikelnummer: EB-F015312024-1619PA0296
Netto: 3,63 € zzgl. MwSt.
zzgl. 6,90 € Versand (brutto)
einmalig pro Bestellung

Lieferzeit: 5 Werktage

Pos.
83
BOSCH Zeiger | Ersatzteile für 3120 | 1619PA0300
Hersteller: BOSCH
Artikelnummer: EB-F015312024-1619PA0300
nur Informationsartikel
Nie mehr lieferbar
keine Alternativen
Pos.
87
BOSCH Wendeplatte | Ersatzteile für 3120 | 1619PA0304
Hersteller: BOSCH
Artikelnummer: EB-F015312024-1619PA0304
Netto: 3,94 € zzgl. MwSt.
zzgl. 6,90 € Versand (brutto)
einmalig pro Bestellung

Lieferzeit: 5 Werktage

Pos.
90
BOSCH Drehteller | Ersatzteile für 3120 | 1619PA0307
Hersteller: BOSCH
Artikelnummer: EB-F015312024-1619PA0307
Netto: 26,88 € zzgl. MwSt.
zzgl. 6,90 € Versand (brutto)
einmalig pro Bestellung

Lieferzeit: 5 Werktage

Pos.
94
BOSCH Zeiger | Ersatzteile für 3120 | 1619PA0311
Hersteller: BOSCH
Artikelnummer: EB-F015312024-1619PA0311
Netto: 3,63 € zzgl. MwSt.
zzgl. 6,90 € Versand (brutto)
einmalig pro Bestellung

Lieferzeit: 5 Werktage

Pos.
95
BOSCH Schliessblock | Ersatzteile für 3120 | 1619PA0312
Hersteller: BOSCH
Artikelnummer: EB-F015312024-1619PA0312
Netto: 3,63 € zzgl. MwSt.
zzgl. 6,90 € Versand (brutto)
einmalig pro Bestellung

Lieferzeit: 5 Werktage

Pos.
96
BOSCH Klemmschelle | Ersatzteile für 3120 | 1619PA0313
Hersteller: BOSCH
Artikelnummer: EB-F015312024-1619PA0313
Netto: 3,63 € zzgl. MwSt.
zzgl. 6,90 € Versand (brutto)
einmalig pro Bestellung

Lieferzeit: 5 Werktage

Pos.
99
BOSCH Sicherungsplatte | Ersatzteile für 3120 | 1619PA0316
Hersteller: BOSCH
Artikelnummer: EB-F015312024-1619PA0316
nur Informationsartikel
Nie mehr lieferbar
keine Alternativen
Pos.
104
BOSCH Spanner | Ersatzteile für 3120 | 1619PA0323
Hersteller: BOSCH
Artikelnummer: EB-F015312024-1619PA0323
Netto: 3,63 € zzgl. MwSt.
zzgl. 6,90 € Versand (brutto)
einmalig pro Bestellung

Lieferzeit: 5 Werktage

Pos.
105
BOSCH Knopf | Ersatzteile für 3120 | 1619PA0324
Hersteller: BOSCH
Artikelnummer: EB-F015312024-1619PA0324
nur Informationsartikel
Nie mehr lieferbar
keine Alternativen
Pos.
106
BOSCH Stützleiste | Ersatzteile für 3120 | 1619PA0325
Hersteller: BOSCH
Artikelnummer: EB-F015312024-1619PA0325
Netto: 7,30 € zzgl. MwSt.
zzgl. 6,90 € Versand (brutto)
einmalig pro Bestellung

Lieferzeit: 5 Werktage

Pos.
107
BOSCH Knopf | Ersatzteile für 3120 | 1619PA0326
Hersteller: BOSCH
Artikelnummer: EB-F015312024-1619PA0326
Netto: 3,59 € zzgl. MwSt.
zzgl. 6,90 € Versand (brutto)
einmalig pro Bestellung

Lieferzeit: 5 Werktage

Pos.
109
BOSCH Pappe | Ersatzteile für 3120 | 1619PA0328
Hersteller: BOSCH
Artikelnummer: EB-F015312024-1619PA0328
Netto: 4,80 € zzgl. MwSt.
zzgl. 6,90 € Versand (brutto)
einmalig pro Bestellung

Lieferzeit: 5 Werktage

Pos.
110
BOSCH Skalenplatte | Ersatzteile für 3120 | 1619PA0329
Hersteller: BOSCH
Artikelnummer: EB-F015312024-1619PA0329
Netto: 3,63 € zzgl. MwSt.
zzgl. 6,90 € Versand (brutto)
einmalig pro Bestellung

Lieferzeit: 5 Werktage

Pos.
112
BOSCH Sockel | Ersatzteile für 3120 | 1619PA0331
Hersteller: BOSCH
Artikelnummer: EB-F015312024-1619PA0331
Netto: 34,53 € zzgl. MwSt.
zzgl. 6,90 € Versand (brutto)
einmalig pro Bestellung

Lieferzeit: 5 Werktage

Pos.
115
BOSCH Knopf | Ersatzteile für 3120 | 1619PA0335
Hersteller: BOSCH
Artikelnummer: EB-F015312024-1619PA0335
nur Informationsartikel
Nie mehr lieferbar
keine Alternativen
Pos.
116
BOSCH Stopper | Ersatzteile für 3120 | 1619PA0336
Hersteller: BOSCH
Artikelnummer: EB-F015312024-1619PA0336
nur Informationsartikel
Nie mehr lieferbar
keine Alternativen
Pos.
802
BOSCH Ständer 220V | Ersatzteile für 3120 | 1619PA0222
Hersteller: BOSCH
Artikelnummer: EB-F015312024-1619PA0222
Netto: 29,45 € zzgl. MwSt.
zzgl. 6,90 € Versand (brutto)
einmalig pro Bestellung

Lieferzeit: 5 Werktage

Pos.
803
BOSCH Anker 220V | Ersatzteile für 3120 | 1619PA0221
Hersteller: BOSCH
Artikelnummer: EB-F015312024-1619PA0221
Netto: 32,74 € zzgl. MwSt.
zzgl. 6,90 € Versand (brutto)
einmalig pro Bestellung

Lieferzeit: 5 Werktage

Pos.
810
BOSCH Bürste | Ersatzteile für 3120 | 1619PA0212
Hersteller: BOSCH
Artikelnummer: EB-F015312024-1619PA0212
Netto: 7,76 € zzgl. MwSt.
zzgl. 6,90 € Versand (brutto)
einmalig pro Bestellung

Lieferzeit: 5 Werktage

Pos.
816
BOSCH Bürstenhalter | Ersatzteile für 3120 | 1619PA0213
Hersteller: BOSCH
Artikelnummer: EB-F015312024-1619PA0213
Netto: 7,30 € zzgl. MwSt.
zzgl. 6,90 € Versand (brutto)
einmalig pro Bestellung

Lieferzeit: 5 Werktage

Pos.
822
BOSCH Sperrstift | Ersatzteile für 3120 | 1619PA0229
Hersteller: BOSCH
Artikelnummer: EB-F015312024-1619PA0229
Netto: 4,32 € zzgl. MwSt.
zzgl. 6,90 € Versand (brutto)
einmalig pro Bestellung

Lieferzeit: 5 Werktage

Pos.
823
BOSCH Getriebe | Ersatzteile für 3120 | 1619PA0258
Hersteller: BOSCH
Artikelnummer: EB-F015312024-1619PA0258
Netto: 15,75 € zzgl. MwSt.
zzgl. 6,90 € Versand (brutto)
einmalig pro Bestellung

Lieferzeit: 5 Werktage

Pos.
824
BOSCH Schutzunterteil | Ersatzteile für 3120 | 1619PA0266
Hersteller: BOSCH
Artikelnummer: EB-F015312024-1619PA0266
Netto: 10,92 € zzgl. MwSt.
zzgl. 6,90 € Versand (brutto)
einmalig pro Bestellung

Lieferzeit: 5 Werktage

Pos.
825
BOSCH Platte | Ersatzteile für 3120 | 1619PA0273
Hersteller: BOSCH
Artikelnummer: EB-F015312024-1619PA0273
Netto: 3,94 € zzgl. MwSt.
zzgl. 6,90 € Versand (brutto)
einmalig pro Bestellung

Lieferzeit: 5 Werktage

Pos.
826
BOSCH Verschlussstift | Ersatzteile für 3120 | 1619PA0291
Hersteller: BOSCH
Artikelnummer: EB-F015312024-1619PA0291
Netto: 3,92 € zzgl. MwSt.
zzgl. 6,90 € Versand (brutto)
einmalig pro Bestellung

Lieferzeit: 5 Werktage

Pos.
827
BOSCH Raste | Ersatzteile für 3120 | 1619PA0321
Hersteller: BOSCH
Artikelnummer: EB-F015312024-1619PA0321
Netto: 3,63 € zzgl. MwSt.
zzgl. 6,90 € Versand (brutto)
einmalig pro Bestellung

Lieferzeit: 5 Werktage

Pos.
828
BOSCH Handgriff | Ersatzteile für 3120 | 1619PA0322
Hersteller: BOSCH
Artikelnummer: EB-F015312024-1619PA0322
Netto: 7,76 € zzgl. MwSt.
zzgl. 6,90 € Versand (brutto)
einmalig pro Bestellung

Lieferzeit: 5 Werktage

Pos.
829
BOSCH Klemmschelle | Ersatzteile für 3120 | 1619PA0334
Hersteller: BOSCH
Artikelnummer: EB-F015312024-1619PA0334
Netto: 9,18 € zzgl. MwSt.
zzgl. 6,90 € Versand (brutto)
einmalig pro Bestellung

Lieferzeit: 5 Werktage

Pos.
830
BOSCH Abschirmblech | Ersatzteile für 3120 | 1619PA0337
Hersteller: BOSCH
Artikelnummer: EB-F015312024-1619PA0337
Netto: 4,32 € zzgl. MwSt.
zzgl. 6,90 € Versand (brutto)
einmalig pro Bestellung

Lieferzeit: 5 Werktage

Pos.
848
BOSCH Handgriff | Ersatzteile für 3120 | 1619PA0251
Hersteller: BOSCH
Artikelnummer: EB-F015312024-1619PA0251
Netto: 14,36 € zzgl. MwSt.
zzgl. 6,90 € Versand (brutto)
einmalig pro Bestellung

Lieferzeit: 5 Werktage

Pos.
851
BOSCH Schutzoberteil | Ersatzteile für 3120 | 1619PA0256
Hersteller: BOSCH
Artikelnummer: EB-F015312024-1619PA0256
Netto: 3,63 € zzgl. MwSt.
zzgl. 6,90 € Versand (brutto)
einmalig pro Bestellung

Lieferzeit: 5 Werktage

Pos.
866
BOSCH Handgriff | Ersatzteile für 3120 | 1619PA0282
Hersteller: BOSCH
Artikelnummer: EB-F015312024-1619PA0282
Netto: 4,56 € zzgl. MwSt.
zzgl. 6,90 € Versand (brutto)
einmalig pro Bestellung

Lieferzeit: 5 Werktage

Pos.
874
BOSCH Laufbolzen | Ersatzteile für 3120 | 1619PA0290
Hersteller: BOSCH
Artikelnummer: EB-F015312024-1619PA0290
Netto: 14,36 € zzgl. MwSt.
zzgl. 6,90 € Versand (brutto)
einmalig pro Bestellung

Lieferzeit: 5 Werktage

Angaben zur Produktsicherheit

Hersteller:
Robert Bosch Power Tools GmbH
Postfach 30 02 20
70442 Stuttgart

E-Mail:
kontakt@bosch.de