BOSCH Schaltschieber SCHWARZ | Ersatzteile für 3294EVS | 2608001007

Artikelnummer: EB-0603294739-2608001007

Position: 29

Marke: BOSCH


Bitte Kompatibilität prüfen!

Bitte prüfen Sie unbedingt die 10-stellige Typennummer Ihrer Maschine / Ihres Gerätes. Das Ersatzteil ist nur kompatibel, wenn Sie die Typennummer Ihrer Maschine in der unten stehenden Produktbeschreibung finden.

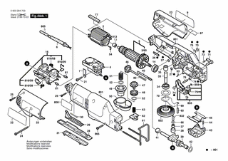
Bitte prüfen Sie ebenfalls detailliert die Explosionszeichnung mit Ihrem Artikelwunsch und der jeweiligen Pos-Nummer.

Alle Elemente, welche vom schwarzen Strich der Pos-Nummer ausgehend berührt / erfasst werden, gehören zu dieser Pos-Nummer und somit zu diesem Artikel. Jede Pos-Nummer ist ein eigenständiger Artikel, welchen Sie in der Auflistung finden.

Sie erhalten stets die aktuellste, neueste Produktversion zu der gewählten Pos-Nummer seitens des Herstellers. Es kann daher je nach Gerätealter vorkommen, dass Sie ggf. weitere, zugehörige Elemente, welche an diese Pos-Nummer grenzen, ebenfalls mittauschen müssen.

Nähere Informationen finden Sie unter dem Link
Hinweise zu Ihrer BOSCH Ersatzteilsuche

Preisübersicht

Einzelpreis: 3,94 €* (Brutto: 4,69 €)
Gesamtpreis: 3,94 €* 
Position:

Lieferzeit: 5 Werktage


Beschreibung

  • Schaltschieber SCHWARZ
  • Original Bosch Zubehör / BOSCH Ersatzteil (2608001007)
  • im Gerät verbaut: 1
Dieses BOSCH Ersatzteil ist mit folgendem Gerät und Modell kompatibel:
  • BOSCH Gerätename: 3294EVS
  • BOSCH Explosionszeichnung: Position 29
  • BOSCH Typennummer: 0603294739
  • BOSCH Typennummer alternative Schreibweisen: 0 603 294 739, 0603 294 739, 0.603.294.739, 0-603-294-739
    Bitte prüfen Sie diese Typennummer auf Ihrem Gerät um die Kompatibilität des BOSCH Ersatzteils zu gewährleisten.
Weitere BOSCH Ersatzteile des Gerätes 3294EVS (Multisäge) mit der Typennummer 0603294739 finden Sie in der nachfolgenden Darstellung und im Dropdown zu Ihrer Auswahl:

Pos.
3/60
BOSCH Lüfter | Ersatzteile für 3294EVS | 2606610084
Hersteller: BOSCH
Artikelnummer: EB-0603294739-2606610084
nur Informationsartikel
Nie mehr lieferbar
keine Alternativen
Pos.
709/30
BOSCH Feststellschraube M5x12-8,8 | Ersatzteile für 3294EVS | 2603490001
Hersteller: BOSCH
Artikelnummer: EB-0603294739-2603490001
Netto: 4,53 € zzgl. MwSt.
zzgl. 6,90 € Versand (brutto)
einmalig pro Bestellung

Lieferzeit: 5 Werktage

Pos.
709/40
BOSCH Klemmhalter | Ersatzteile für 3294EVS | 2601314004
Hersteller: BOSCH
Artikelnummer: EB-0603294739-2601314004
Netto: 3,94 € zzgl. MwSt.
zzgl. 6,90 € Versand (brutto)
einmalig pro Bestellung

Lieferzeit: 5 Werktage

Pos.
816/08
BOSCH Spiralfeder | Ersatzteile für 3294EVS | 1604652013
Hersteller: BOSCH
Artikelnummer: EB-0603294739-1604652013
Netto: 3,94 € zzgl. MwSt.
zzgl. 6,90 € Versand (brutto)
einmalig pro Bestellung

Lieferzeit: 5 Werktage

Pos.
816/09
BOSCH Kohlebürstensatz | Ersatzteile für 3294EVS | 160701417J
Hersteller: BOSCH
Artikelnummer: EB-0603294739-160701417J
Netto: 9,95 € zzgl. MwSt.
zzgl. 6,90 € Versand (brutto)
einmalig pro Bestellung

Lieferzeit: 65 Werktage

Pos.
2
BOSCH Polschuh 115V | Ersatzteile für 3294EVS | 2604220540
Hersteller: BOSCH
Artikelnummer: EB-0603294739-2604220540
nur Informationsartikel
Nie mehr lieferbar
keine Alternativen
Pos.
3
BOSCH Anker 115V | Ersatzteile für 3294EVS | 2604010874
Hersteller: BOSCH
Artikelnummer: EB-0603294739-2604010874
nur Informationsartikel
Nie mehr lieferbar
keine Alternativen
Pos.
4
BOSCH Schalter | Ersatzteile für 3294EVS | 2607200290
Hersteller: BOSCH
Artikelnummer: EB-0603294739-2607200290
Netto: 70,50 € zzgl. MwSt.
zzgl. 6,90 € Versand (brutto)
einmalig pro Bestellung

Lieferzeit: 5 Werktage

Pos.
5
BOSCH Netzanschlussleitung USA/CDN 2,68m 2 x 082mm SJ 18/2 | Ersatzteile für 3294EVS | 2604460186
Hersteller: BOSCH
Artikelnummer: EB-0603294739-2604460186
nur Informationsartikel
Nie mehr lieferbar
keine Alternativen
Pos.
6
BOSCH Tülle Ø8,2 MM | Ersatzteile für 3294EVS | 2600703008
Hersteller: BOSCH
Artikelnummer: EB-0603294739-2600703008
nur Informationsartikel
Nie mehr lieferbar
keine Alternativen
Pos.
7
BOSCH Befestigungsschelle | Ersatzteile für 3294EVS | 1601302017
Hersteller: BOSCH
Artikelnummer: EB-0603294739-1601302017
Netto: 3,63 € zzgl. MwSt.
zzgl. 6,90 € Versand (brutto)
einmalig pro Bestellung

Lieferzeit: 5 Werktage

Pos.
9
BOSCH Firmenschild | Ersatzteile für 3294EVS | 2610993004
Hersteller: BOSCH
Artikelnummer: EB-0603294739-2610993004
nur Informationsartikel
Nie mehr lieferbar
keine Alternativen
Pos.
13
BOSCH Nadelhülse | Ersatzteile für 3294EVS | 2600917009
Hersteller: BOSCH
Artikelnummer: EB-0603294739-2600917009
nur Informationsartikel
Nie mehr lieferbar
keine Alternativen
Pos.
14
BOSCH Rillenkugellager 9x24x7 | Ersatzteile für 3294EVS | 2600905021
Hersteller: BOSCH
Artikelnummer: EB-0603294739-2600905021
Netto: 8,33 € zzgl. MwSt.
zzgl. 6,90 € Versand (brutto)
einmalig pro Bestellung

Lieferzeit: 5 Werktage

Pos.
16
BOSCH Bürstenhalter | Ersatzteile für 3294EVS | 2604337053
Hersteller: BOSCH
Artikelnummer: EB-0603294739-2604337053
nur Informationsartikel
Nie mehr lieferbar
keine Alternativen
Pos.
21
BOSCH Torx-Linsenschraube 4x12 | Ersatzteile für 3294EVS | 2603490021
Hersteller: BOSCH
Artikelnummer: EB-0603294739-2603490021
Netto: 3,63 € zzgl. MwSt.
zzgl. 6,90 € Versand (brutto)
einmalig pro Bestellung

Lieferzeit: 5 Werktage

Pos.
22
BOSCH Hinweisschild | Ersatzteile für 3294EVS | 2610993005
Hersteller: BOSCH
Artikelnummer: EB-0603294739-2610993005
nur Informationsartikel
Nie mehr lieferbar
keine Alternativen
Pos.
23
BOSCH Gehäuseschale BLAU | Ersatzteile für 3294EVS | 2605104340
Hersteller: BOSCH
Artikelnummer: EB-0603294739-2605104340
nur Informationsartikel
Nie mehr lieferbar
keine Alternativen
Pos.
24
BOSCH Torx-Linsenschraube 4x40 | Ersatzteile für 3294EVS | 2603490027
Hersteller: BOSCH
Artikelnummer: EB-0603294739-2603490027
Netto: 3,63 € zzgl. MwSt.
zzgl. 6,90 € Versand (brutto)
einmalig pro Bestellung

Lieferzeit: 5 Werktage

Pos.
25
BOSCH Torx-Linsenschraube 3x18 | Ersatzteile für 3294EVS | 2603490018
Hersteller: BOSCH
Artikelnummer: EB-0603294739-2603490018
nur Informationsartikel
Nie mehr lieferbar
keine Alternativen
Pos.
26
BOSCH Gummistreifen | Ersatzteile für 3294EVS | 2601006003
Hersteller: BOSCH
Artikelnummer: EB-0603294739-2601006003
nur Informationsartikel
Nie mehr lieferbar
keine Alternativen
Pos.
27
BOSCH O-Ring 5,0x1,5 MM | Ersatzteile für 3294EVS | 1900210000
Hersteller: BOSCH
Artikelnummer: EB-0603294739-1900210000
Netto: 3,94 € zzgl. MwSt.
zzgl. 6,90 € Versand (brutto)
einmalig pro Bestellung

Lieferzeit: 5 Werktage

Pos.
28
BOSCH Schalterwippe BLAU | Ersatzteile für 3294EVS | 2608001005
Hersteller: BOSCH
Artikelnummer: EB-0603294739-2608001005
Netto: 4,82 € zzgl. MwSt.
zzgl. 6,90 € Versand (brutto)
einmalig pro Bestellung

Lieferzeit: 5 Werktage

Pos.
29
BOSCH Schaltschieber SCHWARZ | Ersatzteile für 3294EVS | 2608001007
Hersteller: BOSCH
Artikelnummer: EB-0603294739-2608001007
Netto: 3,94 € zzgl. MwSt.
zzgl. 6,90 € Versand (brutto)
einmalig pro Bestellung

Lieferzeit: 5 Werktage

Pos.
30
BOSCH Druckfeder | Ersatzteile für 3294EVS | 2604611033
Hersteller: BOSCH
Artikelnummer: EB-0603294739-2604611033
Netto: 4,32 € zzgl. MwSt.
zzgl. 6,90 € Versand (brutto)
einmalig pro Bestellung

Lieferzeit: 5 Werktage

Pos.
31
BOSCH Schaltergriff GELB | Ersatzteile für 3294EVS | 2608001013
Hersteller: BOSCH
Artikelnummer: EB-0603294739-2608001013
Netto: 4,20 € zzgl. MwSt.
zzgl. 6,90 € Versand (brutto)
einmalig pro Bestellung

Lieferzeit: 5 Werktage

Pos.
31
BOSCH Schaltergriff SCHWARZ | Ersatzteile für 3294EVS | 2608001010
Hersteller: BOSCH
Artikelnummer: EB-0603294739-2608001010
Netto: 4,82 € zzgl. MwSt.
zzgl. 6,90 € Versand (brutto)
einmalig pro Bestellung

Lieferzeit: 5 Werktage

Pos.
33
BOSCH Lagerbolzen | Ersatzteile für 3294EVS | 2603105044
Hersteller: BOSCH
Artikelnummer: EB-0603294739-2603105044
nur Informationsartikel
Nie mehr lieferbar
keine Alternativen
Pos.
34
BOSCH Rillenkugellager DIN 625 608-2 Z | Ersatzteile für 3294EVS | 2600905057
Hersteller: BOSCH
Artikelnummer: EB-0603294739-2600905057
nur Informationsartikel
Nie mehr lieferbar
keine Alternativen
Pos.
35
BOSCH Nadelhülse | Ersatzteile für 3294EVS | 2600917006
Hersteller: BOSCH
Artikelnummer: EB-0603294739-2600917006
Netto: 5,19 € zzgl. MwSt.
zzgl. 6,90 € Versand (brutto)
einmalig pro Bestellung

Lieferzeit: 65 Werktage

Pos.
37
BOSCH Nadelhülse | Ersatzteile für 3294EVS | 2600910005
Hersteller: BOSCH
Artikelnummer: EB-0603294739-2600910005
nur Informationsartikel
Nie mehr lieferbar
keine Alternativen
Pos.
38
BOSCH Lagerhülse | Ersatzteile für 3294EVS | 2600400028
Hersteller: BOSCH
Artikelnummer: EB-0603294739-2600400028
nur Informationsartikel
Nie mehr lieferbar
keine Alternativen
Pos.
39
BOSCH Hubstange | Ersatzteile für 3294EVS | 2600780058
Hersteller: BOSCH
Artikelnummer: EB-0603294739-2600780058
nur Informationsartikel
Nie mehr lieferbar
keine Alternativen
Pos.
40
BOSCH Klemmschraube | Ersatzteile für 3294EVS | 2603490005
Hersteller: BOSCH
Artikelnummer: EB-0603294739-2603490005
nur Informationsartikel
Nie mehr lieferbar
keine Alternativen
Pos.
41
BOSCH Sinterbuchse | Ersatzteile für 3294EVS | 2600302009
Hersteller: BOSCH
Artikelnummer: EB-0603294739-2600302009
Netto: 1,61 € zzgl. MwSt.
zzgl. 6,90 € Versand (brutto)
einmalig pro Bestellung

Lieferzeit: 5 Werktage

Pos.
42
BOSCH Ausgleichscheibe 0,3 MM | Ersatzteile für 3294EVS | 2600116012
Hersteller: BOSCH
Artikelnummer: EB-0603294739-2600116012
nur Informationsartikel
Nie mehr lieferbar
keine Alternativen
Pos.
42
BOSCH Ausgleichscheibe 0,5 MM | Ersatzteile für 3294EVS | 2600101612
Hersteller: BOSCH
Artikelnummer: EB-0603294739-2600101612
Netto: 3,94 € zzgl. MwSt.
zzgl. 6,90 € Versand (brutto)
einmalig pro Bestellung

Lieferzeit: 5 Werktage

Pos.
43
BOSCH Stützplatte | Ersatzteile für 3294EVS | 2602316007
Hersteller: BOSCH
Artikelnummer: EB-0603294739-2602316007
Netto: 3,63 € zzgl. MwSt.
zzgl. 6,90 € Versand (brutto)
einmalig pro Bestellung

Lieferzeit: 5 Werktage

Pos.
44
BOSCH Druckfeder | Ersatzteile für 3294EVS | 2604613000
Hersteller: BOSCH
Artikelnummer: EB-0603294739-2604613000
Netto: 3,94 € zzgl. MwSt.
zzgl. 6,90 € Versand (brutto)
einmalig pro Bestellung

Lieferzeit: 5 Werktage

Pos.
45
BOSCH Führungsbügel | Ersatzteile für 3294EVS | 2601322014
Hersteller: BOSCH
Artikelnummer: EB-0603294739-2601322014
nur Informationsartikel
Nie mehr lieferbar
keine Alternativen
Pos.
46
BOSCH Kegelrad Z=16 | Ersatzteile für 3294EVS | 2606333024
Hersteller: BOSCH
Artikelnummer: EB-0603294739-2606333024
nur Informationsartikel
Nie mehr lieferbar
keine Alternativen
Pos.
47
BOSCH Kegelrad Z=16 | Ersatzteile für 3294EVS | 2606333025
Hersteller: BOSCH
Artikelnummer: EB-0603294739-2606333025
nur Informationsartikel
Nie mehr lieferbar
keine Alternativen
Pos.
48
BOSCH Kupplungshülse | Ersatzteile für 3294EVS | 2606491007
Hersteller: BOSCH
Artikelnummer: EB-0603294739-2606491007
nur Informationsartikel
Nie mehr lieferbar
keine Alternativen
Pos.
49
BOSCH Kupplungsstück | Ersatzteile für 3294EVS | 2606491008
Hersteller: BOSCH
Artikelnummer: EB-0603294739-2606491008
nur Informationsartikel
Nie mehr lieferbar
keine Alternativen
Pos.
50
BOSCH Drehgriff | Ersatzteile für 3294EVS | 2608040061
Hersteller: BOSCH
Artikelnummer: EB-0603294739-2608040061
nur Informationsartikel
Nie mehr lieferbar
keine Alternativen
Pos.
51
BOSCH Druckfeder | Ersatzteile für 3294EVS | 2604617005
Hersteller: BOSCH
Artikelnummer: EB-0603294739-2604617005
nur Informationsartikel
Nie mehr lieferbar
keine Alternativen
Pos.
52
BOSCH Ausgleichscheibe | Ersatzteile für 3294EVS | 2600101016
Hersteller: BOSCH
Artikelnummer: EB-0603294739-2600101016
nur Informationsartikel
Nie mehr lieferbar
keine Alternativen
Pos.
53
BOSCH Rundgummi Ø 2 MM | Ersatzteile für 3294EVS | 2603100066
Hersteller: BOSCH
Artikelnummer: EB-0603294739-2603100066
nur Informationsartikel
Nie mehr lieferbar
keine Alternativen
Pos.
54
BOSCH Kontaktfeder | Ersatzteile für 3294EVS | 2601329037
Hersteller: BOSCH
Artikelnummer: EB-0603294739-2601329037
Netto: 3,94 € zzgl. MwSt.
zzgl. 6,90 € Versand (brutto)
einmalig pro Bestellung

Lieferzeit: 5 Werktage

Pos.
60
BOSCH Zylinderstift DIN 6325-4m6x20 | Ersatzteile für 3294EVS | 2917550099
Hersteller: BOSCH
Artikelnummer: EB-0603294739-2917550099
Netto: 3,94 € zzgl. MwSt.
zzgl. 6,90 € Versand (brutto)
einmalig pro Bestellung

Lieferzeit: 5 Werktage

Pos.
61
BOSCH Haltebügel | Ersatzteile für 3294EVS | 2601329052
Hersteller: BOSCH
Artikelnummer: EB-0603294739-2601329052
nur Informationsartikel
Nie mehr lieferbar
keine Alternativen
Pos.
62
BOSCH Druckknopf | Ersatzteile für 3294EVS | 2600591007
Hersteller: BOSCH
Artikelnummer: EB-0603294739-2600591007
nur Informationsartikel
Nie mehr lieferbar
keine Alternativen
Pos.
63
BOSCH Druckfeder | Ersatzteile für 3294EVS | 2604610033
Hersteller: BOSCH
Artikelnummer: EB-0603294739-2604610033
nur Informationsartikel
Nie mehr lieferbar
keine Alternativen
Pos.
66
BOSCH Ausgleichscheibe 0,50 MM | Ersatzteile für 3294EVS | 2600100613
Hersteller: BOSCH
Artikelnummer: EB-0603294739-2600100613
Netto: 3,94 € zzgl. MwSt.
zzgl. 6,90 € Versand (brutto)
einmalig pro Bestellung

Lieferzeit: 5 Werktage

Pos.
67
BOSCH Klebeschild | Ersatzteile für 3294EVS | 3601110243
Hersteller: BOSCH
Artikelnummer: EB-0603294739-3601110243
nur Informationsartikel
Nie mehr lieferbar
keine Alternativen
Pos.
69
BOSCH Gabelhebel | Ersatzteile für 3294EVS | 2601923008
Hersteller: BOSCH
Artikelnummer: EB-0603294739-2601923008
nur Informationsartikel
Nie mehr lieferbar
keine Alternativen
Pos.
70
BOSCH Ausgleichscheibe | Ersatzteile für 3294EVS | 2600101017
Hersteller: BOSCH
Artikelnummer: EB-0603294739-2600101017
nur Informationsartikel
Nie mehr lieferbar
keine Alternativen
Pos.
71
BOSCH Umschalter 230V | Ersatzteile für 3294EVS | 2602026051
Hersteller: BOSCH
Artikelnummer: EB-0603294739-2602026051
Netto: 4,80 € zzgl. MwSt.
zzgl. 6,90 € Versand (brutto)
einmalig pro Bestellung

Lieferzeit: 5 Werktage

Pos.
72
BOSCH Rastkappe | Ersatzteile für 3294EVS | 2600590006
Hersteller: BOSCH
Artikelnummer: EB-0603294739-2600590006
Netto: 3,94 € zzgl. MwSt.
zzgl. 6,90 € Versand (brutto)
einmalig pro Bestellung

Lieferzeit: 5 Werktage

Pos.
73
BOSCH Ausgleichscheibe 0,3 MM | Ersatzteile für 3294EVS | 2600100607
Hersteller: BOSCH
Artikelnummer: EB-0603294739-2600100607
Netto: 3,94 € zzgl. MwSt.
zzgl. 6,90 € Versand (brutto)
einmalig pro Bestellung

Lieferzeit: 5 Werktage

Pos.
73
BOSCH Ausgleichscheibe 0,5 MM | Ersatzteile für 3294EVS | 2600100568
Hersteller: BOSCH
Artikelnummer: EB-0603294739-2600100568
Netto: 3,94 € zzgl. MwSt.
zzgl. 6,90 € Versand (brutto)
einmalig pro Bestellung

Lieferzeit: 5 Werktage

Pos.
74
BOSCH Einpressbuchse | Ersatzteile für 3294EVS | 2600506008
Hersteller: BOSCH
Artikelnummer: EB-0603294739-2600506008
nur Informationsartikel
Nie mehr lieferbar
keine Alternativen
Pos.
75
BOSCH Sicherungsscheibe DIN 6799-5-FSt | Ersatzteile für 3294EVS | 2916080008
Hersteller: BOSCH
Artikelnummer: EB-0603294739-2916080008
nur Informationsartikel
Nie mehr lieferbar
keine Alternativen
Pos.
76
BOSCH Zylinderstift | Ersatzteile für 3294EVS | 2603100057
Hersteller: BOSCH
Artikelnummer: EB-0603294739-2603100057
nur Informationsartikel
Nie mehr lieferbar
keine Alternativen
Pos.
77
BOSCH Schaumstoffplatte | Ersatzteile für 3294EVS | 2601010056
Hersteller: BOSCH
Artikelnummer: EB-0603294739-2601010056
nur Informationsartikel
Nie mehr lieferbar
keine Alternativen
Pos.
79
BOSCH Ausgleichscheibe 0,2 MM | Ersatzteile für 3294EVS | 2600100032
Hersteller: BOSCH
Artikelnummer: EB-0603294739-2600100032
Netto: 3,94 € zzgl. MwSt.
zzgl. 6,90 € Versand (brutto)
einmalig pro Bestellung

Lieferzeit: 5 Werktage

Pos.
80
BOSCH Druckfeder | Ersatzteile für 3294EVS | 2604610039
Hersteller: BOSCH
Artikelnummer: EB-0603294739-2604610039
nur Informationsartikel
Nie mehr lieferbar
keine Alternativen
Pos.
81
BOSCH Niederhalter | Ersatzteile für 3294EVS | 2602099009
Hersteller: BOSCH
Artikelnummer: EB-0603294739-2602099009
nur Informationsartikel
Nie mehr lieferbar
keine Alternativen
Pos.
700
BOSCH Maschinenfeile | Ersatzteile für 3294EVS | 2608609028
Hersteller: BOSCH
Artikelnummer: EB-0603294739-2608609028
nur Informationsartikel
Nie mehr lieferbar
keine Alternativen
Pos.
701
BOSCH Holzraspel | Ersatzteile für 3294EVS | 2608609030
Hersteller: BOSCH
Artikelnummer: EB-0603294739-2608609030
nur Informationsartikel
Nie mehr lieferbar
keine Alternativen
Pos.
704
BOSCH Bürste | Ersatzteile für 3294EVS | 2608622040
Hersteller: BOSCH
Artikelnummer: EB-0603294739-2608622040
nur Informationsartikel
Nie mehr lieferbar
keine Alternativen
Pos.
705
BOSCH Bürste | Ersatzteile für 3294EVS | 2608622041
Hersteller: BOSCH
Artikelnummer: EB-0603294739-2608622041
nur Informationsartikel
Nie mehr lieferbar
keine Alternativen
Pos.
706
BOSCH Bürste | Ersatzteile für 3294EVS | 2608622042
Hersteller: BOSCH
Artikelnummer: EB-0603294739-2608622042
nur Informationsartikel
Nie mehr lieferbar
keine Alternativen
Pos.
709
BOSCH Parallelanschlag | Ersatzteile für 3294EVS | 2607001182
Hersteller: BOSCH
Artikelnummer: EB-0603294739-2607001182
nur Informationsartikel
Nie mehr lieferbar
keine Alternativen
Pos.
750
BOSCH Tragkasten | Ersatzteile für 3294EVS | 2605438312
Hersteller: BOSCH
Artikelnummer: EB-0603294739-2605438312
nur Informationsartikel
Nie mehr lieferbar
keine Alternativen
Pos.
755
BOSCH Fussplatte | Ersatzteile für 3294EVS | 2608045009
Hersteller: BOSCH
Artikelnummer: EB-0603294739-2608045009
nur Informationsartikel
Nie mehr lieferbar
keine Alternativen
Pos.
756
BOSCH Fussplatte | Ersatzteile für 3294EVS | 2608045010
Hersteller: BOSCH
Artikelnummer: EB-0603294739-2608045010
nur Informationsartikel
Nie mehr lieferbar
keine Alternativen
Pos.
757
BOSCH Adapter | Ersatzteile für 3294EVS | 2608609302
Hersteller: BOSCH
Artikelnummer: EB-0603294739-2608609302
nur Informationsartikel
Nie mehr lieferbar
keine Alternativen
Pos.
758
BOSCH Schleifvlies | Ersatzteile für 3294EVS | 2608604458
Hersteller: BOSCH
Artikelnummer: EB-0603294739-2608604458
nur Informationsartikel
Nie mehr lieferbar
keine Alternativen
Pos.
801
BOSCH Gehäuseschale BLAU | Ersatzteile für 3294EVS | 2605104844
Hersteller: BOSCH
Artikelnummer: EB-0603294739-2605104844
nur Informationsartikel
Nie mehr lieferbar
keine Alternativen
Pos.
808
BOSCH Typschild | Ersatzteile für 3294EVS | 160111A3H3
Hersteller: BOSCH
Artikelnummer: EB-0603294739-160111A3H3
Netto: 4,53 € zzgl. MwSt.
zzgl. 6,90 € Versand (brutto)
einmalig pro Bestellung

Lieferzeit: 5 Werktage

Pos.
813
BOSCH Nadelhülse | Ersatzteile für 3294EVS | 2600917002
Hersteller: BOSCH
Artikelnummer: EB-0603294739-2600917002
Netto: 5,19 € zzgl. MwSt.
zzgl. 6,90 € Versand (brutto)
einmalig pro Bestellung

Lieferzeit: 5 Werktage

Pos.
832
BOSCH Exzenterzahnrad Z=42 | Ersatzteile für 3294EVS | 2606333901
Hersteller: BOSCH
Artikelnummer: EB-0603294739-2606333901
nur Informationsartikel
Nie mehr lieferbar
keine Alternativen
Pos.
855
BOSCH Rollenhebel | Ersatzteile für 3294EVS | 2601321903
Hersteller: BOSCH
Artikelnummer: EB-0603294739-2601321903
nur Informationsartikel
Nie mehr lieferbar
keine Alternativen
Pos.
859
BOSCH Rollensatz | Ersatzteile für 3294EVS | 1619P01375
Hersteller: BOSCH
Artikelnummer: EB-0603294739-1619P01375
Netto: 9,95 € zzgl. MwSt.
zzgl. 6,90 € Versand (brutto)
einmalig pro Bestellung

Lieferzeit: 5 Werktage

Pos.
859
BOSCH Sicherungsscheibe DIN 6799-2,3 | Ersatzteile für 3294EVS | 2916080005
Hersteller: BOSCH
Artikelnummer: EB-0603294739-2916080005
Netto: 8,72 € zzgl. MwSt.
zzgl. 6,90 € Versand (brutto)
einmalig pro Bestellung

Lieferzeit: 5 Werktage

Pos.
865
BOSCH Blechschraube DIN 7981-3,9x19-C-Z-ST | Ersatzteile für 3294EVS | 2912401020
Hersteller: BOSCH
Artikelnummer: EB-0603294739-2912401020
Netto: 3,63 € zzgl. MwSt.
zzgl. 6,90 € Versand (brutto)
einmalig pro Bestellung

Lieferzeit: 5 Werktage

Angaben zur Produktsicherheit

Hersteller:
Robert Bosch Power Tools GmbH
Postfach 30 02 20
70442 Stuttgart

E-Mail:
kontakt@bosch.de