BOSCH Sechskantmutter | Ersatzteile für 3380 | 2610959335

Artikelnummer: EB-F012338000-2610959335

Position: 55

Marke: BOSCH


Bitte Kompatibilität prüfen!

Bitte prüfen Sie unbedingt die 10-stellige Typennummer Ihrer Maschine / Ihres Gerätes. Das Ersatzteil ist nur kompatibel, wenn Sie die Typennummer Ihrer Maschine in der unten stehenden Produktbeschreibung finden.

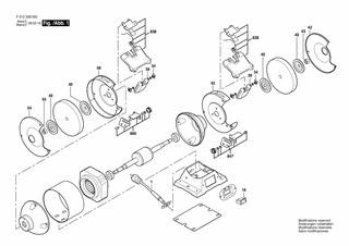
Bitte prüfen Sie ebenfalls detailliert die Explosionszeichnung mit Ihrem Artikelwunsch und der jeweiligen Pos-Nummer.

Alle Elemente, welche vom schwarzen Strich der Pos-Nummer ausgehend berührt / erfasst werden, gehören zu dieser Pos-Nummer und somit zu diesem Artikel. Jede Pos-Nummer ist ein eigenständiger Artikel, welchen Sie in der Auflistung finden.

Sie erhalten stets die aktuellste, neueste Produktversion zu der gewählten Pos-Nummer seitens des Herstellers. Es kann daher je nach Gerätealter vorkommen, dass Sie ggf. weitere, zugehörige Elemente, welche an diese Pos-Nummer grenzen, ebenfalls mittauschen müssen.

Nähere Informationen finden Sie unter dem Link
Hinweise zu Ihrer BOSCH Ersatzteilsuche

Preisübersicht

Einzelpreis: 3,94 €* (Brutto: 4,69 €)
Gesamtpreis: 3,94 €* 
Position:

Lieferzeit: 5 Werktage


Beschreibung

  • Sechskantmutter
  • Original Bosch Zubehör / BOSCH Ersatzteil (2610959335)
  • im Gerät verbaut: 1
Dieses BOSCH Ersatzteil ist mit folgendem Gerät und Modell kompatibel:
  • BOSCH Gerätename: 3380
  • BOSCH Explosionszeichnung: Position 55
  • BOSCH Typennummer: F012338000
  • BOSCH Typennummer alternative Schreibweisen: F 012 338 000, F012 338 000, F.012.338.000, F-012-338-000
    Bitte prüfen Sie diese Typennummer auf Ihrem Gerät um die Kompatibilität des BOSCH Ersatzteils zu gewährleisten.
Weitere BOSCH Ersatzteile des Gerätes 3380 (Schleifbock) mit der Typennummer F012338000 finden Sie in der nachfolgenden Darstellung und im Dropdown zu Ihrer Auswahl:

Pos.
1
BOSCH Schnur | Ersatzteile für 3380 | 2610958981
Hersteller: BOSCH
Artikelnummer: EB-F012338000-2610958981
nur Informationsartikel
Nie mehr lieferbar
keine Alternativen
Pos.
16
BOSCH Netzschalter | Ersatzteile für 3380 | 2610959243
Hersteller: BOSCH
Artikelnummer: EB-F012338000-2610959243
nur Informationsartikel
Nie mehr lieferbar
keine Alternativen
Pos.
34
BOSCH Knopf | Ersatzteile für 3380 | 2610959408
Hersteller: BOSCH
Artikelnummer: EB-F012338000-2610959408
nur Informationsartikel
Nie mehr lieferbar
keine Alternativen
Pos.
39
BOSCH Schutz | Ersatzteile für 3380 | 2610959409
Hersteller: BOSCH
Artikelnummer: EB-F012338000-2610959409
nur Informationsartikel
Nie mehr lieferbar
keine Alternativen
Pos.
40
BOSCH Flansch | Ersatzteile für 3380 | 2610959244
Hersteller: BOSCH
Artikelnummer: EB-F012338000-2610959244
nur Informationsartikel
Nie mehr lieferbar
keine Alternativen
Pos.
42
BOSCH Abdeckung | Ersatzteile für 3380 | 2610959245
Hersteller: BOSCH
Artikelnummer: EB-F012338000-2610959245
nur Informationsartikel
Nie mehr lieferbar
keine Alternativen
Pos.
43
BOSCH Sechskantmutter | Ersatzteile für 3380 | 2610959246
Hersteller: BOSCH
Artikelnummer: EB-F012338000-2610959246
Netto: 3,93 € zzgl. MwSt.
zzgl. 6,90 € Versand (brutto)
einmalig pro Bestellung

Lieferzeit: 5 Werktage

Pos.
52
BOSCH Radschutz | Ersatzteile für 3380 | 2610959249
Hersteller: BOSCH
Artikelnummer: EB-F012338000-2610959249
nur Informationsartikel
Nie mehr lieferbar
keine Alternativen
Pos.
54
BOSCH Abdeckung | Ersatzteile für 3380 | 2610959410
Hersteller: BOSCH
Artikelnummer: EB-F012338000-2610959410
Netto: 10,47 € zzgl. MwSt.
zzgl. 6,90 € Versand (brutto)
einmalig pro Bestellung

Lieferzeit: 5 Werktage

Pos.
55
BOSCH Sechskantmutter | Ersatzteile für 3380 | 2610959335
Hersteller: BOSCH
Artikelnummer: EB-F012338000-2610959335
Netto: 3,93 € zzgl. MwSt.
zzgl. 6,90 € Versand (brutto)
einmalig pro Bestellung

Lieferzeit: 5 Werktage

Pos.
58
BOSCH Radschutz | Ersatzteile für 3380 | 2610959337
Hersteller: BOSCH
Artikelnummer: EB-F012338000-2610959337
nur Informationsartikel
Nie mehr lieferbar
keine Alternativen
Pos.
838
BOSCH Schutzschild | Ersatzteile für 3380 | 2610959411
Hersteller: BOSCH
Artikelnummer: EB-F012338000-2610959411
nur Informationsartikel
Nie mehr lieferbar
keine Alternativen
Pos.
847
BOSCH Support | Ersatzteile für 3380 | 2610959412
Hersteller: BOSCH
Artikelnummer: EB-F012338000-2610959412
nur Informationsartikel
Nie mehr lieferbar
keine Alternativen
Pos.
860
BOSCH Support | Ersatzteile für 3380 | 2610959413
Hersteller: BOSCH
Artikelnummer: EB-F012338000-2610959413
nur Informationsartikel
Nie mehr lieferbar
keine Alternativen

Angaben zur Produktsicherheit

Hersteller:
Robert Bosch Power Tools GmbH
Postfach 30 02 20
70442 Stuttgart

E-Mail:
kontakt@bosch.de