BOSCH Kreuzschlitzschraube | Ersatzteile für 3395 TYPE 1 | 2610306005

Artikelnummer: EB-F01233950A-2610306005

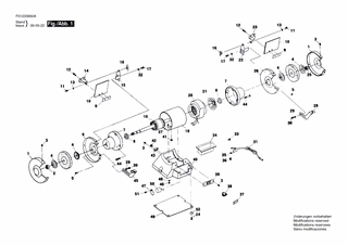
Position: 11

Marke: BOSCH


Bitte Kompatibilität prüfen!

Bitte prüfen Sie unbedingt die 10-stellige Typennummer Ihrer Maschine / Ihres Gerätes. Das Ersatzteil ist nur kompatibel, wenn Sie die Typennummer Ihrer Maschine in der unten stehenden Produktbeschreibung finden.

Bitte prüfen Sie ebenfalls detailliert die Explosionszeichnung mit Ihrem Artikelwunsch und der jeweiligen Pos-Nummer.

Alle Elemente, welche vom schwarzen Strich der Pos-Nummer ausgehend berührt / erfasst werden, gehören zu dieser Pos-Nummer und somit zu diesem Artikel. Jede Pos-Nummer ist ein eigenständiger Artikel, welchen Sie in der Auflistung finden.

Sie erhalten stets die aktuellste, neueste Produktversion zu der gewählten Pos-Nummer seitens des Herstellers. Es kann daher je nach Gerätealter vorkommen, dass Sie ggf. weitere, zugehörige Elemente, welche an diese Pos-Nummer grenzen, ebenfalls mittauschen müssen.

Nähere Informationen finden Sie unter dem Link
Hinweise zu Ihrer BOSCH Ersatzteilsuche

Preisübersicht

Einzelpreis: 1,39 €* (Brutto: 1,65 €)
Gesamtpreis: 1,39 €* 
Position:

Lieferzeit: 5 Werktage


Beschreibung

  • Kreuzschlitzschraube
  • Original Bosch Zubehör / BOSCH Ersatzteil (2610306005)
  • im Gerät verbaut: 1
Dieses BOSCH Ersatzteil ist mit folgendem Gerät und Modell kompatibel:
  • BOSCH Gerätename: 3395 TYPE 1
  • BOSCH Explosionszeichnung: Position 11
  • BOSCH Typennummer: F01233950A
  • BOSCH Typennummer alternative Schreibweisen: F 012 339 50A, F012 339 50A, F.012.339.50A, F-012-339-50A
    Bitte prüfen Sie diese Typennummer auf Ihrem Gerät um die Kompatibilität des BOSCH Ersatzteils zu gewährleisten.
Weitere BOSCH Ersatzteile des Gerätes 3395 TYPE 1 (Schleifbock) mit der Typennummer F01233950A finden Sie in der nachfolgenden Darstellung und im Dropdown zu Ihrer Auswahl:

Pos.
1
BOSCH Abdeckung | Ersatzteile für 3395 TYPE 1 | 2610901655
Hersteller: BOSCH
Artikelnummer: EB-F01233950A-2610901655
nur Informationsartikel
Nie mehr lieferbar
keine Alternativen
Pos.
2
BOSCH Mutter | Ersatzteile für 3395 TYPE 1 | 2610902408
Hersteller: BOSCH
Artikelnummer: EB-F01233950A-2610902408
nur Informationsartikel
Nie mehr lieferbar
keine Alternativen
Pos.
3
BOSCH Schraube | Ersatzteile für 3395 TYPE 1 | 2610358994
Hersteller: BOSCH
Artikelnummer: EB-F01233950A-2610358994
nur Informationsartikel
Nie mehr lieferbar
keine Alternativen
Pos.
4
BOSCH Flansch | Ersatzteile für 3395 TYPE 1 | 2610901656
Hersteller: BOSCH
Artikelnummer: EB-F01233950A-2610901656
nur Informationsartikel
Nie mehr lieferbar
keine Alternativen
Pos.
5
BOSCH Schraube | Ersatzteile für 3395 TYPE 1 | 2610358995
Hersteller: BOSCH
Artikelnummer: EB-F01233950A-2610358995
nur Informationsartikel
Nie mehr lieferbar
keine Alternativen
Pos.
6
BOSCH Abdeckung | Ersatzteile für 3395 TYPE 1 | 2610901659
Hersteller: BOSCH
Artikelnummer: EB-F01233950A-2610901659
nur Informationsartikel
Nie mehr lieferbar
keine Alternativen
Pos.
7
BOSCH Abdeckung | Ersatzteile für 3395 TYPE 1 | 2610901660
Hersteller: BOSCH
Artikelnummer: EB-F01233950A-2610901660
nur Informationsartikel
Nie mehr lieferbar
keine Alternativen
Pos.
8
BOSCH Lager | Ersatzteile für 3395 TYPE 1 | 2610902402
Hersteller: BOSCH
Artikelnummer: EB-F01233950A-2610902402
nur Informationsartikel
Nie mehr lieferbar
keine Alternativen
Pos.
9
BOSCH Platte | Ersatzteile für 3395 TYPE 1 | 2610901670
Hersteller: BOSCH
Artikelnummer: EB-F01233950A-2610901670
nur Informationsartikel
Nie mehr lieferbar
keine Alternativen
Pos.
10
BOSCH Abdeckung | Ersatzteile für 3395 TYPE 1 | 2610901671
Hersteller: BOSCH
Artikelnummer: EB-F01233950A-2610901671
nur Informationsartikel
Nie mehr lieferbar
keine Alternativen
Pos.
11
BOSCH Kreuzschlitzschraube | Ersatzteile für 3395 TYPE 1 | 2610306005
Hersteller: BOSCH
Artikelnummer: EB-F01233950A-2610306005
Netto: 1,39 € zzgl. MwSt.
zzgl. 6,90 € Versand (brutto)
einmalig pro Bestellung

Lieferzeit: 5 Werktage

Pos.
12
BOSCH Schraube | Ersatzteile für 3395 TYPE 1 | 2610901673
Hersteller: BOSCH
Artikelnummer: EB-F01233950A-2610901673
nur Informationsartikel
Nie mehr lieferbar
keine Alternativen
Pos.
13
BOSCH Unterlegscheibe | Ersatzteile für 3395 TYPE 1 | 2610355304
Hersteller: BOSCH
Artikelnummer: EB-F01233950A-2610355304
nur Informationsartikel
Nie mehr lieferbar
keine Alternativen
Pos.
14
BOSCH Bügelhalter | Ersatzteile für 3395 TYPE 1 | 2610901679
Hersteller: BOSCH
Artikelnummer: EB-F01233950A-2610901679
nur Informationsartikel
Nie mehr lieferbar
keine Alternativen
Pos.
15
BOSCH Abdeckung | Ersatzteile für 3395 TYPE 1 | 2610901678
Hersteller: BOSCH
Artikelnummer: EB-F01233950A-2610901678
nur Informationsartikel
Nie mehr lieferbar
keine Alternativen
Pos.
16
BOSCH Flügelmutter | Ersatzteile für 3395 TYPE 1 | 2615292012
Hersteller: BOSCH
Artikelnummer: EB-F01233950A-2615292012
nur Informationsartikel
Nie mehr lieferbar
keine Alternativen
Pos.
17
BOSCH Schraube | Ersatzteile für 3395 TYPE 1 | 2610901676
Hersteller: BOSCH
Artikelnummer: EB-F01233950A-2610901676
nur Informationsartikel
Nie mehr lieferbar
keine Alternativen
Pos.
18
BOSCH Rotor | Ersatzteile für 3395 TYPE 1 | 2610901666
Hersteller: BOSCH
Artikelnummer: EB-F01233950A-2610901666
nur Informationsartikel
Nie mehr lieferbar
keine Alternativen
Pos.
19
BOSCH Gerätegehäuse | Ersatzteile für 3395 TYPE 1 | 2610901667
Hersteller: BOSCH
Artikelnummer: EB-F01233950A-2610901667
nur Informationsartikel
Nie mehr lieferbar
keine Alternativen
Pos.
20
BOSCH Ständer | Ersatzteile für 3395 TYPE 1 | 2610901668
Hersteller: BOSCH
Artikelnummer: EB-F01233950A-2610901668
nur Informationsartikel
Nie mehr lieferbar
keine Alternativen
Pos.
21
BOSCH Lüfter | Ersatzteile für 3395 TYPE 1 | 2610358993
Hersteller: BOSCH
Artikelnummer: EB-F01233950A-2610358993
nur Informationsartikel
Nie mehr lieferbar
keine Alternativen
Pos.
22
BOSCH Abdeckung | Ersatzteile für 3395 TYPE 1 | 2610901674
Hersteller: BOSCH
Artikelnummer: EB-F01233950A-2610901674
nur Informationsartikel
Nie mehr lieferbar
keine Alternativen
Pos.
23
BOSCH Bügelhalter | Ersatzteile für 3395 TYPE 1 | 2610901672
Hersteller: BOSCH
Artikelnummer: EB-F01233950A-2610901672
nur Informationsartikel
Nie mehr lieferbar
keine Alternativen
Pos.
24
BOSCH Schraube | Ersatzteile für 3395 TYPE 1 | 2610358999
Hersteller: BOSCH
Artikelnummer: EB-F01233950A-2610358999
nur Informationsartikel
Nie mehr lieferbar
keine Alternativen
Pos.
25
BOSCH Mutter | Ersatzteile für 3395 TYPE 1 | 2610902407
Hersteller: BOSCH
Artikelnummer: EB-F01233950A-2610902407
nur Informationsartikel
Nie mehr lieferbar
keine Alternativen
Pos.
26
BOSCH Abdeckung | Ersatzteile für 3395 TYPE 1 | 2610901669
Hersteller: BOSCH
Artikelnummer: EB-F01233950A-2610901669
nur Informationsartikel
Nie mehr lieferbar
keine Alternativen
Pos.
27
BOSCH Schraube | Ersatzteile für 3395 TYPE 1 | 2610902413
Hersteller: BOSCH
Artikelnummer: EB-F01233950A-2610902413
nur Informationsartikel
Nie mehr lieferbar
keine Alternativen
Pos.
28
BOSCH Stütze | Ersatzteile für 3395 TYPE 1 | 2610901662
Hersteller: BOSCH
Artikelnummer: EB-F01233950A-2610901662
nur Informationsartikel
Nie mehr lieferbar
keine Alternativen
Pos.
29
BOSCH Scheibe | Ersatzteile für 3395 TYPE 1 | 2610901664
Hersteller: BOSCH
Artikelnummer: EB-F01233950A-2610901664
nur Informationsartikel
Nie mehr lieferbar
keine Alternativen
Pos.
30
BOSCH Schraube | Ersatzteile für 3395 TYPE 1 | 2610901663
Hersteller: BOSCH
Artikelnummer: EB-F01233950A-2610901663
nur Informationsartikel
Nie mehr lieferbar
keine Alternativen
Pos.
31
BOSCH Netzanschlussleitung | Ersatzteile für 3395 TYPE 1 | 2610902400
Hersteller: BOSCH
Artikelnummer: EB-F01233950A-2610902400
nur Informationsartikel
Nie mehr lieferbar
keine Alternativen
Pos.
32
BOSCH Scheibe | Ersatzteile für 3395 TYPE 1 | 2610901675
Hersteller: BOSCH
Artikelnummer: EB-F01233950A-2610901675
nur Informationsartikel
Nie mehr lieferbar
keine Alternativen
Pos.
33
BOSCH Steckkupplung | Ersatzteile für 3395 TYPE 1 | 2610304943
Hersteller: BOSCH
Artikelnummer: EB-F01233950A-2610304943
nur Informationsartikel
Nie mehr lieferbar
keine Alternativen
Pos.
34
BOSCH Halterung | Ersatzteile für 3395 TYPE 1 | 2610901680
Hersteller: BOSCH
Artikelnummer: EB-F01233950A-2610901680
nur Informationsartikel
Nie mehr lieferbar
keine Alternativen
Pos.
35
BOSCH Unterlegscheibe | Ersatzteile für 3395 TYPE 1 | 2610355269
Hersteller: BOSCH
Artikelnummer: EB-F01233950A-2610355269
nur Informationsartikel
Nie mehr lieferbar
keine Alternativen
Pos.
37
BOSCH Abdeckung | Ersatzteile für 3395 TYPE 1 | 2610358971
Hersteller: BOSCH
Artikelnummer: EB-F01233950A-2610358971
nur Informationsartikel
Nie mehr lieferbar
keine Alternativen
Pos.
38
BOSCH Ein/Aus-Schalter | Ersatzteile für 3395 TYPE 1 | 2615296354
Hersteller: BOSCH
Artikelnummer: EB-F01233950A-2615296354
nur Informationsartikel
Nie mehr lieferbar
keine Alternativen
Pos.
39
BOSCH Platte | Ersatzteile für 3395 TYPE 1 | 2610901654
Hersteller: BOSCH
Artikelnummer: EB-F01233950A-2610901654
nur Informationsartikel
Nie mehr lieferbar
keine Alternativen
Pos.
40
BOSCH Sockel | Ersatzteile für 3395 TYPE 1 | 2610911238
Hersteller: BOSCH
Artikelnummer: EB-F01233950A-2610911238
nur Informationsartikel
Nie mehr lieferbar
keine Alternativen
Pos.
41
BOSCH Tülle | Ersatzteile für 3395 TYPE 1 | 2610902406
Hersteller: BOSCH
Artikelnummer: EB-F01233950A-2610902406
nur Informationsartikel
Nie mehr lieferbar
keine Alternativen
Pos.
42
BOSCH Tülle | Ersatzteile für 3395 TYPE 1 | 2610068489
Hersteller: BOSCH
Artikelnummer: EB-F01233950A-2610068489
nur Informationsartikel
Nie mehr lieferbar
keine Alternativen
Pos.
43
BOSCH Platte | Ersatzteile für 3395 TYPE 1 | 2610358974
Hersteller: BOSCH
Artikelnummer: EB-F01233950A-2610358974
nur Informationsartikel
Nie mehr lieferbar
keine Alternativen
Pos.
44
BOSCH Schraube | Ersatzteile für 3395 TYPE 1 | 2610901665
Hersteller: BOSCH
Artikelnummer: EB-F01233950A-2610901665
nur Informationsartikel
Nie mehr lieferbar
keine Alternativen
Pos.
45
BOSCH Stütze | Ersatzteile für 3395 TYPE 1 | 2610901661
Hersteller: BOSCH
Artikelnummer: EB-F01233950A-2610901661
nur Informationsartikel
Nie mehr lieferbar
keine Alternativen
Pos.
46
BOSCH Mutter | Ersatzteile für 3395 TYPE 1 | 2610011489
Hersteller: BOSCH
Artikelnummer: EB-F01233950A-2610011489
nur Informationsartikel
Nie mehr lieferbar
keine Alternativen
Pos.
47
BOSCH Lasche | Ersatzteile für 3395 TYPE 1 | 2610901652
Hersteller: BOSCH
Artikelnummer: EB-F01233950A-2610901652
nur Informationsartikel
Nie mehr lieferbar
keine Alternativen
Pos.
48
BOSCH Scheibe | Ersatzteile für 3395 TYPE 1 | 2610305957
Hersteller: BOSCH
Artikelnummer: EB-F01233950A-2610305957
nur Informationsartikel
Nie mehr lieferbar
keine Alternativen
Pos.
49
BOSCH Abdeckung | Ersatzteile für 3395 TYPE 1 | 2610901651
Hersteller: BOSCH
Artikelnummer: EB-F01233950A-2610901651
nur Informationsartikel
Nie mehr lieferbar
keine Alternativen
Pos.
50
BOSCH Kondensator | Ersatzteile für 3395 TYPE 1 | 2610901653
Hersteller: BOSCH
Artikelnummer: EB-F01233950A-2610901653
nur Informationsartikel
Nie mehr lieferbar
keine Alternativen
Pos.
52
BOSCH Tülle | Ersatzteile für 3395 TYPE 1 | 2610358998
Hersteller: BOSCH
Artikelnummer: EB-F01233950A-2610358998
nur Informationsartikel
Nie mehr lieferbar
keine Alternativen

Angaben zur Produktsicherheit

Hersteller:
Robert Bosch Power Tools GmbH
Postfach 30 02 20
70442 Stuttgart

E-Mail:
kontakt@bosch.de