BOSCH Halteblech | Ersatzteile für 3400 TYPE 2 | 2610358808

Artikelnummer: EB-F012340098-2610358808

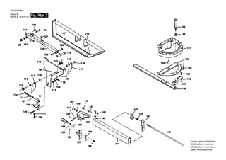
Position: 117

Marke: BOSCH


Bitte Kompatibilität prüfen!

Bitte prüfen Sie unbedingt die 10-stellige Typennummer Ihrer Maschine / Ihres Gerätes. Das Ersatzteil ist nur kompatibel, wenn Sie die Typennummer Ihrer Maschine in der unten stehenden Produktbeschreibung finden.

Bitte prüfen Sie ebenfalls detailliert die Explosionszeichnung mit Ihrem Artikelwunsch und der jeweiligen Pos-Nummer.

Alle Elemente, welche vom schwarzen Strich der Pos-Nummer ausgehend berührt / erfasst werden, gehören zu dieser Pos-Nummer und somit zu diesem Artikel. Jede Pos-Nummer ist ein eigenständiger Artikel, welchen Sie in der Auflistung finden.

Sie erhalten stets die aktuellste, neueste Produktversion zu der gewählten Pos-Nummer seitens des Herstellers. Es kann daher je nach Gerätealter vorkommen, dass Sie ggf. weitere, zugehörige Elemente, welche an diese Pos-Nummer grenzen, ebenfalls mittauschen müssen.

Nähere Informationen finden Sie unter dem Link
Hinweise zu Ihrer BOSCH Ersatzteilsuche

Preisübersicht

Einzelpreis: 1,39 €* (Brutto: 1,65 €)
Gesamtpreis: 1,39 €* 
Position:

Lieferzeit: 5 Werktage


Beschreibung

  • Halteblech
  • Original Bosch Zubehör / BOSCH Ersatzteil (2610358808)
  • im Gerät verbaut: 1
Dieses BOSCH Ersatzteil ist mit folgendem Gerät und Modell kompatibel:
  • BOSCH Gerätename: 3400 TYPE 2
  • BOSCH Explosionszeichnung: Position 117
  • BOSCH Typennummer: F012340098
  • BOSCH Typennummer alternative Schreibweisen: F 012 340 098, F012 340 098, F.012.340.098, F-012-340-098
    Bitte prüfen Sie diese Typennummer auf Ihrem Gerät um die Kompatibilität des BOSCH Ersatzteils zu gewährleisten.
Weitere BOSCH Ersatzteile des Gerätes 3400 TYPE 2 (Sägetisch) mit der Typennummer F012340098 finden Sie in der nachfolgenden Darstellung und im Dropdown zu Ihrer Auswahl:

Pos.
1
BOSCH Schraube | Ersatzteile für 3400 TYPE 2 | 2610358839
Hersteller: BOSCH
Artikelnummer: EB-F012340098-2610358839
nur Informationsartikel
Nie mehr lieferbar
keine Alternativen
Pos.
2
BOSCH Verschlussstück | Ersatzteile für 3400 TYPE 2 | 2610358834
Hersteller: BOSCH
Artikelnummer: EB-F012340098-2610358834
nur Informationsartikel
Nie mehr lieferbar
keine Alternativen
Pos.
3
BOSCH Knopf | Ersatzteile für 3400 TYPE 2 | 2610358838
Hersteller: BOSCH
Artikelnummer: EB-F012340098-2610358838
Netto: 1,83 € zzgl. MwSt.
zzgl. 6,90 € Versand (brutto)
einmalig pro Bestellung

Lieferzeit: 5 Werktage

Pos.
4
BOSCH Mutter | Ersatzteile für 3400 TYPE 2 | 2610044563
Hersteller: BOSCH
Artikelnummer: EB-F012340098-2610044563
Netto: 0,95 € zzgl. MwSt.
zzgl. 6,90 € Versand (brutto)
einmalig pro Bestellung

Lieferzeit: 5 Werktage

Pos.
5
BOSCH Hebel | Ersatzteile für 3400 TYPE 2 | 2610358835
Hersteller: BOSCH
Artikelnummer: EB-F012340098-2610358835
nur Informationsartikel
Nie mehr lieferbar
keine Alternativen
Pos.
6
BOSCH Scheibe | Ersatzteile für 3400 TYPE 2 | 2610358833
Hersteller: BOSCH
Artikelnummer: EB-F012340098-2610358833
Netto: 0,95 € zzgl. MwSt.
zzgl. 6,90 € Versand (brutto)
einmalig pro Bestellung

Lieferzeit: 5 Werktage

Pos.
7
BOSCH Gewindebolzen | Ersatzteile für 3400 TYPE 2 | 2610358836
Hersteller: BOSCH
Artikelnummer: EB-F012340098-2610358836
nur Informationsartikel
Nie mehr lieferbar
keine Alternativen
Pos.
8
BOSCH Ein/Aus-Schalter | Ersatzteile für 3400 TYPE 2 | 2610358111
Hersteller: BOSCH
Artikelnummer: EB-F012340098-2610358111
nur Informationsartikel
Nie mehr lieferbar
keine Alternativen
Pos.
9
BOSCH Schraube | Ersatzteile für 3400 TYPE 2 | 2610903743
Hersteller: BOSCH
Artikelnummer: EB-F012340098-2610903743
nur Informationsartikel
Nie mehr lieferbar
keine Alternativen
Pos.
10
BOSCH Bolzen | Ersatzteile für 3400 TYPE 2 | 2610358837
Hersteller: BOSCH
Artikelnummer: EB-F012340098-2610358837
nur Informationsartikel
Nie mehr lieferbar
keine Alternativen
Pos.
11
BOSCH Schraube | Ersatzteile für 3400 TYPE 2 | 2610358844
Hersteller: BOSCH
Artikelnummer: EB-F012340098-2610358844
Netto: 3,94 € zzgl. MwSt.
zzgl. 6,90 € Versand (brutto)
einmalig pro Bestellung

Lieferzeit: 5 Werktage

Pos.
12
BOSCH Führungsleiste | Ersatzteile für 3400 TYPE 2 | 2610358902
Hersteller: BOSCH
Artikelnummer: EB-F012340098-2610358902
Netto: 18,23 € zzgl. MwSt.
zzgl. 6,90 € Versand (brutto)
einmalig pro Bestellung

Lieferzeit: 5 Werktage

Pos.
13
BOSCH Feder | Ersatzteile für 3400 TYPE 2 | 2610903733
Hersteller: BOSCH
Artikelnummer: EB-F012340098-2610903733
Netto: 1,39 € zzgl. MwSt.
zzgl. 6,90 € Versand (brutto)
einmalig pro Bestellung

Lieferzeit: 5 Werktage

Pos.
14
BOSCH Abdeckung | Ersatzteile für 3400 TYPE 2 | 2610905925
Hersteller: BOSCH
Artikelnummer: EB-F012340098-2610905925
nur Informationsartikel
Nie mehr lieferbar
keine Alternativen
Pos.
15
BOSCH Netzanschlussleitung | Ersatzteile für 3400 TYPE 2 | 2610909430
Hersteller: BOSCH
Artikelnummer: EB-F012340098-2610909430
Netto: 21,19 € zzgl. MwSt.
zzgl. 6,90 € Versand (brutto)
einmalig pro Bestellung

Lieferzeit: 5 Werktage

Pos.
16
BOSCH Abdeckkappe | Ersatzteile für 3400 TYPE 2 | 2610358903
Hersteller: BOSCH
Artikelnummer: EB-F012340098-2610358903
Netto: 1,61 € zzgl. MwSt.
zzgl. 6,90 € Versand (brutto)
einmalig pro Bestellung

Lieferzeit: 5 Werktage

Pos.
17
BOSCH Schraube | Ersatzteile für 3400 TYPE 2 | 2610358832
Hersteller: BOSCH
Artikelnummer: EB-F012340098-2610358832
Netto: 3,94 € zzgl. MwSt.
zzgl. 6,90 € Versand (brutto)
einmalig pro Bestellung

Lieferzeit: 5 Werktage

Pos.
18
BOSCH Spannplatte | Ersatzteile für 3400 TYPE 2 | 2610358831
Hersteller: BOSCH
Artikelnummer: EB-F012340098-2610358831
Netto: 0,95 € zzgl. MwSt.
zzgl. 6,90 € Versand (brutto)
einmalig pro Bestellung

Lieferzeit: 5 Werktage

Pos.
19
BOSCH Tisch | Ersatzteile für 3400 TYPE 2 | 2610905907
Hersteller: BOSCH
Artikelnummer: EB-F012340098-2610905907
Netto: 101,11 € zzgl. MwSt.
zzgl. 6,90 € Versand (brutto)
einmalig pro Bestellung

Lieferzeit: 5 Werktage

Pos.
20
BOSCH Schraube | Ersatzteile für 3400 TYPE 2 | 2610358827
Hersteller: BOSCH
Artikelnummer: EB-F012340098-2610358827
Netto: 0,95 € zzgl. MwSt.
zzgl. 6,90 € Versand (brutto)
einmalig pro Bestellung

Lieferzeit: 5 Werktage

Pos.
21
BOSCH Schraube | Ersatzteile für 3400 TYPE 2 | 2610358828
Hersteller: BOSCH
Artikelnummer: EB-F012340098-2610358828
Netto: 0,95 € zzgl. MwSt.
zzgl. 6,90 € Versand (brutto)
einmalig pro Bestellung

Lieferzeit: 5 Werktage

Pos.
22
BOSCH Gummibuchse | Ersatzteile für 3400 TYPE 2 | 2610358846
Hersteller: BOSCH
Artikelnummer: EB-F012340098-2610358846
Netto: 3,94 € zzgl. MwSt.
zzgl. 6,90 € Versand (brutto)
einmalig pro Bestellung

Lieferzeit: 5 Werktage

Pos.
23
BOSCH Sockel | Ersatzteile für 3400 TYPE 2 | 2610358829
Hersteller: BOSCH
Artikelnummer: EB-F012340098-2610358829
nur Informationsartikel
Nie mehr lieferbar
keine Alternativen
Pos.
24
BOSCH Sechskantschraube | Ersatzteile für 3400 TYPE 2 | 2610358841
Hersteller: BOSCH
Artikelnummer: EB-F012340098-2610358841
nur Informationsartikel
Nie mehr lieferbar
keine Alternativen
Pos.
25
BOSCH Klemmschelle | Ersatzteile für 3400 TYPE 2 | 2610358842
Hersteller: BOSCH
Artikelnummer: EB-F012340098-2610358842
Netto: 3,94 € zzgl. MwSt.
zzgl. 6,90 € Versand (brutto)
einmalig pro Bestellung

Lieferzeit: 5 Werktage

Pos.
26
BOSCH Tülle | Ersatzteile für 3400 TYPE 2 | 2610358840
Hersteller: BOSCH
Artikelnummer: EB-F012340098-2610358840
Netto: 4,36 € zzgl. MwSt.
zzgl. 6,90 € Versand (brutto)
einmalig pro Bestellung

Lieferzeit: 5 Werktage

Pos.
27
BOSCH Klemme | Ersatzteile für 3400 TYPE 2 | 2610358847
Hersteller: BOSCH
Artikelnummer: EB-F012340098-2610358847
nur Informationsartikel
Nie mehr lieferbar
keine Alternativen
Pos.
28
BOSCH Sechskantschraube | Ersatzteile für 3400 TYPE 2 | 2610358830
Hersteller: BOSCH
Artikelnummer: EB-F012340098-2610358830
Netto: 0,95 € zzgl. MwSt.
zzgl. 6,90 € Versand (brutto)
einmalig pro Bestellung

Lieferzeit: 5 Werktage

Pos.
29
BOSCH Mutter | Ersatzteile für 3400 TYPE 2 | 2610358824
Hersteller: BOSCH
Artikelnummer: EB-F012340098-2610358824
Netto: 0,95 € zzgl. MwSt.
zzgl. 6,90 € Versand (brutto)
einmalig pro Bestellung

Lieferzeit: 5 Werktage

Pos.
30
BOSCH Staubschutz | Ersatzteile für 3400 TYPE 2 | 2610358883
Hersteller: BOSCH
Artikelnummer: EB-F012340098-2610358883
nur Informationsartikel
Nie mehr lieferbar
keine Alternativen
Pos.
31
BOSCH Schraube | Ersatzteile für 3400 TYPE 2 | 2610358823
Hersteller: BOSCH
Artikelnummer: EB-F012340098-2610358823
Netto: 0,95 € zzgl. MwSt.
zzgl. 6,90 € Versand (brutto)
einmalig pro Bestellung

Lieferzeit: 5 Werktage

Pos.
32
BOSCH Ringschlüssel | Ersatzteile für 3400 TYPE 2 | 2610996880
Hersteller: BOSCH
Artikelnummer: EB-F012340098-2610996880
Netto: 6,27 € zzgl. MwSt.
zzgl. 6,90 € Versand (brutto)
einmalig pro Bestellung

Lieferzeit: 5 Werktage

Pos.
33
BOSCH Einmaulschlüssel | Ersatzteile für 3400 TYPE 2 | 2610358853
Hersteller: BOSCH
Artikelnummer: EB-F012340098-2610358853
nur Informationsartikel
Nie mehr lieferbar
keine Alternativen
Pos.
34
BOSCH Schraube | Ersatzteile für 3400 TYPE 2 | 2610905909
Hersteller: BOSCH
Artikelnummer: EB-F012340098-2610905909
Netto: 0,95 € zzgl. MwSt.
zzgl. 6,90 € Versand (brutto)
einmalig pro Bestellung

Lieferzeit: 5 Werktage

Pos.
35
BOSCH Beilegring | Ersatzteile für 3400 TYPE 2 | 2610358904
Hersteller: BOSCH
Artikelnummer: EB-F012340098-2610358904
Netto: 1,61 € zzgl. MwSt.
zzgl. 6,90 € Versand (brutto)
einmalig pro Bestellung

Lieferzeit: 5 Werktage

Pos.
36
BOSCH Mutter | Ersatzteile für 3400 TYPE 2 | 2610358876
Hersteller: BOSCH
Artikelnummer: EB-F012340098-2610358876
Netto: 0,95 € zzgl. MwSt.
zzgl. 6,90 € Versand (brutto)
einmalig pro Bestellung

Lieferzeit: 5 Werktage

Pos.
37
BOSCH Einsatz | Ersatzteile für 3400 TYPE 2 | 2610358822
Hersteller: BOSCH
Artikelnummer: EB-F012340098-2610358822
nur Informationsartikel
Nie mehr lieferbar
keine Alternativen
Pos.
38
BOSCH Kreuzschlitzschraube | Ersatzteile für 3400 TYPE 2 | 2610358826
Hersteller: BOSCH
Artikelnummer: EB-F012340098-2610358826
Netto: 0,95 € zzgl. MwSt.
zzgl. 6,90 € Versand (brutto)
einmalig pro Bestellung

Lieferzeit: 5 Werktage

Pos.
45
BOSCH Tülle | Ersatzteile für 3400 TYPE 2 | 2610358934
Hersteller: BOSCH
Artikelnummer: EB-F012340098-2610358934
Netto: 1,39 € zzgl. MwSt.
zzgl. 6,90 € Versand (brutto)
einmalig pro Bestellung

Lieferzeit: 5 Werktage

Pos.
46
BOSCH Netzanschlussleitung | Ersatzteile für 3400 TYPE 2 | 2610905901
Hersteller: BOSCH
Artikelnummer: EB-F012340098-2610905901
nur Informationsartikel
Nie mehr lieferbar
keine Alternativen
Pos.
47
BOSCH Steckkupplung | Ersatzteile für 3400 TYPE 2 | 2610358932
Hersteller: BOSCH
Artikelnummer: EB-F012340098-2610358932
Netto: 3,94 € zzgl. MwSt.
zzgl. 6,90 € Versand (brutto)
einmalig pro Bestellung

Lieferzeit: 5 Werktage

Pos.
48
BOSCH Scheibe | Ersatzteile für 3400 TYPE 2 | 2610358849
Hersteller: BOSCH
Artikelnummer: EB-F012340098-2610358849
nur Informationsartikel
Nie mehr lieferbar
keine Alternativen
Pos.
49
BOSCH Schraube | Ersatzteile für 3400 TYPE 2 | 2610358920
Hersteller: BOSCH
Artikelnummer: EB-F012340098-2610358920
Netto: 0,95 € zzgl. MwSt.
zzgl. 6,90 € Versand (brutto)
einmalig pro Bestellung

Lieferzeit: 5 Werktage

Pos.
50
BOSCH Gerätegehäuse | Ersatzteile für 3400 TYPE 2 | 2610358935
Hersteller: BOSCH
Artikelnummer: EB-F012340098-2610358935
nur Informationsartikel
Nie mehr lieferbar
keine Alternativen
Pos.
51
BOSCH Gummipuffer | Ersatzteile für 3400 TYPE 2 | 2610358937
Hersteller: BOSCH
Artikelnummer: EB-F012340098-2610358937
nur Informationsartikel
Nie mehr lieferbar
keine Alternativen
Pos.
52
BOSCH Kohlebürstensatz | Ersatzteile für 3400 TYPE 2 | 2610909439
Hersteller: BOSCH
Artikelnummer: EB-F012340098-2610909439
Netto: 11,41 € zzgl. MwSt.
zzgl. 6,90 € Versand (brutto)
einmalig pro Bestellung

Lieferzeit: 5 Werktage

Pos.
53
BOSCH Verstellwelle | Ersatzteile für 3400 TYPE 2 | 2610358914
Hersteller: BOSCH
Artikelnummer: EB-F012340098-2610358914
Netto: 16,70 € zzgl. MwSt.
zzgl. 6,90 € Versand (brutto)
einmalig pro Bestellung

Lieferzeit: 5 Werktage

Pos.
54
BOSCH Mutter | Ersatzteile für 3400 TYPE 2 | 2610351107
Hersteller: BOSCH
Artikelnummer: EB-F012340098-2610351107
Netto: 0,95 € zzgl. MwSt.
zzgl. 6,90 € Versand (brutto)
einmalig pro Bestellung

Lieferzeit: 5 Werktage

Pos.
55
BOSCH Schraube | Ersatzteile für 3400 TYPE 2 | 2610358928
Hersteller: BOSCH
Artikelnummer: EB-F012340098-2610358928
nur Informationsartikel
Nie mehr lieferbar
keine Alternativen
Pos.
56
BOSCH Motorgehäuse | Ersatzteile für 3400 TYPE 2 | 2610358924
Hersteller: BOSCH
Artikelnummer: EB-F012340098-2610358924
nur Informationsartikel
Nie mehr lieferbar
keine Alternativen
Pos.
57
BOSCH Scheibe | Ersatzteile für 3400 TYPE 2 | 2610358927
Hersteller: BOSCH
Artikelnummer: EB-F012340098-2610358927
Netto: 3,94 € zzgl. MwSt.
zzgl. 6,90 € Versand (brutto)
einmalig pro Bestellung

Lieferzeit: 5 Werktage

Pos.
58
BOSCH Kugellager | Ersatzteile für 3400 TYPE 2 | 2610015747
Hersteller: BOSCH
Artikelnummer: EB-F012340098-2610015747
Netto: 12,50 € zzgl. MwSt.
zzgl. 6,90 € Versand (brutto)
einmalig pro Bestellung

Lieferzeit: 5 Werktage

Pos.
59
BOSCH Polschuh 120V | Ersatzteile für 3400 TYPE 2 | 2610909424
Hersteller: BOSCH
Artikelnummer: EB-F012340098-2610909424
Netto: 37,75 € zzgl. MwSt.
zzgl. 6,90 € Versand (brutto)
einmalig pro Bestellung

Lieferzeit: 5 Werktage

Pos.
60
BOSCH Scheibe | Ersatzteile für 3400 TYPE 2 | 2610358936
Hersteller: BOSCH
Artikelnummer: EB-F012340098-2610358936
Netto: 3,94 € zzgl. MwSt.
zzgl. 6,90 € Versand (brutto)
einmalig pro Bestellung

Lieferzeit: 5 Werktage

Pos.
61
BOSCH Rollen-Bundbolzen | Ersatzteile für 3400 TYPE 2 | 2610358926
Hersteller: BOSCH
Artikelnummer: EB-F012340098-2610358926
nur Informationsartikel
Nie mehr lieferbar
keine Alternativen
Pos.
62
BOSCH Anker 120V | Ersatzteile für 3400 TYPE 2 | 2610905924
Hersteller: BOSCH
Artikelnummer: EB-F012340098-2610905924
Netto: 99,94 € zzgl. MwSt.
zzgl. 6,90 € Versand (brutto)
einmalig pro Bestellung

Lieferzeit: 5 Werktage

Pos.
63
BOSCH Rillenkugellager | Ersatzteile für 3400 TYPE 2 | 2610017349
Hersteller: BOSCH
Artikelnummer: EB-F012340098-2610017349
Netto: 20,80 € zzgl. MwSt.
zzgl. 6,90 € Versand (brutto)
einmalig pro Bestellung

Lieferzeit: 5 Werktage

Pos.
64
BOSCH Getriebegehäuse | Ersatzteile für 3400 TYPE 2 | 2610908280
Hersteller: BOSCH
Artikelnummer: EB-F012340098-2610908280
nur Informationsartikel
Nie mehr lieferbar
keine Alternativen
Pos.
65
BOSCH Nadellager | Ersatzteile für 3400 TYPE 2 | 2610358922
Hersteller: BOSCH
Artikelnummer: EB-F012340098-2610358922
Netto: 10,62 € zzgl. MwSt.
zzgl. 6,90 € Versand (brutto)
einmalig pro Bestellung

Lieferzeit: 5 Werktage

Pos.
66
BOSCH Umsetzgetriebe | Ersatzteile für 3400 TYPE 2 | 2610358919
Hersteller: BOSCH
Artikelnummer: EB-F012340098-2610358919
nur Informationsartikel
Nie mehr lieferbar
keine Alternativen
Pos.
67
BOSCH Lagergehäuse | Ersatzteile für 3400 TYPE 2 | 2610358918
Hersteller: BOSCH
Artikelnummer: EB-F012340098-2610358918
Netto: 9,05 € zzgl. MwSt.
zzgl. 6,90 € Versand (brutto)
einmalig pro Bestellung

Lieferzeit: 5 Werktage

Pos.
68
BOSCH Lagergehäuse | Ersatzteile für 3400 TYPE 2 | 2610358917
Hersteller: BOSCH
Artikelnummer: EB-F012340098-2610358917
Netto: 5,17 € zzgl. MwSt.
zzgl. 6,90 € Versand (brutto)
einmalig pro Bestellung

Lieferzeit: 5 Werktage

Pos.
70
BOSCH Sicherungsring | Ersatzteile für 3400 TYPE 2 | 2610358916
Hersteller: BOSCH
Artikelnummer: EB-F012340098-2610358916
Netto: 0,95 € zzgl. MwSt.
zzgl. 6,90 € Versand (brutto)
einmalig pro Bestellung

Lieferzeit: 5 Werktage

Pos.
71
BOSCH Rillenkugellager | Ersatzteile für 3400 TYPE 2 | 2610015361
Hersteller: BOSCH
Artikelnummer: EB-F012340098-2610015361
Netto: 13,81 € zzgl. MwSt.
zzgl. 6,90 € Versand (brutto)
einmalig pro Bestellung

Lieferzeit: 5 Werktage

Pos.
72
BOSCH Schlüssel | Ersatzteile für 3400 TYPE 2 | 2610358915
Hersteller: BOSCH
Artikelnummer: EB-F012340098-2610358915
Netto: 4,56 € zzgl. MwSt.
zzgl. 6,90 € Versand (brutto)
einmalig pro Bestellung

Lieferzeit: 5 Werktage

Pos.
73
BOSCH Schraube | Ersatzteile für 3400 TYPE 2 | 2610358933
Hersteller: BOSCH
Artikelnummer: EB-F012340098-2610358933
nur Informationsartikel
Nie mehr lieferbar
keine Alternativen
Pos.
74
BOSCH Kreuzschlitzschraube | Ersatzteile für 3400 TYPE 2 | 2610306005
Hersteller: BOSCH
Artikelnummer: EB-F012340098-2610306005
Netto: 1,39 € zzgl. MwSt.
zzgl. 6,90 € Versand (brutto)
einmalig pro Bestellung

Lieferzeit: 5 Werktage

Pos.
75
BOSCH Scheibe | Ersatzteile für 3400 TYPE 2 | 2610026248
Hersteller: BOSCH
Artikelnummer: EB-F012340098-2610026248
nur Informationsartikel
Nie mehr lieferbar
keine Alternativen
Pos.
76
BOSCH Zeiger | Ersatzteile für 3400 TYPE 2 | 2610358881
Hersteller: BOSCH
Artikelnummer: EB-F012340098-2610358881
Netto: 1,83 € zzgl. MwSt.
zzgl. 6,90 € Versand (brutto)
einmalig pro Bestellung

Lieferzeit: 5 Werktage

Pos.
77
BOSCH Abweiser | Ersatzteile für 3400 TYPE 2 | 2610358880
Hersteller: BOSCH
Artikelnummer: EB-F012340098-2610358880
nur Informationsartikel
Nie mehr lieferbar
keine Alternativen
Pos.
78
BOSCH Lasche | Ersatzteile für 3400 TYPE 2 | 2610903744
Hersteller: BOSCH
Artikelnummer: EB-F012340098-2610903744
Netto: 0,95 € zzgl. MwSt.
zzgl. 6,90 € Versand (brutto)
einmalig pro Bestellung

Lieferzeit: 5 Werktage

Pos.
79
BOSCH Sechskantschraube | Ersatzteile für 3400 TYPE 2 | 2610358861
Hersteller: BOSCH
Artikelnummer: EB-F012340098-2610358861
Netto: 0,95 € zzgl. MwSt.
zzgl. 6,90 € Versand (brutto)
einmalig pro Bestellung

Lieferzeit: 5 Werktage

Pos.
80
BOSCH Distanzstück | Ersatzteile für 3400 TYPE 2 | 2610358862
Hersteller: BOSCH
Artikelnummer: EB-F012340098-2610358862
Netto: 1,39 € zzgl. MwSt.
zzgl. 6,90 € Versand (brutto)
einmalig pro Bestellung

Lieferzeit: 5 Werktage

Pos.
82
BOSCH Scheibe | Ersatzteile für 3400 TYPE 2 | 2610358879
Hersteller: BOSCH
Artikelnummer: EB-F012340098-2610358879
Netto: 0,95 € zzgl. MwSt.
zzgl. 6,90 € Versand (brutto)
einmalig pro Bestellung

Lieferzeit: 5 Werktage

Pos.
83
BOSCH Scheibe | Ersatzteile für 3400 TYPE 2 | 2610358878
Hersteller: BOSCH
Artikelnummer: EB-F012340098-2610358878
Netto: 0,95 € zzgl. MwSt.
zzgl. 6,90 € Versand (brutto)
einmalig pro Bestellung

Lieferzeit: 5 Werktage

Pos.
84
BOSCH Sechskantmutter | Ersatzteile für 3400 TYPE 2 | 2610358877
Hersteller: BOSCH
Artikelnummer: EB-F012340098-2610358877
Netto: 3,94 € zzgl. MwSt.
zzgl. 6,90 € Versand (brutto)
einmalig pro Bestellung

Lieferzeit: 5 Werktage

Pos.
85
BOSCH Gelenkbolzen | Ersatzteile für 3400 TYPE 2 | 2610358874
Hersteller: BOSCH
Artikelnummer: EB-F012340098-2610358874
Netto: 6,27 € zzgl. MwSt.
zzgl. 6,90 € Versand (brutto)
einmalig pro Bestellung

Lieferzeit: 5 Werktage

Pos.
86
BOSCH Distanzstück | Ersatzteile für 3400 TYPE 2 | 2610901978
Hersteller: BOSCH
Artikelnummer: EB-F012340098-2610901978
Netto: 3,94 € zzgl. MwSt.
zzgl. 6,90 € Versand (brutto)
einmalig pro Bestellung

Lieferzeit: 5 Werktage

Pos.
87
BOSCH Haltering | Ersatzteile für 3400 TYPE 2 | 2610358869
Hersteller: BOSCH
Artikelnummer: EB-F012340098-2610358869
Netto: 3,94 € zzgl. MwSt.
zzgl. 6,90 € Versand (brutto)
einmalig pro Bestellung

Lieferzeit: 5 Werktage

Pos.
88
BOSCH Federstift | Ersatzteile für 3400 TYPE 2 | 2610358868
Hersteller: BOSCH
Artikelnummer: EB-F012340098-2610358868
Netto: 2,21 € zzgl. MwSt.
zzgl. 6,90 € Versand (brutto)
einmalig pro Bestellung

Lieferzeit: 5 Werktage

Pos.
89
BOSCH Befestigungshalter | Ersatzteile für 3400 TYPE 2 | 2610905905
Hersteller: BOSCH
Artikelnummer: EB-F012340098-2610905905
nur Informationsartikel
Nie mehr lieferbar
keine Alternativen
Pos.
90
BOSCH Lasche | Ersatzteile für 3400 TYPE 2 | 2610358867
Hersteller: BOSCH
Artikelnummer: EB-F012340098-2610358867
Netto: 1,39 € zzgl. MwSt.
zzgl. 6,90 € Versand (brutto)
einmalig pro Bestellung

Lieferzeit: 5 Werktage

Pos.
91
BOSCH Stange | Ersatzteile für 3400 TYPE 2 | 2610905903
Hersteller: BOSCH
Artikelnummer: EB-F012340098-2610905903
Netto: 3,86 € zzgl. MwSt.
zzgl. 6,90 € Versand (brutto)
einmalig pro Bestellung

Lieferzeit: 5 Werktage

Pos.
92
BOSCH Block | Ersatzteile für 3400 TYPE 2 | 2610358865
Hersteller: BOSCH
Artikelnummer: EB-F012340098-2610358865
Netto: 1,39 € zzgl. MwSt.
zzgl. 6,90 € Versand (brutto)
einmalig pro Bestellung

Lieferzeit: 5 Werktage

Pos.
93
BOSCH Bügelhalter | Ersatzteile für 3400 TYPE 2 | 2610905904
Hersteller: BOSCH
Artikelnummer: EB-F012340098-2610905904
Netto: 3,86 € zzgl. MwSt.
zzgl. 6,90 € Versand (brutto)
einmalig pro Bestellung

Lieferzeit: 5 Werktage

Pos.
94
BOSCH Scheibe | Ersatzteile für 3400 TYPE 2 | 2610358857
Hersteller: BOSCH
Artikelnummer: EB-F012340098-2610358857
Netto: 6,27 € zzgl. MwSt.
zzgl. 6,90 € Versand (brutto)
einmalig pro Bestellung

Lieferzeit: 5 Werktage

Pos.
95
BOSCH Bolzen | Ersatzteile für 3400 TYPE 2 | 2610358882
Hersteller: BOSCH
Artikelnummer: EB-F012340098-2610358882
Netto: 0,95 € zzgl. MwSt.
zzgl. 6,90 € Versand (brutto)
einmalig pro Bestellung

Lieferzeit: 5 Werktage

Pos.
96
BOSCH Kreuzschlitzschraube | Ersatzteile für 3400 TYPE 2 | 2610905908
Hersteller: BOSCH
Artikelnummer: EB-F012340098-2610905908
Netto: 0,95 € zzgl. MwSt.
zzgl. 6,90 € Versand (brutto)
einmalig pro Bestellung

Lieferzeit: 5 Werktage

Pos.
97
BOSCH Bügelhalter | Ersatzteile für 3400 TYPE 2 | 2610905906
Hersteller: BOSCH
Artikelnummer: EB-F012340098-2610905906
nur Informationsartikel
Nie mehr lieferbar
keine Alternativen
Pos.
98
BOSCH Sechskantschraube | Ersatzteile für 3400 TYPE 2 | 2610358863
Hersteller: BOSCH
Artikelnummer: EB-F012340098-2610358863
Netto: 0,95 € zzgl. MwSt.
zzgl. 6,90 € Versand (brutto)
einmalig pro Bestellung

Lieferzeit: 5 Werktage

Pos.
99
BOSCH Sechskantschraube | Ersatzteile für 3400 TYPE 2 | 2610358860
Hersteller: BOSCH
Artikelnummer: EB-F012340098-2610358860
Netto: 0,95 € zzgl. MwSt.
zzgl. 6,90 € Versand (brutto)
einmalig pro Bestellung

Lieferzeit: 5 Werktage

Pos.
100
BOSCH Distanzstück | Ersatzteile für 3400 TYPE 2 | 2610905928
Hersteller: BOSCH
Artikelnummer: EB-F012340098-2610905928
nur Informationsartikel
Nie mehr lieferbar
keine Alternativen
Pos.
101
BOSCH Mutter | Ersatzteile für 3400 TYPE 2 | 2610358858
Hersteller: BOSCH
Artikelnummer: EB-F012340098-2610358858
Netto: 4,56 € zzgl. MwSt.
zzgl. 6,90 € Versand (brutto)
einmalig pro Bestellung

Lieferzeit: 5 Werktage

Pos.
104
BOSCH Distanzstück | Ersatzteile für 3400 TYPE 2 | 2610358803
Hersteller: BOSCH
Artikelnummer: EB-F012340098-2610358803
Netto: 1,39 € zzgl. MwSt.
zzgl. 6,90 € Versand (brutto)
einmalig pro Bestellung

Lieferzeit: 5 Werktage

Pos.
105
BOSCH Bolzen | Ersatzteile für 3400 TYPE 2 | 2610358812
Hersteller: BOSCH
Artikelnummer: EB-F012340098-2610358812
Netto: 4,33 € zzgl. MwSt.
zzgl. 6,90 € Versand (brutto)
einmalig pro Bestellung

Lieferzeit: 5 Werktage

Pos.
106
BOSCH Schraube | Ersatzteile für 3400 TYPE 2 | 2610358819
Hersteller: BOSCH
Artikelnummer: EB-F012340098-2610358819
Netto: 1,39 € zzgl. MwSt.
zzgl. 6,90 € Versand (brutto)
einmalig pro Bestellung

Lieferzeit: 5 Werktage

Pos.
108
BOSCH Rollen-Bundbolzen | Ersatzteile für 3400 TYPE 2 | 2610910015
Hersteller: BOSCH
Artikelnummer: EB-F012340098-2610910015
Netto: 4,80 € zzgl. MwSt.
zzgl. 6,90 € Versand (brutto)
einmalig pro Bestellung

Lieferzeit: 5 Werktage

Pos.
109
BOSCH Bügelhalter | Ersatzteile für 3400 TYPE 2 | 2610910012
Hersteller: BOSCH
Artikelnummer: EB-F012340098-2610910012
Netto: 5,17 € zzgl. MwSt.
zzgl. 6,90 € Versand (brutto)
einmalig pro Bestellung

Lieferzeit: 5 Werktage

Pos.
110
BOSCH Scheibe | Ersatzteile für 3400 TYPE 2 | 2610358801
Hersteller: BOSCH
Artikelnummer: EB-F012340098-2610358801
nur Informationsartikel
Nie mehr lieferbar
keine Alternativen
Pos.
111
BOSCH Block | Ersatzteile für 3400 TYPE 2 | 2610358816
Hersteller: BOSCH
Artikelnummer: EB-F012340098-2610358816
Netto: 0,95 € zzgl. MwSt.
zzgl. 6,90 € Versand (brutto)
einmalig pro Bestellung

Lieferzeit: 5 Werktage

Pos.
112
BOSCH Pendelschutzhaube | Ersatzteile für 3400 TYPE 2 | 2610358800
Hersteller: BOSCH
Artikelnummer: EB-F012340098-2610358800
Netto: 13,81 € zzgl. MwSt.
zzgl. 6,90 € Versand (brutto)
einmalig pro Bestellung

Lieferzeit: 5 Werktage

Pos.
113
BOSCH Scheibe | Ersatzteile für 3400 TYPE 2 | 2610910013
Hersteller: BOSCH
Artikelnummer: EB-F012340098-2610910013
Netto: 4,36 € zzgl. MwSt.
zzgl. 6,90 € Versand (brutto)
einmalig pro Bestellung

Lieferzeit: 5 Werktage

Pos.
114
BOSCH Schraube | Ersatzteile für 3400 TYPE 2 | 2610703214
Hersteller: BOSCH
Artikelnummer: EB-F012340098-2610703214
Netto: 3,94 € zzgl. MwSt.
zzgl. 6,90 € Versand (brutto)
einmalig pro Bestellung

Lieferzeit: 5 Werktage

Pos.
115
BOSCH Stift | Ersatzteile für 3400 TYPE 2 | 2610358811
Hersteller: BOSCH
Artikelnummer: EB-F012340098-2610358811
nur Informationsartikel
Nie mehr lieferbar
keine Alternativen
Pos.
116
BOSCH Mutter | Ersatzteile für 3400 TYPE 2 | 2610358807
Hersteller: BOSCH
Artikelnummer: EB-F012340098-2610358807
Netto: 0,95 € zzgl. MwSt.
zzgl. 6,90 € Versand (brutto)
einmalig pro Bestellung

Lieferzeit: 5 Werktage

Pos.
117
BOSCH Halteblech | Ersatzteile für 3400 TYPE 2 | 2610358808
Hersteller: BOSCH
Artikelnummer: EB-F012340098-2610358808
Netto: 1,39 € zzgl. MwSt.
zzgl. 6,90 € Versand (brutto)
einmalig pro Bestellung

Lieferzeit: 5 Werktage

Pos.
118
BOSCH Distanzstück | Ersatzteile für 3400 TYPE 2 | 2610358809
Hersteller: BOSCH
Artikelnummer: EB-F012340098-2610358809
Netto: 0,95 € zzgl. MwSt.
zzgl. 6,90 € Versand (brutto)
einmalig pro Bestellung

Lieferzeit: 5 Werktage

Pos.
119
BOSCH Platte | Ersatzteile für 3400 TYPE 2 | 2610358814
Hersteller: BOSCH
Artikelnummer: EB-F012340098-2610358814
Netto: 6,19 € zzgl. MwSt.
zzgl. 6,90 € Versand (brutto)
einmalig pro Bestellung

Lieferzeit: 5 Werktage

Pos.
120
BOSCH Federscheibe | Ersatzteile für 3400 TYPE 2 | 2610355325
Hersteller: BOSCH
Artikelnummer: EB-F012340098-2610355325
Netto: 3,60 € zzgl. MwSt.
zzgl. 6,90 € Versand (brutto)
einmalig pro Bestellung

Lieferzeit: 5 Werktage

Pos.
121
BOSCH Flügelmutter | Ersatzteile für 3400 TYPE 2 | 2610358821
Hersteller: BOSCH
Artikelnummer: EB-F012340098-2610358821
Netto: 1,39 € zzgl. MwSt.
zzgl. 6,90 € Versand (brutto)
einmalig pro Bestellung

Lieferzeit: 5 Werktage

Pos.
122
BOSCH Mutter | Ersatzteile für 3400 TYPE 2 | 2610358813
Hersteller: BOSCH
Artikelnummer: EB-F012340098-2610358813
Netto: 0,95 € zzgl. MwSt.
zzgl. 6,90 € Versand (brutto)
einmalig pro Bestellung

Lieferzeit: 5 Werktage

Pos.
123
BOSCH Feder | Ersatzteile für 3400 TYPE 2 | 2610358810
Hersteller: BOSCH
Artikelnummer: EB-F012340098-2610358810
Netto: 0,95 € zzgl. MwSt.
zzgl. 6,90 € Versand (brutto)
einmalig pro Bestellung

Lieferzeit: 5 Werktage

Pos.
124
BOSCH Schraube | Ersatzteile für 3400 TYPE 2 | 2610702414
Hersteller: BOSCH
Artikelnummer: EB-F012340098-2610702414
Netto: 3,94 € zzgl. MwSt.
zzgl. 6,90 € Versand (brutto)
einmalig pro Bestellung

Lieferzeit: 5 Werktage

Pos.
125
BOSCH Gelenkbolzen | Ersatzteile für 3400 TYPE 2 | 2610358806
Hersteller: BOSCH
Artikelnummer: EB-F012340098-2610358806
Netto: 0,95 € zzgl. MwSt.
zzgl. 6,90 € Versand (brutto)
einmalig pro Bestellung

Lieferzeit: 5 Werktage

Pos.
126
BOSCH Bügelhalter | Ersatzteile für 3400 TYPE 2 | 2610905900
Hersteller: BOSCH
Artikelnummer: EB-F012340098-2610905900
Netto: 3,86 € zzgl. MwSt.
zzgl. 6,90 € Versand (brutto)
einmalig pro Bestellung

Lieferzeit: 5 Werktage

Pos.
127
BOSCH Stützteller | Ersatzteile für 3400 TYPE 2 | 2610358804
Hersteller: BOSCH
Artikelnummer: EB-F012340098-2610358804
Netto: 0,95 € zzgl. MwSt.
zzgl. 6,90 € Versand (brutto)
einmalig pro Bestellung

Lieferzeit: 5 Werktage

Pos.
128
BOSCH Mutter | Ersatzteile für 3400 TYPE 2 | 2610304772
Hersteller: BOSCH
Artikelnummer: EB-F012340098-2610304772
Netto: 3,94 € zzgl. MwSt.
zzgl. 6,90 € Versand (brutto)
einmalig pro Bestellung

Lieferzeit: 5 Werktage

Pos.
129
BOSCH Griff | Ersatzteile für 3400 TYPE 2 | 2610912929
Hersteller: BOSCH
Artikelnummer: EB-F012340098-2610912929
nur Informationsartikel
Nie mehr lieferbar
keine Alternativen
Pos.
130
BOSCH Scheibe | Ersatzteile für 3400 TYPE 2 | 2610358907
Hersteller: BOSCH
Artikelnummer: EB-F012340098-2610358907
Netto: 0,95 € zzgl. MwSt.
zzgl. 6,90 € Versand (brutto)
einmalig pro Bestellung

Lieferzeit: 5 Werktage

Pos.
131
BOSCH Getriebegehäuse | Ersatzteile für 3400 TYPE 2 | 2610358910
Hersteller: BOSCH
Artikelnummer: EB-F012340098-2610358910
Netto: 11,08 € zzgl. MwSt.
zzgl. 6,90 € Versand (brutto)
einmalig pro Bestellung

Lieferzeit: 5 Werktage

Pos.
132
BOSCH Stift | Ersatzteile für 3400 TYPE 2 | 2610358911
Hersteller: BOSCH
Artikelnummer: EB-F012340098-2610358911
Netto: 0,95 € zzgl. MwSt.
zzgl. 6,90 € Versand (brutto)
einmalig pro Bestellung

Lieferzeit: 5 Werktage

Pos.
133
BOSCH Gleitstück | Ersatzteile für 3400 TYPE 2 | 2610358913
Hersteller: BOSCH
Artikelnummer: EB-F012340098-2610358913
Netto: 1,83 € zzgl. MwSt.
zzgl. 6,90 € Versand (brutto)
einmalig pro Bestellung

Lieferzeit: 5 Werktage

Pos.
135
BOSCH Flachkopfschraube | Ersatzteile für 3400 TYPE 2 | 2610990547
Hersteller: BOSCH
Artikelnummer: EB-F012340098-2610990547
Netto: 3,94 € zzgl. MwSt.
zzgl. 6,90 € Versand (brutto)
einmalig pro Bestellung

Lieferzeit: 5 Werktage

Pos.
136
BOSCH Skala | Ersatzteile für 3400 TYPE 2 | 2610358909
Hersteller: BOSCH
Artikelnummer: EB-F012340098-2610358909
nur Informationsartikel
Nie mehr lieferbar
keine Alternativen
Pos.
137
BOSCH Lager | Ersatzteile für 3400 TYPE 2 | 2610358905
Hersteller: BOSCH
Artikelnummer: EB-F012340098-2610358905
nur Informationsartikel
Nie mehr lieferbar
keine Alternativen
Pos.
138
BOSCH Führungsleiste | Ersatzteile für 3400 TYPE 2 | 2610358912
Hersteller: BOSCH
Artikelnummer: EB-F012340098-2610358912
Netto: 5,34 € zzgl. MwSt.
zzgl. 6,90 € Versand (brutto)
einmalig pro Bestellung

Lieferzeit: 5 Werktage

Pos.
139
BOSCH Gehäuse | Ersatzteile für 3400 TYPE 2 | 2610358889
Hersteller: BOSCH
Artikelnummer: EB-F012340098-2610358889
nur Informationsartikel
Nie mehr lieferbar
keine Alternativen
Pos.
140
BOSCH Stange | Ersatzteile für 3400 TYPE 2 | 2610358884
Hersteller: BOSCH
Artikelnummer: EB-F012340098-2610358884
Netto: 5,65 € zzgl. MwSt.
zzgl. 6,90 € Versand (brutto)
einmalig pro Bestellung

Lieferzeit: 5 Werktage

Pos.
141
BOSCH Klemmschelle | Ersatzteile für 3400 TYPE 2 | 2610358885
Hersteller: BOSCH
Artikelnummer: EB-F012340098-2610358885
Netto: 5,17 € zzgl. MwSt.
zzgl. 6,90 € Versand (brutto)
einmalig pro Bestellung

Lieferzeit: 5 Werktage

Pos.
142
BOSCH Feder | Ersatzteile für 3400 TYPE 2 | 2610358886
Hersteller: BOSCH
Artikelnummer: EB-F012340098-2610358886
nur Informationsartikel
Nie mehr lieferbar
keine Alternativen
Pos.
143
BOSCH Gleitstück | Ersatzteile für 3400 TYPE 2 | 2610358887
Hersteller: BOSCH
Artikelnummer: EB-F012340098-2610358887
Netto: 1,61 € zzgl. MwSt.
zzgl. 6,90 € Versand (brutto)
einmalig pro Bestellung

Lieferzeit: 5 Werktage

Pos.
144
BOSCH Gerätegehäuse | Ersatzteile für 3400 TYPE 2 | 2610358888
Hersteller: BOSCH
Artikelnummer: EB-F012340098-2610358888
Netto: 14,03 € zzgl. MwSt.
zzgl. 6,90 € Versand (brutto)
einmalig pro Bestellung

Lieferzeit: 5 Werktage

Pos.
145
BOSCH Scheibe | Ersatzteile für 3400 TYPE 2 | 2610358802
Hersteller: BOSCH
Artikelnummer: EB-F012340098-2610358802
Netto: 3,94 € zzgl. MwSt.
zzgl. 6,90 € Versand (brutto)
einmalig pro Bestellung

Lieferzeit: 5 Werktage

Pos.
147
BOSCH Zeiger | Ersatzteile für 3400 TYPE 2 | 2610358900
Hersteller: BOSCH
Artikelnummer: EB-F012340098-2610358900
Netto: 1,39 € zzgl. MwSt.
zzgl. 6,90 € Versand (brutto)
einmalig pro Bestellung

Lieferzeit: 5 Werktage

Pos.
148
BOSCH Schraube | Ersatzteile für 3400 TYPE 2 | 2610358901
Hersteller: BOSCH
Artikelnummer: EB-F012340098-2610358901
Netto: 3,94 € zzgl. MwSt.
zzgl. 6,90 € Versand (brutto)
einmalig pro Bestellung

Lieferzeit: 5 Werktage

Pos.
149
BOSCH Feder | Ersatzteile für 3400 TYPE 2 | 2610358899
Hersteller: BOSCH
Artikelnummer: EB-F012340098-2610358899
Netto: 0,95 € zzgl. MwSt.
zzgl. 6,90 € Versand (brutto)
einmalig pro Bestellung

Lieferzeit: 5 Werktage

Pos.
150
BOSCH Schraube | Ersatzteile für 3400 TYPE 2 | 2610358898
Hersteller: BOSCH
Artikelnummer: EB-F012340098-2610358898
Netto: 1,83 € zzgl. MwSt.
zzgl. 6,90 € Versand (brutto)
einmalig pro Bestellung

Lieferzeit: 5 Werktage

Pos.
151
BOSCH Bolzen | Ersatzteile für 3400 TYPE 2 | 2610358895
Hersteller: BOSCH
Artikelnummer: EB-F012340098-2610358895
Netto: 1,61 € zzgl. MwSt.
zzgl. 6,90 € Versand (brutto)
einmalig pro Bestellung

Lieferzeit: 5 Werktage

Pos.
152
BOSCH Stift | Ersatzteile für 3400 TYPE 2 | 2610358896
Hersteller: BOSCH
Artikelnummer: EB-F012340098-2610358896
Netto: 1,61 € zzgl. MwSt.
zzgl. 6,90 € Versand (brutto)
einmalig pro Bestellung

Lieferzeit: 5 Werktage

Pos.
153
BOSCH Handgriff | Ersatzteile für 3400 TYPE 2 | 2610358897
Hersteller: BOSCH
Artikelnummer: EB-F012340098-2610358897
Netto: 2,70 € zzgl. MwSt.
zzgl. 6,90 € Versand (brutto)
einmalig pro Bestellung

Lieferzeit: 5 Werktage

Pos.
155
BOSCH Bolzen | Ersatzteile für 3400 TYPE 2 | 2610358894
Hersteller: BOSCH
Artikelnummer: EB-F012340098-2610358894
nur Informationsartikel
Nie mehr lieferbar
keine Alternativen
Pos.
156
BOSCH Klemmstück | Ersatzteile für 3400 TYPE 2 | 2610910017
Hersteller: BOSCH
Artikelnummer: EB-F012340098-2610910017
Netto: 4,77 € zzgl. MwSt.
zzgl. 6,90 € Versand (brutto)
einmalig pro Bestellung

Lieferzeit: 5 Werktage

Pos.
157
BOSCH Hebel | Ersatzteile für 3400 TYPE 2 | 2610358890
Hersteller: BOSCH
Artikelnummer: EB-F012340098-2610358890
Netto: 2,70 € zzgl. MwSt.
zzgl. 6,90 € Versand (brutto)
einmalig pro Bestellung

Lieferzeit: 5 Werktage

Pos.
158
BOSCH Klemmschelle | Ersatzteile für 3400 TYPE 2 | 2610358891
Hersteller: BOSCH
Artikelnummer: EB-F012340098-2610358891
nur Informationsartikel
Nie mehr lieferbar
keine Alternativen
Pos.
159
BOSCH Abdeckung | Ersatzteile für 3400 TYPE 2 | 2610358892
Hersteller: BOSCH
Artikelnummer: EB-F012340098-2610358892
Netto: 4,36 € zzgl. MwSt.
zzgl. 6,90 € Versand (brutto)
einmalig pro Bestellung

Lieferzeit: 5 Werktage

Angaben zur Produktsicherheit

Hersteller:
Robert Bosch Power Tools GmbH
Postfach 30 02 20
70442 Stuttgart

E-Mail:
kontakt@bosch.de