BOSCH Umschalter SCHWARZ | Ersatzteile für 3615 | 2610967639

Artikelnummer: EB-0601936453-2610967639

Position: 5

Marke: BOSCH


Bitte Kompatibilität prüfen!

Bitte prüfen Sie unbedingt die 10-stellige Typennummer Ihrer Maschine / Ihres Gerätes. Das Ersatzteil ist nur kompatibel, wenn Sie die Typennummer Ihrer Maschine in der unten stehenden Produktbeschreibung finden.

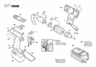
Bitte prüfen Sie ebenfalls detailliert die Explosionszeichnung mit Ihrem Artikelwunsch und der jeweiligen Pos-Nummer.

Alle Elemente, welche vom schwarzen Strich der Pos-Nummer ausgehend berührt / erfasst werden, gehören zu dieser Pos-Nummer und somit zu diesem Artikel. Jede Pos-Nummer ist ein eigenständiger Artikel, welchen Sie in der Auflistung finden.

Sie erhalten stets die aktuellste, neueste Produktversion zu der gewählten Pos-Nummer seitens des Herstellers. Es kann daher je nach Gerätealter vorkommen, dass Sie ggf. weitere, zugehörige Elemente, welche an diese Pos-Nummer grenzen, ebenfalls mittauschen müssen.

Nähere Informationen finden Sie unter dem Link
Hinweise zu Ihrer BOSCH Ersatzteilsuche

Preisübersicht

Einzelpreis: 4,53 €* (Brutto: 5,39 €)
Gesamtpreis: 4,53 €* 
Position:

Lieferzeit: 5 Werktage


Beschreibung

  • Umschalter SCHWARZ
  • Original Bosch Zubehör / BOSCH Ersatzteil (2610967639)
  • im Gerät verbaut: 1
Dieses BOSCH Ersatzteil ist mit folgendem Gerät und Modell kompatibel:
  • BOSCH Gerätename: 3615
  • BOSCH Explosionszeichnung: Position 5
  • BOSCH Typennummer: 0601936453
  • BOSCH Typennummer alternative Schreibweisen: 0 601 936 453, 0601 936 453, 0.601.936.453, 0-601-936-453
    Bitte prüfen Sie diese Typennummer auf Ihrem Gerät um die Kompatibilität des BOSCH Ersatzteils zu gewährleisten.
Weitere BOSCH Ersatzteile des Gerätes 3615 (Gw-Akku-Schrauber) mit der Typennummer 0601936453 finden Sie in der nachfolgenden Darstellung und im Dropdown zu Ihrer Auswahl:

Pos.
2/1
BOSCH Ritzel Z=12 | Ersatzteile für 3615 | 2610967116
Hersteller: BOSCH
Artikelnummer: EB-0601936453-2610967116
Netto: 5,19 € zzgl. MwSt.
zzgl. 6,90 € Versand (brutto)
einmalig pro Bestellung

Lieferzeit: 5 Werktage

Pos.
45/6
BOSCH Zwischenflansch | Ersatzteile für 3615 | 2605719008
Hersteller: BOSCH
Artikelnummer: EB-0601936453-2605719008
Netto: 5,19 € zzgl. MwSt.
zzgl. 6,90 € Versand (brutto)
einmalig pro Bestellung

Lieferzeit: 5 Werktage

Pos.
5
BOSCH Umschalter SCHWARZ | Ersatzteile für 3615 | 2610967639
Hersteller: BOSCH
Artikelnummer: EB-0601936453-2610967639
Netto: 4,53 € zzgl. MwSt.
zzgl. 6,90 € Versand (brutto)
einmalig pro Bestellung

Lieferzeit: 5 Werktage

Pos.
9
BOSCH Hinweisschild | Ersatzteile für 3615 | 2610995411
Hersteller: BOSCH
Artikelnummer: EB-0601936453-2610995411
nur Informationsartikel
Nie mehr lieferbar
keine Alternativen
Pos.
20
BOSCH Hinweisschild | Ersatzteile für 3615 | 2610995410
Hersteller: BOSCH
Artikelnummer: EB-0601936453-2610995410
nur Informationsartikel
Nie mehr lieferbar
keine Alternativen
Pos.
25
BOSCH Schnellspannbohrfutter | Ersatzteile für 3615 | 2608572214
Hersteller: BOSCH
Artikelnummer: EB-0601936453-2608572214
nur Informationsartikel
Nie mehr lieferbar
keine Alternativen
Pos.
29
BOSCH Einsatzstück SCHWARZ | Ersatzteile für 3615 | 2605510130
Hersteller: BOSCH
Artikelnummer: EB-0601936453-2605510130
nur Informationsartikel
Nie mehr lieferbar
keine Alternativen
Pos.
32
BOSCH Verstellschieber | Ersatzteile für 3615 | 2601099126
Hersteller: BOSCH
Artikelnummer: EB-0601936453-2601099126
nur Informationsartikel
Nie mehr lieferbar
keine Alternativen
Pos.
45
BOSCH Planetengetriebe | Ersatzteile für 3615 | 2606200065
Hersteller: BOSCH
Artikelnummer: EB-0601936453-2606200065
nur Informationsartikel
Nie mehr lieferbar
keine Alternativen
Pos.
54
BOSCH Torx-Zylinderschraube M4x8-4,8-Z | Ersatzteile für 3615 | 2603414049
Hersteller: BOSCH
Artikelnummer: EB-0601936453-2603414049
nur Informationsartikel
Nie mehr lieferbar
keine Alternativen
Pos.
96
BOSCH Bohrhalter | Ersatzteile für 3615 | 2610911815
Hersteller: BOSCH
Artikelnummer: EB-0601936453-2610911815
nur Informationsartikel
Nie mehr lieferbar
keine Alternativen
Pos.
100
BOSCH Verbindungsleitung | Ersatzteile für 3615 | 2610991216
Hersteller: BOSCH
Artikelnummer: EB-0601936453-2610991216
nur Informationsartikel
Nie mehr lieferbar
keine Alternativen
Pos.
101
BOSCH Torx-Linsenschraube 3x18 | Ersatzteile für 3615 | 2603490018
Hersteller: BOSCH
Artikelnummer: EB-0601936453-2603490018
nur Informationsartikel
Nie mehr lieferbar
keine Alternativen
Pos.
102
BOSCH Haltebügel | Ersatzteile für 3615 | 2601329041
Hersteller: BOSCH
Artikelnummer: EB-0601936453-2601329041
nur Informationsartikel
Nie mehr lieferbar
keine Alternativen
Pos.
107
BOSCH Senkschraube M5x20 | Ersatzteile für 3615 | 2609110721
Hersteller: BOSCH
Artikelnummer: EB-0601936453-2609110721
Netto: 4,32 € zzgl. MwSt.
zzgl. 6,90 € Versand (brutto)
einmalig pro Bestellung

Lieferzeit: 5 Werktage

Pos.
651
BOSCH Schnell-Lader USA 120/7,2-24V, 1h | Ersatzteile für 3615 | 2607224431
Hersteller: BOSCH
Artikelnummer: EB-0601936453-2607224431
Netto: 121,18 € zzgl. MwSt.
zzgl. 6,90 € Versand (brutto)
einmalig pro Bestellung

Lieferzeit: 5 Werktage

Pos.
652
BOSCH Akku-Paket 14,4V,2,0Ah,NiCd | Ersatzteile für 3615 | 2607335156
Hersteller: BOSCH
Artikelnummer: EB-0601936453-2607335156
nur Informationsartikel
Nie mehr lieferbar
keine Alternativen
Pos.
801
BOSCH Gehäuse | Ersatzteile für 3615 | 2610910447
Hersteller: BOSCH
Artikelnummer: EB-0601936453-2610910447
nur Informationsartikel
Nie mehr lieferbar
keine Alternativen
Pos.
802
BOSCH Gleichstrommotor 12V | Ersatzteile für 3615 | 2610991237
Hersteller: BOSCH
Artikelnummer: EB-0601936453-2610991237
Netto: 32,89 € zzgl. MwSt.
zzgl. 6,90 € Versand (brutto)
einmalig pro Bestellung

Lieferzeit: 5 Werktage

Pos.
804
BOSCH Ein/Aus-Schalter | Ersatzteile für 3615 | 2607200353
Hersteller: BOSCH
Artikelnummer: EB-0601936453-2607200353
nur Informationsartikel
Nie mehr lieferbar
keine Alternativen

Angaben zur Produktsicherheit

Hersteller:
Robert Bosch Power Tools GmbH
Postfach 30 02 20
70442 Stuttgart

E-Mail:
kontakt@bosch.de