BOSCH Ersatzteilgruppe | Ersatzteile für 370 WATT-SERIE | 3607031136

Artikelnummer: EB-0607451231-3607031136

Position: 856

Marke: BOSCH


Bitte Kompatibilität prüfen!

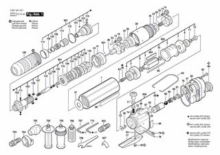
Bitte prüfen Sie unbedingt die 10-stellige Typennummer Ihrer Maschine / Ihres Gerätes. Das Ersatzteil ist nur kompatibel, wenn Sie die Typennummer Ihrer Maschine in der unten stehenden Produktbeschreibung finden.

Bitte prüfen Sie ebenfalls detailliert die Explosionszeichnung mit Ihrem Artikelwunsch und der jeweiligen Pos-Nummer.

Alle Elemente, welche vom schwarzen Strich der Pos-Nummer ausgehend berührt / erfasst werden, gehören zu dieser Pos-Nummer und somit zu diesem Artikel. Jede Pos-Nummer ist ein eigenständiger Artikel, welchen Sie in der Auflistung finden.

Sie erhalten stets die aktuellste, neueste Produktversion zu der gewählten Pos-Nummer seitens des Herstellers. Es kann daher je nach Gerätealter vorkommen, dass Sie ggf. weitere, zugehörige Elemente, welche an diese Pos-Nummer grenzen, ebenfalls mittauschen müssen.

Nähere Informationen finden Sie unter dem Link
Hinweise zu Ihrer BOSCH Ersatzteilsuche

Preisübersicht

Einzelpreis: 8,72 €* (Brutto: 10,38 €)
Gesamtpreis: 8,72 €* 
Position:

Lieferzeit: 5 Werktage


Beschreibung

  • Ersatzteilgruppe
  • Original Bosch Zubehör / BOSCH Ersatzteil (3607031136)
  • im Gerät verbaut: 1
Dieses BOSCH Ersatzteil ist mit folgendem Gerät und Modell kompatibel:
  • BOSCH Gerätename: 370 WATT-SERIE
  • BOSCH Explosionszeichnung: Position 856
  • BOSCH Typennummer: 0607451231
  • BOSCH Typennummer alternative Schreibweisen: 0 607 451 231, 0607 451 231, 0.607.451.231, 0-607-451-231
    Bitte prüfen Sie diese Typennummer auf Ihrem Gerät um die Kompatibilität des BOSCH Ersatzteils zu gewährleisten.
Weitere BOSCH Ersatzteile des Gerätes 370 WATT-SERIE (Pw-Schrauber-Ind) mit der Typennummer 0607451231 finden Sie in der nachfolgenden Darstellung und im Dropdown zu Ihrer Auswahl:

Pos.
1
BOSCH Motorgehäuse | Ersatzteile für 370 WATT-SERIE | 3600760015
Hersteller: BOSCH
Artikelnummer: EB-0607451231-3600760015
Netto: 86,83 € zzgl. MwSt.
zzgl. 6,90 € Versand (brutto)
einmalig pro Bestellung

Lieferzeit: 5 Werktage

Pos.
2
BOSCH Stator 370W | Ersatzteile für 370 WATT-SERIE | 3604090002
Hersteller: BOSCH
Artikelnummer: EB-0607451231-3604090002
Netto: 77,60 € zzgl. MwSt.
zzgl. 6,90 € Versand (brutto)
einmalig pro Bestellung

Lieferzeit: 5 Werktage

Pos.
3
BOSCH Rotor | Ersatzteile für 370 WATT-SERIE | 3604220002
Hersteller: BOSCH
Artikelnummer: EB-0607451231-3604220002
Netto: 86,83 € zzgl. MwSt.
zzgl. 6,90 € Versand (brutto)
einmalig pro Bestellung

Lieferzeit: 5 Werktage

Pos.
5
BOSCH Lagerflansch | Ersatzteile für 370 WATT-SERIE | 3605700005
Hersteller: BOSCH
Artikelnummer: EB-0607451231-3605700005
Netto: 47,09 € zzgl. MwSt.
zzgl. 6,90 € Versand (brutto)
einmalig pro Bestellung

Lieferzeit: 5 Werktage

Pos.
6
BOSCH Rillenkugellager 9x24x7 MM | Ersatzteile für 370 WATT-SERIE | 3600905039
Hersteller: BOSCH
Artikelnummer: EB-0607451231-3600905039
Netto: 10,92 € zzgl. MwSt.
zzgl. 6,90 € Versand (brutto)
einmalig pro Bestellung

Lieferzeit: 5 Werktage

Pos.
7
BOSCH Lagerflansch | Ersatzteile für 370 WATT-SERIE | 3605700006
Hersteller: BOSCH
Artikelnummer: EB-0607451231-3605700006
Netto: 70,50 € zzgl. MwSt.
zzgl. 6,90 € Versand (brutto)
einmalig pro Bestellung

Lieferzeit: 5 Werktage

Pos.
8
BOSCH Kugellager 7x19x6 | Ersatzteile für 370 WATT-SERIE | 2600905032
Hersteller: BOSCH
Artikelnummer: EB-0607451231-2600905032
Netto: 6,15 € zzgl. MwSt.
zzgl. 6,90 € Versand (brutto)
einmalig pro Bestellung

Lieferzeit: 20 Werktage

Pos.
9
BOSCH Distanzring | Ersatzteile für 370 WATT-SERIE | 2600202013
Hersteller: BOSCH
Artikelnummer: EB-0607451231-2600202013
Netto: 8,33 € zzgl. MwSt.
zzgl. 6,90 € Versand (brutto)
einmalig pro Bestellung

Lieferzeit: 5 Werktage

Pos.
10
BOSCH Distanzring | Ersatzteile für 370 WATT-SERIE | 2600202014
Hersteller: BOSCH
Artikelnummer: EB-0607451231-2600202014
Netto: 9,95 € zzgl. MwSt.
zzgl. 6,90 € Versand (brutto)
einmalig pro Bestellung

Lieferzeit: 5 Werktage

Pos.
11
BOSCH Unterlegscheibe DIN 125-A5,3-ST | Ersatzteile für 370 WATT-SERIE | 2916011012
Hersteller: BOSCH
Artikelnummer: EB-0607451231-2916011012
Netto: 3,63 € zzgl. MwSt.
zzgl. 6,90 € Versand (brutto)
einmalig pro Bestellung

Lieferzeit: 5 Werktage

Pos.
12
BOSCH Sechskantschraube | Ersatzteile für 370 WATT-SERIE | 3603450000
Hersteller: BOSCH
Artikelnummer: EB-0607451231-3603450000
Netto: 7,76 € zzgl. MwSt.
zzgl. 6,90 € Versand (brutto)
einmalig pro Bestellung

Lieferzeit: 5 Werktage

Pos.
14
BOSCH Stirnrad | Ersatzteile für 370 WATT-SERIE | 3606316100
Hersteller: BOSCH
Artikelnummer: EB-0607451231-3606316100
Netto: 17,38 € zzgl. MwSt.
zzgl. 6,90 € Versand (brutto)
einmalig pro Bestellung

Lieferzeit: 5 Werktage

Pos.
15
BOSCH Nadelkranz INA K3x5x7 | Ersatzteile für 370 WATT-SERIE | 3600913000
Hersteller: BOSCH
Artikelnummer: EB-0607451231-3600913000
Netto: 5,67 € zzgl. MwSt.
zzgl. 6,90 € Versand (brutto)
einmalig pro Bestellung

Lieferzeit: 5 Werktage

Pos.
16
BOSCH Stirnrad Z=16 | Ersatzteile für 370 WATT-SERIE | 3606316099
Hersteller: BOSCH
Artikelnummer: EB-0607451231-3606316099
Netto: 19,18 € zzgl. MwSt.
zzgl. 6,90 € Versand (brutto)
einmalig pro Bestellung

Lieferzeit: 5 Werktage

Pos.
26
BOSCH Ritzel Z=23 | Ersatzteile für 370 WATT-SERIE | 3606300001
Hersteller: BOSCH
Artikelnummer: EB-0607451231-3606300001
Netto: 26,95 € zzgl. MwSt.
zzgl. 6,90 € Versand (brutto)
einmalig pro Bestellung

Lieferzeit: 5 Werktage

Pos.
27
BOSCH Anschlagscheibe | Ersatzteile für 370 WATT-SERIE | 3600101001
Hersteller: BOSCH
Artikelnummer: EB-0607451231-3600101001
Netto: 4,53 € zzgl. MwSt.
zzgl. 6,90 € Versand (brutto)
einmalig pro Bestellung

Lieferzeit: 5 Werktage

Pos.
28
BOSCH Zahnkranz Z=49 | Ersatzteile für 370 WATT-SERIE | 3606334000
Hersteller: BOSCH
Artikelnummer: EB-0607451231-3606334000
Netto: 96,32 € zzgl. MwSt.
zzgl. 6,90 € Versand (brutto)
einmalig pro Bestellung

Lieferzeit: 5 Werktage

Pos.
29
BOSCH Planetenträger | Ersatzteile für 370 WATT-SERIE | 3606337001
Hersteller: BOSCH
Artikelnummer: EB-0607451231-3606337001
Netto: 81,72 € zzgl. MwSt.
zzgl. 6,90 € Versand (brutto)
einmalig pro Bestellung

Lieferzeit: 5 Werktage

Pos.
33
BOSCH Nadelrolle | Ersatzteile für 370 WATT-SERIE | 3603201000
Hersteller: BOSCH
Artikelnummer: EB-0607451231-3603201000
Netto: 3,94 € zzgl. MwSt.
zzgl. 6,90 € Versand (brutto)
einmalig pro Bestellung

Lieferzeit: 5 Werktage

Pos.
34
BOSCH Distanzscheibe | Ersatzteile für 370 WATT-SERIE | 3600103002
Hersteller: BOSCH
Artikelnummer: EB-0607451231-3600103002
Netto: 5,19 € zzgl. MwSt.
zzgl. 6,90 € Versand (brutto)
einmalig pro Bestellung

Lieferzeit: 5 Werktage

Pos.
35
BOSCH Sprengring | Ersatzteile für 370 WATT-SERIE | 3600224000
Hersteller: BOSCH
Artikelnummer: EB-0607451231-3600224000
Netto: 3,94 € zzgl. MwSt.
zzgl. 6,90 € Versand (brutto)
einmalig pro Bestellung

Lieferzeit: 5 Werktage

Pos.
36
BOSCH Rillenkugellager 12x28x8 | Ersatzteile für 370 WATT-SERIE | 1900900287
Hersteller: BOSCH
Artikelnummer: EB-0607451231-1900900287
Netto: 19,18 € zzgl. MwSt.
zzgl. 6,90 € Versand (brutto)
einmalig pro Bestellung

Lieferzeit: 5 Werktage

Pos.
38
BOSCH Planetenträger | Ersatzteile für 370 WATT-SERIE | 3606337005
Hersteller: BOSCH
Artikelnummer: EB-0607451231-3606337005
Netto: 106,72 € zzgl. MwSt.
zzgl. 6,90 € Versand (brutto)
einmalig pro Bestellung

Lieferzeit: 5 Werktage

Pos.
41
BOSCH Rillenkugellager | Ersatzteile für 370 WATT-SERIE | 3600905069
Hersteller: BOSCH
Artikelnummer: EB-0607451231-3600905069
Netto: 14,36 € zzgl. MwSt.
zzgl. 6,90 € Versand (brutto)
einmalig pro Bestellung

Lieferzeit: 5 Werktage

Pos.
43
BOSCH Sicherungsring | Ersatzteile für 370 WATT-SERIE | 3600119000
Hersteller: BOSCH
Artikelnummer: EB-0607451231-3600119000
Netto: 9,18 € zzgl. MwSt.
zzgl. 6,90 € Versand (brutto)
einmalig pro Bestellung

Lieferzeit: 5 Werktage

Pos.
52
BOSCH Führungsscheibe | Ersatzteile für 370 WATT-SERIE | 3600100009
Hersteller: BOSCH
Artikelnummer: EB-0607451231-3600100009
Netto: 8,72 € zzgl. MwSt.
zzgl. 6,90 € Versand (brutto)
einmalig pro Bestellung

Lieferzeit: 5 Werktage

Pos.
53
BOSCH Nadelrolle DIN 5402-A 2x19,8G5 | Ersatzteile für 370 WATT-SERIE | 3603100026
Hersteller: BOSCH
Artikelnummer: EB-0607451231-3603100026
Netto: 4,32 € zzgl. MwSt.
zzgl. 6,90 € Versand (brutto)
einmalig pro Bestellung

Lieferzeit: 5 Werktage

Pos.
54
BOSCH Umlenkhebel | Ersatzteile für 370 WATT-SERIE | 3601960000
Hersteller: BOSCH
Artikelnummer: EB-0607451231-3601960000
Netto: 4,32 € zzgl. MwSt.
zzgl. 6,90 € Versand (brutto)
einmalig pro Bestellung

Lieferzeit: 5 Werktage

Pos.
55
BOSCH Gewindestift | Ersatzteile für 370 WATT-SERIE | 3603400000
Hersteller: BOSCH
Artikelnummer: EB-0607451231-3603400000
nur Informationsartikel
Nie mehr lieferbar
keine Alternativen
Pos.
56
BOSCH Ventilkörper | Ersatzteile für 370 WATT-SERIE | 3605190074
Hersteller: BOSCH
Artikelnummer: EB-0607451231-3605190074
nur Informationsartikel
Nie mehr lieferbar
keine Alternativen
Pos.
57
BOSCH Dämmplatte | Ersatzteile für 370 WATT-SERIE | 3601015007
Hersteller: BOSCH
Artikelnummer: EB-0607451231-3601015007
Netto: 4,82 € zzgl. MwSt.
zzgl. 6,90 € Versand (brutto)
einmalig pro Bestellung

Lieferzeit: 5 Werktage

Pos.
58
BOSCH Anschlussdeckel | Ersatzteile für 370 WATT-SERIE | 3605500014
Hersteller: BOSCH
Artikelnummer: EB-0607451231-3605500014
Netto: 7,76 € zzgl. MwSt.
zzgl. 6,90 € Versand (brutto)
einmalig pro Bestellung

Lieferzeit: 5 Werktage

Pos.
59
BOSCH Anschlussstutzen | Ersatzteile für 370 WATT-SERIE | 3603373002
Hersteller: BOSCH
Artikelnummer: EB-0607451231-3603373002
Netto: 10,92 € zzgl. MwSt.
zzgl. 6,90 € Versand (brutto)
einmalig pro Bestellung

Lieferzeit: 5 Werktage

Pos.
60
BOSCH Sieb | Ersatzteile für 370 WATT-SERIE | 3600002000
Hersteller: BOSCH
Artikelnummer: EB-0607451231-3600002000
Netto: 5,19 € zzgl. MwSt.
zzgl. 6,90 € Versand (brutto)
einmalig pro Bestellung

Lieferzeit: 5 Werktage

Pos.
61
BOSCH Gewindering | Ersatzteile für 370 WATT-SERIE | 3603340005
Hersteller: BOSCH
Artikelnummer: EB-0607451231-3603340005
Netto: 5,67 € zzgl. MwSt.
zzgl. 6,90 € Versand (brutto)
einmalig pro Bestellung

Lieferzeit: 5 Werktage

Pos.
62
BOSCH Aufhängebügel | Ersatzteile für 370 WATT-SERIE | 3604720004
Hersteller: BOSCH
Artikelnummer: EB-0607451231-3604720004
Netto: 4,82 € zzgl. MwSt.
zzgl. 6,90 € Versand (brutto)
einmalig pro Bestellung

Lieferzeit: 5 Werktage

Pos.
63
BOSCH Zylinderstift | Ersatzteile für 370 WATT-SERIE | 3604710029
Hersteller: BOSCH
Artikelnummer: EB-0607451231-3604710029
Netto: 10,92 € zzgl. MwSt.
zzgl. 6,90 € Versand (brutto)
einmalig pro Bestellung

Lieferzeit: 5 Werktage

Pos.
65
BOSCH Zylinderschraube DIN 84-AM4x15-4.8 | Ersatzteile für 370 WATT-SERIE | 2910001134
Hersteller: BOSCH
Artikelnummer: EB-0607451231-2910001134
Netto: 3,94 € zzgl. MwSt.
zzgl. 6,90 € Versand (brutto)
einmalig pro Bestellung

Lieferzeit: 5 Werktage

Pos.
66
BOSCH Zylinderstift | Ersatzteile für 370 WATT-SERIE | 3604710028
Hersteller: BOSCH
Artikelnummer: EB-0607451231-3604710028
nur Informationsartikel
Nie mehr lieferbar
keine Alternativen
Pos.
68
BOSCH Kugel 8 MM III DIN 5401 ST | Ersatzteile für 370 WATT-SERIE | 1903230524
Hersteller: BOSCH
Artikelnummer: EB-0607451231-1903230524
Netto: 4,82 € zzgl. MwSt.
zzgl. 6,90 € Versand (brutto)
einmalig pro Bestellung

Lieferzeit: 5 Werktage

Pos.
69
BOSCH Druckfeder | Ersatzteile für 370 WATT-SERIE | 3604643007
Hersteller: BOSCH
Artikelnummer: EB-0607451231-3604643007
Netto: 4,82 € zzgl. MwSt.
zzgl. 6,90 € Versand (brutto)
einmalig pro Bestellung

Lieferzeit: 5 Werktage

Pos.
71
BOSCH Steuerkolben | Ersatzteile für 370 WATT-SERIE | 3608750010
Hersteller: BOSCH
Artikelnummer: EB-0607451231-3608750010
Netto: 29,45 € zzgl. MwSt.
zzgl. 6,90 € Versand (brutto)
einmalig pro Bestellung

Lieferzeit: 5 Werktage

Pos.
72
BOSCH Spiralspannstift 2x12 DIN 7343 | Ersatzteile für 370 WATT-SERIE | 2917800037
Hersteller: BOSCH
Artikelnummer: EB-0607451231-2917800037
Netto: 4,32 € zzgl. MwSt.
zzgl. 6,90 € Versand (brutto)
einmalig pro Bestellung

Lieferzeit: 5 Werktage

Pos.
74
BOSCH Druckfeder | Ersatzteile für 370 WATT-SERIE | 3604611002
Hersteller: BOSCH
Artikelnummer: EB-0607451231-3604611002
Netto: 4,82 € zzgl. MwSt.
zzgl. 6,90 € Versand (brutto)
einmalig pro Bestellung

Lieferzeit: 5 Werktage

Pos.
76
BOSCH Dichtplatte | Ersatzteile für 370 WATT-SERIE | 3601015006
Hersteller: BOSCH
Artikelnummer: EB-0607451231-3601015006
Netto: 4,53 € zzgl. MwSt.
zzgl. 6,90 € Versand (brutto)
einmalig pro Bestellung

Lieferzeit: 5 Werktage

Pos.
77
BOSCH Schalthebel | Ersatzteile für 370 WATT-SERIE | 3602033000
Hersteller: BOSCH
Artikelnummer: EB-0607451231-3602033000
Netto: 6,15 € zzgl. MwSt.
zzgl. 6,90 € Versand (brutto)
einmalig pro Bestellung

Lieferzeit: 5 Werktage

Pos.
78
BOSCH Zylinderstift DIN 6325-3M6x32 | Ersatzteile für 370 WATT-SERIE | 2917550088
Hersteller: BOSCH
Artikelnummer: EB-0607451231-2917550088
Netto: 3,94 € zzgl. MwSt.
zzgl. 6,90 € Versand (brutto)
einmalig pro Bestellung

Lieferzeit: 5 Werktage

Pos.
79
BOSCH Stiftschraube | Ersatzteile für 370 WATT-SERIE | 3603412001
Hersteller: BOSCH
Artikelnummer: EB-0607451231-3603412001
Netto: 4,82 € zzgl. MwSt.
zzgl. 6,90 € Versand (brutto)
einmalig pro Bestellung

Lieferzeit: 5 Werktage

Pos.
90
BOSCH Schalldämpfer | Ersatzteile für 370 WATT-SERIE | 3603462000
Hersteller: BOSCH
Artikelnummer: EB-0607451231-3603462000
Netto: 14,36 € zzgl. MwSt.
zzgl. 6,90 € Versand (brutto)
einmalig pro Bestellung

Lieferzeit: 5 Werktage

Pos.
95
BOSCH Typschild | Ersatzteile für 370 WATT-SERIE | 160111A3HF
Hersteller: BOSCH
Artikelnummer: EB-0607451231-160111A3HF
Netto: 5,19 € zzgl. MwSt.
zzgl. 6,90 € Versand (brutto)
einmalig pro Bestellung

Lieferzeit: 5 Werktage

Pos.
96
BOSCH Firmenschild SCHATTENSEITE | Ersatzteile für 370 WATT-SERIE | 1601110481
Hersteller: BOSCH
Artikelnummer: EB-0607451231-1601110481
Netto: 4,32 € zzgl. MwSt.
zzgl. 6,90 € Versand (brutto)
einmalig pro Bestellung

Lieferzeit: 5 Werktage

Pos.
97
BOSCH Kerbnagel | Ersatzteile für 370 WATT-SERIE | 3603133000
Hersteller: BOSCH
Artikelnummer: EB-0607451231-3603133000
Netto: 4,53 € zzgl. MwSt.
zzgl. 6,90 € Versand (brutto)
einmalig pro Bestellung

Lieferzeit: 5 Werktage

Pos.
99
BOSCH Hinweisschild | Ersatzteile für 370 WATT-SERIE | 3601119236
Hersteller: BOSCH
Artikelnummer: EB-0607451231-3601119236
Netto: 5,19 € zzgl. MwSt.
zzgl. 6,90 € Versand (brutto)
einmalig pro Bestellung

Lieferzeit: 5 Werktage

Pos.
100
BOSCH Gerätegehäuse | Ersatzteile für 370 WATT-SERIE | 3605125024
Hersteller: BOSCH
Artikelnummer: EB-0607451231-3605125024
nur Informationsartikel
Nie mehr lieferbar
keine Alternativen
Pos.
101
BOSCH Kupplungsteil | Ersatzteile für 370 WATT-SERIE | 3606445032
Hersteller: BOSCH
Artikelnummer: EB-0607451231-3606445032
Netto: 121,18 € zzgl. MwSt.
zzgl. 6,90 € Versand (brutto)
einmalig pro Bestellung

Lieferzeit: 5 Werktage

Pos.
102
BOSCH Antriebswelle | Ersatzteile für 370 WATT-SERIE | 3606122008
Hersteller: BOSCH
Artikelnummer: EB-0607451231-3606122008
Netto: 106,72 € zzgl. MwSt.
zzgl. 6,90 € Versand (brutto)
einmalig pro Bestellung

Lieferzeit: 5 Werktage

Pos.
103
BOSCH Spiralspannstift DIN 7343-2x5 | Ersatzteile für 370 WATT-SERIE | 2917800033
Hersteller: BOSCH
Artikelnummer: EB-0607451231-2917800033
Netto: 3,63 € zzgl. MwSt.
zzgl. 6,90 € Versand (brutto)
einmalig pro Bestellung

Lieferzeit: 5 Werktage

Pos.
106
BOSCH Druckfeder | Ersatzteile für 370 WATT-SERIE | 3604617000
Hersteller: BOSCH
Artikelnummer: EB-0607451231-3604617000
Netto: 3,94 € zzgl. MwSt.
zzgl. 6,90 € Versand (brutto)
einmalig pro Bestellung

Lieferzeit: 5 Werktage

Pos.
107
BOSCH Druckfeder | Ersatzteile für 370 WATT-SERIE | 3604610003
Hersteller: BOSCH
Artikelnummer: EB-0607451231-3604610003
Netto: 5,19 € zzgl. MwSt.
zzgl. 6,90 € Versand (brutto)
einmalig pro Bestellung

Lieferzeit: 5 Werktage

Pos.
108
BOSCH Druckfeder | Ersatzteile für 370 WATT-SERIE | 3604610002
Hersteller: BOSCH
Artikelnummer: EB-0607451231-3604610002
Netto: 5,19 € zzgl. MwSt.
zzgl. 6,90 € Versand (brutto)
einmalig pro Bestellung

Lieferzeit: 5 Werktage

Pos.
109
BOSCH Druckfeder Ø 4 MM | Ersatzteile für 370 WATT-SERIE | 3604619000
Hersteller: BOSCH
Artikelnummer: EB-0607451231-3604619000
Netto: 7,76 € zzgl. MwSt.
zzgl. 6,90 € Versand (brutto)
einmalig pro Bestellung

Lieferzeit: 5 Werktage

Pos.
110
BOSCH Sprengring | Ersatzteile für 370 WATT-SERIE | 3604601001
Hersteller: BOSCH
Artikelnummer: EB-0607451231-3604601001
Netto: 4,32 € zzgl. MwSt.
zzgl. 6,90 € Versand (brutto)
einmalig pro Bestellung

Lieferzeit: 5 Werktage

Pos.
111
BOSCH Kugel DIN 5401-4 MM-III-ST | Ersatzteile für 370 WATT-SERIE | 1903230007
Hersteller: BOSCH
Artikelnummer: EB-0607451231-1903230007
Netto: 3,94 € zzgl. MwSt.
zzgl. 6,90 € Versand (brutto)
einmalig pro Bestellung

Lieferzeit: 5 Werktage

Pos.
113
BOSCH Klemmhülse | Ersatzteile für 370 WATT-SERIE | 3600311016
Hersteller: BOSCH
Artikelnummer: EB-0607451231-3600311016
Netto: 17,38 € zzgl. MwSt.
zzgl. 6,90 € Versand (brutto)
einmalig pro Bestellung

Lieferzeit: 5 Werktage

Pos.
114
BOSCH Sinterbuchse | Ersatzteile für 370 WATT-SERIE | 3600301004
Hersteller: BOSCH
Artikelnummer: EB-0607451231-3600301004
nur Informationsartikel
Nie mehr lieferbar
keine Alternativen
Pos.
115
BOSCH Verschlussplatte | Ersatzteile für 370 WATT-SERIE | 3600001000
Hersteller: BOSCH
Artikelnummer: EB-0607451231-3600001000
Netto: 4,82 € zzgl. MwSt.
zzgl. 6,90 € Versand (brutto)
einmalig pro Bestellung

Lieferzeit: 5 Werktage

Pos.
116
BOSCH Verstellscheibe | Ersatzteile für 370 WATT-SERIE | 3600134000
Hersteller: BOSCH
Artikelnummer: EB-0607451231-3600134000
Netto: 4,82 € zzgl. MwSt.
zzgl. 6,90 € Versand (brutto)
einmalig pro Bestellung

Lieferzeit: 5 Werktage

Pos.
118
BOSCH Sperrbolzen | Ersatzteile für 370 WATT-SERIE | 3603150203
Hersteller: BOSCH
Artikelnummer: EB-0607451231-3603150203
Netto: 39,11 € zzgl. MwSt.
zzgl. 6,90 € Versand (brutto)
einmalig pro Bestellung

Lieferzeit: 5 Werktage

Pos.
119
BOSCH Kupplungsscheibe | Ersatzteile für 370 WATT-SERIE | 3600114001
Hersteller: BOSCH
Artikelnummer: EB-0607451231-3600114001
Netto: 15,75 € zzgl. MwSt.
zzgl. 6,90 € Versand (brutto)
einmalig pro Bestellung

Lieferzeit: 5 Werktage

Pos.
120
BOSCH Rundmutter | Ersatzteile für 370 WATT-SERIE | 3603301004
Hersteller: BOSCH
Artikelnummer: EB-0607451231-3603301004
Netto: 19,18 € zzgl. MwSt.
zzgl. 6,90 € Versand (brutto)
einmalig pro Bestellung

Lieferzeit: 5 Werktage

Pos.
122
BOSCH Axialzylinderrollenlager | Ersatzteile für 370 WATT-SERIE | 3600921000
Hersteller: BOSCH
Artikelnummer: EB-0607451231-3600921000
Netto: 7,30 € zzgl. MwSt.
zzgl. 6,90 € Versand (brutto)
einmalig pro Bestellung

Lieferzeit: 5 Werktage

Pos.
124
BOSCH Lagerscheibe | Ersatzteile für 370 WATT-SERIE | 3600101002
Hersteller: BOSCH
Artikelnummer: EB-0607451231-3600101002
Netto: 4,32 € zzgl. MwSt.
zzgl. 6,90 € Versand (brutto)
einmalig pro Bestellung

Lieferzeit: 5 Werktage

Pos.
125
BOSCH Stützring | Ersatzteile für 370 WATT-SERIE | 3600202006
Hersteller: BOSCH
Artikelnummer: EB-0607451231-3600202006
Netto: 4,82 € zzgl. MwSt.
zzgl. 6,90 € Versand (brutto)
einmalig pro Bestellung

Lieferzeit: 5 Werktage

Pos.
126
BOSCH Sprengring | Ersatzteile für 370 WATT-SERIE | 3600224006
Hersteller: BOSCH
Artikelnummer: EB-0607451231-3600224006
Netto: 4,82 € zzgl. MwSt.
zzgl. 6,90 € Versand (brutto)
einmalig pro Bestellung

Lieferzeit: 5 Werktage

Pos.
127
BOSCH Kugel DIN 5401-5 G28 | Ersatzteile für 370 WATT-SERIE | 1903230009
Hersteller: BOSCH
Artikelnummer: EB-0607451231-1903230009
Netto: 3,63 € zzgl. MwSt.
zzgl. 6,90 € Versand (brutto)
einmalig pro Bestellung

Lieferzeit: 5 Werktage

Pos.
128
BOSCH Kugel DIN 5401-6 G28 | Ersatzteile für 370 WATT-SERIE | 1903230011
Hersteller: BOSCH
Artikelnummer: EB-0607451231-1903230011
Netto: 4,53 € zzgl. MwSt.
zzgl. 6,90 € Versand (brutto)
einmalig pro Bestellung

Lieferzeit: 5 Werktage

Pos.
129
BOSCH Kugel DIN 5401-3 MM-III-ST | Ersatzteile für 370 WATT-SERIE | 1903230004
Hersteller: BOSCH
Artikelnummer: EB-0607451231-1903230004
Netto: 4,32 € zzgl. MwSt.
zzgl. 6,90 € Versand (brutto)
einmalig pro Bestellung

Lieferzeit: 5 Werktage

Pos.
132
BOSCH Verschlussschraube | Ersatzteile für 370 WATT-SERIE | 3603463000
Hersteller: BOSCH
Artikelnummer: EB-0607451231-3603463000
Netto: 4,53 € zzgl. MwSt.
zzgl. 6,90 € Versand (brutto)
einmalig pro Bestellung

Lieferzeit: 5 Werktage

Pos.
140
BOSCH Sprengring 14 DIN 9045 | Ersatzteile für 370 WATT-SERIE | 2916600008
Hersteller: BOSCH
Artikelnummer: EB-0607451231-2916600008
Netto: 4,82 € zzgl. MwSt.
zzgl. 6,90 € Versand (brutto)
einmalig pro Bestellung

Lieferzeit: 5 Werktage

Pos.
652
BOSCH Schlauchstutzen | Ersatzteile für 370 WATT-SERIE | 2603386002
Hersteller: BOSCH
Artikelnummer: EB-0607451231-2603386002
Netto: 6,15 € zzgl. MwSt.
zzgl. 6,90 € Versand (brutto)
einmalig pro Bestellung

Lieferzeit: 5 Werktage

Pos.
657
BOSCH Winkelstück | Ersatzteile für 370 WATT-SERIE | 3601329007
Hersteller: BOSCH
Artikelnummer: EB-0607451231-3601329007
Netto: 5,67 € zzgl. MwSt.
zzgl. 6,90 € Versand (brutto)
einmalig pro Bestellung

Lieferzeit: 5 Werktage

Pos.
703
BOSCH Schlauchstutzen Ø 8 MM | Ersatzteile für 370 WATT-SERIE | 3603386001
Hersteller: BOSCH
Artikelnummer: EB-0607451231-3603386001
Netto: 14,36 € zzgl. MwSt.
zzgl. 6,90 € Versand (brutto)
einmalig pro Bestellung

Lieferzeit: 5 Werktage

Pos.
704
BOSCH Klemmhalter | Ersatzteile für 370 WATT-SERIE | 3608040000
Hersteller: BOSCH
Artikelnummer: EB-0607451231-3608040000
Netto: 75,71 € zzgl. MwSt.
zzgl. 6,90 € Versand (brutto)
einmalig pro Bestellung

Lieferzeit: 5 Werktage

Pos.
705
BOSCH Handgriff | Ersatzteile für 370 WATT-SERIE | 3600499000
Hersteller: BOSCH
Artikelnummer: EB-0607451231-3600499000
nur Informationsartikel
Nie mehr lieferbar
keine Alternativen
Pos.
BOSCH Zusatzhandgriff | Ersatzteile für 370 WATT-SERIE | 16020250A1
Hersteller: BOSCH
Artikelnummer:
Netto: 12,98 € zzgl. MwSt.
zzgl. 6,90 € Versand (brutto)
einmalig pro Bestellung

Lieferzeit: 5 Werktage

Pos.
705
BOSCH Zusatzhandgriff M14 SCHWARZ | Ersatzteile für 370 WATT-SERIE | 1602025022
Hersteller: BOSCH
Artikelnummer: EB-0607451231-1602025022
Netto: 8,41 € zzgl. MwSt.
zzgl. 6,90 € Versand (brutto)
einmalig pro Bestellung

Lieferzeit: 5 Werktage

Pos.
705
BOSCH Zusatzhandgriff M14, Ø37x115 MM SCHWARZ | Ersatzteile für 370 WATT-SERIE | 1602025030
Hersteller: BOSCH
Artikelnummer: EB-0607451231-1602025030
Netto: 14,92 € zzgl. MwSt.
zzgl. 6,90 € Versand (brutto)
einmalig pro Bestellung

Lieferzeit: 5 Werktage

Pos.
706
BOSCH Schalldämpfer | Ersatzteile für 370 WATT-SERIE | 3607000073
Hersteller: BOSCH
Artikelnummer: EB-0607451231-3607000073
Netto: 15,75 € zzgl. MwSt.
zzgl. 6,90 € Versand (brutto)
einmalig pro Bestellung

Lieferzeit: 5 Werktage

Pos.
707
BOSCH Winkelschraubendreher DIN 911 SW10 | Ersatzteile für 370 WATT-SERIE | 1907950009
Hersteller: BOSCH
Artikelnummer: EB-0607451231-1907950009
Netto: 19,18 € zzgl. MwSt.
zzgl. 6,90 € Versand (brutto)
einmalig pro Bestellung

Lieferzeit: 5 Werktage

Pos.
708
BOSCH Einmaulschlüssel DIN 894 SW24 | Ersatzteile für 370 WATT-SERIE | 1907950513
Hersteller: BOSCH
Artikelnummer: EB-0607451231-1907950513
Netto: 14,36 € zzgl. MwSt.
zzgl. 6,90 € Versand (brutto)
einmalig pro Bestellung

Lieferzeit: 5 Werktage

Pos.
712
BOSCH Stiftschlüssel | Ersatzteile für 370 WATT-SERIE | 3607950001
Hersteller: BOSCH
Artikelnummer: EB-0607451231-3607950001
Netto: 4,76 € zzgl. MwSt.
zzgl. 6,90 € Versand (brutto)
einmalig pro Bestellung

Lieferzeit: 5 Werktage

Pos.
801
BOSCH Et-Abschaltkupplung | Ersatzteile für 370 WATT-SERIE | 3607031124
Hersteller: BOSCH
Artikelnummer: EB-0607451231-3607031124
nur Informationsartikel
Nie mehr lieferbar
keine Alternativen
Pos.
802
BOSCH Ersatzteilgruppe | Ersatzteile für 370 WATT-SERIE | 3607031018
Hersteller: BOSCH
Artikelnummer: EB-0607451231-3607031018
Netto: 342,53 € zzgl. MwSt.
zzgl. 6,90 € Versand (brutto)
einmalig pro Bestellung

Lieferzeit: 5 Werktage

Pos.
804
BOSCH Ersatzteilgruppe | Ersatzteile für 370 WATT-SERIE | 3607030248
Hersteller: BOSCH
Artikelnummer: EB-0607451231-3607030248
Netto: 26,88 € zzgl. MwSt.
zzgl. 6,90 € Versand (brutto)
einmalig pro Bestellung

Lieferzeit: 5 Werktage

Pos.
821
BOSCH Ersatzteilgruppe | Ersatzteile für 370 WATT-SERIE | 3607031096
Hersteller: BOSCH
Artikelnummer: EB-0607451231-3607031096
Netto: 52,14 € zzgl. MwSt.
zzgl. 6,90 € Versand (brutto)
einmalig pro Bestellung

Lieferzeit: 5 Werktage

Pos.
856
BOSCH Ersatzteilgruppe | Ersatzteile für 370 WATT-SERIE | 3607031136
Hersteller: BOSCH
Artikelnummer: EB-0607451231-3607031136
Netto: 8,72 € zzgl. MwSt.
zzgl. 6,90 € Versand (brutto)
einmalig pro Bestellung

Lieferzeit: 5 Werktage

Angaben zur Produktsicherheit

Hersteller:
Robert Bosch Power Tools GmbH
Postfach 30 02 20
70442 Stuttgart

E-Mail:
kontakt@bosch.de