BOSCH Klemmschelle | Ersatzteile für 3855 | 2610Z01999

Artikelnummer: EB-F015385511-2610Z01999

Position: 852

Marke: BOSCH


Bitte Kompatibilität prüfen!

Bitte prüfen Sie unbedingt die 10-stellige Typennummer Ihrer Maschine / Ihres Gerätes. Das Ersatzteil ist nur kompatibel, wenn Sie die Typennummer Ihrer Maschine in der unten stehenden Produktbeschreibung finden.

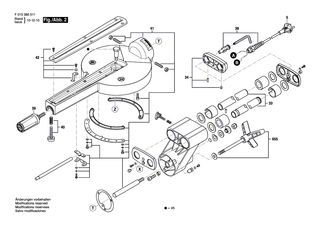
Bitte prüfen Sie ebenfalls detailliert die Explosionszeichnung mit Ihrem Artikelwunsch und der jeweiligen Pos-Nummer.

Alle Elemente, welche vom schwarzen Strich der Pos-Nummer ausgehend berührt / erfasst werden, gehören zu dieser Pos-Nummer und somit zu diesem Artikel. Jede Pos-Nummer ist ein eigenständiger Artikel, welchen Sie in der Auflistung finden.

Sie erhalten stets die aktuellste, neueste Produktversion zu der gewählten Pos-Nummer seitens des Herstellers. Es kann daher je nach Gerätealter vorkommen, dass Sie ggf. weitere, zugehörige Elemente, welche an diese Pos-Nummer grenzen, ebenfalls mittauschen müssen.

Nähere Informationen finden Sie unter dem Link
Hinweise zu Ihrer BOSCH Ersatzteilsuche

Preisübersicht

Einzelpreis: 17,95 €* (Brutto: 21,36 €)
Gesamtpreis: 17,95 €* 
Position:

Lieferzeit: 64 Werktage


Beschreibung

  • Klemmschelle
  • Original Bosch Zubehör / BOSCH Ersatzteil (2610Z01999)
  • im Gerät verbaut: 1
Dieses BOSCH Ersatzteil ist mit folgendem Gerät und Modell kompatibel:
  • BOSCH Gerätename: 3855
  • BOSCH Explosionszeichnung: Position 852
  • BOSCH Typennummer: F015385511
  • BOSCH Typennummer alternative Schreibweisen: F 015 385 511, F015 385 511, F.015.385.511, F-015-385-511
    Bitte prüfen Sie diese Typennummer auf Ihrem Gerät um die Kompatibilität des BOSCH Ersatzteils zu gewährleisten.
Weitere BOSCH Ersatzteile des Gerätes 3855 (Kapp-/Zugsäge) mit der Typennummer F015385511 finden Sie in der nachfolgenden Darstellung und im Dropdown zu Ihrer Auswahl:

Pos.
5
BOSCH Netzanschlussleitung CH 230V 4,15m 2 x 1,0mm H05 RN-F | Ersatzteile für 3855 | 1604460403
Hersteller: BOSCH
Artikelnummer: EB-F015385511-1604460403
nur Informationsartikel
Nie mehr lieferbar
keine Alternativen
Pos.
5
BOSCH Netzanschlussleitung EU 230V 4,15m 2 x 1,0mm H05 RN-F | Ersatzteile für 3855 | 1607000386
Hersteller: BOSCH
Artikelnummer: EB-F015385511-1607000386
Netto: 16,70 € zzgl. MwSt.
zzgl. 6,90 € Versand (brutto)
einmalig pro Bestellung

Lieferzeit: 5 Werktage

Pos.
5
BOSCH Netzanschlussleitung GB 230V 4,15m 2 x 1,0mm H05 RN-F | Ersatzteile für 3855 | 2604460222
Hersteller: BOSCH
Artikelnummer: EB-F015385511-2604460222
nur Informationsartikel
Nie mehr lieferbar
keine Alternativen
Pos.
10
BOSCH Kohlebürstensatz | Ersatzteile für 3855 | 2610Z01971
Hersteller: BOSCH
Artikelnummer: EB-F015385511-2610Z01971
Netto: 8,66 € zzgl. MwSt.
zzgl. 6,90 € Versand (brutto)
einmalig pro Bestellung

Lieferzeit: 64 Werktage

Pos.
12
BOSCH Entstörkondensator | Ersatzteile für 3855 | 2610Z01976
Hersteller: BOSCH
Artikelnummer: EB-F015385511-2610Z01976
Netto: 6,45 € zzgl. MwSt.
zzgl. 6,90 € Versand (brutto)
einmalig pro Bestellung

Lieferzeit: 64 Werktage

Pos.
21
BOSCH Schutzunterteil | Ersatzteile für 3855 | 2610Z01964
Hersteller: BOSCH
Artikelnummer: EB-F015385511-2610Z01964
Netto: 14,50 € zzgl. MwSt.
zzgl. 6,90 € Versand (brutto)
einmalig pro Bestellung

Lieferzeit: 64 Werktage

Pos.
22
BOSCH Flanschbausatz | Ersatzteile für 3855 | 2610Z01963
Hersteller: BOSCH
Artikelnummer: EB-F015385511-2610Z01963
Netto: 10,97 € zzgl. MwSt.
zzgl. 6,90 € Versand (brutto)
einmalig pro Bestellung

Lieferzeit: 64 Werktage

Pos.
23
BOSCH Staubkasten | Ersatzteile für 3855 | 2610Z01965
Hersteller: BOSCH
Artikelnummer: EB-F015385511-2610Z01965
Netto: 6,57 € zzgl. MwSt.
zzgl. 6,90 € Versand (brutto)
einmalig pro Bestellung

Lieferzeit: 64 Werktage

Pos.
24
BOSCH Getriebekasten | Ersatzteile für 3855 | 2610Z01966
Hersteller: BOSCH
Artikelnummer: EB-F015385511-2610Z01966
Netto: 22,64 € zzgl. MwSt.
zzgl. 6,90 € Versand (brutto)
einmalig pro Bestellung

Lieferzeit: 64 Werktage

Pos.
25
BOSCH Lochöse | Ersatzteile für 3855 | 2610Z01973
Hersteller: BOSCH
Artikelnummer: EB-F015385511-2610Z01973
Netto: 6,45 € zzgl. MwSt.
zzgl. 6,90 € Versand (brutto)
einmalig pro Bestellung

Lieferzeit: 64 Werktage

Pos.
26
BOSCH Trafoeinheit | Ersatzteile für 3855 | 2610Z01975
Hersteller: BOSCH
Artikelnummer: EB-F015385511-2610Z01975
Netto: 12,08 € zzgl. MwSt.
zzgl. 6,90 € Versand (brutto)
einmalig pro Bestellung

Lieferzeit: 64 Werktage

Pos.
27
BOSCH Handgriff | Ersatzteile für 3855 | 2610Z01978
Hersteller: BOSCH
Artikelnummer: EB-F015385511-2610Z01978
Netto: 20,38 € zzgl. MwSt.
zzgl. 6,90 € Versand (brutto)
einmalig pro Bestellung

Lieferzeit: 64 Werktage

Pos.
28
BOSCH Handgriff | Ersatzteile für 3855 | 2610Z01979
Hersteller: BOSCH
Artikelnummer: EB-F015385511-2610Z01979
Netto: 10,70 € zzgl. MwSt.
zzgl. 6,90 € Versand (brutto)
einmalig pro Bestellung

Lieferzeit: 64 Werktage

Pos.
29
BOSCH Pfropfen | Ersatzteile für 3855 | 2610Z01980
Hersteller: BOSCH
Artikelnummer: EB-F015385511-2610Z01980
Netto: 6,05 € zzgl. MwSt.
zzgl. 6,90 € Versand (brutto)
einmalig pro Bestellung

Lieferzeit: 64 Werktage

Pos.
30
BOSCH Schutzoberteil | Ersatzteile für 3855 | 2610Z01981
Hersteller: BOSCH
Artikelnummer: EB-F015385511-2610Z01981
Netto: 56,95 € zzgl. MwSt.
zzgl. 6,90 € Versand (brutto)
einmalig pro Bestellung

Lieferzeit: 64 Werktage

Pos.
31
BOSCH Lenkhebel | Ersatzteile für 3855 | 2610Z01982
Hersteller: BOSCH
Artikelnummer: EB-F015385511-2610Z01982
Netto: 16,31 € zzgl. MwSt.
zzgl. 6,90 € Versand (brutto)
einmalig pro Bestellung

Lieferzeit: 64 Werktage

Pos.
32
BOSCH Federnsatz | Ersatzteile für 3855 | 2610Z01983
Hersteller: BOSCH
Artikelnummer: EB-F015385511-2610Z01983
Netto: 10,97 € zzgl. MwSt.
zzgl. 6,90 € Versand (brutto)
einmalig pro Bestellung

Lieferzeit: 64 Werktage

Pos.
33
BOSCH Gleitleistensatz | Ersatzteile für 3855 | 2610Z01984
Hersteller: BOSCH
Artikelnummer: EB-F015385511-2610Z01984
Netto: 35,80 € zzgl. MwSt.
zzgl. 6,90 € Versand (brutto)
einmalig pro Bestellung

Lieferzeit: 64 Werktage

Pos.
34
BOSCH Anschlussstück | Ersatzteile für 3855 | 2610Z01985
Hersteller: BOSCH
Artikelnummer: EB-F015385511-2610Z01985
Netto: 9,18 € zzgl. MwSt.
zzgl. 6,90 € Versand (brutto)
einmalig pro Bestellung

Lieferzeit: 64 Werktage

Pos.
35
BOSCH Lasermodul | Ersatzteile für 3855 | 2610Z01986
Hersteller: BOSCH
Artikelnummer: EB-F015385511-2610Z01986
Netto: 14,50 € zzgl. MwSt.
zzgl. 6,90 € Versand (brutto)
einmalig pro Bestellung

Lieferzeit: 64 Werktage

Pos.
36
BOSCH Stützwinkel | Ersatzteile für 3855 | 2610Z01987
Hersteller: BOSCH
Artikelnummer: EB-F015385511-2610Z01987
Netto: 29,97 € zzgl. MwSt.
zzgl. 6,90 € Versand (brutto)
einmalig pro Bestellung

Lieferzeit: 64 Werktage

Pos.
37
BOSCH Einhängehaken | Ersatzteile für 3855 | 2610Z01988
Hersteller: BOSCH
Artikelnummer: EB-F015385511-2610Z01988
Netto: 6,16 € zzgl. MwSt.
zzgl. 6,90 € Versand (brutto)
einmalig pro Bestellung

Lieferzeit: 64 Werktage

Pos.
38
BOSCH Abreißtülle | Ersatzteile für 3855 | 2610Z01989
Hersteller: BOSCH
Artikelnummer: EB-F015385511-2610Z01989
Netto: 7,38 € zzgl. MwSt.
zzgl. 6,90 € Versand (brutto)
einmalig pro Bestellung

Lieferzeit: 64 Werktage

Pos.
39
BOSCH Knopf | Ersatzteile für 3855 | 2610Z01991
Hersteller: BOSCH
Artikelnummer: EB-F015385511-2610Z01991
Netto: 6,57 € zzgl. MwSt.
zzgl. 6,90 € Versand (brutto)
einmalig pro Bestellung

Lieferzeit: 64 Werktage

Pos.
40
BOSCH Fussauflage | Ersatzteile für 3855 | 2610Z01992
Hersteller: BOSCH
Artikelnummer: EB-F015385511-2610Z01992
Netto: 6,05 € zzgl. MwSt.
zzgl. 6,90 € Versand (brutto)
einmalig pro Bestellung

Lieferzeit: 64 Werktage

Pos.
41
BOSCH Drehteller | Ersatzteile für 3855 | 2610Z01993
Hersteller: BOSCH
Artikelnummer: EB-F015385511-2610Z01993
Netto: 70,01 € zzgl. MwSt.
zzgl. 6,90 € Versand (brutto)
einmalig pro Bestellung

Lieferzeit: 64 Werktage

Pos.
42
BOSCH Wendeplatte | Ersatzteile für 3855 | 2610Z01994
Hersteller: BOSCH
Artikelnummer: EB-F015385511-2610Z01994
Netto: 8,66 € zzgl. MwSt.
zzgl. 6,90 € Versand (brutto)
einmalig pro Bestellung

Lieferzeit: 64 Werktage

Pos.
43
BOSCH Gehrungslineal | Ersatzteile für 3855 | 2610Z01995
Hersteller: BOSCH
Artikelnummer: EB-F015385511-2610Z01995
Netto: 22,64 € zzgl. MwSt.
zzgl. 6,90 € Versand (brutto)
einmalig pro Bestellung

Lieferzeit: 64 Werktage

Pos.
44
BOSCH Basiseinheit | Ersatzteile für 3855 | 2610Z01997
Hersteller: BOSCH
Artikelnummer: EB-F015385511-2610Z01997
Netto: 70,01 € zzgl. MwSt.
zzgl. 6,90 € Versand (brutto)
einmalig pro Bestellung

Lieferzeit: 64 Werktage

Pos.
45
BOSCH Schwenkbolzen | Ersatzteile für 3855 | 2610Z02000
Hersteller: BOSCH
Artikelnummer: EB-F015385511-2610Z02000
Netto: 7,22 € zzgl. MwSt.
zzgl. 6,90 € Versand (brutto)
einmalig pro Bestellung

Lieferzeit: 64 Werktage

Pos.
46
BOSCH Entstördrossel | Ersatzteile für 3855 | 2610Z01977
Hersteller: BOSCH
Artikelnummer: EB-F015385511-2610Z01977
Netto: 6,77 € zzgl. MwSt.
zzgl. 6,90 € Versand (brutto)
einmalig pro Bestellung

Lieferzeit: 64 Werktage

Pos.
650
BOSCH Anschlagplatte | Ersatzteile für 3855 | 2610Z00717
Hersteller: BOSCH
Artikelnummer: EB-F015385511-2610Z00717
Netto: 9,39 € zzgl. MwSt.
zzgl. 6,90 € Versand (brutto)
einmalig pro Bestellung

Lieferzeit: 64 Werktage

Pos.
651
BOSCH Staubbeutel | Ersatzteile für 3855 | 2610Z00725
Hersteller: BOSCH
Artikelnummer: EB-F015385511-2610Z00725
Netto: 10,20 € zzgl. MwSt.
zzgl. 6,90 € Versand (brutto)
einmalig pro Bestellung

Lieferzeit: 64 Werktage

Pos.
654
BOSCH Stütze | Ersatzteile für 3855 | 2610Z00728
Hersteller: BOSCH
Artikelnummer: EB-F015385511-2610Z00728
Netto: 10,97 € zzgl. MwSt.
zzgl. 6,90 € Versand (brutto)
einmalig pro Bestellung

Lieferzeit: 64 Werktage

Pos.
655
BOSCH Sterngriff | Ersatzteile für 3855 | 2610Z00729
Hersteller: BOSCH
Artikelnummer: EB-F015385511-2610Z00729
Netto: 8,66 € zzgl. MwSt.
zzgl. 6,90 € Versand (brutto)
einmalig pro Bestellung

Lieferzeit: 64 Werktage

Pos.
801
BOSCH Gehäusesatz | Ersatzteile für 3855 | 2610Z01969
Hersteller: BOSCH
Artikelnummer: EB-F015385511-2610Z01969
Netto: 17,95 € zzgl. MwSt.
zzgl. 6,90 € Versand (brutto)
einmalig pro Bestellung

Lieferzeit: 64 Werktage

Pos.
802
BOSCH Polschuh 230V | Ersatzteile für 3855 | 2610Z01970
Hersteller: BOSCH
Artikelnummer: EB-F015385511-2610Z01970
Netto: 43,44 € zzgl. MwSt.
zzgl. 6,90 € Versand (brutto)
einmalig pro Bestellung

Lieferzeit: 64 Werktage

Pos.
803
BOSCH Ankersatz 230V | Ersatzteile für 3855 | 2610Z01968
Hersteller: BOSCH
Artikelnummer: EB-F015385511-2610Z01968
Netto: 56,95 € zzgl. MwSt.
zzgl. 6,90 € Versand (brutto)
einmalig pro Bestellung

Lieferzeit: 64 Werktage

Pos.
804
BOSCH Schalter-Set | Ersatzteile für 3855 | 2610Z01974
Hersteller: BOSCH
Artikelnummer: EB-F015385511-2610Z01974
Netto: 13,19 € zzgl. MwSt.
zzgl. 6,90 € Versand (brutto)
einmalig pro Bestellung

Lieferzeit: 64 Werktage

Pos.
816
BOSCH Kohlenstütze | Ersatzteile für 3855 | 2610Z01972
Hersteller: BOSCH
Artikelnummer: EB-F015385511-2610Z01972
Netto: 7,38 € zzgl. MwSt.
zzgl. 6,90 € Versand (brutto)
einmalig pro Bestellung

Lieferzeit: 64 Werktage

Pos.
852
BOSCH Klemmschelle | Ersatzteile für 3855 | 2610Z01999
Hersteller: BOSCH
Artikelnummer: EB-F015385511-2610Z01999
Netto: 17,95 € zzgl. MwSt.
zzgl. 6,90 € Versand (brutto)
einmalig pro Bestellung

Lieferzeit: 64 Werktage

Pos.
853
BOSCH Stützleiste | Ersatzteile für 3855 | 2610Z01998
Hersteller: BOSCH
Artikelnummer: EB-F015385511-2610Z01998
Netto: 16,31 € zzgl. MwSt.
zzgl. 6,90 € Versand (brutto)
einmalig pro Bestellung

Lieferzeit: 64 Werktage

Angaben zur Produktsicherheit

Hersteller:
Robert Bosch Power Tools GmbH
Postfach 30 02 20
70442 Stuttgart

E-Mail:
kontakt@bosch.de