BOSCH Schraubhülse 1/8" | Ersatzteile für 395 | 2615110480

Artikelnummer: EB-F013039572-2615110480

Position: 19

Marke: BOSCH


Bitte Kompatibilität prüfen!

Bitte prüfen Sie unbedingt die 10-stellige Typennummer Ihrer Maschine / Ihres Gerätes. Das Ersatzteil ist nur kompatibel, wenn Sie die Typennummer Ihrer Maschine in der unten stehenden Produktbeschreibung finden.

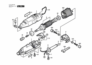
Bitte prüfen Sie ebenfalls detailliert die Explosionszeichnung mit Ihrem Artikelwunsch und der jeweiligen Pos-Nummer.

Alle Elemente, welche vom schwarzen Strich der Pos-Nummer ausgehend berührt / erfasst werden, gehören zu dieser Pos-Nummer und somit zu diesem Artikel. Jede Pos-Nummer ist ein eigenständiger Artikel, welchen Sie in der Auflistung finden.

Sie erhalten stets die aktuellste, neueste Produktversion zu der gewählten Pos-Nummer seitens des Herstellers. Es kann daher je nach Gerätealter vorkommen, dass Sie ggf. weitere, zugehörige Elemente, welche an diese Pos-Nummer grenzen, ebenfalls mittauschen müssen.

Nähere Informationen finden Sie unter dem Link
Hinweise zu Ihrer BOSCH Ersatzteilsuche

Preisübersicht

Einzelpreis: 5,19 €* (Brutto: 6,18 €)
Gesamtpreis: 5,19 €* 
Position:

Lieferzeit: 5 Werktage


Beschreibung

  • Schraubhülse 1/8""
  • Original Bosch Zubehör / BOSCH Ersatzteil (2615110480)
  • im Gerät verbaut: 1
Dieses BOSCH Ersatzteil ist mit folgendem Gerät und Modell kompatibel:
  • BOSCH Gerätename: 395
  • BOSCH Explosionszeichnung: Position 19
  • BOSCH Typennummer: F013039572
  • BOSCH Typennummer alternative Schreibweisen: F 013 039 572, F013 039 572, F.013.039.572, F-013-039-572
    Bitte prüfen Sie diese Typennummer auf Ihrem Gerät um die Kompatibilität des BOSCH Ersatzteils zu gewährleisten.
Weitere BOSCH Ersatzteile des Gerätes 395 (MULTI) mit der Typennummer F013039572 finden Sie in der nachfolgenden Darstellung und im Dropdown zu Ihrer Auswahl:

Pos.
1
BOSCH Gehäuse | Ersatzteile für 395 | 2610912778
Hersteller: BOSCH
Artikelnummer: EB-F013039572-2610912778
nur Informationsartikel
Nie mehr lieferbar
keine Alternativen
Pos.
3
BOSCH Anker 230V | Ersatzteile für 395 | 2610941201
Hersteller: BOSCH
Artikelnummer: EB-F013039572-2610941201
Netto: 26,88 € zzgl. MwSt.
zzgl. 6,90 € Versand (brutto)
einmalig pro Bestellung

Lieferzeit: 5 Werktage

Pos.
4
BOSCH Ein/Aus-Schalter | Ersatzteile für 395 | 2610912847
Hersteller: BOSCH
Artikelnummer: EB-F013039572-2610912847
Netto: 24,13 € zzgl. MwSt.
zzgl. 6,90 € Versand (brutto)
einmalig pro Bestellung

Lieferzeit: 5 Werktage

Pos.
5
BOSCH Netzanschlussleitung EU 230V 2m 2 x 0,75mm H05 VV-F | Ersatzteile für 395 | 2615302694
Hersteller: BOSCH
Artikelnummer: EB-F013039572-2615302694
Netto: 12,98 € zzgl. MwSt.
zzgl. 6,90 € Versand (brutto)
einmalig pro Bestellung

Lieferzeit: 5 Werktage

Pos.
6
BOSCH Tülle | Ersatzteile für 395 | 2610360176
Hersteller: BOSCH
Artikelnummer: EB-F013039572-2610360176
Netto: 3,94 € zzgl. MwSt.
zzgl. 6,90 € Versand (brutto)
einmalig pro Bestellung

Lieferzeit: 5 Werktage

Pos.
7
BOSCH Leitungshalter | Ersatzteile für 395 | 2615650007
Hersteller: BOSCH
Artikelnummer: EB-F013039572-2615650007
Netto: 4,53 € zzgl. MwSt.
zzgl. 6,90 € Versand (brutto)
einmalig pro Bestellung

Lieferzeit: 5 Werktage

Pos.
8
BOSCH Typschild | Ersatzteile für 395 | 2610947701
Hersteller: BOSCH
Artikelnummer: EB-F013039572-2610947701
Netto: 4,61 € zzgl. MwSt.
zzgl. 6,90 € Versand (brutto)
einmalig pro Bestellung

Lieferzeit: 5 Werktage

Pos.
9
BOSCH Einklebeblatt | Ersatzteile für 395 | 2610945683
Hersteller: BOSCH
Artikelnummer: EB-F013039572-2610945683
nur Informationsartikel
Nie mehr lieferbar
keine Alternativen
Pos.
12
BOSCH Kondensator | Ersatzteile für 395 | 2615302683
Hersteller: BOSCH
Artikelnummer: EB-F013039572-2615302683
Netto: 5,67 € zzgl. MwSt.
zzgl. 6,90 € Versand (brutto)
einmalig pro Bestellung

Lieferzeit: 5 Werktage

Pos.
18
BOSCH Mutter | Ersatzteile für 395 | 2610014582
Hersteller: BOSCH
Artikelnummer: EB-F013039572-2610014582
Netto: 4,32 € zzgl. MwSt.
zzgl. 6,90 € Versand (brutto)
einmalig pro Bestellung

Lieferzeit: 5 Werktage

Pos.
19
BOSCH Schraubhülse 1/8" | Ersatzteile für 395 | 2615110480
Hersteller: BOSCH
Artikelnummer: EB-F013039572-2615110480
Netto: 5,19 € zzgl. MwSt.
zzgl. 6,90 € Versand (brutto)
einmalig pro Bestellung

Lieferzeit: 5 Werktage

Pos.
22
BOSCH Isolator | Ersatzteile für 395 | 2615297373
Hersteller: BOSCH
Artikelnummer: EB-F013039572-2615297373
Netto: 3,94 € zzgl. MwSt.
zzgl. 6,90 € Versand (brutto)
einmalig pro Bestellung

Lieferzeit: 5 Werktage

Pos.
23
BOSCH Halteklammer | Ersatzteile für 395 | 2615294043
Hersteller: BOSCH
Artikelnummer: EB-F013039572-2615294043
Netto: 5,19 € zzgl. MwSt.
zzgl. 6,90 € Versand (brutto)
einmalig pro Bestellung

Lieferzeit: 5 Werktage

Pos.
24
BOSCH Kreuzschlitzschraube | Ersatzteile für 395 | 2615294035
Hersteller: BOSCH
Artikelnummer: EB-F013039572-2615294035
Netto: 3,94 € zzgl. MwSt.
zzgl. 6,90 € Versand (brutto)
einmalig pro Bestellung

Lieferzeit: 5 Werktage

Pos.
30
BOSCH Verschlusskappe | Ersatzteile für 395 | 2610913684
Hersteller: BOSCH
Artikelnummer: EB-F013039572-2610913684
nur Informationsartikel
Nie mehr lieferbar
keine Alternativen
Pos.
650
BOSCH Bohrfutterschlüssel | Ersatzteile für 395 | 2610930692
Hersteller: BOSCH
Artikelnummer: EB-F013039572-2610930692
nur Informationsartikel
Nie mehr lieferbar
keine Alternativen
Pos.
802
BOSCH Polschuh 230V | Ersatzteile für 395 | 2615298792
Hersteller: BOSCH
Artikelnummer: EB-F013039572-2615298792
Netto: 14,36 € zzgl. MwSt.
zzgl. 6,90 € Versand (brutto)
einmalig pro Bestellung

Lieferzeit: 5 Werktage

Pos.
810
BOSCH Kohlebürstensatz | Ersatzteile für 395 | 2615298790
Hersteller: BOSCH
Artikelnummer: EB-F013039572-2615298790
Netto: 7,30 € zzgl. MwSt.
zzgl. 6,90 € Versand (brutto)
einmalig pro Bestellung

Lieferzeit: 5 Werktage

Pos.
817
BOSCH Teilesatz | Ersatzteile für 395 | 2615297356
Hersteller: BOSCH
Artikelnummer: EB-F013039572-2615297356
Netto: 4,53 € zzgl. MwSt.
zzgl. 6,90 € Versand (brutto)
einmalig pro Bestellung

Lieferzeit: 5 Werktage

Pos.
825
BOSCH Verschlusskappe | Ersatzteile für 395 | 2610913683
Hersteller: BOSCH
Artikelnummer: EB-F013039572-2610913683
Netto: 5,67 € zzgl. MwSt.
zzgl. 6,90 € Versand (brutto)
einmalig pro Bestellung

Lieferzeit: 5 Werktage

Angaben zur Produktsicherheit

Hersteller:
Robert Bosch Power Tools GmbH
Postfach 30 02 20
70442 Stuttgart

E-Mail:
kontakt@bosch.de