BOSCH Isolator | Ersatzteile für 395 | 2615297373

Artikelnummer: EB-F0130395CA-2615297373

Position: 22

Marke: BOSCH


Bitte Kompatibilität prüfen!

Bitte prüfen Sie unbedingt die 10-stellige Typennummer Ihrer Maschine / Ihres Gerätes. Das Ersatzteil ist nur kompatibel, wenn Sie die Typennummer Ihrer Maschine in der unten stehenden Produktbeschreibung finden.

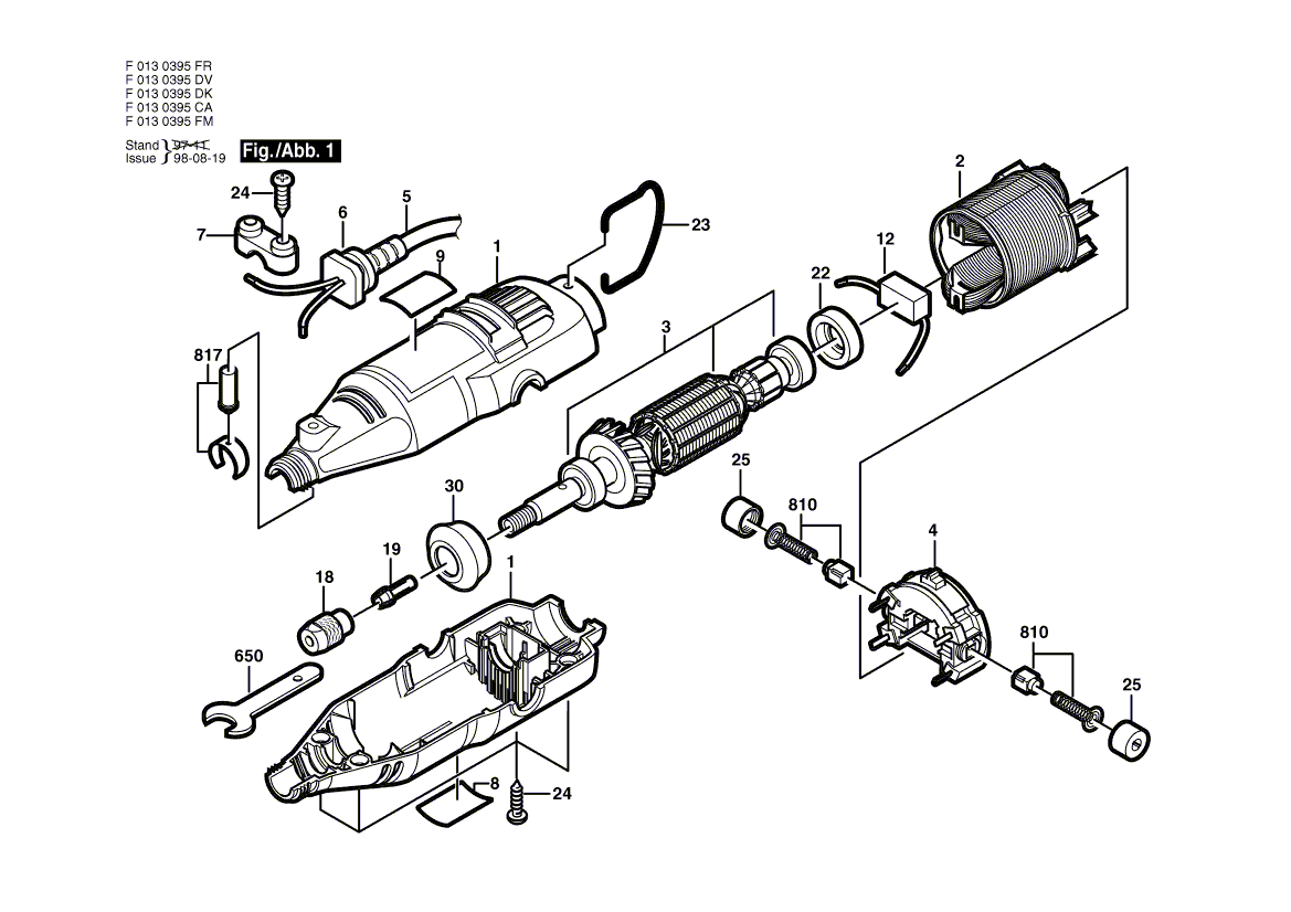
Bitte prüfen Sie ebenfalls detailliert die Explosionszeichnung mit Ihrem Artikelwunsch und der jeweiligen Pos-Nummer.

Alle Elemente, welche vom schwarzen Strich der Pos-Nummer ausgehend berührt / erfasst werden, gehören zu dieser Pos-Nummer und somit zu diesem Artikel. Jede Pos-Nummer ist ein eigenständiger Artikel, welchen Sie in der Auflistung finden.

Sie erhalten stets die aktuellste, neueste Produktversion zu der gewählten Pos-Nummer seitens des Herstellers. Es kann daher je nach Gerätealter vorkommen, dass Sie ggf. weitere, zugehörige Elemente, welche an diese Pos-Nummer grenzen, ebenfalls mittauschen müssen.

Nähere Informationen finden Sie unter dem Link
Hinweise zu Ihrer BOSCH Ersatzteilsuche

Preisübersicht

Einzelpreis: 3,94 €* (Brutto: 4,69 €)
Gesamtpreis: 3,94 €* 
Position:

Lieferzeit: 5 Werktage


Beschreibung

  • Isolator
  • Original Bosch Zubehör / BOSCH Ersatzteil (2615297373)
  • im Gerät verbaut: 1
Dieses BOSCH Ersatzteil ist mit folgendem Gerät und Modell kompatibel:
  • BOSCH Gerätename: 395
  • BOSCH Explosionszeichnung: Position 22
  • BOSCH Typennummer: F0130395CA
  • BOSCH Typennummer alternative Schreibweisen: F 013 039 5CA, F013 039 5CA, F.013.039.5CA, F-013-039-5CA
    Bitte prüfen Sie diese Typennummer auf Ihrem Gerät um die Kompatibilität des BOSCH Ersatzteils zu gewährleisten.
Weitere BOSCH Ersatzteile des Gerätes 395 (Multifunktionswerkzeug) mit der Typennummer F0130395CA finden Sie in der nachfolgenden Darstellung und im Dropdown zu Ihrer Auswahl:

Pos.
1
BOSCH Gehäusesatz | Ersatzteile für 395 | 2610925248
Hersteller: BOSCH
Artikelnummer: EB-F0130395CA-2610925248
Netto: 11,92 € zzgl. MwSt.
zzgl. 6,90 € Versand (brutto)
einmalig pro Bestellung

Lieferzeit: 5 Werktage

Pos.
2
BOSCH Polschuh 120V | Ersatzteile für 395 | 2615302206
Hersteller: BOSCH
Artikelnummer: EB-F0130395CA-2615302206
Netto: 17,38 € zzgl. MwSt.
zzgl. 6,90 € Versand (brutto)
einmalig pro Bestellung

Lieferzeit: 5 Werktage

Pos.
3
BOSCH Anker 120V | Ersatzteile für 395 | 2610941200
Hersteller: BOSCH
Artikelnummer: EB-F0130395CA-2610941200
nur Informationsartikel
Nie mehr lieferbar
keine Alternativen
Pos.
4
BOSCH Ein/Aus-Schalter | Ersatzteile für 395 | 2615294888
Hersteller: BOSCH
Artikelnummer: EB-F0130395CA-2615294888
nur Informationsartikel
Nie mehr lieferbar
keine Alternativen
Pos.
5
BOSCH Netzanschlussleitung | Ersatzteile für 395 | 2615294041
Hersteller: BOSCH
Artikelnummer: EB-F0130395CA-2615294041
Netto: 12,98 € zzgl. MwSt.
zzgl. 6,90 € Versand (brutto)
einmalig pro Bestellung

Lieferzeit: 5 Werktage

Pos.
8
BOSCH Typschild | Ersatzteile für 395 | 2615297702
Hersteller: BOSCH
Artikelnummer: EB-F0130395CA-2615297702
nur Informationsartikel
Nie mehr lieferbar
keine Alternativen
Pos.
9
BOSCH Hinweisschild | Ersatzteile für 395 | 2615298861
Hersteller: BOSCH
Artikelnummer: EB-F0130395CA-2615298861
nur Informationsartikel
Nie mehr lieferbar
keine Alternativen
Pos.
18
BOSCH Mutter | Ersatzteile für 395 | 2610014582
Hersteller: BOSCH
Artikelnummer: EB-F0130395CA-2610014582
Netto: 4,32 € zzgl. MwSt.
zzgl. 6,90 € Versand (brutto)
einmalig pro Bestellung

Lieferzeit: 5 Werktage

Pos.
19
BOSCH Schraubhülse 1/16" | Ersatzteile für 395 | 2615000482
Hersteller: BOSCH
Artikelnummer: EB-F0130395CA-2615000482
nur Informationsartikel
Nie mehr lieferbar
keine Alternativen
Pos.
19
BOSCH Schraubhülse 1/32" | Ersatzteile für 395 | 2615000483
Hersteller: BOSCH
Artikelnummer: EB-F0130395CA-2615000483
nur Informationsartikel
Nie mehr lieferbar
keine Alternativen
Pos.
19
BOSCH Schraubhülse 1/8" | Ersatzteile für 395 | 2615110480
Hersteller: BOSCH
Artikelnummer: EB-F0130395CA-2615110480
Netto: 5,19 € zzgl. MwSt.
zzgl. 6,90 € Versand (brutto)
einmalig pro Bestellung

Lieferzeit: 5 Werktage

Pos.
19
BOSCH Schraubhülse 3/32" | Ersatzteile für 395 | 2615000481
Hersteller: BOSCH
Artikelnummer: EB-F0130395CA-2615000481
nur Informationsartikel
Nie mehr lieferbar
keine Alternativen
Pos.
22
BOSCH Isolator | Ersatzteile für 395 | 2615297373
Hersteller: BOSCH
Artikelnummer: EB-F0130395CA-2615297373
Netto: 3,94 € zzgl. MwSt.
zzgl. 6,90 € Versand (brutto)
einmalig pro Bestellung

Lieferzeit: 5 Werktage

Pos.
23
BOSCH Halteklammer | Ersatzteile für 395 | 2615294043
Hersteller: BOSCH
Artikelnummer: EB-F0130395CA-2615294043
Netto: 5,19 € zzgl. MwSt.
zzgl. 6,90 € Versand (brutto)
einmalig pro Bestellung

Lieferzeit: 5 Werktage

Pos.
24
BOSCH Kreuzschlitzschraube | Ersatzteile für 395 | 2615294035
Hersteller: BOSCH
Artikelnummer: EB-F0130395CA-2615294035
Netto: 3,94 € zzgl. MwSt.
zzgl. 6,90 € Versand (brutto)
einmalig pro Bestellung

Lieferzeit: 5 Werktage

Pos.
25
BOSCH Verschlusskappe | Ersatzteile für 395 | 2615302217
Hersteller: BOSCH
Artikelnummer: EB-F0130395CA-2615302217
Netto: 5,67 € zzgl. MwSt.
zzgl. 6,90 € Versand (brutto)
einmalig pro Bestellung

Lieferzeit: 5 Werktage

Pos.
30
BOSCH Haltering | Ersatzteile für 395 | 2615294028
Hersteller: BOSCH
Artikelnummer: EB-F0130395CA-2615294028
nur Informationsartikel
Nie mehr lieferbar
keine Alternativen
Pos.
650
BOSCH Bohrfutterschlüssel | Ersatzteile für 395 | 2610930692
Hersteller: BOSCH
Artikelnummer: EB-F0130395CA-2610930692
nur Informationsartikel
Nie mehr lieferbar
keine Alternativen
Pos.
810
BOSCH Bürstenfedernsatz | Ersatzteile für 395 | 2610006477
Hersteller: BOSCH
Artikelnummer: EB-F0130395CA-2610006477
nur Informationsartikel
Nie mehr lieferbar
keine Alternativen
Pos.
817
BOSCH Teilesatz | Ersatzteile für 395 | 2615297356
Hersteller: BOSCH
Artikelnummer: EB-F0130395CA-2615297356
Netto: 4,53 € zzgl. MwSt.
zzgl. 6,90 € Versand (brutto)
einmalig pro Bestellung

Lieferzeit: 5 Werktage

Angaben zur Produktsicherheit

Hersteller:
Robert Bosch Power Tools GmbH
Postfach 30 02 20
70442 Stuttgart

E-Mail:
kontakt@bosch.de