BOSCH Schalter | Ersatzteile für 395 | 2615298786

Artikelnummer: EB-F0130395FR-2615298786

Position: 4

Marke: BOSCH


Bitte Kompatibilität prüfen!

Bitte prüfen Sie unbedingt die 10-stellige Typennummer Ihrer Maschine / Ihres Gerätes. Das Ersatzteil ist nur kompatibel, wenn Sie die Typennummer Ihrer Maschine in der unten stehenden Produktbeschreibung finden.

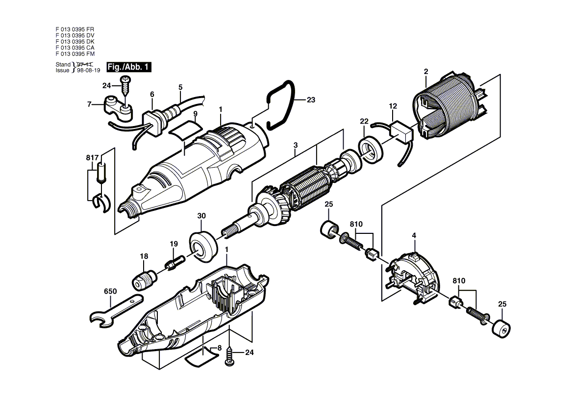
Bitte prüfen Sie ebenfalls detailliert die Explosionszeichnung mit Ihrem Artikelwunsch und der jeweiligen Pos-Nummer.

Alle Elemente, welche vom schwarzen Strich der Pos-Nummer ausgehend berührt / erfasst werden, gehören zu dieser Pos-Nummer und somit zu diesem Artikel. Jede Pos-Nummer ist ein eigenständiger Artikel, welchen Sie in der Auflistung finden.

Sie erhalten stets die aktuellste, neueste Produktversion zu der gewählten Pos-Nummer seitens des Herstellers. Es kann daher je nach Gerätealter vorkommen, dass Sie ggf. weitere, zugehörige Elemente, welche an diese Pos-Nummer grenzen, ebenfalls mittauschen müssen.

Nähere Informationen finden Sie unter dem Link
Hinweise zu Ihrer BOSCH Ersatzteilsuche

Preisübersicht

Einzelpreis: 18,86 €* (Brutto: 22,44 €)
Gesamtpreis: 18,86 €* 
Position:

Lieferzeit: 5 Werktage


Beschreibung

  • Schalter
  • Original Bosch Zubehör / BOSCH Ersatzteil (2615298786)
  • im Gerät verbaut: 1
Dieses BOSCH Ersatzteil ist mit folgendem Gerät und Modell kompatibel:
  • BOSCH Gerätename: 395
  • BOSCH Explosionszeichnung: Position 4
  • BOSCH Typennummer: F0130395FR
  • BOSCH Typennummer alternative Schreibweisen: F 013 039 5FR, F013 039 5FR, F.013.039.5FR, F-013-039-5FR
    Bitte prüfen Sie diese Typennummer auf Ihrem Gerät um die Kompatibilität des BOSCH Ersatzteils zu gewährleisten.
Weitere BOSCH Ersatzteile des Gerätes 395 (Multifunktionswerkzeug) mit der Typennummer F0130395FR finden Sie in der nachfolgenden Darstellung und im Dropdown zu Ihrer Auswahl:

Pos.
1
BOSCH Gehäusesatz | Ersatzteile für 395 | 2610925248
Hersteller: BOSCH
Artikelnummer: EB-F0130395FR-2610925248
Netto: 11,58 € zzgl. MwSt.
zzgl. 6,90 € Versand (brutto)
einmalig pro Bestellung

Lieferzeit: 5 Werktage

Pos.
2
BOSCH Polschuh 230V | Ersatzteile für 395 | 2615298792
Hersteller: BOSCH
Artikelnummer: EB-F0130395FR-2615298792
Netto: 13,81 € zzgl. MwSt.
zzgl. 6,90 € Versand (brutto)
einmalig pro Bestellung

Lieferzeit: 5 Werktage

Pos.
3
BOSCH Anker 230V | Ersatzteile für 395 | 2610941201
Hersteller: BOSCH
Artikelnummer: EB-F0130395FR-2610941201
Netto: 26,41 € zzgl. MwSt.
zzgl. 6,90 € Versand (brutto)
einmalig pro Bestellung

Lieferzeit: 5 Werktage

Pos.
4
BOSCH Schalter | Ersatzteile für 395 | 2615298786
Hersteller: BOSCH
Artikelnummer: EB-F0130395FR-2615298786
Netto: 18,86 € zzgl. MwSt.
zzgl. 6,90 € Versand (brutto)
einmalig pro Bestellung

Lieferzeit: 5 Werktage

Pos.
5
BOSCH Netzanschlussleitung GB 230V 2m 2 x 0,75mm H05 VV-F | Ersatzteile für 395 | 2615302698
Hersteller: BOSCH
Artikelnummer: EB-F0130395FR-2615302698
nur Informationsartikel
Nie mehr lieferbar
keine Alternativen
Pos.
6
BOSCH Tülle | Ersatzteile für 395 | 2610360176
Hersteller: BOSCH
Artikelnummer: EB-F0130395FR-2610360176
Netto: 3,94 € zzgl. MwSt.
zzgl. 6,90 € Versand (brutto)
einmalig pro Bestellung

Lieferzeit: 5 Werktage

Pos.
7
BOSCH Leitungshalter | Ersatzteile für 395 | 2615650007
Hersteller: BOSCH
Artikelnummer: EB-F0130395FR-2615650007
Netto: 4,56 € zzgl. MwSt.
zzgl. 6,90 € Versand (brutto)
einmalig pro Bestellung

Lieferzeit: 5 Werktage

Pos.
8
BOSCH Typschild | Ersatzteile für 395 | 2615302290
Hersteller: BOSCH
Artikelnummer: EB-F0130395FR-2615302290
nur Informationsartikel
Nie mehr lieferbar
keine Alternativen
Pos.
9
BOSCH Hinweisschild | Ersatzteile für 395 | 2615302291
Hersteller: BOSCH
Artikelnummer: EB-F0130395FR-2615302291
nur Informationsartikel
Nie mehr lieferbar
keine Alternativen
Pos.
12
BOSCH Steuereinheit | Ersatzteile für 395 | 2610999112
Hersteller: BOSCH
Artikelnummer: EB-F0130395FR-2610999112
nur Informationsartikel
Nie mehr lieferbar
keine Alternativen
Pos.
18
BOSCH Mutter | Ersatzteile für 395 | 2610014582
Hersteller: BOSCH
Artikelnummer: EB-F0130395FR-2610014582
Netto: 4,36 € zzgl. MwSt.
zzgl. 6,90 € Versand (brutto)
einmalig pro Bestellung

Lieferzeit: 5 Werktage

Pos.
19
BOSCH Schraubhülse 1/16" | Ersatzteile für 395 | 2615000482
Hersteller: BOSCH
Artikelnummer: EB-F0130395FR-2615000482
nur Informationsartikel
Nie mehr lieferbar
keine Alternativen
Pos.
19
BOSCH Schraubhülse 1/32" | Ersatzteile für 395 | 2615000483
Hersteller: BOSCH
Artikelnummer: EB-F0130395FR-2615000483
nur Informationsartikel
Nie mehr lieferbar
keine Alternativen
Pos.
19
BOSCH Schraubhülse 1/8" | Ersatzteile für 395 | 2615110480
Hersteller: BOSCH
Artikelnummer: EB-F0130395FR-2615110480
Netto: 5,17 € zzgl. MwSt.
zzgl. 6,90 € Versand (brutto)
einmalig pro Bestellung

Lieferzeit: 5 Werktage

Pos.
19
BOSCH Schraubhülse 3/32" | Ersatzteile für 395 | 2615000481
Hersteller: BOSCH
Artikelnummer: EB-F0130395FR-2615000481
nur Informationsartikel
Nie mehr lieferbar
keine Alternativen
Pos.
22
BOSCH Isolator | Ersatzteile für 395 | 2615297373
Hersteller: BOSCH
Artikelnummer: EB-F0130395FR-2615297373
Netto: 3,94 € zzgl. MwSt.
zzgl. 6,90 € Versand (brutto)
einmalig pro Bestellung

Lieferzeit: 5 Werktage

Pos.
23
BOSCH Halteklammer | Ersatzteile für 395 | 2615294043
Hersteller: BOSCH
Artikelnummer: EB-F0130395FR-2615294043
Netto: 5,17 € zzgl. MwSt.
zzgl. 6,90 € Versand (brutto)
einmalig pro Bestellung

Lieferzeit: 5 Werktage

Pos.
24
BOSCH Kreuzschlitzschraube | Ersatzteile für 395 | 2615294035
Hersteller: BOSCH
Artikelnummer: EB-F0130395FR-2615294035
Netto: 3,94 € zzgl. MwSt.
zzgl. 6,90 € Versand (brutto)
einmalig pro Bestellung

Lieferzeit: 5 Werktage

Pos.
25
BOSCH Verschlusskappe | Ersatzteile für 395 | 2615302217
Hersteller: BOSCH
Artikelnummer: EB-F0130395FR-2615302217
Netto: 5,65 € zzgl. MwSt.
zzgl. 6,90 € Versand (brutto)
einmalig pro Bestellung

Lieferzeit: 5 Werktage

Pos.
30
BOSCH Haltering | Ersatzteile für 395 | 2615294028
Hersteller: BOSCH
Artikelnummer: EB-F0130395FR-2615294028
nur Informationsartikel
Nie mehr lieferbar
keine Alternativen
Pos.
650
BOSCH Bohrfutterschlüssel | Ersatzteile für 395 | 2610930692
Hersteller: BOSCH
Artikelnummer: EB-F0130395FR-2610930692
nur Informationsartikel
Nie mehr lieferbar
keine Alternativen
Pos.
810
BOSCH Kohlebürstensatz | Ersatzteile für 395 | 2615298790
Hersteller: BOSCH
Artikelnummer: EB-F0130395FR-2615298790
Netto: 7,66 € zzgl. MwSt.
zzgl. 6,90 € Versand (brutto)
einmalig pro Bestellung

Lieferzeit: 5 Werktage

Pos.
817
BOSCH Teilesatz | Ersatzteile für 395 | 2615297356
Hersteller: BOSCH
Artikelnummer: EB-F0130395FR-2615297356
Netto: 4,56 € zzgl. MwSt.
zzgl. 6,90 € Versand (brutto)
einmalig pro Bestellung

Lieferzeit: 5 Werktage

Angaben zur Produktsicherheit

Hersteller:
Robert Bosch Power Tools GmbH
Postfach 30 02 20
70442 Stuttgart

E-Mail:
kontakt@bosch.de