BOSCH Pvc-Elektr Leitung | Ersatzteile für 3D40 Flex | 1619PA9690

Artikelnummer: EB-F0133D4001-1619PA9690

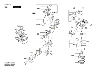
Position: 171

Marke: BOSCH


Bitte Kompatibilität prüfen!

Bitte prüfen Sie unbedingt die 10-stellige Typennummer Ihrer Maschine / Ihres Gerätes. Das Ersatzteil ist nur kompatibel, wenn Sie die Typennummer Ihrer Maschine in der unten stehenden Produktbeschreibung finden.

Bitte prüfen Sie ebenfalls detailliert die Explosionszeichnung mit Ihrem Artikelwunsch und der jeweiligen Pos-Nummer.

Alle Elemente, welche vom schwarzen Strich der Pos-Nummer ausgehend berührt / erfasst werden, gehören zu dieser Pos-Nummer und somit zu diesem Artikel. Jede Pos-Nummer ist ein eigenständiger Artikel, welchen Sie in der Auflistung finden.

Sie erhalten stets die aktuellste, neueste Produktversion zu der gewählten Pos-Nummer seitens des Herstellers. Es kann daher je nach Gerätealter vorkommen, dass Sie ggf. weitere, zugehörige Elemente, welche an diese Pos-Nummer grenzen, ebenfalls mittauschen müssen.

Nähere Informationen finden Sie unter dem Link
Hinweise zu Ihrer BOSCH Ersatzteilsuche

Preisübersicht

Einzelpreis: 3,94 €* (Brutto: 4,69 €)
Gesamtpreis: 3,94 €* 
Position:

Lieferzeit: 5 Werktage


Beschreibung

  • Pvc-Elektr Leitung
  • Original Bosch Zubehör / BOSCH Ersatzteil (1619PA9690)
  • im Gerät verbaut: 1
Dieses BOSCH Ersatzteil ist mit folgendem Gerät und Modell kompatibel:
  • BOSCH Gerätename: 3D40 Flex
  • BOSCH Explosionszeichnung: Position 171
  • BOSCH Typennummer: F0133D4001
  • BOSCH Typennummer alternative Schreibweisen: F 013 3D4 001, F013 3D4 001, F.013.3D4.001, F-013-3D4-001
    Bitte prüfen Sie diese Typennummer auf Ihrem Gerät um die Kompatibilität des BOSCH Ersatzteils zu gewährleisten.
Weitere BOSCH Ersatzteile des Gerätes 3D40 Flex (Drucker) mit der Typennummer F0133D4001 finden Sie in der nachfolgenden Darstellung und im Dropdown zu Ihrer Auswahl:

Pos.
4
BOSCH Bedienfeld | Ersatzteile für 3D40 Flex | 1619PA9522
Hersteller: BOSCH
Artikelnummer: EB-F0133D4001-1619PA9522
Netto: 169,85 € zzgl. MwSt.
zzgl. 6,90 € Versand (brutto)
einmalig pro Bestellung

Lieferzeit: 5 Werktage

Pos.
6
BOSCH Scharnierklappe | Ersatzteile für 3D40 Flex | 1619PA9524
Hersteller: BOSCH
Artikelnummer: EB-F0133D4001-1619PA9524
Netto: 3,63 € zzgl. MwSt.
zzgl. 6,90 € Versand (brutto)
einmalig pro Bestellung

Lieferzeit: 5 Werktage

Pos.
7
BOSCH Scharnierklappe | Ersatzteile für 3D40 Flex | 1619PA9525
Hersteller: BOSCH
Artikelnummer: EB-F0133D4001-1619PA9525
Netto: 3,63 € zzgl. MwSt.
zzgl. 6,90 € Versand (brutto)
einmalig pro Bestellung

Lieferzeit: 5 Werktage

Pos.
9
BOSCH El-Hauptplatte | Ersatzteile für 3D40 Flex | 1619PA9527
Hersteller: BOSCH
Artikelnummer: EB-F0133D4001-1619PA9527
Netto: 9,75 € zzgl. MwSt.
zzgl. 6,90 € Versand (brutto)
einmalig pro Bestellung

Lieferzeit: 5 Werktage

Pos.
12
BOSCH Haftkissen | Ersatzteile für 3D40 Flex | 1619PA9530
Hersteller: BOSCH
Artikelnummer: EB-F0133D4001-1619PA9530
Netto: 4,53 € zzgl. MwSt.
zzgl. 6,90 € Versand (brutto)
einmalig pro Bestellung

Lieferzeit: 5 Werktage

Pos.
24
BOSCH Abdeckschiene | Ersatzteile für 3D40 Flex | 1619PA9537
Hersteller: BOSCH
Artikelnummer: EB-F0133D4001-1619PA9537
Netto: 6,15 € zzgl. MwSt.
zzgl. 6,90 € Versand (brutto)
einmalig pro Bestellung

Lieferzeit: 5 Werktage

Pos.
25
BOSCH Abdeckschiene | Ersatzteile für 3D40 Flex | 1619PA9538
Hersteller: BOSCH
Artikelnummer: EB-F0133D4001-1619PA9538
Netto: 6,15 € zzgl. MwSt.
zzgl. 6,90 € Versand (brutto)
einmalig pro Bestellung

Lieferzeit: 5 Werktage

Pos.
43
BOSCH Schrittmotor | Ersatzteile für 3D40 Flex | 1619PA9544
Hersteller: BOSCH
Artikelnummer: EB-F0133D4001-1619PA9544
Netto: 106,72 € zzgl. MwSt.
zzgl. 6,90 € Versand (brutto)
einmalig pro Bestellung

Lieferzeit: 5 Werktage

Pos.
47
BOSCH Plattform | Ersatzteile für 3D40 Flex | 1619PA9869
Hersteller: BOSCH
Artikelnummer: EB-F0133D4001-1619PA9869
Netto: 19,18 € zzgl. MwSt.
zzgl. 6,90 € Versand (brutto)
einmalig pro Bestellung

Lieferzeit: 5 Werktage

Pos.
55
BOSCH Haltewinkel | Ersatzteile für 3D40 Flex | 1619PA9553
Hersteller: BOSCH
Artikelnummer: EB-F0133D4001-1619PA9553
Netto: 86,83 € zzgl. MwSt.
zzgl. 6,90 € Versand (brutto)
einmalig pro Bestellung

Lieferzeit: 5 Werktage

Pos.
62
BOSCH Abdeckschiene | Ersatzteile für 3D40 Flex | 1619PA9571
Hersteller: BOSCH
Artikelnummer: EB-F0133D4001-1619PA9571
Netto: 10,62 € zzgl. MwSt.
zzgl. 6,90 € Versand (brutto)
einmalig pro Bestellung

Lieferzeit: 5 Werktage

Pos.
64
BOSCH El-Hauptplatte | Ersatzteile für 3D40 Flex | 1619PA9573
Hersteller: BOSCH
Artikelnummer: EB-F0133D4001-1619PA9573
Netto: 15,75 € zzgl. MwSt.
zzgl. 6,90 € Versand (brutto)
einmalig pro Bestellung

Lieferzeit: 5 Werktage

Pos.
68
BOSCH Türkloben | Ersatzteile für 3D40 Flex | 1619PA9577
Hersteller: BOSCH
Artikelnummer: EB-F0133D4001-1619PA9577
Netto: 12,32 € zzgl. MwSt.
zzgl. 6,90 € Versand (brutto)
einmalig pro Bestellung

Lieferzeit: 5 Werktage

Pos.
69
BOSCH Türkloben | Ersatzteile für 3D40 Flex | 1619PA9578
Hersteller: BOSCH
Artikelnummer: EB-F0133D4001-1619PA9578
Netto: 12,32 € zzgl. MwSt.
zzgl. 6,90 € Versand (brutto)
einmalig pro Bestellung

Lieferzeit: 5 Werktage

Pos.
70
BOSCH Gummi-Ohrkissen | Ersatzteile für 3D40 Flex | 1619PA9579
Hersteller: BOSCH
Artikelnummer: EB-F0133D4001-1619PA9579
Netto: 3,63 € zzgl. MwSt.
zzgl. 6,90 € Versand (brutto)
einmalig pro Bestellung

Lieferzeit: 5 Werktage

Pos.
71
BOSCH Stromversorgung | Ersatzteile für 3D40 Flex | 1619PA9580
Hersteller: BOSCH
Artikelnummer: EB-F0133D4001-1619PA9580
Netto: 189,11 € zzgl. MwSt.
zzgl. 6,90 € Versand (brutto)
einmalig pro Bestellung

Lieferzeit: 5 Werktage

Pos.
73
BOSCH El-Hauptplatte | Ersatzteile für 3D40 Flex | 1619PA9582
Hersteller: BOSCH
Artikelnummer: EB-F0133D4001-1619PA9582
Netto: 892,67 € zzgl. MwSt.
zzgl. 6,90 € Versand (brutto)
einmalig pro Bestellung

Lieferzeit: 5 Werktage

Pos.
79
BOSCH Hauptschalter | Ersatzteile für 3D40 Flex | 1619PA9586
Hersteller: BOSCH
Artikelnummer: EB-F0133D4001-1619PA9586
Netto: 5,19 € zzgl. MwSt.
zzgl. 6,90 € Versand (brutto)
einmalig pro Bestellung

Lieferzeit: 5 Werktage

Pos.
82
BOSCH Messwertgeber | Ersatzteile für 3D40 Flex | 1619PA9608
Hersteller: BOSCH
Artikelnummer: EB-F0133D4001-1619PA9608
Netto: 17,38 € zzgl. MwSt.
zzgl. 6,90 € Versand (brutto)
einmalig pro Bestellung

Lieferzeit: 5 Werktage

Pos.
89
BOSCH Riemen | Ersatzteile für 3D40 Flex | 1619PA7763
Hersteller: BOSCH
Artikelnummer: EB-F0133D4001-1619PA7763
Netto: 8,33 € zzgl. MwSt.
zzgl. 6,90 € Versand (brutto)
einmalig pro Bestellung

Lieferzeit: 5 Werktage

Pos.
93
BOSCH Riemen | Ersatzteile für 3D40 Flex | 1619PA9615
Hersteller: BOSCH
Artikelnummer: EB-F0133D4001-1619PA9615
Netto: 21,16 € zzgl. MwSt.
zzgl. 6,90 € Versand (brutto)
einmalig pro Bestellung

Lieferzeit: 5 Werktage

Pos.
97
BOSCH Riemen | Ersatzteile für 3D40 Flex | 1619PA9619
Hersteller: BOSCH
Artikelnummer: EB-F0133D4001-1619PA9619
Netto: 26,88 € zzgl. MwSt.
zzgl. 6,90 € Versand (brutto)
einmalig pro Bestellung

Lieferzeit: 5 Werktage

Pos.
127
BOSCH El-Hauptplatte | Ersatzteile für 3D40 Flex | 1619PA9642
Hersteller: BOSCH
Artikelnummer: EB-F0133D4001-1619PA9642
Netto: 28,93 € zzgl. MwSt.
zzgl. 6,90 € Versand (brutto)
einmalig pro Bestellung

Lieferzeit: 5 Werktage

Pos.
129
BOSCH Gebläse | Ersatzteile für 3D40 Flex | 1619PA9644
Hersteller: BOSCH
Artikelnummer: EB-F0133D4001-1619PA9644
Netto: 26,88 € zzgl. MwSt.
zzgl. 6,90 € Versand (brutto)
einmalig pro Bestellung

Lieferzeit: 5 Werktage

Pos.
152
BOSCH Sensor | Ersatzteile für 3D40 FLX-01 EU | 1619PA9661
Hersteller: BOSCH
Artikelnummer: EB-F0133D4001-1619PA9661
Nie mehr lieferbar
keine Alternativen
Pos.
161
BOSCH Pvc-Elektr Leitung | Ersatzteile für 3D40 Flex | 1619PA9680
Hersteller: BOSCH
Artikelnummer: EB-F0133D4001-1619PA9680
Netto: 4,32 € zzgl. MwSt.
zzgl. 6,90 € Versand (brutto)
einmalig pro Bestellung

Lieferzeit: 5 Werktage

Pos.
162
BOSCH Anschlussdraht | Ersatzteile für 3D40 Flex | 1619PA9681
Hersteller: BOSCH
Artikelnummer: EB-F0133D4001-1619PA9681
Netto: 6,15 € zzgl. MwSt.
zzgl. 6,90 € Versand (brutto)
einmalig pro Bestellung

Lieferzeit: 5 Werktage

Pos.
163
BOSCH Anschlussdraht | Ersatzteile für 3D40 Flex | 1619PA9682
Hersteller: BOSCH
Artikelnummer: EB-F0133D4001-1619PA9682
Netto: 24,13 € zzgl. MwSt.
zzgl. 6,90 € Versand (brutto)
einmalig pro Bestellung

Lieferzeit: 5 Werktage

Pos.
164
BOSCH Pvc-Elektr Leitung | Ersatzteile für 3D40 Flex | 1619PA9683
Hersteller: BOSCH
Artikelnummer: EB-F0133D4001-1619PA9683
Netto: 5,19 € zzgl. MwSt.
zzgl. 6,90 € Versand (brutto)
einmalig pro Bestellung

Lieferzeit: 5 Werktage

Pos.
165
BOSCH Pvc-Elektr Leitung | Ersatzteile für 3D40 Flex | 1619PA9684
Hersteller: BOSCH
Artikelnummer: EB-F0133D4001-1619PA9684
Netto: 7,30 € zzgl. MwSt.
zzgl. 6,90 € Versand (brutto)
einmalig pro Bestellung

Lieferzeit: 5 Werktage

Pos.
166
BOSCH Pvc-Elektr Leitung | Ersatzteile für 3D40 Flex | 1619PA9685
Hersteller: BOSCH
Artikelnummer: EB-F0133D4001-1619PA9685
Netto: 5,67 € zzgl. MwSt.
zzgl. 6,90 € Versand (brutto)
einmalig pro Bestellung

Lieferzeit: 5 Werktage

Pos.
167
BOSCH Pvc-Elektr Leitung | Ersatzteile für 3D40 Flex | 1619PA9686
Hersteller: BOSCH
Artikelnummer: EB-F0133D4001-1619PA9686
Netto: 6,15 € zzgl. MwSt.
zzgl. 6,90 € Versand (brutto)
einmalig pro Bestellung

Lieferzeit: 5 Werktage

Pos.
168
BOSCH Pvc-Elektr Leitung | Ersatzteile für 3D40 Flex | 1619PA9687
Hersteller: BOSCH
Artikelnummer: EB-F0133D4001-1619PA9687
Netto: 5,19 € zzgl. MwSt.
zzgl. 6,90 € Versand (brutto)
einmalig pro Bestellung

Lieferzeit: 5 Werktage

Pos.
169
BOSCH Pvc-Elektr Leitung | Ersatzteile für 3D40 Flex | 1619PA9688
Hersteller: BOSCH
Artikelnummer: EB-F0133D4001-1619PA9688
Netto: 4,56 € zzgl. MwSt.
zzgl. 6,90 € Versand (brutto)
einmalig pro Bestellung

Lieferzeit: 5 Werktage

Pos.
170
BOSCH Pvc-Elektr Leitung | Ersatzteile für 3D40 Flex | 1619PA9689
Hersteller: BOSCH
Artikelnummer: EB-F0133D4001-1619PA9689
Netto: 4,32 € zzgl. MwSt.
zzgl. 6,90 € Versand (brutto)
einmalig pro Bestellung

Lieferzeit: 5 Werktage

Pos.
171
BOSCH Pvc-Elektr Leitung | Ersatzteile für 3D40 Flex | 1619PA9690
Hersteller: BOSCH
Artikelnummer: EB-F0133D4001-1619PA9690
Netto: 3,94 € zzgl. MwSt.
zzgl. 6,90 € Versand (brutto)
einmalig pro Bestellung

Lieferzeit: 5 Werktage

Pos.
172
BOSCH Pvc-Elektr Leitung | Ersatzteile für 3D40 Flex | 1619PA9691
Hersteller: BOSCH
Artikelnummer: EB-F0133D4001-1619PA9691
Netto: 3,94 € zzgl. MwSt.
zzgl. 6,90 € Versand (brutto)
einmalig pro Bestellung

Lieferzeit: 5 Werktage

Pos.
173
BOSCH Pvc-Elektr Leitung | Ersatzteile für 3D40 Flex | 1619PA9692
Hersteller: BOSCH
Artikelnummer: EB-F0133D4001-1619PA9692
Netto: 4,80 € zzgl. MwSt.
zzgl. 6,90 € Versand (brutto)
einmalig pro Bestellung

Lieferzeit: 5 Werktage

Pos.
206
BOSCH Schaber | Ersatzteile für 3D40 Flex | 1619PA7888
Hersteller: BOSCH
Artikelnummer: EB-F0133D4001-1619PA7888
Netto: 6,70 € zzgl. MwSt.
zzgl. 6,90 € Versand (brutto)
einmalig pro Bestellung

Lieferzeit: 5 Werktage

Pos.
207
BOSCH Reinigungsnadel | Ersatzteile für 3D40 Flex | 1619PA9611
Hersteller: BOSCH
Artikelnummer: EB-F0133D4001-1619PA9611
Netto: 4,53 € zzgl. MwSt.
zzgl. 6,90 € Versand (brutto)
einmalig pro Bestellung

Lieferzeit: 5 Werktage

Pos.
228
BOSCH Isolierung | Ersatzteile für 3D40 Flex | 1619PA9668
Hersteller: BOSCH
Artikelnummer: EB-F0133D4001-1619PA9668
Netto: 3,63 € zzgl. MwSt.
zzgl. 6,90 € Versand (brutto)
einmalig pro Bestellung

Lieferzeit: 5 Werktage

Pos.
229
BOSCH Gebläse | Ersatzteile für 3D40 Flex | 1619PA9751
Hersteller: BOSCH
Artikelnummer: EB-F0133D4001-1619PA9751
Netto: 32,74 € zzgl. MwSt.
zzgl. 6,90 € Versand (brutto)
einmalig pro Bestellung

Lieferzeit: 5 Werktage

Pos.
245
BOSCH Hülle | Ersatzteile für 3D40 Flex | 1619PB4051
Hersteller: BOSCH
Artikelnummer: EB-F0133D4001-1619PB4051
nur Informationsartikel
Nie mehr lieferbar
keine Alternativen
Pos.
280
BOSCH Haltewinkel | Ersatzteile für 3D40 Flex | 1619PB4625
Hersteller: BOSCH
Artikelnummer: EB-F0133D4001-1619PB4625
Netto: 26,88 € zzgl. MwSt.
zzgl. 6,90 € Versand (brutto)
einmalig pro Bestellung

Lieferzeit: 5 Werktage

Pos.
281
BOSCH Haltewinkel | Ersatzteile für 3D40 Flex | 1619PA9839
Hersteller: BOSCH
Artikelnummer: EB-F0133D4001-1619PA9839
Netto: 17,38 € zzgl. MwSt.
zzgl. 6,90 € Versand (brutto)
einmalig pro Bestellung

Lieferzeit: 5 Werktage

Pos.
282
BOSCH El-Hauptplatte | Ersatzteile für 3D40 Flex | 1619PA9840
Hersteller: BOSCH
Artikelnummer: EB-F0133D4001-1619PA9840
Netto: 10,92 € zzgl. MwSt.
zzgl. 6,90 € Versand (brutto)
einmalig pro Bestellung

Lieferzeit: 5 Werktage

Pos.
283
BOSCH Schrittmotor | Ersatzteile für 3D40 Flex | 1619PA9841
Hersteller: BOSCH
Artikelnummer: EB-F0133D4001-1619PA9841
Netto: 35,77 € zzgl. MwSt.
zzgl. 6,90 € Versand (brutto)
einmalig pro Bestellung

Lieferzeit: 5 Werktage

Pos.
284
BOSCH Schrittmotor | Ersatzteile für 3D40 Flex | 1619PB4053
Hersteller: BOSCH
Artikelnummer: EB-F0133D4001-1619PB4053
Netto: 121,18 € zzgl. MwSt.
zzgl. 6,90 € Versand (brutto)
einmalig pro Bestellung

Lieferzeit: 5 Werktage

Pos.
285
BOSCH Schutzschild | Ersatzteile für 3D40 Flex | 1619PB4065
Hersteller: BOSCH
Artikelnummer: EB-F0133D4001-1619PB4065
Netto: 6,15 € zzgl. MwSt.
zzgl. 6,90 € Versand (brutto)
einmalig pro Bestellung

Lieferzeit: 5 Werktage

Pos.
286
BOSCH Schrittmotor | Ersatzteile für 3D40 Flex | 1619PA9844
Hersteller: BOSCH
Artikelnummer: EB-F0133D4001-1619PA9844
Netto: 96,32 € zzgl. MwSt.
zzgl. 6,90 € Versand (brutto)
einmalig pro Bestellung

Lieferzeit: 5 Werktage

Pos.
287
BOSCH Haltewinkel | Ersatzteile für 3D40 Flex | 1619PB4067
Hersteller: BOSCH
Artikelnummer: EB-F0133D4001-1619PB4067
nur Informationsartikel
Nie mehr lieferbar
keine Alternativen
Pos.
288
BOSCH Tür | Ersatzteile für 3D40 Flex | 1619PA9846
Hersteller: BOSCH
Artikelnummer: EB-F0133D4001-1619PA9846
Netto: 35,77 € zzgl. MwSt.
zzgl. 6,90 € Versand (brutto)
einmalig pro Bestellung

Lieferzeit: 5 Werktage

Pos.
289
BOSCH Tür | Ersatzteile für 3D40 Flex | 1619PA9847
Hersteller: BOSCH
Artikelnummer: EB-F0133D4001-1619PA9847
Netto: 39,11 € zzgl. MwSt.
zzgl. 6,90 € Versand (brutto)
einmalig pro Bestellung

Lieferzeit: 5 Werktage

Pos.
290
BOSCH Schrittmotor | Ersatzteile für 3D40 Flex | 1619PA9848
Hersteller: BOSCH
Artikelnummer: EB-F0133D4001-1619PA9848
Netto: 63,99 € zzgl. MwSt.
zzgl. 6,90 € Versand (brutto)
einmalig pro Bestellung

Lieferzeit: 5 Werktage

Pos.
291
BOSCH Befestigungswinkel | Ersatzteile für 3D40 Flex | 1619PB2240
Hersteller: BOSCH
Artikelnummer: EB-F0133D4001-1619PB2240
Netto: 6,70 € zzgl. MwSt.
zzgl. 6,90 € Versand (brutto)
einmalig pro Bestellung

Lieferzeit: 5 Werktage

Pos.
292
BOSCH Riemenscheibe | Ersatzteile für 3D40 Flex | 1619PB4858
Hersteller: BOSCH
Artikelnummer: EB-F0133D4001-1619PB4858
Netto: 21,16 € zzgl. MwSt.
zzgl. 6,90 € Versand (brutto)
einmalig pro Bestellung

Lieferzeit: 5 Werktage

Pos.
301
BOSCH Einklebeblatt | Ersatzteile für 3D40 Flex | 1619PA9782
Hersteller: BOSCH
Artikelnummer: EB-F0133D4001-1619PA9782
Netto: 5,19 € zzgl. MwSt.
zzgl. 6,90 € Versand (brutto)
einmalig pro Bestellung

Lieferzeit: 5 Werktage

Pos.
302
BOSCH Einklebeblatt | Ersatzteile für 3D40 Flex | 1619PA9783
Hersteller: BOSCH
Artikelnummer: EB-F0133D4001-1619PA9783
Netto: 6,15 € zzgl. MwSt.
zzgl. 6,90 € Versand (brutto)
einmalig pro Bestellung

Lieferzeit: 5 Werktage

Pos.
303
BOSCH Warnzettel | Ersatzteile für 3D40 Flex | 2610035681
Hersteller: BOSCH
Artikelnummer: EB-F0133D4001-2610035681
Netto: 4,56 € zzgl. MwSt.
zzgl. 6,90 € Versand (brutto)
einmalig pro Bestellung

Lieferzeit: 5 Werktage

Pos.
304
BOSCH Einklebeblatt | Ersatzteile für 3D40 Flex | 2610036394
Hersteller: BOSCH
Artikelnummer: EB-F0133D4001-2610036394
Netto: 4,56 € zzgl. MwSt.
zzgl. 6,90 € Versand (brutto)
einmalig pro Bestellung

Lieferzeit: 5 Werktage

Pos.
325
BOSCH Rundmutter | Ersatzteile für 3D40 Flex | 1619PA9907
Hersteller: BOSCH
Artikelnummer: EB-F0133D4001-1619PA9907
Netto: 7,30 € zzgl. MwSt.
zzgl. 6,90 € Versand (brutto)
einmalig pro Bestellung

Lieferzeit: 5 Werktage

Pos.
326
BOSCH Gehäuse | Ersatzteile für 3D40 Flex | 1619PB4066
Hersteller: BOSCH
Artikelnummer: EB-F0133D4001-1619PB4066
nur Informationsartikel
Nie mehr lieferbar
keine Alternativen
Pos.
327
BOSCH Gehäuse | Ersatzteile für 3D40 Flex | 1619PA9906
Hersteller: BOSCH
Artikelnummer: EB-F0133D4001-1619PA9906
Netto: 46,22 € zzgl. MwSt.
zzgl. 6,90 € Versand (brutto)
einmalig pro Bestellung

Lieferzeit: 5 Werktage

Pos.
328
BOSCH Schrittmotor | Ersatzteile für 3D40 Flex | 1619PA9833
Hersteller: BOSCH
Artikelnummer: EB-F0133D4001-1619PA9833
Netto: 61,64 € zzgl. MwSt.
zzgl. 6,90 € Versand (brutto)
einmalig pro Bestellung

Lieferzeit: 5 Werktage

Pos.
329
BOSCH Gehäuse | Ersatzteile für 3D40 Flex | 1619PB0063
Hersteller: BOSCH
Artikelnummer: EB-F0133D4001-1619PB0063
Netto: 26,88 € zzgl. MwSt.
zzgl. 6,90 € Versand (brutto)
einmalig pro Bestellung

Lieferzeit: 5 Werktage

Pos.
400
BOSCH Plattform | Ersatzteile für 3D40 Flex | 2610053070
Hersteller: BOSCH
Artikelnummer: EB-F0133D4001-2610053070
nur Informationsartikel
Nie mehr lieferbar
keine Alternativen
Pos.
409
BOSCH Schnappverschluss | Ersatzteile für 3D40 Flex | 1619PB3981
Hersteller: BOSCH
Artikelnummer: EB-F0133D4001-1619PB3981
nur Informationsartikel
Nie mehr lieferbar
keine Alternativen
Pos.
410
BOSCH Tellerfeder | Ersatzteile für 3D40 Flex | 1619PB3980
Hersteller: BOSCH
Artikelnummer: EB-F0133D4001-1619PB3980
nur Informationsartikel
Nie mehr lieferbar
keine Alternativen
Pos.
411
BOSCH Schraube | Ersatzteile für 3D40 Flex | 1619PB3983
Hersteller: BOSCH
Artikelnummer: EB-F0133D4001-1619PB3983
nur Informationsartikel
Nie mehr lieferbar
keine Alternativen
Pos.
413
BOSCH Schnappverschluss | Ersatzteile für 3D40 Flex | 1619PB3982
Hersteller: BOSCH
Artikelnummer: EB-F0133D4001-1619PB3982
nur Informationsartikel
Nie mehr lieferbar
keine Alternativen
Pos.
420
BOSCH Haltewinkel | Ersatzteile für 3D40 Flex | 1619PB4347
Hersteller: BOSCH
Artikelnummer: EB-F0133D4001-1619PB4347
nur Informationsartikel
Nie mehr lieferbar
keine Alternativen
Pos.
421
BOSCH Stahl | Ersatzteile für 3D40 Flex | 2610053071
Hersteller: BOSCH
Artikelnummer: EB-F0133D4001-2610053071
nur Informationsartikel
Nie mehr lieferbar
keine Alternativen
Pos.
650
BOSCH Netzanschlussleitung AUS 1,8m | Ersatzteile für 3D40 Flex | 2610039211
Hersteller: BOSCH
Artikelnummer: EB-F0133D4001-2610039211
Netto: 16,70 € zzgl. MwSt.
zzgl. 6,90 € Versand (brutto)
einmalig pro Bestellung

Lieferzeit: 5 Werktage

Pos.
650
BOSCH Netzanschlussleitung CN | Ersatzteile für 3D40 Flex | 1619PB3513
Hersteller: BOSCH
Artikelnummer: EB-F0133D4001-1619PB3513
Netto: 11,92 € zzgl. MwSt.
zzgl. 6,90 € Versand (brutto)
einmalig pro Bestellung

Lieferzeit: 5 Werktage

Pos.
650
BOSCH Netzanschlussleitung EU 230V 1,8m | Ersatzteile für 3D40 Flex | 1619PA8373
Hersteller: BOSCH
Artikelnummer: EB-F0133D4001-1619PA8373
Netto: 15,75 € zzgl. MwSt.
zzgl. 6,90 € Versand (brutto)
einmalig pro Bestellung

Lieferzeit: 5 Werktage

Pos.
650
BOSCH Netzanschlussleitung UK 230V 1,8m | Ersatzteile für 3D40 Flex | 1619PA8375
Hersteller: BOSCH
Artikelnummer: EB-F0133D4001-1619PA8375
Netto: 16,70 € zzgl. MwSt.
zzgl. 6,90 € Versand (brutto)
einmalig pro Bestellung

Lieferzeit: 5 Werktage

Pos.
650
BOSCH Stromversorgung CH | Ersatzteile für 3D40 Flex | 1619PA9144
Hersteller: BOSCH
Artikelnummer: EB-F0133D4001-1619PA9144
Netto: 15,15 € zzgl. MwSt.
zzgl. 6,90 € Versand (brutto)
einmalig pro Bestellung

Lieferzeit: 5 Werktage

Pos.
650
BOSCH Stromversorgung USA 1,8m | Ersatzteile für 3D40 Flex | 2610035685
Hersteller: BOSCH
Artikelnummer: EB-F0133D4001-2610035685
Netto: 11,92 € zzgl. MwSt.
zzgl. 6,90 € Versand (brutto)
einmalig pro Bestellung

Lieferzeit: 5 Werktage

Pos.
652
BOSCH USB Kabel | Ersatzteile für 3D40 Flex | 2610035687
Hersteller: BOSCH
Artikelnummer: EB-F0133D4001-2610035687
nur Informationsartikel
Nie mehr lieferbar
keine Alternativen
Pos.
653
BOSCH USB-Stick | Ersatzteile für 3D40 Flex | 2610039153
Hersteller: BOSCH
Artikelnummer: EB-F0133D4001-2610039153
Netto: 38,40 € zzgl. MwSt.
zzgl. 6,90 € Versand (brutto)
einmalig pro Bestellung

Lieferzeit: 5 Werktage

Pos.
654
BOSCH USB-Stick | Ersatzteile für 3D40 Flex | 1619PA9936
Hersteller: BOSCH
Artikelnummer: EB-F0133D4001-1619PA9936
Netto: 39,11 € zzgl. MwSt.
zzgl. 6,90 € Versand (brutto)
einmalig pro Bestellung

Lieferzeit: 5 Werktage

Angaben zur Produktsicherheit

Hersteller:
Robert Bosch Power Tools GmbH
Postfach 30 02 20
70442 Stuttgart

E-Mail:
kontakt@bosch.de