BOSCH Anschlussdraht | Ersatzteile für 3D45 | 1619PB2259

Artikelnummer: EB-F0133D4500-1619PB2259

Position: 162

Marke: BOSCH


Bitte Kompatibilität prüfen!

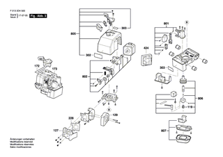
Bitte prüfen Sie unbedingt die 10-stellige Typennummer Ihrer Maschine / Ihres Gerätes. Das Ersatzteil ist nur kompatibel, wenn Sie die Typennummer Ihrer Maschine in der unten stehenden Produktbeschreibung finden.

Bitte prüfen Sie ebenfalls detailliert die Explosionszeichnung mit Ihrem Artikelwunsch und der jeweiligen Pos-Nummer.

Alle Elemente, welche vom schwarzen Strich der Pos-Nummer ausgehend berührt / erfasst werden, gehören zu dieser Pos-Nummer und somit zu diesem Artikel. Jede Pos-Nummer ist ein eigenständiger Artikel, welchen Sie in der Auflistung finden.

Sie erhalten stets die aktuellste, neueste Produktversion zu der gewählten Pos-Nummer seitens des Herstellers. Es kann daher je nach Gerätealter vorkommen, dass Sie ggf. weitere, zugehörige Elemente, welche an diese Pos-Nummer grenzen, ebenfalls mittauschen müssen.

Nähere Informationen finden Sie unter dem Link
Hinweise zu Ihrer BOSCH Ersatzteilsuche

Preisübersicht

Einzelpreis: 3,94 €* (Brutto: 4,69 €)
Gesamtpreis: 3,94 €* 
Position:

Lieferzeit: 5 Werktage


Beschreibung

  • Anschlussdraht
  • Original Bosch Zubehör / BOSCH Ersatzteil (1619PB2259)
  • im Gerät verbaut: 1
Dieses BOSCH Ersatzteil ist mit folgendem Gerät und Modell kompatibel:
  • BOSCH Gerätename: 3D45
  • BOSCH Explosionszeichnung: Position 162
  • BOSCH Typennummer: F0133D4500
  • BOSCH Typennummer alternative Schreibweisen: F 013 3D4 500, F013 3D4 500, F.013.3D4.500, F-013-3D4-500
    Bitte prüfen Sie diese Typennummer auf Ihrem Gerät um die Kompatibilität des BOSCH Ersatzteils zu gewährleisten.
Weitere BOSCH Ersatzteile des Gerätes 3D45 (Drucker) mit der Typennummer F0133D4500 finden Sie in der nachfolgenden Darstellung und im Dropdown zu Ihrer Auswahl:

Pos.
4
BOSCH Abschirmung | Ersatzteile für 3D45 | 1619PB2167
Hersteller: BOSCH
Artikelnummer: EB-F0133D4500-1619PB2167
Netto: 121,18 € zzgl. MwSt.
zzgl. 6,90 € Versand (brutto)
einmalig pro Bestellung

Lieferzeit: 5 Werktage

Pos.
6
BOSCH Scharnierklappe | Ersatzteile für 3D45 | 1619PA9524
Hersteller: BOSCH
Artikelnummer: EB-F0133D4500-1619PA9524
Netto: 3,63 € zzgl. MwSt.
zzgl. 6,90 € Versand (brutto)
einmalig pro Bestellung

Lieferzeit: 5 Werktage

Pos.
7
BOSCH Scharnierklappe | Ersatzteile für 3D45 | 1619PA9525
Hersteller: BOSCH
Artikelnummer: EB-F0133D4500-1619PA9525
Netto: 3,63 € zzgl. MwSt.
zzgl. 6,90 € Versand (brutto)
einmalig pro Bestellung

Lieferzeit: 5 Werktage

Pos.
9
BOSCH El-Hauptplatte | Ersatzteile für 3D45 | 1619PA9527
Hersteller: BOSCH
Artikelnummer: EB-F0133D4500-1619PA9527
Netto: 9,95 € zzgl. MwSt.
zzgl. 6,90 € Versand (brutto)
einmalig pro Bestellung

Lieferzeit: 5 Werktage

Pos.
12
BOSCH Haftkissen | Ersatzteile für 3D45 | 1619PB2175
Hersteller: BOSCH
Artikelnummer: EB-F0133D4500-1619PB2175
Netto: 3,94 € zzgl. MwSt.
zzgl. 6,90 € Versand (brutto)
einmalig pro Bestellung

Lieferzeit: 5 Werktage

Pos.
43
BOSCH Schrittmotor | Ersatzteile für 3D45 | 1619PA9544
Hersteller: BOSCH
Artikelnummer: EB-F0133D4500-1619PA9544
Netto: 106,72 € zzgl. MwSt.
zzgl. 6,90 € Versand (brutto)
einmalig pro Bestellung

Lieferzeit: 5 Werktage

Pos.
47
BOSCH Plattform | Ersatzteile für 3D45 | 2610047412
Hersteller: BOSCH
Artikelnummer: EB-F0133D4500-2610047412
nur Informationsartikel
Nie mehr lieferbar
keine Alternativen
Pos.
60
BOSCH Kamera | Ersatzteile für 3D45 | 1619PB2187
Hersteller: BOSCH
Artikelnummer: EB-F0133D4500-1619PB2187
nur Informationsartikel
Nie mehr lieferbar
keine Alternativen
Pos.
64
BOSCH El-Hauptplatte | Ersatzteile für 3D45 | 1619PA9573
Hersteller: BOSCH
Artikelnummer: EB-F0133D4500-1619PA9573
Netto: 15,75 € zzgl. MwSt.
zzgl. 6,90 € Versand (brutto)
einmalig pro Bestellung

Lieferzeit: 5 Werktage

Pos.
65
BOSCH Hülse | Ersatzteile für 3D45 | 1619PB2250
Hersteller: BOSCH
Artikelnummer: EB-F0133D4500-1619PB2250
Netto: 21,16 € zzgl. MwSt.
zzgl. 6,90 € Versand (brutto)
einmalig pro Bestellung

Lieferzeit: 5 Werktage

Pos.
68
BOSCH Türkloben | Ersatzteile für 3D45 | 1619PA9577
Hersteller: BOSCH
Artikelnummer: EB-F0133D4500-1619PA9577
Netto: 12,32 € zzgl. MwSt.
zzgl. 6,90 € Versand (brutto)
einmalig pro Bestellung

Lieferzeit: 5 Werktage

Pos.
69
BOSCH Türkloben | Ersatzteile für 3D45 | 1619PA9578
Hersteller: BOSCH
Artikelnummer: EB-F0133D4500-1619PA9578
Netto: 12,32 € zzgl. MwSt.
zzgl. 6,90 € Versand (brutto)
einmalig pro Bestellung

Lieferzeit: 5 Werktage

Pos.
70
BOSCH Gummi-Ohrkissen | Ersatzteile für 3D45 | 1619PA9579
Hersteller: BOSCH
Artikelnummer: EB-F0133D4500-1619PA9579
Netto: 3,63 € zzgl. MwSt.
zzgl. 6,90 € Versand (brutto)
einmalig pro Bestellung

Lieferzeit: 5 Werktage

Pos.
71
BOSCH Stromversorgung | Ersatzteile für 3D45 | 1619PB2251
Hersteller: BOSCH
Artikelnummer: EB-F0133D4500-1619PB2251
Netto: 153,18 € zzgl. MwSt.
zzgl. 6,90 € Versand (brutto)
einmalig pro Bestellung

Lieferzeit: 5 Werktage

Pos.
73
BOSCH El-Hauptplatte | Ersatzteile für 3D45 | 1619PB2164
Hersteller: BOSCH
Artikelnummer: EB-F0133D4500-1619PB2164
Netto: 520,52 € zzgl. MwSt.
zzgl. 6,90 € Versand (brutto)
einmalig pro Bestellung

Lieferzeit: 5 Werktage

Pos.
79
BOSCH Hauptschalter | Ersatzteile für 3D45 | 1619PA9586
Hersteller: BOSCH
Artikelnummer: EB-F0133D4500-1619PA9586
Netto: 5,19 € zzgl. MwSt.
zzgl. 6,90 € Versand (brutto)
einmalig pro Bestellung

Lieferzeit: 5 Werktage

Pos.
82
BOSCH Messwertgeber | Ersatzteile für 3D45 | 1619PA9608
Hersteller: BOSCH
Artikelnummer: EB-F0133D4500-1619PA9608
Netto: 17,38 € zzgl. MwSt.
zzgl. 6,90 € Versand (brutto)
einmalig pro Bestellung

Lieferzeit: 5 Werktage

Pos.
89
BOSCH Riemen | Ersatzteile für 3D45 | 1619PA7763
Hersteller: BOSCH
Artikelnummer: EB-F0133D4500-1619PA7763
Netto: 8,33 € zzgl. MwSt.
zzgl. 6,90 € Versand (brutto)
einmalig pro Bestellung

Lieferzeit: 5 Werktage

Pos.
93
BOSCH Riemen | Ersatzteile für 3D45 | 1619PA9615
Hersteller: BOSCH
Artikelnummer: EB-F0133D4500-1619PA9615
Netto: 21,16 € zzgl. MwSt.
zzgl. 6,90 € Versand (brutto)
einmalig pro Bestellung

Lieferzeit: 5 Werktage

Pos.
97
BOSCH Riemen | Ersatzteile für 3D45 | 1619PA9619
Hersteller: BOSCH
Artikelnummer: EB-F0133D4500-1619PA9619
Netto: 26,88 € zzgl. MwSt.
zzgl. 6,90 € Versand (brutto)
einmalig pro Bestellung

Lieferzeit: 5 Werktage

Pos.
119
BOSCH Düse | Ersatzteile für 3D45 | 1619PB2232
Hersteller: BOSCH
Artikelnummer: EB-F0133D4500-1619PB2232
Netto: 14,36 € zzgl. MwSt.
zzgl. 6,90 € Versand (brutto)
einmalig pro Bestellung

Lieferzeit: 5 Werktage

Pos.
127
BOSCH El-Hauptplatte | Ersatzteile für 3D45 | 1619PB2166
Hersteller: BOSCH
Artikelnummer: EB-F0133D4500-1619PB2166
Netto: 15,75 € zzgl. MwSt.
zzgl. 6,90 € Versand (brutto)
einmalig pro Bestellung

Lieferzeit: 5 Werktage

Pos.
129
BOSCH Gebläse | Ersatzteile für 3D45 | 1619PA9644
Hersteller: BOSCH
Artikelnummer: EB-F0133D4500-1619PA9644
Netto: 26,88 € zzgl. MwSt.
zzgl. 6,90 € Versand (brutto)
einmalig pro Bestellung

Lieferzeit: 5 Werktage

Pos.
152
BOSCH Sensor | Ersatzteile für 3D45 | 1619PA9661
Hersteller: BOSCH
Artikelnummer: EB-F0133D4500-1619PA9661
Nie mehr lieferbar
keine Alternativen
Pos.
161
BOSCH Pvc-Elektr Leitung | Ersatzteile für 3D45 | 1619PA9680
Hersteller: BOSCH
Artikelnummer: EB-F0133D4500-1619PA9680
Netto: 4,32 € zzgl. MwSt.
zzgl. 6,90 € Versand (brutto)
einmalig pro Bestellung

Lieferzeit: 5 Werktage

Pos.
162
BOSCH Anschlussdraht | Ersatzteile für 3D45 | 1619PB2259
Hersteller: BOSCH
Artikelnummer: EB-F0133D4500-1619PB2259
Netto: 3,94 € zzgl. MwSt.
zzgl. 6,90 € Versand (brutto)
einmalig pro Bestellung

Lieferzeit: 5 Werktage

Pos.
163
BOSCH Anschlussdraht | Ersatzteile für 3D45 | 1619PB2260
Hersteller: BOSCH
Artikelnummer: EB-F0133D4500-1619PB2260
nur Informationsartikel
Nie mehr lieferbar
keine Alternativen
Pos.
164
BOSCH Pvc-Elektr Leitung | Ersatzteile für 3D45 | 1619PA9683
Hersteller: BOSCH
Artikelnummer: EB-F0133D4500-1619PA9683
Netto: 5,19 € zzgl. MwSt.
zzgl. 6,90 € Versand (brutto)
einmalig pro Bestellung

Lieferzeit: 5 Werktage

Pos.
165
BOSCH Pvc-Elektr Leitung | Ersatzteile für 3D45 | 1619PA9684
Hersteller: BOSCH
Artikelnummer: EB-F0133D4500-1619PA9684
Netto: 7,30 € zzgl. MwSt.
zzgl. 6,90 € Versand (brutto)
einmalig pro Bestellung

Lieferzeit: 5 Werktage

Pos.
166
BOSCH Pvc-Elektr Leitung | Ersatzteile für 3D45 | 1619PA9685
Hersteller: BOSCH
Artikelnummer: EB-F0133D4500-1619PA9685
Netto: 5,67 € zzgl. MwSt.
zzgl. 6,90 € Versand (brutto)
einmalig pro Bestellung

Lieferzeit: 5 Werktage

Pos.
167
BOSCH Pvc-Elektr Leitung | Ersatzteile für 3D45 | 1619PA9686
Hersteller: BOSCH
Artikelnummer: EB-F0133D4500-1619PA9686
Netto: 6,15 € zzgl. MwSt.
zzgl. 6,90 € Versand (brutto)
einmalig pro Bestellung

Lieferzeit: 5 Werktage

Pos.
168
BOSCH Pvc-Elektr Leitung | Ersatzteile für 3D45 | 1619PA9687
Hersteller: BOSCH
Artikelnummer: EB-F0133D4500-1619PA9687
Netto: 5,19 € zzgl. MwSt.
zzgl. 6,90 € Versand (brutto)
einmalig pro Bestellung

Lieferzeit: 5 Werktage

Pos.
169
BOSCH Pvc-Elektr Leitung | Ersatzteile für 3D45 | 1619PA9688
Hersteller: BOSCH
Artikelnummer: EB-F0133D4500-1619PA9688
Netto: 4,53 € zzgl. MwSt.
zzgl. 6,90 € Versand (brutto)
einmalig pro Bestellung

Lieferzeit: 5 Werktage

Pos.
170
BOSCH Pvc-Elektr Leitung | Ersatzteile für 3D45 | 1619PA9689
Hersteller: BOSCH
Artikelnummer: EB-F0133D4500-1619PA9689
Netto: 4,32 € zzgl. MwSt.
zzgl. 6,90 € Versand (brutto)
einmalig pro Bestellung

Lieferzeit: 5 Werktage

Pos.
171
BOSCH Pvc-Elektr Leitung | Ersatzteile für 3D45 | 1619PA9690
Hersteller: BOSCH
Artikelnummer: EB-F0133D4500-1619PA9690
Netto: 3,94 € zzgl. MwSt.
zzgl. 6,90 € Versand (brutto)
einmalig pro Bestellung

Lieferzeit: 5 Werktage

Pos.
172
BOSCH Pvc-Elektr Leitung | Ersatzteile für 3D45 | 1619PA9691
Hersteller: BOSCH
Artikelnummer: EB-F0133D4500-1619PA9691
Netto: 3,94 € zzgl. MwSt.
zzgl. 6,90 € Versand (brutto)
einmalig pro Bestellung

Lieferzeit: 5 Werktage

Pos.
173
BOSCH Pvc-Elektr Leitung | Ersatzteile für 3D45 | 1619PA9692
Hersteller: BOSCH
Artikelnummer: EB-F0133D4500-1619PA9692
Netto: 4,82 € zzgl. MwSt.
zzgl. 6,90 € Versand (brutto)
einmalig pro Bestellung

Lieferzeit: 5 Werktage

Pos.
174
BOSCH Pvc-Elektr Leitung | Ersatzteile für 3D45 | 1619PB2261
Hersteller: BOSCH
Artikelnummer: EB-F0133D4500-1619PB2261
nur Informationsartikel
Nie mehr lieferbar
keine Alternativen
Pos.
175
BOSCH Pvc-Elektr Leitung | Ersatzteile für 3D45 | 1619PB2262
Hersteller: BOSCH
Artikelnummer: EB-F0133D4500-1619PB2262
nur Informationsartikel
Nie mehr lieferbar
keine Alternativen
Pos.
206
BOSCH Schaber | Ersatzteile für 3D45 | 1619PA7888
Hersteller: BOSCH
Artikelnummer: EB-F0133D4500-1619PA7888
Netto: 6,70 € zzgl. MwSt.
zzgl. 6,90 € Versand (brutto)
einmalig pro Bestellung

Lieferzeit: 5 Werktage

Pos.
207
BOSCH Reinigungsnadel | Ersatzteile für 3D45 | 1619PA9611
Hersteller: BOSCH
Artikelnummer: EB-F0133D4500-1619PA9611
Netto: 4,53 € zzgl. MwSt.
zzgl. 6,90 € Versand (brutto)
einmalig pro Bestellung

Lieferzeit: 5 Werktage

Pos.
228
BOSCH Isolierung | Ersatzteile für 3D45 | 1619PA9668
Hersteller: BOSCH
Artikelnummer: EB-F0133D4500-1619PA9668
Netto: 3,63 € zzgl. MwSt.
zzgl. 6,90 € Versand (brutto)
einmalig pro Bestellung

Lieferzeit: 5 Werktage

Pos.
229
BOSCH Kühlkörper | Ersatzteile für 3D45 | 1619PB2197
Hersteller: BOSCH
Artikelnummer: EB-F0133D4500-1619PB2197
Netto: 32,74 € zzgl. MwSt.
zzgl. 6,90 € Versand (brutto)
einmalig pro Bestellung

Lieferzeit: 5 Werktage

Pos.
302
BOSCH Einklebeblatt | Ersatzteile für 3D45 | 1619PA9783
Hersteller: BOSCH
Artikelnummer: EB-F0133D4500-1619PA9783
Netto: 6,15 € zzgl. MwSt.
zzgl. 6,90 € Versand (brutto)
einmalig pro Bestellung

Lieferzeit: 5 Werktage

Pos.
303
BOSCH Warnzettel | Ersatzteile für 3D45 | 2610035681
Hersteller: BOSCH
Artikelnummer: EB-F0133D4500-2610035681
Netto: 4,53 € zzgl. MwSt.
zzgl. 6,90 € Versand (brutto)
einmalig pro Bestellung

Lieferzeit: 5 Werktage

Pos.
304
BOSCH Einklebeblatt | Ersatzteile für 3D45 | 2610036394
Hersteller: BOSCH
Artikelnummer: EB-F0133D4500-2610036394
Netto: 4,53 € zzgl. MwSt.
zzgl. 6,90 € Versand (brutto)
einmalig pro Bestellung

Lieferzeit: 5 Werktage

Pos.
325
BOSCH Rundmutter | Ersatzteile für 3D45 | 1619PA9907
Hersteller: BOSCH
Artikelnummer: EB-F0133D4500-1619PA9907
Netto: 7,30 € zzgl. MwSt.
zzgl. 6,90 € Versand (brutto)
einmalig pro Bestellung

Lieferzeit: 5 Werktage

Pos.
404
BOSCH El-Hauptplatte | Ersatzteile für 3D45 | 1619PB2206
Hersteller: BOSCH
Artikelnummer: EB-F0133D4500-1619PB2206
Netto: 42,86 € zzgl. MwSt.
zzgl. 6,90 € Versand (brutto)
einmalig pro Bestellung

Lieferzeit: 5 Werktage

Pos.
407
BOSCH Taste | Ersatzteile für 3D45 | 1619PB2209
Hersteller: BOSCH
Artikelnummer: EB-F0133D4500-1619PB2209
Netto: 3,94 € zzgl. MwSt.
zzgl. 6,90 € Versand (brutto)
einmalig pro Bestellung

Lieferzeit: 5 Werktage

Pos.
415
BOSCH Verkleidung | Ersatzteile für 3D45 | 1619PB2201
Hersteller: BOSCH
Artikelnummer: EB-F0133D4500-1619PB2201
Netto: 3,94 € zzgl. MwSt.
zzgl. 6,90 € Versand (brutto)
einmalig pro Bestellung

Lieferzeit: 5 Werktage

Pos.
416
BOSCH Modulplatte | Ersatzteile für 3D45 | 1619PB2183
Hersteller: BOSCH
Artikelnummer: EB-F0133D4500-1619PB2183
Netto: 8,33 € zzgl. MwSt.
zzgl. 6,90 € Versand (brutto)
einmalig pro Bestellung

Lieferzeit: 5 Werktage

Pos.
417
BOSCH Schwenkhalter | Ersatzteile für 3D45 | 1619PB2184
Hersteller: BOSCH
Artikelnummer: EB-F0133D4500-1619PB2184
nur Informationsartikel
Nie mehr lieferbar
keine Alternativen
Pos.
421
BOSCH Lesegerät | Ersatzteile für 3D45 | 1619PB2168
Hersteller: BOSCH
Artikelnummer: EB-F0133D4500-1619PB2168
Netto: 42,86 € zzgl. MwSt.
zzgl. 6,90 € Versand (brutto)
einmalig pro Bestellung

Lieferzeit: 5 Werktage

Pos.
422
BOSCH Deckplatte | Ersatzteile für 3D45 | 1619PB2186
Hersteller: BOSCH
Artikelnummer: EB-F0133D4500-1619PB2186
nur Informationsartikel
Nie mehr lieferbar
keine Alternativen
Pos.
424
BOSCH Kühlgebläse | Ersatzteile für 3D45 | 1619PB2246
Hersteller: BOSCH
Artikelnummer: EB-F0133D4500-1619PB2246
Netto: 21,16 € zzgl. MwSt.
zzgl. 6,90 € Versand (brutto)
einmalig pro Bestellung

Lieferzeit: 5 Werktage

Pos.
650
BOSCH Netzanschlussleitung AUS 1,8m | Ersatzteile für 3D45 | 2610039211
Hersteller: BOSCH
Artikelnummer: EB-F0133D4500-2610039211
Netto: 17,38 € zzgl. MwSt.
zzgl. 6,90 € Versand (brutto)
einmalig pro Bestellung

Lieferzeit: 5 Werktage

Pos.
650
BOSCH Netzanschlussleitung CN | Ersatzteile für 3D45 | 1619PB3513
Hersteller: BOSCH
Artikelnummer: EB-F0133D4500-1619PB3513
Netto: 11,92 € zzgl. MwSt.
zzgl. 6,90 € Versand (brutto)
einmalig pro Bestellung

Lieferzeit: 5 Werktage

Pos.
650
BOSCH Netzanschlussleitung EU 230V 1,8m | Ersatzteile für 3D45 | 1619PA8373
Hersteller: BOSCH
Artikelnummer: EB-F0133D4500-1619PA8373
Netto: 15,75 € zzgl. MwSt.
zzgl. 6,90 € Versand (brutto)
einmalig pro Bestellung

Lieferzeit: 5 Werktage

Pos.
650
BOSCH Netzanschlussleitung UK 230V 1,8m | Ersatzteile für 3D45 | 1619PA8375
Hersteller: BOSCH
Artikelnummer: EB-F0133D4500-1619PA8375
Netto: 17,38 € zzgl. MwSt.
zzgl. 6,90 € Versand (brutto)
einmalig pro Bestellung

Lieferzeit: 5 Werktage

Pos.
650
BOSCH Stromversorgung CH | Ersatzteile für 3D45 | 1619PA9144
Hersteller: BOSCH
Artikelnummer: EB-F0133D4500-1619PA9144
Netto: 15,75 € zzgl. MwSt.
zzgl. 6,90 € Versand (brutto)
einmalig pro Bestellung

Lieferzeit: 5 Werktage

Pos.
650
BOSCH Stromversorgung USA 1,8m | Ersatzteile für 3D45 | 2610035685
Hersteller: BOSCH
Artikelnummer: EB-F0133D4500-2610035685
Netto: 11,92 € zzgl. MwSt.
zzgl. 6,90 € Versand (brutto)
einmalig pro Bestellung

Lieferzeit: 5 Werktage

Pos.
652
BOSCH USB Kabel | Ersatzteile für 3D45 | 2610035687
Hersteller: BOSCH
Artikelnummer: EB-F0133D4500-2610035687
nur Informationsartikel
Nie mehr lieferbar
keine Alternativen
Pos.
653
BOSCH USB-Stick | Ersatzteile für 3D45 | 2610047410
Hersteller: BOSCH
Artikelnummer: EB-F0133D4500-2610047410
nur Informationsartikel
Nie mehr lieferbar
keine Alternativen
Pos.
801
BOSCH Schrittmotor | Ersatzteile für 3D45 | 1619PA9841
Hersteller: BOSCH
Artikelnummer: EB-F0133D4500-1619PA9841
Netto: 35,77 € zzgl. MwSt.
zzgl. 6,90 € Versand (brutto)
einmalig pro Bestellung

Lieferzeit: 5 Werktage

Pos.
802
BOSCH Schrittmotor | Ersatzteile für 3D45 | 1619PA9844
Hersteller: BOSCH
Artikelnummer: EB-F0133D4500-1619PA9844
Netto: 96,32 € zzgl. MwSt.
zzgl. 6,90 € Versand (brutto)
einmalig pro Bestellung

Lieferzeit: 5 Werktage

Pos.
803
BOSCH Tür | Ersatzteile für 3D45 | 1619PB2258
Hersteller: BOSCH
Artikelnummer: EB-F0133D4500-1619PB2258
Netto: 26,88 € zzgl. MwSt.
zzgl. 6,90 € Versand (brutto)
einmalig pro Bestellung

Lieferzeit: 5 Werktage

Pos.
805
BOSCH El-Hauptplatte | Ersatzteile für 3D45 | 1619PB2274
Hersteller: BOSCH
Artikelnummer: EB-F0133D4500-1619PB2274
Netto: 26,88 € zzgl. MwSt.
zzgl. 6,90 € Versand (brutto)
einmalig pro Bestellung

Lieferzeit: 5 Werktage

Pos.
806
BOSCH Düse | Ersatzteile für 3D45 | 1619PB2277
Hersteller: BOSCH
Artikelnummer: EB-F0133D4500-1619PB2277
Netto: 86,83 € zzgl. MwSt.
zzgl. 6,90 € Versand (brutto)
einmalig pro Bestellung

Lieferzeit: 5 Werktage

Pos.
807
BOSCH Führungswand | Ersatzteile für 3D45 | 1619PB2278
Hersteller: BOSCH
Artikelnummer: EB-F0133D4500-1619PB2278
Netto: 6,70 € zzgl. MwSt.
zzgl. 6,90 € Versand (brutto)
einmalig pro Bestellung

Lieferzeit: 5 Werktage

Pos.
808
BOSCH El-Hauptplatte | Ersatzteile für 3D45 | 1619PB2279
Hersteller: BOSCH
Artikelnummer: EB-F0133D4500-1619PB2279
Netto: 86,83 € zzgl. MwSt.
zzgl. 6,90 € Versand (brutto)
einmalig pro Bestellung

Lieferzeit: 5 Werktage

Pos.
809
BOSCH Befestigungswinkel | Ersatzteile für 3D45 | 1619PB2240
Hersteller: BOSCH
Artikelnummer: EB-F0133D4500-1619PB2240
Netto: 6,70 € zzgl. MwSt.
zzgl. 6,90 € Versand (brutto)
einmalig pro Bestellung

Lieferzeit: 5 Werktage

Pos.
810
BOSCH Luftfilter | Ersatzteile für 3D45 | 1619PB2276
Hersteller: BOSCH
Artikelnummer: EB-F0133D4500-1619PB2276
Netto: 12,98 € zzgl. MwSt.
zzgl. 6,90 € Versand (brutto)
einmalig pro Bestellung

Lieferzeit: 5 Werktage

Pos.
811
BOSCH Haltewinkel | Ersatzteile für 3D45 | 1619PB4625
Hersteller: BOSCH
Artikelnummer: EB-F0133D4500-1619PB4625
Netto: 26,88 € zzgl. MwSt.
zzgl. 6,90 € Versand (brutto)
einmalig pro Bestellung

Lieferzeit: 5 Werktage

Pos.
812
BOSCH Haltewinkel | Ersatzteile für 3D45 | 1619PA9839
Hersteller: BOSCH
Artikelnummer: EB-F0133D4500-1619PA9839
Netto: 17,38 € zzgl. MwSt.
zzgl. 6,90 € Versand (brutto)
einmalig pro Bestellung

Lieferzeit: 5 Werktage

Pos.
822
BOSCH Haltewinkel | Ersatzteile für 3D45 | 1619PB2241
Hersteller: BOSCH
Artikelnummer: EB-F0133D4500-1619PB2241
nur Informationsartikel
Nie mehr lieferbar
keine Alternativen
Pos.
867
BOSCH Tür | Ersatzteile für 3D45 | 1619PA9847
Hersteller: BOSCH
Artikelnummer: EB-F0133D4500-1619PA9847
Netto: 39,11 € zzgl. MwSt.
zzgl. 6,90 € Versand (brutto)
einmalig pro Bestellung

Lieferzeit: 5 Werktage

Pos.
887
BOSCH Riemenscheibe | Ersatzteile für 3D45 | 1619PB4858
Hersteller: BOSCH
Artikelnummer: EB-F0133D4500-1619PB4858
Netto: 21,16 € zzgl. MwSt.
zzgl. 6,90 € Versand (brutto)
einmalig pro Bestellung

Lieferzeit: 5 Werktage

Pos.
898
BOSCH Schrittmotor | Ersatzteile für 3D45 | 1619PA9833
Hersteller: BOSCH
Artikelnummer: EB-F0133D4500-1619PA9833
Netto: 63,99 € zzgl. MwSt.
zzgl. 6,90 € Versand (brutto)
einmalig pro Bestellung

Lieferzeit: 5 Werktage

Pos.
899
BOSCH Schrittmotor | Ersatzteile für 3D45 | 1619PA9848
Hersteller: BOSCH
Artikelnummer: EB-F0133D4500-1619PA9848
Netto: 63,99 € zzgl. MwSt.
zzgl. 6,90 € Versand (brutto)
einmalig pro Bestellung

Lieferzeit: 5 Werktage

Angaben zur Produktsicherheit

Hersteller:
Robert Bosch Power Tools GmbH
Postfach 30 02 20
70442 Stuttgart

E-Mail:
kontakt@bosch.de